URI: 
  TEXT View Source
       
       # VEXTREC COMPUTER, INC.
       
          GMB-P6BIAK (VER. 3.00)
       
          Device Type      Mainboard                                     
          Processor        Pentium II                                    
          Processor Speed  233/266/300/333/350/400/450MHz                
          Chip Set         Intel 440BX                                   
          Maximum Onboard  768MB (EDO & SDRAM supported)                 
          Memory           
          BIOS             Award                                         
          Cache            256/512KB (located on the Pentium II CPU)     
          Dimensions       305mm x 217mm                                 
          I/O Options      32-bit PCI slots (4), floppy drive interface, 
                           IDE interface, parallel port, PS/2 mouse      
                           port, serial ports (2), USB connectors (2),   
                           IR connector                                  
       
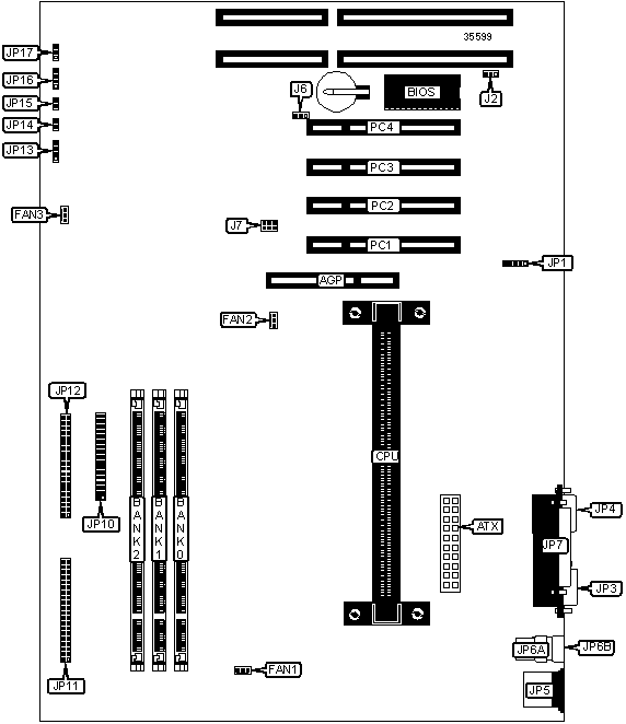
   IMG IMG 1
          
       
          +------------------------------------------------------------+
          |                        CONNECTIONS                         |
          |------------------------------------------------------------|
          | Purpose           | Location | Purpose          | Location |
          |-------------------+----------+------------------+----------|
          | CPU fan power     |   FAN1   | IDE interface 2  |   JP11   |
          |-------------------+----------+------------------+----------|
          | System fan power  |   FAN2   | IDE interface 1  |   JP12   |
          |-------------------+----------+------------------+----------|
          | ATX power         |   ATX    | IDE interface    |   JP13   |
          | connector         |          | LED              |          |
          |-------------------+----------+------------------+----------|
          | IR connector      |   JP1    | Power on/off     |   JP14   |
          |                   |          | switch connector |          |
          |-------------------+----------+------------------+----------|
          | Serial port 1     |   JP3    | Power LED        |   JP15   |
          |-------------------+----------+------------------+----------|
          | Serial port 2     |   JP4    | Reset switch     |   JP16   |
          |-------------------+----------+------------------+----------|
          | PS/2 mouse port   |   JP5    | Speaker          |   JP17   |
          |-------------------+----------+------------------+----------|
          | USB connector 1   |   JP6A   | Wake on LAN      |   JP18   |
          |                   |          | connector        |          |
          |-------------------+----------+------------------+----------|
          | USB connector 2   |   JP6B   | SB link          |   JP20   |
          |                   |          | connector        |          |
          |-------------------+----------+------------------+----------|
          | Parallel port     |   JP7    | 32-bit PCI slots |  PC1 -   |
          |                   |          |                  |   PC4    |
          |-------------------+----------+------------------+----------|
          | Floppy drive      |   JP10   |                  |          |
          | interface         |          |                  |          |
          +------------------------------------------------------------+
       
          +------------------------------------------------------------+
          |                 USER CONFIGURABLE SETTINGS                 |
          |------------------------------------------------------------|
          |             Function              | Label |    Position    |
          |-----------------------------------+-------+----------------|
          | » | Flash BIOS voltage select 5v  |  J2   |   Pins 1 & 2   |
          |   |                               |       |     closed     |
          |---+-------------------------------+-------+----------------|
          |   | Flash BIOS voltage select 12v |  J2   |   Pins 2 & 3   |
          |   |                               |       |     closed     |
          |---+-------------------------------+-------+----------------|
          | » | CMOS memory normal operation  |  J6   |   Pins 1 & 2   |
          |   |                               |       |     closed     |
          |---+-------------------------------+-------+----------------|
          |   | CMOS memory clear             |  J6   |   Pins 2 & 3   |
          |   |                               |       |     closed     |
          +------------------------------------------------------------+
       
          +------------------------------------------------------------+
          |                     DRAM CONFIGURATION                     |
          |------------------------------------------------------------|
          | Size  |   Bank 0    |   Bank 1   |   Bank 2   |   Bank 3   |
          |-------+-------------+------------+------------+------------|
          |  8MB  |  (1) 1MB x  |    None    |    None    |    None    |
          |       |     64      |            |            |            |
          |-------+-------------+------------+------------+------------|
          | 16MB  |  (1) 1MB x  | (1) 1MB x  |    None    |    None    |
          |       |     64      |     64     |            |            |
          |-------+-------------+------------+------------+------------|
          | 16MB  |  (1) 2MB x  |    None    |    None    |    None    |
          |       |     64      |            |            |            |
          |-------+-------------+------------+------------+------------|
          | 24MB  |  (1) 1MB x  | (1) 1MB x  | (1) 1MB x  |    None    |
          |       |     64      |     64     |     64     |            |
          |-------+-------------+------------+------------+------------|
          | 24MB  |  (1) 2MB x  | (1) 1MB x  |    None    |    None    |
          |       |     64      |     64     |            |            |
          |-------+-------------+------------+------------+------------|
          | 32MB  |  (1) 1MB x  | (1) 1MB x  | (1) 1MB x  | (1) 1MB x  |
          |       |     64      |     64     |     64     |     64     |
          |-------+-------------+------------+------------+------------|
          | 32MB  |  (1) 2MB x  | (1) 2MB x  |    None    |    None    |
          |       |     64      |     64     |            |            |
          |-------+-------------+------------+------------+------------|
          | 32MB  |  (1) 4MB x  |    None    |    None    |    None    |
          |       |     64      |            |            |            |
          |-------+-------------+------------+------------+------------|
          | 32MB  |  (1) 2MB x  | (1) 1MB x  | (1) 1MB x  |    None    |
          |       |     64      |     64     |     64     |            |
          |-------+-------------+------------+------------+------------|
          | 48MB  |  (1) 2MB x  | (1) 2MB x  | (1) 2MB x  |    None    |
          |       |     64      |     64     |     64     |            |
          |-------+-------------+------------+------------+------------|
          | 48MB  |  (1) 4MB x  | (1) 2MB x  |    None    |    None    |
          |       |     64      |     64     |            |            |
          |-------+-------------+------------+------------+------------|
          | 64MB  |  (1) 2MB x  | (1) 2MB x  | (1) 2MB x  | (1) 2MB x  |
          |       |     64      |     64     |     64     |     64     |
          |-------+-------------+------------+------------+------------|
          | 64MB  |  (1) 4MB x  | (1) 4MB x  |    None    |    None    |
          |       |     64      |     64     |            |            |
          |-------+-------------+------------+------------+------------|
          | 64MB  |  (1) 8MB x  |    None    |    None    |    None    |
          |       |     64      |            |            |            |
          |-------+-------------+------------+------------+------------|
          | 64MB  |  (1) 4MB x  | (1) 2MB x  | (1) 2MB x  |    None    |
          |       |     64      |     64     |     64     |            |
          |-------+-------------+------------+------------+------------|
          | 96MB  |  (1) 4MB x  | (1) 4MB x  | (1) 4MB x  |    None    |
          |       |     64      |     64     |     64     |            |
          |-------+-------------+------------+------------+------------|
          | 96MB  |  (1) 8MB x  | (1) 4MB x  |    None    |    None    |
          |       |     64      |     64     |            |            |
          |-------+-------------+------------+------------+------------|
          | 120MB |  (1) 8MB x  | (1) 4MB x  | (1) 2MB x  | (1) 1MB x  |
          |       |     64      |     64     |     64     |     64     |
          |-------+-------------+------------+------------+------------|
          | 128MB |  (1) 4MB x  | (1) 4MB x  | (1) 4MB x  | (1) 4MB x  |
          |       |     64      |     64     |     64     |     64     |
          |-------+-------------+------------+------------+------------|
          | 128MB |  (1) 8MB x  | (1) 8MB x  |    None    |    None    |
          |       |     64      |     64     |            |            |
          |-------+-------------+------------+------------+------------|
          | 128MB | (1) 16MB x  |    None    |    None    |    None    |
          |       |     64      |            |            |            |
          |-------+-------------+------------+------------+------------|
          | 128MB |  (1) 8MB x  | (1) 4MB x  | (1) 4MB x  |    None    |
          |       |     64      |     64     |     64     |            |
          |-------+-------------+------------+------------+------------|
          | 192MB |  (1) 8MB x  | (1) 8MB x  | (1) 8MB x  |    None    |
          |       |     64      |     64     |     64     |            |
          |-------+-------------+------------+------------+------------|
          | 192MB | (1) 16MB x  | (1) 8MB x  |    None    |    None    |
          |       |     64      |     64     |            |            |
          +------------------------------------------------------------+
       
          +------------------------------------------------------------+
          |                 DRAM CONFIGURATION (CONT.)                 |
          |------------------------------------------------------------|
          | Size  |   Bank 0    |   Bank 1   |   Bank 2   |   Bank 3   |
          |-------+-------------+------------+------------+------------|
          | 240MB | (1) 16MB x  | (1) 8MB x  | (1) 4MB x  | (1) 2MB x  |
          |       |     64      |     64     |     64     |     64     |
          |-------+-------------+------------+------------+------------|
          | 256MB |  (1) 8MB x  | (1) 8MB x  | (1) 8MB x  | (1) 8MB x  |
          |       |     64      |     64     |     64     |     64     |
          |-------+-------------+------------+------------+------------|
          | 256MB | (1) 16MB x  | (1) 16MB x |    None    |    None    |
          |       |     64      |     64     |            |            |
          |-------+-------------+------------+------------+------------|
          | 256MB | (1) 32MB x  |    None    |    None    |    None    |
          |       |     64      |            |            |            |
          |-------+-------------+------------+------------+------------|
          | 256MB | (1) 16MB x  | (1) 8MB x  | (1) 8MB x  |    None    |
          |       |     64      |     64     |     64     |            |
          |-------+-------------+------------+------------+------------|
          | 384MB | (1) 16MB x  | (1) 16MB x | (1) 16MB x |    None    |
          |       |     64      |     64     |     64     |            |
          |-------+-------------+------------+------------+------------|
          | 384MB | (1) 32MB x  | (1) 16MB x |    None    |    None    |
          |       |     64      |     64     |            |            |
          |-------+-------------+------------+------------+------------|
          | 448MB | (1) 32MB x  | (1) 16MB x | (1) 8MB x  | (1) 4MB x  |
          |       |     64      |     64     |     64     |     64     |
          |-------+-------------+------------+------------+------------|
          | 512MB | (1) 16MB x  | (1) 16MB x | (1) 16MB x | (1) 16MB x |
          |       |     64      |     64     |     64     |     64     |
          |-------+-------------+------------+------------+------------|
          | 512MB | (1) 32MB x  | (1) 32MB x |    None    |    None    |
          |       |     64      |     64     |            |            |
          |-------+-------------+------------+------------+------------|
          | 512MB | (1) 32MB x  | (1) 16MB x | (1) 16MB x |    None    |
          |       |     64      |     64     |     64     |            |
          |-------+-------------+------------+------------+------------|
          | 768MB | (1) 32MB x  | (1) 32MB x | (1) 32MB x |    None    |
          |       |     64      |     64     |     64     |            |
          +------------------------------------------------------------+
       
          +------------------------------------------------------------+
          |                    CPU SPEED SELECTION                     |
          |------------------------------------------------------------|
          |  CPU  |Clock |Multiplier|JP4/pins 1 &|JP4/pins 3|JP4/pins 5|
          | Speed |Speed |          |     2      |   & 4    |   & 6    |
          |-------+------+----------+------------+----------+----------|
          |233MHz |66MHz |   3.5x   |    Open    |   Open   |  Closed  |
          |-------+------+----------+------------+----------+----------|
          |266MHz |66MHz |    4x    |   Closed   |  Closed  |   Open   |
          |-------+------+----------+------------+----------+----------|
          |300MHz |66MHv |   4.5x   |    Open    |  Closed  |   Open   |
          |-------+------+----------+------------+----------+----------|
          |333MHz |66MHz |    5x    |   Closed   |   Open   |   Open   |
          |-------+------+----------+------------+----------+----------|
          |350MHz |66MHz |   3.5x   |    Open    |   Open   |  Closed  |
          |-------+------+----------+------------+----------+----------|
          |400MHz |66MHz |   4.0x   |   Closed   |  Closed  |   Open   |
          |-------+------+----------+------------+----------+----------|
          |450MHz |66MHz |   4.5x   |    Open    |  Closed  |   Open   |
          +------------------------------------------------------------+