URI: 
  TEXT View Source
       
       # ZIDA TECHNOLOGIES, INC.
       
          EX98 (VER. 1.40)
       
          Device Type      Mainboard                                     
          Processor        Pentium II/Celeron                            
          Processor Speed  233/266/300/333MHz                            
          Chip Set         Intel 440LX/EX                                
          Video Chip Set   None                                          
          Maximum Onboard  256MB (SDRAM supported)                       
          Memory           
          Maximum Video    None                                          
          Memory           
          Cache            512KB (located on Pentium II CPU)             
          BIOS             AMI                                           
          Dimensions       254mm x 218mm                                 
          I/O Options      32-bit PCI slots (3), floppy drive interface, 
                           green PC connector, IDE interfaces (2),       
                           parallel port, PS/2 mouse interface, serial   
                           ports (2), IR connector, USB connectors (2),  
                           ATX power connector, AGP slot                 
       
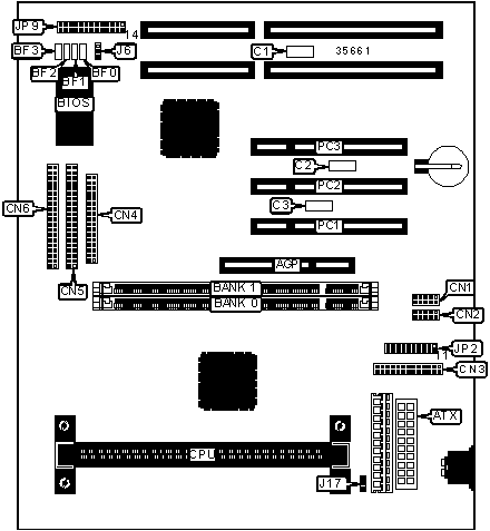
   IMG IMG 1
          
       
          +------------------------------------------------------------+
          |                        CONNECTIONS                         |
          |------------------------------------------------------------|
          | Purpose          | Location | Purpose         |  Location  |
          |------------------+----------+-----------------+------------|
          | AGP slot         |   AGP    | USB connector 1 | JP2/pins 1 |
          |                  |          |                 |     –5     |
          |------------------+----------+-----------------+------------|
          | ATX power        |   ATX    | PS/2 mouse port | JP2/pins 6 |
          | connector        |          |                 |    – 10    |
          |------------------+----------+-----------------+------------|
          | TB-link          |    C1    | USB connector 2 |  JP2/pins  |
          | connector        |          |                 |  11 – 15   |
          |------------------+----------+-----------------+------------|
          | Wake up link     |    C2    | IR connector    |  JP2/pins  |
          | connector        |          |                 |  16 - 20   |
          |------------------+----------+-----------------+------------|
          | TB/SB-link       |    C3    | Power LED &     | JP9/pins 1 |
          | connector        |          | keylock         |    – 5     |
          |------------------+----------+-----------------+------------|
          | Serial port 2    |   CN1    | Green PC        | JP9/pins 7 |
          |                  |          | connector       |    & 8     |
          |------------------+----------+-----------------+------------|
          | Serial port 1    |   CN2    | Speaker         |  JP9/pins  |
          |                  |          |                 |  10 – 13   |
          |------------------+----------+-----------------+------------|
          | Parallel port    |   CN3    | IDE interface   |  JP9/pins  |
          |                  |          | LED             |  14 & 15   |
          |------------------+----------+-----------------+------------|
          | Floppy drive     |   CN4    | Soft off power  |  JP9/pins  |
          | interface        |          | supply          |  17 & 18   |
          |------------------+----------+-----------------+------------|
          | IDE interface 2  |   CN5    | Reset switch    |  JP9/pins  |
          |                  |          |                 |  22 & 23   |
          |------------------+----------+-----------------+------------|
          | IDE interface 1  |   CN6    | Turbo LED       |  JP9/pins  |
          |                  |          |                 |  25 & 26   |
          |------------------+----------+-----------------+------------|
          | CPU fan power    |   J17    | 32-bit PCI      | PC1 – PC3  |
          |                  |          | slots           |            |
          +------------------------------------------------------------+
       
          +------------------------------------------------------------+
          |                 USER CONFIGURABLE SETTINGS                 |
          |------------------------------------------------------------|
          |              Function               | Label |   Position   |
          |-------------------------------------+-------+--------------|
          | » | Factory configured - do not     |  BF0  | Unidentified |
          |   | alter                           |       |              |
          |---+---------------------------------+-------+--------------|
          | » | Factory configured - do not     |  BF1  | Unidentified |
          |   | alter                           |       |              |
          |---+---------------------------------+-------+--------------|
          | » | Factory configured - do not     |  BF2  | Unidentified |
          |   | alter                           |       |              |
          |---+---------------------------------+-------+--------------|
          | » | Factory configured - do not     |  BF3  | Unidentified |
          |   | alter                           |       |              |
          |---+---------------------------------+-------+--------------|
          | » | Factory configured - do not     |  J6   | Unidentified |
          |   | alter                           |       |              |
          +------------------------------------------------------------+
       
          +------------------------------------------------------------+
          |                     DIMM CONFIGURATION                     |
          |------------------------------------------------------------|
          |       Size       |       Bank 0       |       Bank 1       |
          |------------------+--------------------+--------------------|
          |       8MB        |    (1) 1M x 64     |        None        |
          |------------------+--------------------+--------------------|
          |       16MB       |    (1) 2M x 64     |        None        |
          |------------------+--------------------+--------------------|
          |       16MB       |    (1) 1M x 64     |    (1) 1M x 64     |
          |------------------+--------------------+--------------------|
          |       24MB       |    (1) 2M x 64     |    (1) 1M x 64     |
          |------------------+--------------------+--------------------|
          |       32MB       |    (1) 4M x 64     |        None        |
          |------------------+--------------------+--------------------|
          |       32MB       |    (1) 2M x 64     |    (1) 2M x 64     |
          |------------------+--------------------+--------------------|
          |       40MB       |    (1) 4M x 64     |    (1) 1M x 64     |
          |------------------+--------------------+--------------------|
          |       48MB       |    (1) 4M x 64     |    (1) 2M x 64     |
          |------------------+--------------------+--------------------|
          |       64MB       |    (1) 8M x 64     |        None        |
          |------------------+--------------------+--------------------|
          |       64MB       |    (1) 4M x 64     |    (1) 4M x 64     |
          |------------------+--------------------+--------------------|
          |       72MB       |    (1) 8M x 64     |    (1) 1M x 64     |
          +------------------------------------------------------------+
       
          +------------------------------------------------------------+
          |                 DIMM CONFIGURATION (CON’T)                 |
          |------------------------------------------------------------|
          |       Size       |       Bank 0       |       Bank 1       |
          |------------------+--------------------+--------------------|
          |       80MB       |    (1) 8M x 64     |    (1) 2M x 64     |
          |------------------+--------------------+--------------------|
          |       96MB       |    (1) 8M x 64     |    (1) 4M x 64     |
          |------------------+--------------------+--------------------|
          |      128MB       |    (1) 16M x 64    |        None        |
          |------------------+--------------------+--------------------|
          |      128MB       |    (1) 8M x 64     |    (1) 8M x 64     |
          |------------------+--------------------+--------------------|
          |      136MB       |    (1) 16M x 64    |    (1) 1M x 64     |
          |------------------+--------------------+--------------------|
          |      144MB       |    (1) 16M x 64    |    (1) 2M x 64     |
          |------------------+--------------------+--------------------|
          |      160MB       |    (1) 16M x 64    |    (1) 4M x 64     |
          |------------------+--------------------+--------------------|
          |      192MB       |    (1) 16M x 64    |    (1) 8M x 64     |
          |------------------+--------------------+--------------------|
          |      256MB       |    (1) 16M x 64    |    (1) 16M x 64    |
          |------------------------------------------------------------|
          |      Note: Board accepts SDRAM memory.                     |
          +------------------------------------------------------------+
       
          +------------------------------------------------------------+
          |                    CACHE CONFIGURATION                     |
          |------------------------------------------------------------|
          | Note: 512KB cache is located on the Pentium II CPU.        |
          +------------------------------------------------------------+