URI: 
  TEXT View Source
       
       # ADDTRON TECHNOLOGY COMPANY, LTD.
       
          ARC-220 VER. 1
       
          NIC Type         ARCnet                                        
          Transfer Rate    2.5Mbps                                       
          Data Bus         16-bit ISA                                    
          Topology         Star                                          
                                                                         
                           Linear bus                                    
          Wiring Type      RG-62A/U 93ohm coaxial                        
                                                                         
                           Unshielded twisted pair                       
          Boot ROM         Available                                     
       
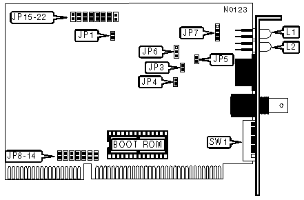
   IMG IMG 1
          
       
          +------------------------------------------------------------+
          |                        NODE ADDRESS                        |
          |------------------------------------------------------------|
          |Node |SW1/1 |SW1/2 |SW1/3 |SW1/4 |SW1/5 |SW1/6 |SW1/7 |SW1/8|
          |-----+------+------+------+------+------+------+------+-----|
          |  0  |  -   |  -   |  -   |  -   |  -   |  -   |  -   |  -  |
          |-----+------+------+------+------+------+------+------+-----|
          |  1  | Off  |  On  |  On  |  On  |  On  |  On  |  On  | On  |
          |-----+------+------+------+------+------+------+------+-----|
          |  2  |  On  | Off  |  On  |  On  |  On  |  On  |  On  | On  |
          |-----+------+------+------+------+------+------+------+-----|
          |  3  | Off  | Off  |  On  |  On  |  On  |  On  |  On  | On  |
          |-----+------+------+------+------+------+------+------+-----|
          |  4  |  On  |  On  | Off  |  On  |  On  |  On  |  On  | On  |
          |-----+------+------+------+------+------+------+------+-----|
          | 251 | Off  | Off  |  On  | Off  | Off  | Off  | Off  | Off |
          |-----+------+------+------+------+------+------+------+-----|
          | 252 |  On  |  On  | Off  | Off  | Off  | Off  | Off  | Off |
          |-----+------+------+------+------+------+------+------+-----|
          | 253 | Off  |  On  | Off  | Off  | Off  | Off  | Off  | Off |
          |-----+------+------+------+------+------+------+------+-----|
          | 254 |  On  | Off  | Off  | Off  | Off  | Off  | Off  | Off |
          |-----+------+------+------+------+------+------+------+-----|
          | 255 | Off  | Off  | Off  | Off  | Off  | Off  | Off  | Off |
          |------------------------------------------------------------|
          |Note:Node address 0 is used for messaging between nodes and |
          |must not be used.                                           |
          |                                                            |
          |  A total of 255 node address settings are available. The   |
          |  switches are a binary representation of the decimal node  |
          |  addresses. Switch 1 is the Least Significant Bit and      |
          |  switch 8 is the Most Significant Bit. The switches have   |
          |  the following decimal values: switch 1=1, 2=2, 3=4, 4=8,  |
          |  5=16, 6=32, 7=64, 8=128. Turn off the switches and add the|
          |  values of the off switches to obtain the correct node     |
          |  address. (On=0, Off=1)                                    |
          +------------------------------------------------------------+
       
          +------------------------------------------------------------+
          |                          BOOT ROM                          |
          |------------------------------------------------------------|
          |              Mode               |           JP1            |
          |---------------------------------+--------------------------|
          | » |          Disabled           |           Open           |
          |---+-----------------------------+--------------------------|
          |   |           Enabled           |          Closed          |
          +------------------------------------------------------------+
       
          +------------------------------------------------------------+
          |                     ONBOARD TERMINATOR                     |
          |------------------------------------------------------------|
          |                Setting                |        JP3         |
          |---------------------------------------+--------------------|
          | »             |       Disabled        |        Open        |
          |---------------+-----------------------+--------------------|
          |               |        Enabled        |       Closed       |
          |------------------------------------------------------------|
          | Note:If the card is on either end of a linear bus network  |
          | segment, the onboard terminator may be used instead of     |
          | using an external terminator                               |
          +------------------------------------------------------------+
       
          +------------------------------------------------------------+
          |                         CABLE TYPE                         |
          |------------------------------------------------------------|
          |          Type           |  JP4   |  JP5   |      JP6       |
          |-------------------------+--------+--------+----------------|
          | Unshielded twisted pair | Closed |  Open  |   Pins 1 & 2   |
          |                         |        |        |     closed     |
          |-------------------------+--------+--------+----------------|
          | RG-62A/U 93ohm coaxial  |  Open  | Closed |   Pins 2 & 3   |
          |                         |        |        |     closed     |
          +------------------------------------------------------------+
       
          +------------------------------------------------------------+
          |                        CONNECTIONS                         |
          |------------------------------------------------------------|
          |          Purpose          |            Location            |
          |---------------------------+--------------------------------|
          | Connection for LED1       |     JP7/pins 1 & 2 closed      |
          |---------------------------+--------------------------------|
          | Connection for LED2       |     JP7/pins 3 & 4 closed      |
          |------------------------------------------------------------|
          | Note: When no LEDs are being installed for the front       |
          | panel, JP7 pins 1 & 2 and pins 3 & 4 should be closed.     |
          +------------------------------------------------------------+
       
          +------------------------------------------------------------+
          |                     INTERRUPT REQUEST                      |
          |------------------------------------------------------------|
          | IRQ  |  JP8  |  JP9  | JP10  | JP11  | JP12  | JP13 | JP14 |
          |------+-------+-------+-------+-------+-------+------+------|
          |»|2/9 |Closed | Open  | Open  | Open  | Open  | Open | Open |
          |-+----+-------+-------+-------+-------+-------+------+------|
          | | 3  | Open  |Closed | Open  | Open  | Open  | Open | Open |
          |-+----+-------+-------+-------+-------+-------+------+------|
          | | 4  | Open  | Open  |Closed | Open  | Open  | Open | Open |
          |-+----+-------+-------+-------+-------+-------+------+------|
          | | 5  | Open  | Open  | Open  |Closed | Open  | Open | Open |
          |-+----+-------+-------+-------+-------+-------+------+------|
          | | 10 | Open  | Open  | Open  | Open  |Closed | Open | Open |
          |-+----+-------+-------+-------+-------+-------+------+------|
          | | 11 | Open  | Open  | Open  | Open  | Open  |Closed| Open |
          |-+----+-------+-------+-------+-------+-------+------+------|
          | | 12 | Open  | Open  | Open  | Open  | Open  | Open |Closed|
          +------------------------------------------------------------+
       
          +------------------------------------------------------------+
          |                     DIAGNOSTIC LED(S)                      |
          |------------------------------------------------------------|
          | LED  | Color |  Status  |            Condition             |
          |------+-------+----------+----------------------------------|
          | LED1 | Green |    On    |          Data is being           |
          |      |       |          |      transmitted/received.       |
          |------+-------+----------+----------------------------------|
          | LED1 | Green |   Off    |        Data is not being         |
          |      |       |          |      transmitted/received.       |
          |------+-------+----------+----------------------------------|
          | LED1 | Green | Blinking |   Network connection is broken   |
          |------+-------+----------+----------------------------------|
          | LED2 |  Red  |    On    |  Card is being accessed by the   |
          |      |       |          |          host computer           |
          |------+-------+----------+----------------------------------|
          | LED2 |  Red  |   Off    |  Card is not being accessed by   |
          |      |       |          |        the host computer         |
          +------------------------------------------------------------+
       
          +--------------------------------------------------------------+
          |           BASE MEMORY ADDRESS AND BOOR ROM ADDRESS           |
          |--------------------------------------------------------------|
          | Base Address |  Boot ROM  | JP15 | JP16 | JP17 | JP18 | JP19 |
          |              |  Address   |      |      |      |      |      |
          |--------------+------------+------+------+------+------+------|
          |»|D0000-D07FFh|D2000-D3FFFh|Closed|Closed|Closed| Open | Open |
          |-+------------+------------+------+------+------+------+------|
          | |C0000-C07FFh|C2000-C3FFFh|Closed|Closed|Closed|Closed|Closed|
          |-+------------+------------+------+------+------+------+------|
          | |C0800-C0FFFh|C2000-C3FFFh|Closed| Open |Closed|Closed|Closed|
          |-+------------+------------+------+------+------+------+------|
          | |C1000-C17FFh|C2000-C3FFFh|Closed|Closed| Open |Closed|Closed|
          |-+------------+------------+------+------+------+------+------|
          | |C1800-C1FFFh|C2000-C3FFFh|Closed| Open | Open |Closed|Closed|
          |-+------------+------------+------+------+------+------+------|
          | |C4000-C47FFh|C6000-C7FFFh|Closed|Closed|Closed| Open |Closed|
          |-+------------+------------+------+------+------+------+------|
          | |C4800-C4FFFh|C6000-C7FFFh|Closed| Open |Closed| Open |Closed|
          |-+------------+------------+------+------+------+------+------|
          | |C5000-C57FFh|C6000-C7FFFh|Closed|Closed| Open | Open |Closed|
          |-+------------+------------+------+------+------+------+------|
          | |C5800-C5FFFh|C6000-C7FFFh|Closed| Open | Open | Open |Closed|
          |-+------------+------------+------+------+------+------+------|
          | |CC000-CC7FFh|CE000-CFFFFh|Closed|Closed|Closed|Closed| Open |
          |-+------------+------------+------+------+------+------+------|
          | |CC800-CCFFFh|CE000-CFFFFh|Closed| Open |Closed|Closed| Open |
          |-+------------+------------+------+------+------+------+------|
          | |CD000-CD7FFh|CE000-CFFFFh|Closed|Closed| Open |Closed| Open |
          |-+------------+------------+------+------+------+------+------|
          | |CD800-CDFFFh|CE000-CFFFFh|Closed| Open | Open |Closed| Open |
          |-+------------+------------+------+------+------+------+------|
          | |D0800-D0FFFh|D2000-D3FFFh|Closed| Open |Closed| Open | Open |
          |-+------------+------------+------+------+------+------+------|
          | |D1000-D17FFh|D2000-D3FFFh|Closed|Closed| Open | Open | Open |
          |-+------------+------------+------+------+------+------+------|
          | |D1800-D1FFFh|D2000-D3FFFh|Closed| Open | Open | Open | Open |
          |-+------------+------------+------+------+------+------+------|
          | |D4000-D47FFh|D6000-D7FFFh| Open |Closed|Closed|Closed|Closed|
          |-+------------+------------+------+------+------+------+------|
          | |D4800-D4FFFh|D6000-D7FFFh| Open | Open |Closed|Closed|Closed|
          |-+------------+------------+------+------+------+------+------|
          | |D5000-D57FFh|D6000-D7FFFh| Open |Closed| Open |Closed|Closed|
          |-+------------+------------+------+------+------+------+------|
          | |D5800 D5FFFh|D6000-D7FFFh| Open | Open | Open |Closed|Closed|
          |-+------------+------------+------+------+------+------+------|
          | |D8000-D87FFh|DA000-DBFFFh| Open |Closed|Closed| Open |Closed|
          |-+------------+------------+------+------+------+------+------|
          | |D8800-D8FFFh|DA000-DBFFFh| Open | Open |Closed| Open |Closed|
          |-+------------+------------+------+------+------+------+------|
          | |D9000-D97FFh|DA000-DBFFFh| Open |Closed| Open | Open |Closed|
          |-+------------+------------+------+------+------+------+------|
          | |D9800-D9FFFh|DA000-DBFFFh| Open | Open | Open | Open |Closed|
          |-+------------+------------+------+------+------+------+------|
          | |DC000-DC7FFh|DE000-DFFFFh| Open |Closed|Closed|Closed| Open |
          |-+------------+------------+------+------+------+------+------|
          | |DC800-DCFFFh|DE000-DFFFFh| Open | Open |Closed|Closed| Open |
          |-+------------+------------+------+------+------+------+------|
          | |DD000-DD7FFh|DE000-DFFFFh| Open |Closed| Open |Closed| Open |
          |-+------------+------------+------+------+------+------+------|
          | |DD800-DDFFFh|DE000-DFFFFh| Open | Open | Open |Closed| Open |
          |-+------------+------------+------+------+------+------+------|
          | |E0000-E07FFh|E2000-E3FFFh| Open |Closed|Closed| Open | Open |
          |-+------------+------------+------+------+------+------+------|
          | |E0800-E0FFFh|E2000-E3FFFh| Open | Open |Closed| Open | Open |
          |-+------------+------------+------+------+------+------+------|
          | |E1000-E17FFh|E2000-E3FFFh| Open |Closed| Open | Open | Open |
          |-+------------+------------+------+------+------+------+------|
          | |E1800-E1FFFh|E2000-E3FFFh| Open | Open | Open | Open | Open |
          +--------------------------------------------------------------+
       
          +------------------------------------------------------------+
          |                      I/O BASE ADDRESS                      |
          |------------------------------------------------------------|
          |      Address      |    JP20     |    JP21     |    JP22    |
          |-------------------+-------------+-------------+------------|
          | » |   2E0-2EFh    |     On      |     Off     |     On     |
          |---+---------------+-------------+-------------+------------|
          |   |   260-26Fh    |     On      |     On      |     On     |
          |---+---------------+-------------+-------------+------------|
          |   |   290-29Fh    |     Off     |     On      |     On     |
          |---+---------------+-------------+-------------+------------|
          |   |   2F0-2FFh    |     Off     |     Off     |     On     |
          |---+---------------+-------------+-------------+------------|
          |   |   300-30Fh    |     On      |     On      |    Off     |
          |---+---------------+-------------+-------------+------------|
          |   |   350-35Fh    |     Off     |     On      |    Off     |
          |---+---------------+-------------+-------------+------------|
          |   |   380-38Fh    |     On      |     Off     |    Off     |
          |---+---------------+-------------+-------------+------------|
          |   |   3E0-3EFh    |     Off     |     Off     |    Off     |
          +------------------------------------------------------------+