URI: 
  TEXT View Source
       
       # ALLIED TELESYN, INC.
       
          AT-125, AT-126
       
          Card Type             Transceiver                              
          NIC Type              Ethernet                                 
          Network Transfer Rate 10Mbps                                   
          Topology              Linear Bus, Star                         
          Wiring Type           AUI transceiver via DB-15 port           
                                                                         
                                Fiber optic cable                        
          Data Bus              None                                     
       
   IMG IMG 1
          
       
          +------------------------------------------------------------+
          |                        CONNECTIONS                         |
          |------------------------------------------------------------|
          |          Function          | Label |   Function    | Label |
          |----------------------------+-------+---------------+-------|
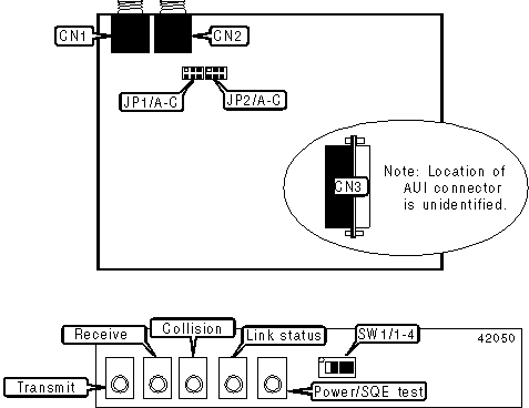
          | Fiber optic connector -    |  CN1  | AUI connector |  CN3  |
          | receive                    |       |               |       |
          |----------------------------+-------+---------------+-------|
          | Fiber optic connector -    |  CN2  |               |       |
          | transmit                   |       |               |       |
          +------------------------------------------------------------+
       
          +------------------------------------------------------------+
          |                 USER CONFIGURABLE SETTINGS                 |
          |------------------------------------------------------------|
          |                Function                 | Label | Position |
          |-----------------------------------------+-------+----------|
          | » | SQE/Heartbeat switch disabled       | SW1/1 |    On    |
          |---+-------------------------------------+-------+----------|
          |   | SQE/Heartbeat switch enabled        | SW1/1 |   Off    |
          |---+-------------------------------------+-------+----------|
          | » | Continuous transmit function        | SW1/2 |    On    |
          |   | disabled                            |       |          |
          |---+-------------------------------------+-------+----------|
          |   | Continuous transmit function        | SW1/2 |   Off    |
          |   | enabled                             |       |          |
          |---+-------------------------------------+-------+----------|
          | » | Link test function - always on      | SW1/3 |    On    |
          |---+-------------------------------------+-------+----------|
          | » | Factory configured - do not alter   | SW1/4 |    On    |
          +------------------------------------------------------------+
       
          +------------------------------------------------------------+
          |                  TRANSMIT POWER SELECTION                  |
          |------------------------------------------------------------|
          |     Setting      |JP1/A |JP1/B |JP1/C |JP2/A |JP2/B |JP2/C |
          |------------------+------+------+------+------+------+------|
          |       Low        |Closed| Open | Open |Closed| Open | Open |
          |------------------+------+------+------+------+------+------|
          |      Medium      | Open |Closed| Open | Open |Closed| Open |
          |------------------+------+------+------+------+------+------|
          |       High       | Open | Open |Closed| Open | Open |Closed|
          +------------------------------------------------------------+
       
          +------------------------------------------------------------+
          |                     DIAGNOSTIC LED(S)                      |
          |------------------------------------------------------------|
          |    LED    |    Color     | Status |       Condition        |
          |-----------+--------------+--------+------------------------|
          | Transmit  | Unidentified |   On   |     Data is being      |
          |           |              |        |      transmitted       |
          |-----------+--------------+--------+------------------------|
          | Transmit  | Unidentified |  Off   |   Data is not being    |
          |           |              |        |      transmitted       |
          |-----------+--------------+--------+------------------------|
          |  Receive  | Unidentified |   On   | Data is being received |
          |-----------+--------------+--------+------------------------|
          |  Receive  | Unidentified |  Off   |   Data is not being    |
          |           |              |        |        received        |
          |-----------+--------------+--------+------------------------|
          | Collision | Unidentified |   On   | Collision detected on  |
          |           |              |        |        network         |
          |-----------+--------------+--------+------------------------|
          | Collision | Unidentified |  Off   | No collision detected  |
          |           |              |        |       on network       |
          |-----------+--------------+--------+------------------------|
          |   Link    | Unidentified |   On   | Link test function is  |
          |  status   |              |        |        disabled        |
          |-----------+--------------+--------+------------------------|
          |   Link    | Unidentified |  Off   | Link test function is  |
          |  status   |              |        |        enabled         |
          |-----------+--------------+--------+------------------------|
          | Power/SQE |    Yellow    |   On   | SQE/Heartbeat test is  |
          |   test    |              |        |        enabled         |
          |-----------+--------------+--------+------------------------|
          | Power/SQE |    Green     |   On   | SQE/Heartbeat test is  |
          |   test    |              |        |        disabled        |
          +------------------------------------------------------------+