URI: 
  TEXT View Source
       
       # ACCTON TECHNOLOGY CORPORATION
       
          ETHERPAIR-8T
       
          Card Type        Network Interface Card                        
          NIC Type         Ethernet                                      
          Maximum Onboard  Unidentified                                  
          Memory           
          Boot ROM         Available                                     
          Network Transfer 10Mbps                                        
          Rate             
          Topology         Linear Bus, Star                              
          Wiring Type      RJ-45 Unshielded twisted pair, AUI            
                           transceiver via DB-15 port                    
          Data Bus         8-bit ISA                                     
       
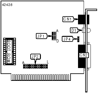
   IMG IMG 1
          
       
          +------------------------------------------------------------+
          |                        CONNECTIONS                         |
          |------------------------------------------------------------|
          |       Function        |  Label  |    Function     | Label  |
          |-----------------------+---------+-----------------+--------|
          | UTP connector (RJ-45) |   CN1   | AUI connector   |  CN2   |
          +------------------------------------------------------------+
       
          +------------------------------------------------------------+
          |                   DMA CHANNEL SELECTION                    |
          |------------------------------------------------------------|
          |     Channel     |  JP2/G   |  JP2/H   |  JP2/I   |  JP2/J  |
          |-----------------+----------+----------+----------+---------|
          | » |  Disabled   |   Open   |   Open   |   Open   |  Open   |
          |---+-------------+----------+----------+----------+---------|
          |   |      1      |  Closed  |   Open   |  Closed  |  Open   |
          |---+-------------+----------+----------+----------+---------|
          |   |      3      |   Open   |  Closed  |   Open   | Closed  |
          +------------------------------------------------------------+
       
          +------------------------------------------------------------+
          |                 BASE I/O ADDRESS SELECTION                 |
          |------------------------------------------------------------|
          |       Setting       |       JP2/K       |      JP2/L       |
          |---------------------+-------------------+------------------|
          | » |      300h       |      Closed       |      Closed      |
          |---+-----------------+-------------------+------------------|
          |   |      320h       |       Open        |      Closed      |
          |---+-----------------+-------------------+------------------|
          |   |      340h       |      Closed       |       Open       |
          |---+-----------------+-------------------+------------------|
          |   |      360h       |       Open        |       Open       |
          +------------------------------------------------------------+
       
          +------------------------------------------------------------+
          |                    INTERRUPT SELECTION                     |
          |------------------------------------------------------------|
          | IRQ  | JP2/A  | JP2/B  | JP2/C  | JP2/D  | JP2/E  | JP2/F  |
          |------+--------+--------+--------+--------+--------+--------|
          | | 2  | Closed |  Open  |  Open  |  Open  |  Open  |  Open  |
          |-+----+--------+--------+--------+--------+--------+--------|
          |»| 3  |  Open  | Closed |  Open  |  Open  |  Open  |  Open  |
          |-+----+--------+--------+--------+--------+--------+--------|
          | | 4  |  Open  |  Open  | Closed |  Open  |  Open  |  Open  |
          |-+----+--------+--------+--------+--------+--------+--------|
          | | 5  |  Open  |  Open  |  Open  | Closed |  Open  |  Open  |
          |-+----+--------+--------+--------+--------+--------+--------|
          | | 6  |  Open  |  Open  |  Open  |  Open  | Closed |  Open  |
          |-+----+--------+--------+--------+--------+--------+--------|
          | | 7  |  Open  |  Open  |  Open  |  Open  |  Open  | Closed |
          +------------------------------------------------------------+
       
          +------------------------------------------------------------+
          |                    CABLE TYPE SELECTION                    |
          |------------------------------------------------------------|
          |              Type              |            JP4            |
          |--------------------------------+---------------------------|
          | AUI transceiver via DB-15 port |     Pins 2 & 3 closed     |
          |--------------------------------+---------------------------|
          | Unshielded twisted pair        |     Pins 1 & 2 closed     |
          +------------------------------------------------------------+
       
          +------------------------------------------------------------+
          |                   BOOT ROM CONFIGURATION                   |
          |------------------------------------------------------------|
          |             Setting             |          JP1/A           |
          |---------------------------------+--------------------------|
          |    |          Enabled           |          Closed          |
          |----+----------------------------+--------------------------|
          | »  |          Disabled          |           Open           |
          +------------------------------------------------------------+
       
          +------------------------------------------------------------+
          |                   ROM ADDRESS SELECTION                    |
          |------------------------------------------------------------|
          |     Address      |    JP1/B    |    JP1/C    |    JP1/D    |
          |------------------+-------------+-------------+-------------|
          | » |    C8000h    |   Closed    |   Closed    |   Closed    |
          |---+--------------+-------------+-------------+-------------|
          |   |    CC000h    |    Open     |   Closed    |   Closed    |
          |---+--------------+-------------+-------------+-------------|
          |   |    D8000h    |   Closed    |    Open     |   Closed    |
          |---+--------------+-------------+-------------+-------------|
          |   |    DC000h    |    Open     |    Open     |   Closed    |
          |---+--------------+-------------+-------------+-------------|
          |   |    E8000h    |   Closed    |   Closed    |    Open     |
          |---+--------------+-------------+-------------+-------------|
          |   |    EC000h    |    Open     |   Closed    |    Open     |
          +------------------------------------------------------------+
       
          +------------------------------------------------+
          |               DIAGNOSTIC LED(S)                |
          |------------------------------------------------|
          | Note: The function of the LED is unidentified. |
          +------------------------------------------------+