URI: 
  TEXT View Source
       
       # ADDTRON TECHNOLOGY CO., LTD.
       
          ET-10F1
       
          Device Type            Transceiver                             
          NIC Type               Ethernet                                
          Maximum Onboard Memory Unidentified                            
          Boot ROM               Not available                           
          Network Transfer Rate  10Mbps                                  
          Topology               Star                                    
          Wiring Type            Fiber Optic cable - ST                  
          Data Bus               External                                
       
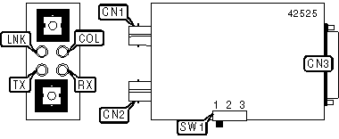
   IMG IMG 1
          
       
          +------------------------------------------------------------+
          |                        CONNECTIONS                         |
          |------------------------------------------------------------|
          |       Function       | Label |      Function       | Label |
          |----------------------+-------+---------------------+-------|
          | Fiber optic          |  CN1  | AUI transceiver via |  CN3  |
          | connector (ST)       |       | DB-15               |       |
          |----------------------+-------+---------------------+-------|
          | Fiber optic          |  CN2  |                     |       |
          | connector (ST)       |       |                     |       |
          +------------------------------------------------------------+
       
          +------------------------------------------------------------+
          |                 USER CONFIGURABLE SETTINGS                 |
          |------------------------------------------------------------|
          |                Function                | Label | Position  |
          |----------------------------------------+-------+-----------|
          | ยป | SQE test function enabled          |  SW1  |     1     |
          |---+------------------------------------+-------+-----------|
          |   | SQE test function disabled         |  SW1  |     2     |
          |---+------------------------------------+-------+-----------|
          |   | Loopback test initiated            |  SW1  |     3     |
          +------------------------------------------------------------+
       
          +------------------------------------------------------------+
          |                     DIAGNOSTIC LED(S)                      |
          |------------------------------------------------------------|
          | LED |    Color     |  Status  |         Condition          |
          |-----+--------------+----------+----------------------------|
          | RX  | Unidentified | Blinking |   Data is being received   |
          |-----+--------------+----------+----------------------------|
          | RX  | Unidentified |    On    |   Heavy LAN traffic load   |
          |-----+--------------+----------+----------------------------|
          | RX  | Unidentified |   Off    | Data is not being received |
          |-----+--------------+----------+----------------------------|
          | TX  | Unidentified | Blinking | Data is being transmitted  |
          |-----+--------------+----------+----------------------------|
          | TX  | Unidentified |    On    |    Large data is being     |
          |     |              |          |        transmitted         |
          |-----+--------------+----------+----------------------------|
          | TX  | Unidentified |   Off    |     Data is not being      |
          |     |              |          |        transmitted         |
          |-----+--------------+----------+----------------------------|
          | LNK | Unidentified |    On    | Network connection is good |
          |-----+--------------+----------+----------------------------|
          | LNK | Unidentified |   Off    |   Network connection is    |
          |     |              |          |           broken           |
          |-----+--------------+----------+----------------------------|
          | COL | Unidentified | Blinking |   Collision detected on    |
          |     |              |          |          network           |
          |-----+--------------+----------+----------------------------|
          | COL | Unidentified |   Off    | Collision not detected on  |
          |     |              |          |          network           |
          |-----+--------------+----------+----------------------------|
          | COL | Unidentified |    On    |  Possible error occurred   |
          +------------------------------------------------------------+