URI: 
  TEXT View Source
       
       # COMPEX, INC.
       
          FREEDOMLINE FL32PNP-PCI (2MEDIA)
       
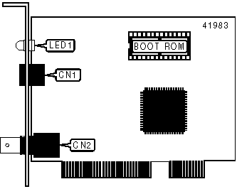
          Card Type              Network Interface Card                  
          NIC Type               Ethernet                                
          Maximum Onboard Memory Unidentified                            
          Boot ROM               Available                               
          Network Transfer Rate  10Mbps                                  
          Topology               Linear Bus, Star                        
          Wiring Type            Unshielded twisted pair                 
                                                                         
                                 RG-58A/U 50ohm coaxial                  
          Data Bus               32-bit PCI                              
       
   IMG IMG 1
          
       
          +------------------------------------------------------------+
          |                        CONNECTIONS                         |
          |------------------------------------------------------------|
          |      Function       |  Label  |     Function     |  Label  |
          |---------------------+---------+------------------+---------|
          | UTP connector       |   CN1   | RG-58A/U         |   CN2   |
          +------------------------------------------------------------+
       
          +------------------------------------------------------------+
          |                     DIAGNOSTIC LED(S)                      |
          |------------------------------------------------------------|
          | Note: Function of LED is unidentified.                     |
          +------------------------------------------------------------+