URI: 
  TEXT View Source
       
       # COMPU-SHACK PRODUCTION, GMBH
       
          HIGHSCREEN (ISA)
       
          Card Type              Network Interface Card                  
          NIC Type               Ethernet                                
          Maximum Onboard Memory Unidentified                            
          Boot ROM               Available                               
          Network Transfer Rate  10/100Mbps                              
          Topology               Linear Bus, Star                        
          Wiring Type            Unshielded twisted pair                 
                                                                         
                                 RG-58A/U 50ohm coaxial                  
          Data Bus               16-bit ISA                              
       
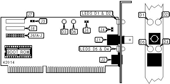
   IMG IMG 1
          
       
          +------------------------------------------------------------+
          |                        CONNECTIONS                         |
          |------------------------------------------------------------|
          |      Function       |  Label  |     Function     |  Label  |
          |---------------------+---------+------------------+---------|
          | RG-58A/U connector  |   J1    | UTP connector    |   J2    |
          +------------------------------------------------------------+
       
          +------------------------------------------------------------+
          |                 USER CONFIGURABLE SETTINGS                 |
          |------------------------------------------------------------|
          |              Function               | Label |   Position   |
          |-------------------------------------+-------+--------------|
          | Adapter in AT slot (16-bit)         |  J3   |     Open     |
          |-------------------------------------+-------+--------------|
          | Adapter in PC slot (8-bit)          |  J3   |    Closed    |
          |-------------------------------------+-------+--------------|
          | No 50 ohm resistor connected        |  J4   |     Open     |
          |-------------------------------------+-------+--------------|
          | 50 ohm resistor connected           |  J4   |    Closed    |
          |-------------------------------------+-------+--------------|
          | Factory configured - do not alter.  | J6/B  | Unidentified |
          |-------------------------------------+-------+--------------|
          | Factory configured - do not alter.  | J6/C  | Unidentified |
          |-------------------------------------+-------+--------------|
          | Factory configured - do not alter.  | J6/D  | Unidentified |
          |-------------------------------------+-------+--------------|
          | Factory configured - do not alter.  | J6/E  | Unidentified |
          |-------------------------------------+-------+--------------|
          | Factory configured - do not alter.  | J6/F  | Unidentified |
          |-------------------------------------+-------+--------------|
          | Factory configured - do not alter.  | J6/G  | Unidentified |
          |-------------------------------------+-------+--------------|
          | Factory configured - do not alter.  | J6/H  | Unidentified |
          |-------------------------------------+-------+--------------|
          | Factory configured - do not alter.  | J6/I  | Unidentified |
          |-------------------------------------+-------+--------------|
          | Factory configured - do not alter.  | J6/J  | Unidentified |
          |-------------------------------------+-------+--------------|
          | Factory configured - do not alter.  |  J7   | Unidentified |
          |-------------------------------------+-------+--------------|
          | Factory configured - do not alter.  |  J8   | Unidentified |
          +------------------------------------------------------------+
       
          +------------------------------------------------------------+
          |               SOFTWARE CONFIGURATION SELECT                |
          |------------------------------------------------------------|
          |         Function         |       J5       |      J6/A      |
          |--------------------------+----------------+----------------|
          | Software enabled         |     Closed     |     Closed     |
          |--------------------------+----------------+----------------|
          | Software disabled        |      Open      |      Open      |
          +------------------------------------------------------------+
       
          +------------------------------------------------------------+
          |                     DIAGNOSTIC LED(S)                      |
          |------------------------------------------------------------|
          | LED | Color  |  Status  |            Condition             |
          |-----+--------+----------+----------------------------------|
          | D1  | Yellow | Blinking |    Data is being transmitted     |
          |-----+--------+----------+----------------------------------|
          | D1  | Yellow |   Off    |  Data is not being transmitted   |
          |-----+--------+----------+----------------------------------|
          | D2  | Yellow | Blinking |      Data is being received      |
          |-----+--------+----------+----------------------------------|
          | D2  | Yellow |   Off    |    Data is not being received    |
          |-----+--------+----------+----------------------------------|
          | D3  | Yellow |    On    |        Collision detected        |
          |-----+--------+----------+----------------------------------|
          | D3  | Yellow |   Off    |      No collision detected       |
          |-----+--------+----------+----------------------------------|
          | D4  | Green  |    On    |         UTP link is good         |
          |-----+--------+----------+----------------------------------|
          | D4  | Green  |   Off    |        UTP link is broken        |
          |-----+--------+----------+----------------------------------|
          | D5  |  Red   |    On    |        Polarity reversed         |
          |-----+--------+----------+----------------------------------|
          | D5  |  Red   |   Off    |         Polarity normal          |
          |-----+--------+----------+----------------------------------|
          | D6  | Yellow |    On    |  TP time-out elapsed/TP driver   |
          |     |        |          |             disabled             |
          |-----+--------+----------+----------------------------------|
          | D6  | Yellow |   Off    |    TP time-out not elapsed/TP    |
          |     |        |          |          driver enabled          |
          +------------------------------------------------------------+