URI: 
  TEXT View Source
       
       # CABLETRON SYSTEMS, INC.
       
          E4030 (FIBER ST/AUI)
       
          Card Type        Network Interface Card                        
          NIC Type         Ethernet                                      
          Maximum Onboard  Unidentified                                  
          Memory           
          Boot ROM         Not available                                 
          Network Transfer 10Mbps                                        
          Rate             
          Topology         Linear Bus                                    
          Wiring Type      Fiber optic cable, AUI transceiver via DB-15  
                           port                                          
          Data Bus         None                                          
       
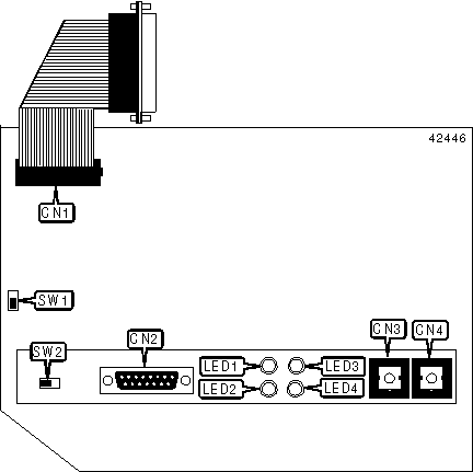
   IMG IMG 1
          
       
          +------------------------------------------------------------+
          |                        CONNECTIONS                         |
          |------------------------------------------------------------|
          |          Function           | Label |   Function   | Label |
          |-----------------------------+-------+--------------+-------|
          | 24 wire ribbon connector to |  CN1  | ST connector |  CN3  |
          | control board               |       |              |       |
          |-----------------------------+-------+--------------+-------|
          | AUI connector               |  CN2  | ST connector |  CN4  |
          +------------------------------------------------------------+
       
          +------------------------------------------------------------+
          |                 USER CONFIGURABLE SETTINGS                 |
          |------------------------------------------------------------|
          |                Function                | Label | Position  |
          |----------------------------------------+-------+-----------|
          |   | SQE enabled                        |  SW1  |    On     |
          |---+------------------------------------+-------+-----------|
          | ยป | SQE disabled                       |  SW1  |    Off    |
          +------------------------------------------------------------+
       
          +------------------------------------------------------------+
          |                    CABLE TYPE SELECTION                    |
          |------------------------------------------------------------|
          |              Type              |            SW2            |
          |--------------------------------+---------------------------|
          | AUI transceiver via DB-15 port |            Off            |
          |--------------------------------+---------------------------|
          | Fiber optic cable              |            On             |
          +------------------------------------------------------------+
       
          +------------------------------------------------------------+
          |                     DIAGNOSTIC LED(S)                      |
          |------------------------------------------------------------|
          | LED  | Color  |  Status  |            Condition            |
          |------+--------+----------+---------------------------------|
          | LED1 | Yellow | Blinking |     Data is being received      |
          |------+--------+----------+---------------------------------|
          | LED1 | Yellow |   Off    |   Data is not being received    |
          |------+--------+----------+---------------------------------|
          | LED2 | Green  | Blinking |    Connection error detected    |
          |------+--------+----------+---------------------------------|
          | LED2 | Green  |    On    | Power is on, Network connection |
          |      |        |          |    is good (RJ-45 connector)    |
          |------+--------+----------+---------------------------------|
          | LED2 | Green  |   Off    |      Power is off, Network      |
          |      |        |          |   connection is broken (RJ-45   |
          |      |        |          |           connector)            |
          |------+--------+----------+---------------------------------|
          | LED3 | Green  | Blinking |    Data is being transmitted    |
          |------+--------+----------+---------------------------------|
          | LED3 | Green  |   Off    |  Data is not being transmitted  |
          |------+--------+----------+---------------------------------|
          | LED4 |  Red   | Blinking |  Collision detected on network  |
          |------+--------+----------+---------------------------------|
          | LED4 |  Red   |   Off    |    No collision detected on     |
          |      |        |          |             network             |
          +------------------------------------------------------------+