URI: 
  TEXT View Source
       
       # EDIMAX COMPUTER COMPANY
       
          1000T
       
          NIC Type         Ethernet                                      
          Transfer Rate    10Mbps                                        
          Data Bus         8-bit ISA                                     
          Topology         Star                                          
          Wiring Type      Unshielded twisted pair                       
                                                                         
                           AUI transceiver via DB-15 port                
          Boot ROM         Available                                     
       
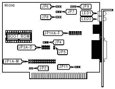
   IMG IMG 1
          
       
          +------------------------------------------------------------+
          |                         CONNECTORS                         |
          |------------------------------------------------------------|
          |            Setting            |           Jumper           |
          |-------------------------------+----------------------------|
          |      External power LED       |            JP2             |
          +------------------------------------------------------------+
       
          +------------------------------------------------------------+
          |                      I/O BASE ADDRESS                      |
          |------------------------------------------------------------|
          |    Address     |     JP1A     |     JP1B     |    JP1C     |
          |----------------+--------------+--------------+-------------|
          | » |    300h    |    Closed    |    Closed    |   Closed    |
          |---+------------+--------------+--------------+-------------|
          |   |    320h    |    Closed    |    Closed    |    Open     |
          |---+------------+--------------+--------------+-------------|
          |   |    340h    |    Closed    |     Open     |   Closed    |
          |---+------------+--------------+--------------+-------------|
          |   |    360h    |    Closed    |     Open     |    Open     |
          +------------------------------------------------------------+
       
          +------------------------------------------------------------+
          |                     INTERRUPT SETTINGS                     |
          |------------------------------------------------------------|
          | IRQ  |  JP1D  |  JP1E  |  JP1F  |  JP1G  |  JP1H  |  JP1I  |
          |------+--------+--------+--------+--------+--------+--------|
          |  2   | Closed |  Open  |  Open  |  Open  |  Open  |  Open  |
          |------+--------+--------+--------+--------+--------+--------|
          |  3   |  Open  | Closed |  Open  |  Open  |  Open  |  Open  |
          |------+--------+--------+--------+--------+--------+--------|
          |  4   |  Open  |  Open  | Closed |  Open  |  Open  |  Open  |
          |------+--------+--------+--------+--------+--------+--------|
          |  5   |  Open  |  Open  |  Open  | Closed |  Open  |  Open  |
          |------+--------+--------+--------+--------+--------+--------|
          |  6   |  Open  |  Open  |  Open  |  Open  | Closed |  Open  |
          |------+--------+--------+--------+--------+--------+--------|
          |  7   |  Open  |  Open  |  Open  |  Open  |  Open  | Closed |
          +------------------------------------------------------------+
       
          +------------------------------------------------------------+
          |                        DMA CHANNEL                         |
          |------------------------------------------------------------|
          |  Channel   |   JP1J    |   JP1K    |   JP1L    |   JP1M    |
          |------------+-----------+-----------+-----------+-----------|
          |    DMA1    |  Closed   |   Open    |  Closed   |   Open    |
          |------------+-----------+-----------+-----------+-----------|
          |    DMA3    |   Open    |  Closed   |   Open    |  Closed   |
          +------------------------------------------------------------+
       
          +------------------------------------------------------------+
          |                      BOOT ROM ADDRESS                      |
          |------------------------------------------------------------|
          |    Address    |   JP3A    |   JP3B   |   JP3C   |   JP3D   |
          |---------------+-----------+----------+----------+----------|
          |   |  C0000h   |  Closed   |  Closed  |  Closed  |  Closed  |
          |---+-----------+-----------+----------+----------+----------|
          |   |  C4000h   |   Open    |  Closed  |  Closed  |  Closed  |
          |---+-----------+-----------+----------+----------+----------|
          | » |  C8000h   |  Closed   |   Open   |  Closed  |  Closed  |
          |---+-----------+-----------+----------+----------+----------|
          |   |  CC000h   |   Open    |   Open   |  Closed  |  Closed  |
          |---+-----------+-----------+----------+----------+----------|
          |   |  D0000h   |  Closed   |  Closed  |   Open   |  Closed  |
          |---+-----------+-----------+----------+----------+----------|
          |   |  D4000h   |   Open    |  Closed  |   Open   |  Closed  |
          |---+-----------+-----------+----------+----------+----------|
          |   |  D8000h   |  Closed   |   Open   |   Open   |  Closed  |
          |---+-----------+-----------+----------+----------+----------|
          |   |  DC000h   |   Open    |   Open   |   Open   |  Closed  |
          +------------------------------------------------------------+
       
          +------------------------------------------------------------+
          |                         CABLE TYPE                         |
          |------------------------------------------------------------|
          |         Type         |    JP4    | JP10A-JP10F |   JP11    |
          |----------------------+-----------+-------------+-----------|
          | AUI transceiver via  | Pins 2 &  |    Open     | Pins 1 &  |
          |      DB-15 port      | 3 Closed  |             | 2 Closed  |
          |----------------------+-----------+-------------+-----------|
          | Shielded/Unshielded  | Pins 2 &  |   Closed    | Pins 2 &  |
          |     twisted pair     | 3 Closed  |             | 3 Closed  |
          +------------------------------------------------------------+
       
          +------------------------------------------------------------+
          |                          BOOT ROM                          |
          |------------------------------------------------------------|
          |             Setting             |           JP5            |
          |---------------------------------+--------------------------|
          | » |          Disabled           |           Open           |
          |---+-----------------------------+--------------------------|
          |   |           Enabled           |          Closed          |
          +------------------------------------------------------------+
       
          +------------------------------------------------------------+
          |                        AUTOPOLARITY                        |
          |------------------------------------------------------------|
          |         Setting         |               JP6                |
          |-------------------------+----------------------------------|
          | »      |    Enabled     |        Pins 1 & 2 Closed         |
          |--------+----------------+----------------------------------|
          |        |    Disabled    |        Pins 2 & 3 Closed         |
          |------------------------------------------------------------|
          | Note: When disabled, if the wires' polarities are          |
          | reversed, the card may be damaged.                         |
          +------------------------------------------------------------+
       
          +------------------------------------------------------------+
          |                 SQE (SIGNAL QUALITY ERROR)                 |
          |------------------------------------------------------------|
          |            Setting            |            JP7             |
          |-------------------------------+----------------------------|
          | »         |      Enabled      |     Pins 1 & 2 Closed      |
          |-----------+-------------------+----------------------------|
          |           |     Disabled      |     Pins 2 & 3 Closed      |
          |------------------------------------------------------------|
          | Note: Signal Quality Error (SQE), is an internal check of  |
          | the collision circuitry and path.                          |
          +------------------------------------------------------------+
       
          +------------------------------------------------------------+
          |                       SEGMENT LENGTH                       |
          |------------------------------------------------------------|
          |         Maximum Length         |            JP8            |
          |--------------------------------+---------------------------|
          | »         |     185 meters     |     Pins 2 & 3 closed     |
          |-----------+--------------------+---------------------------|
          |           |     300 meters     |     Pins 1 & 2 closed     |
          |------------------------------------------------------------|
          |   Note:Segment length is the total length of cable between |
          |   the two farthest cards on the segment. Each card on the  |
          |   segment must have this option set the same.              |
          +------------------------------------------------------------+
       
          +------------------------------------------------------------+
          |                    LINK INTEGRITY TEST                     |
          |------------------------------------------------------------|
          |          Setting           |              JP9              |
          |----------------------------+-------------------------------|
          | » |        Enabled         |       Pins 1 & 2 Closed       |
          |---+------------------------+-------------------------------|
          |   |        Disabled        |       Pins 2 & 3 Closed       |
          +------------------------------------------------------------+
       
          +------------------------------------------------------------+
          |                     DIAGNOSTIC LED(S)                      |
          |------------------------------------------------------------|
          | LED  | Color  | Status |             Condition             |
          |------+--------+--------+-----------------------------------|
          | LED1 | Yellow |   On   |    A reversed twisted pair is     |
          |      |        |        |      detected and corrected       |
          |------+--------+--------+-----------------------------------|
          | LED2 | Green  |   On   |  A properly functioning twisted   |
          |      |        |        |         pair is detected          |
          +------------------------------------------------------------+