URI: 
  TEXT View Source
       
       # GARRETT COMMUNICATIONS
       
          MAGNUM MII-TX
       
          Card Type              Ethernet Transceiver                    
          NIC Type               Ethernet                                
          Maximum Onboard Memory Unidentified                            
          Boot ROM               Not available                           
          Network Transfer Rate  10Mbps, 100Mbps                         
          Topology               Star                                    
          Wiring Type            RJ-45 Shielded twisted pair, MII        
          Data Bus               External                                
       
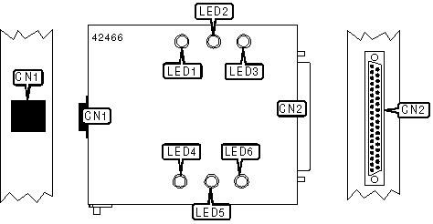
   IMG IMG 1
          
       
          +------------------------------------------------------------+
          |                        CONNECTIONS                         |
          |------------------------------------------------------------|
          |       Function       |  Label  |    Function     |  Label  |
          |----------------------+---------+-----------------+---------|
          | STP connector (RJ-45 |   CN1   | MII connector   |   CN2   |
          +------------------------------------------------------------+
       
          +------------------------------------------------------------+
          |                 USER CONFIGURABLE SETTINGS                 |
          |------------------------------------------------------------|
          |                Function                | Label | Position  |
          |----------------------------------------+-------+-----------|
          | ยป | Auto-configuring enabled           |  SW1  |    On     |
          |---+------------------------------------+-------+-----------|
          |   | Host programmable                  |  SW1  |    Off    |
          |------------------------------------------------------------|
          | Note: Orientation of switch may vary.                      |
          +------------------------------------------------------------+
       
          +------------------------------------------------------------+
          |                     DIAGNOSTIC LED(S)                      |
          |------------------------------------------------------------|
          | LED  |    Color     |  Status  |         Condition         |
          |------+--------------+----------+---------------------------|
          | LED1 | Unidentified | Blinking | Data is being transmitted |
          |------+--------------+----------+---------------------------|
          | LED1 | Unidentified |   Off    |     Data is not being     |
          |      |              |          |        transmitted        |
          |------+--------------+----------+---------------------------|
          | LED2 | Unidentified | Blinking |  Data is being received   |
          |------+--------------+----------+---------------------------|
          | LED2 | Unidentified |   Off    |     Data is not being     |
          |      |              |          |         received          |
          |------+--------------+----------+---------------------------|
          | LED3 | Unidentified |    On    |     Half duplex mode      |
          |------+--------------+----------+---------------------------|
          | LED3 | Unidentified |   Off    |     Full duplex mode      |
          |------+--------------+----------+---------------------------|
          | LED4 | Unidentified |    On    |    100Mbps connection     |
          |------+--------------+----------+---------------------------|
          | LED4 | Unidentified |   Off    |     10Mbps connection     |
          |------+--------------+----------+---------------------------|
          | LED5 | Unidentified | Blinking |   Collision detected on   |
          |      |              |          |          network          |
          |------+--------------+----------+---------------------------|
          | LED5 | Unidentified |   Off    | No collision detected on  |
          |      |              |          |          network          |
          |------+--------------+----------+---------------------------|
          | LED6 | Unidentified |    On    |  Unit is receiving power  |
          |------+--------------+----------+---------------------------|
          | LED6 | Unidentified |   Off    |   Unit is not receiving   |
          |      |              |          |           power           |
          +------------------------------------------------------------+