URI: 
  TEXT View Source
       
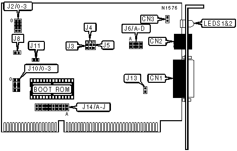
       # IET STARTECH
       
          LANSTAR 2000T
       
          NIC Type              Ethernet                                 
          Network Transfer Rate 10Mbps                                   
          Data Bus              16-bit ISA                               
          Topology              Linear Bus, Star                         
          Wiring Type           Unshielded twisted pair                  
                                                                         
                                AUI transceiver via DB-15 port           
          Boot ROM              Available                                
       
   IMG IMG 1
          
       
          +------------------------------------------------------------+
          |                        CONNECTIONS                         |
          |------------------------------------------------------------|
          |          Function           | Label |   Function   | Label |
          |-----------------------------+-------+--------------+-------|
          | AUI transceiver via DB-15   |  CN1  | External LED |  CN3  |
          | port                        |       | connector    |       |
          |-----------------------------+-------+--------------+-------|
          | Unshielded twisted pair     |  CN2  |              |       |
          +------------------------------------------------------------+
       
          +------------------------------------------------------------+
          |                 USER CONFIGURABLE SETTINGS                 |
          |------------------------------------------------------------|
          |               Function               | Label |  Position   |
          |--------------------------------------+-------+-------------|
          |   | SQE test function enabled        |  J3   | Pins 1 & 2  |
          |   |                                  |       |   closed    |
          |---+----------------------------------+-------+-------------|
          |   | SQE test function disabled       |  J3   | Pins 2 & 3  |
          |   |                                  |       |   closed    |
          |---+----------------------------------+-------+-------------|
          |   | Cable length normal              |  J4   | Pins 1 & 2  |
          |   |                                  |       |   closed    |
          |---+----------------------------------+-------+-------------|
          |   | Cable length extended            |  J4   | Pins 2 & 3  |
          |   |                                  |       |   closed    |
          |---+----------------------------------+-------+-------------|
          |   | Link test enabled                |  J5   | Pins 2 & 3  |
          |   |                                  |       |   closed    |
          |---+----------------------------------+-------+-------------|
          |   | Link test disabled               |  J5   | Pins 1 & 2  |
          |   |                                  |       |   closed    |
          |---+----------------------------------+-------+-------------|
          | » | Mainboard compatibility normal   |  J8   |    Open     |
          |---+----------------------------------+-------+-------------|
          |   | Mainboard compatibility abnormal |  J8   |   Closed    |
          |---+----------------------------------+-------+-------------|
          |   | NE1000 compatible                |  J11  |   Closed    |
          |---+----------------------------------+-------+-------------|
          |   | NE2000 compatible                |  J11  |    Open     |
          +------------------------------------------------------------+
       
          +------------------------------------------------------------+
          |                 BASE I/O ADDRESS SELECTION                 |
          |------------------------------------------------------------|
          |   Address   |   J10/0   |   J10/1   |   J10/2   |  J10/3   |
          |-------------+-----------+-----------+-----------+----------|
          |   |  200h   |   Open    |  Closed   |  Closed   |  Closed  |
          |---+---------+-----------+-----------+-----------+----------|
          |   |  220h   |   Open    |  Closed   |  Closed   |   Open   |
          |---+---------+-----------+-----------+-----------+----------|
          |   |  240h   |   Open    |  Closed   |   Open    |  Closed  |
          |---+---------+-----------+-----------+-----------+----------|
          |   |  260h   |   Open    |  Closed   |   Open    |   Open   |
          |---+---------+-----------+-----------+-----------+----------|
          |   |  280h   |   Open    |   Open    |  Closed   |  Closed  |
          |---+---------+-----------+-----------+-----------+----------|
          |   |  2A0h   |   Open    |   Open    |  Closed   |   Open   |
          |---+---------+-----------+-----------+-----------+----------|
          |   |  2C0h   |   Open    |   Open    |   Open    |  Closed  |
          |---+---------+-----------+-----------+-----------+----------|
          | » |  300h   |  Closed   |  Closed   |  Closed   |  Closed  |
          |---+---------+-----------+-----------+-----------+----------|
          |   |  320h   |  Closed   |  Closed   |  Closed   |   Open   |
          |---+---------+-----------+-----------+-----------+----------|
          |   |  340h   |  Closed   |  Closed   |   Open    |  Closed  |
          |---+---------+-----------+-----------+-----------+----------|
          |   |  360h   |  Closed   |  Closed   |   Open    |   Open   |
          |---+---------+-----------+-----------+-----------+----------|
          |   |  380h   |  Closed   |   Open    |  Closed   |  Closed  |
          +------------------------------------------------------------+
       
       +-------------------------------------------------------------------------+
       |                           INTERRUPT SELECTION                           |
       |-------------------------------------------------------------------------|
       |IRQ|J14/A |J14/B |J14/C |J14/D |J14/E |J14/F |J14/G |J14/H |J14/I |J14/J |
       |---+------+------+------+------+------+------+------+------+------+------|
       | 2 |Closed| Open | Open | Open | Open | Open | Open | Open | Open | Open |
       |---+------+------+------+------+------+------+------+------+------+------|
       | 3 | Open |Closed| Open | Open | Open | Open | Open | Open | Open | Open |
       |---+------+------+------+------+------+------+------+------+------+------|
       | 4 | Open | Open |Closed| Open | Open | Open | Open | Open | Open | Open |
       |---+------+------+------+------+------+------+------+------+------+------|
       | 5 | Open | Open | Open |Closed| Open | Open | Open | Open | Open | Open |
       |---+------+------+------+------+------+------+------+------+------+------|
       | 7 | Open | Open | Open | Open |Closed| Open | Open | Open | Open | Open |
       |---+------+------+------+------+------+------+------+------+------+------|
       |10 | Open | Open | Open | Open | Open |Closed| Open | Open | Open | Open |
       |---+------+------+------+------+------+------+------+------+------+------|
       |11 | Open | Open | Open | Open | Open | Open |Closed| Open | Open | Open |
       |---+------+------+------+------+------+------+------+------+------+------|
       |12 | Open | Open | Open | Open | Open | Open | Open |Closed| Open | Open |
       |---+------+------+------+------+------+------+------+------+------+------|
       |14 | Open | Open | Open | Open | Open | Open | Open | Open |Closed| Open |
       |---+------+------+------+------+------+------+------+------+------+------|
       |15 | Open | Open | Open | Open | Open | Open | Open | Open | Open |Closed|
       +-------------------------------------------------------------------------+
       
          +------------------------------------------------------------+
          |                    CABLE TYPE SELECTION                    |
          |------------------------------------------------------------|
          |              Type              |   J6/A-D    |     J13     |
          |--------------------------------+-------------+-------------|
          | AUI transceiver via DB-15 port |    Open     |   Closed    |
          |--------------------------------+-------------+-------------|
          | Unshielded twisted pair        |   Closed    |    Open     |
          +------------------------------------------------------------+
       
          +------------------------------------------------------------+
          |                   BOOT ROM CONFIGURATION                   |
          |------------------------------------------------------------|
          |             Setting             |           J2/3           |
          |---------------------------------+--------------------------|
          |    |          Enabled           |          Closed          |
          |----+----------------------------+--------------------------|
          | »  |          Disabled          |           Open           |
          +------------------------------------------------------------+
       
          +------------------------------------------------------------+
          |                   ROM ADDRESS SELECTION                    |
          |------------------------------------------------------------|
          |    Address    |     J2/0     |     J2/1     |     J2/2     |
          |---------------+--------------+--------------+--------------|
          |    C000:0h    |     Open     |     Open     |     Open     |
          |---------------+--------------+--------------+--------------|
          |    C400:0h    |     Open     |     Open     |    Closed    |
          |---------------+--------------+--------------+--------------|
          |    C800:0h    |     Open     |    Closed    |     Open     |
          |---------------+--------------+--------------+--------------|
          |    CC00:0h    |     Open     |    Closed    |    Closed    |
          |---------------+--------------+--------------+--------------|
          |    D000:0h    |    Closed    |     Open     |     Open     |
          |---------------+--------------+--------------+--------------|
          |    D400:0h    |    Closed    |     Open     |    Closed    |
          |---------------+--------------+--------------+--------------|
          |    D800:0h    |    Closed    |    Closed    |     Open     |
          |---------------+--------------+--------------+--------------|
          |    DC00:0h    |    Closed    |    Closed    |    Closed    |
          +------------------------------------------------------------+
       
          +------------------------------------------------------------+
          |                     DIAGNOSTIC LED(S)                      |
          |------------------------------------------------------------|
          | LED  | Color  |  Status  |            Condition            |
          |------+--------+----------+---------------------------------|
          | LED1 | Yellow |    On    | 10Base-T polarity reversed when |
          |      |        |          |      auto polarity enabled      |
          |------+--------+----------+---------------------------------|
          | LED1 | Yellow |   Off    |    10Base-T polarity normal     |
          |------+--------+----------+---------------------------------|
          | LED2 | Green  |  On or   |     During link test mode -     |
          |      |        | Blinking | 10Base-T network connection is  |
          |      |        |          |              good               |
          |------+--------+----------+---------------------------------|
          | LED2 | Green  |  On or   |  10Base-T circuit is receiving  |
          |      |        | Blinking |  data when link test function   |
          |      |        |          |            disabled             |
          |------+--------+----------+---------------------------------|
          | LED2 | Green  |   Off    | Network connection is broken or |
          |      |        |          |     10Base-T circuit is not     |
          |      |        |          |         receiving data          |
          |------------------------------------------------------------|
          | Note: The locations of LED1 and LED2 are unidentified.     |
          +------------------------------------------------------------+