URI: 
  TEXT View Source
       
       # IMC NETWORKS CORPORATION
       
          QUICKCEIVER FX
       
          Card Type        Ethernet Transceiver                          
          NIC Type         Ethernet                                      
          Maximum Onboard  Unidentified                                  
          Memory           
          Boot ROM         Not available                                 
          Network Transfer 100Mbps                                       
          Rate             
          Topology         Linear Bus                                    
          Wiring Type      MII transceiver via 40 pin port, Fiber optic  
                           cable                                         
          Data Bus         External                                      
       
   IMG IMG 1
          
       
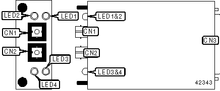
          +------------------------------------------------------------+
          |                        CONNECTIONS                         |
          |------------------------------------------------------------|
          |         Function         | Label |    Function     | Label |
          |--------------------------+-------+-----------------+-------|
          | Fiber optic STII receive |  CN1  | MII 40 pin port |  CN3  |
          | connector                |       |                 |       |
          |--------------------------+-------+-----------------+-------|
          | Fiber optic STII         |  CN2  |                 |       |
          | transmit connector       |       |                 |       |
          +------------------------------------------------------------+
       
          +------------------------------------------------------------+
          |                     DIAGNOSTIC LED(S)                      |
          |------------------------------------------------------------|
          | LED  | Color  | Status |             Condition             |
          |------+--------+--------+-----------------------------------|
          | LED1 | Green  |   On   |    Network connection is good     |
          |------+--------+--------+-----------------------------------|
          | LED1 | Green  |  Off   |   Network connection is broken    |
          |------+--------+--------+-----------------------------------|
          | LED2 | Amber  |   On   |      Data is being received       |
          |------+--------+--------+-----------------------------------|
          | LED2 | Amber  |  Off   |    Data is not being received     |
          |------+--------+--------+-----------------------------------|
          | LED3 |  Red   |   On   |   Collision detected on network   |
          |------+--------+--------+-----------------------------------|
          | LED3 |  Red   |  Off   | No collision detected on network  |
          |------+--------+--------+-----------------------------------|
          | LED4 | Green  |   On   |   Power is supplied to the unit   |
          |------+--------+--------+-----------------------------------|
          | LED4 | Green  |  Off   | Power is not supplied to the unit |
          +------------------------------------------------------------+