URI: 
  TEXT View Source
       
       # LANCAST
       
          4322-31
       
          Card Type        Transceiver                                   
          NIC Type         Ethernet                                      
          Network Transfer 10Mbps                                        
          Rate             
          Topology         Star                                          
          Wiring Type      AUI transceiver via DB-15 port, fiber optic   
                           cable                                         
          Data Bus         External                                      
       
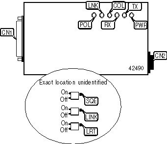
   IMG IMG 1
          
       
          +------------------------------------------------------------+
          |                        CONNECTIONS                         |
          |------------------------------------------------------------|
          |       Function        | Label |      Function      | Label |
          |-----------------------+-------+--------------------+-------|
          | AUI transceiver via   |  CN1  | Fiber ST connector |  CN2  |
          | DB-15                 |       |                    |       |
          +------------------------------------------------------------+
       
          +------------------------------------------------------------+
          |                     DIAGNOSTIC LED(S)                      |
          |------------------------------------------------------------|
          | LED  |    Color     |  Status  |         Condition         |
          |------+--------------+----------+---------------------------|
          | PWR  | Unidentified |    On    |  Power is being received  |
          |      |              |          |    from the DTE device    |
          |------+--------------+----------+---------------------------|
          | PWR  | Unidentified |   Off    |    Power is not being     |
          |      |              |          |   received from the DTE   |
          |      |              |          |          device           |
          |------+--------------+----------+---------------------------|
          | COL  | Unidentified |    On    |   Collision detected on   |
          |      |              |          |          network          |
          |------+--------------+----------+---------------------------|
          | COL  | Unidentified |   Off    | No collision detected on  |
          |      |              |          |          network          |
          |------+--------------+----------+---------------------------|
          |  TX  | Unidentified | Blinking | Data is being transmitted |
          |------+--------------+----------+---------------------------|
          |  TX  | Unidentified |   Off    |     Data is not being     |
          |      |              |          |        transmitted        |
          |------+--------------+----------+---------------------------|
          |  RX  | Unidentified | Blinking |  Data is being received   |
          |------+--------------+----------+---------------------------|
          |  RX  | Unidentified |   Off    |     Data is not being     |
          |      |              |          |         received          |
          |------+--------------+----------+---------------------------|
          | LINK | Unidentified |    On    |     UTP link is good      |
          |------+--------------+----------+---------------------------|
          | LINK | Unidentified |   Off    |    UTP link is broken     |
          +------------------------------------------------------------+