URI: 
  TEXT View Source
       
       # INTEL CORPORATION
       
          ETHEREXPRESS PRO/100+ MANAGEMENT ADAPTER (PILA8900)
       
          Card Type              Network Interface Card                  
          NIC Type               Ethernet                                
          Maximum Onboard Memory 6KB FIFO                                
          Boot ROM               Available                               
          Network Transfer Rate  100Mbps/10Mbps                          
          Topology               Star                                    
          Wiring Type            Unshielded twisted pair                 
          Data Bus               32-bit PCI                              
       
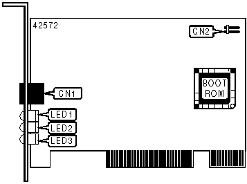
   IMG IMG 1
          
       
          +------------------------------------------------------------+
          |                        CONNECTIONS                         |
          |------------------------------------------------------------|
          |      Function       | Label |       Function       | Label |
          |---------------------+-------+----------------------+-------|
          | RJ-45 UTP connector |  CN1  | Wake on LAN          |  CN2  |
          |                     |       | connector            |       |
          +------------------------------------------------------------+
       
          +------------------------------------------------------------+
          |                     DIAGNOSTIC LED(S)                      |
          |------------------------------------------------------------|
          | LED  |    Color     |  Status  |         Condition         |
          |------+--------------+----------+---------------------------|
          | LED1 | Unidentified |    On    |   Network connection is   |
          |      |              |          |           good            |
          |------+--------------+----------+---------------------------|
          | LED1 | Unidentified |   Off    | Network connection is not |
          |      |              |          |           good            |
          |------+--------------+----------+---------------------------|
          | LED2 | Unidentified | Blinking | Data is being received or |
          |      |              |          |           sent            |
          |------+--------------+----------+---------------------------|
          | LED2 | Unidentified |   Off    |     Data is not being     |
          |      |              |          |         received          |
          |------+--------------+----------+---------------------------|
          | LED3 | Unidentified |    On    |   Operating at 100 Mbps   |
          |------+--------------+----------+---------------------------|
          | LED3 | Unidentified |   Off    |   Operation at 10 Mbps    |
          +------------------------------------------------------------+