URI: 
  TEXT View Source
       
       # SURECOM TECHNOLOGY CORPORATION
       
          EP301
       
          NIC Type              Ethernet                                 
          Network Transfer Rate 10Mbps                                   
          Data Bus              16-bit ISA                               
          Topology              Linear Bus, Star                         
          Wiring Type           Unshielded twisted pair                  
                                                                         
                                AUI transceiver via DB-15 port           
                                                                         
                                RG-58A/U 50ohm coaxial                   
          Boot ROM              Not available                            
       
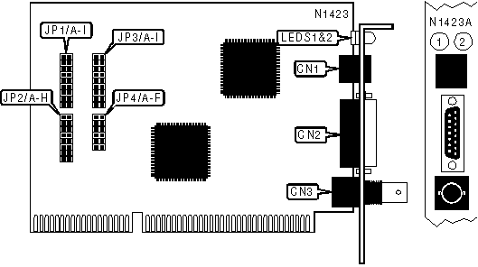
   IMG IMG 1
          
       
          +------------------------------------------------------------+
          |                        CONNECTIONS                         |
          |------------------------------------------------------------|
          |         Function          | Label |    Function    | Label |
          |---------------------------+-------+----------------+-------|
          | Unshielded twisted pair   |  CN1  | RG-58A/U 50ohm |  CN3  |
          | port                      |       | coaxial        |       |
          |---------------------------+-------+----------------+-------|
          | AUI transceiver via DB-15 |  CN2  |                |       |
          | port                      |       |                |       |
          +------------------------------------------------------------+
       
       +-----------------------------------------------------------------------+
       |          BASE I/O ADDRESS SELECTION (NON-ELNKII/16BIT MODE)           |
       |-----------------------------------------------------------------------|
       |Setting |JP1/A |JP1/B |JP1/C |JP1/D |JP1/E |JP1/F |JP1/G |JP1/H |JP1/I |
       |--------+------+------+------+------+------+------+------+------+------|
       |Software|Closed| Open | Open | Open | Open | Open | Open | Open | Open |
       |--------+------+------+------+------+------+------+------+------+------|
       |  360h  | Open |Closed| Open | Open | Open | Open | Open | Open | Open |
       |--------+------+------+------+------+------+------+------+------+------|
       |  340h  | Open | Open |Closed| Open | Open | Open | Open | Open | Open |
       |--------+------+------+------+------+------+------+------+------+------|
       |  320h  | Open | Open | Open |Closed| Open | Open | Open | Open | Open |
       |--------+------+------+------+------+------+------+------+------+------|
       |  300h  | Open | Open | Open | Open |Closed| Open | Open | Open | Open |
       |--------+------+------+------+------+------+------+------+------+------|
       |  2A0h  | Open | Open | Open | Open | Open |Closed| Open | Open | Open |
       |--------+------+------+------+------+------+------+------+------+------|
       |  280h  | Open | Open | Open | Open | Open | Open |Closed| Open | Open |
       |--------+------+------+------+------+------+------+------+------+------|
       |  240h  | Open | Open | Open | Open | Open | Open | Open |Closed| Open |
       |--------+------+------+------+------+------+------+------+------+------|
       |  220h  | Open | Open | Open | Open | Open | Open | Open | Open |Closed|
       +-----------------------------------------------------------------------+
       
       +-----------------------------------------------------------------------+
       |            BASE I/O ADDRESS SELECTION (ELNKII/16BIT MODE)             |
       |-----------------------------------------------------------------------|
       |Setting |JP1/A |JP1/B |JP1/C |JP1/D |JP1/E |JP1/F |JP1/G |JP1/H |JP1/I |
       |--------+------+------+------+------+------+------+------+------+------|
       |Software|Closed| Open | Open | Open | Open | Open | Open | Open | Open |
       |--------+------+------+------+------+------+------+------+------+------|
       |  350h  | Open |Closed| Open | Open | Open | Open | Open | Open | Open |
       |--------+------+------+------+------+------+------+------+------+------|
       |  330h  | Open | Open |Closed| Open | Open | Open | Open | Open | Open |
       |--------+------+------+------+------+------+------+------+------+------|
       |  310h  | Open | Open | Open |Closed| Open | Open | Open | Open | Open |
       |--------+------+------+------+------+------+------+------+------+------|
       |  300h  | Open | Open | Open | Open |Closed| Open | Open | Open | Open |
       |--------+------+------+------+------+------+------+------+------+------|
       |  2EOh  | Open | Open | Open | Open | Open |Closed| Open | Open | Open |
       |--------+------+------+------+------+------+------+------+------+------|
       |  2A0h  | Open | Open | Open | Open | Open | Open |Closed| Open | Open |
       |--------+------+------+------+------+------+------+------+------+------|
       |  280h  | Open | Open | Open | Open | Open | Open | Open |Closed| Open |
       |--------+------+------+------+------+------+------+------+------+------|
       |  250h  | Open | Open | Open | Open | Open | Open | Open | Open |Closed|
       +-----------------------------------------------------------------------+
       
         +----------------------------------------------------------------+
         |      BOOT ROM ADDRESS CONFIGURATION (NON-ELNK/16BIT MODE)      |
         |----------------------------------------------------------------|
         |Address |JP2/A |JP2/B |JP2/C |JP2/D |JP2/E |JP2/F |JP2/G |JP2/H |
         |--------+------+------+------+------+------+------+------+------|
         |Software|Closed| Open | Open | Open | Open | Open | Open | Open |
         |--------+------+------+------+------+------+------+------+------|
         |Disabled| Open |Closed| Open | Open | Open | Open | Open | Open |
         |--------+------+------+------+------+------+------+------+------|
         | DC000h | Open | Open |Closed| Open | Open | Open | Open | Open |
         |--------+------+------+------+------+------+------+------+------|
         | D8000h | Open | Open | Open |Closed| Open | Open | Open | Open |
         |--------+------+------+------+------+------+------+------+------|
         | D4000h | Open | Open | Open | Open |Closed| Open | Open | Open |
         |--------+------+------+------+------+------+------+------+------|
         | D0000h | Open | Open | Open | Open | Open |Closed| Open | Open |
         |--------+------+------+------+------+------+------+------+------|
         | CC000h | Open | Open | Open | Open | Open | Open |Closed| Open |
         |--------+------+------+------+------+------+------+------+------|
         | C8000h | Open | Open | Open | Open | Open | Open | Open |Closed|
         +----------------------------------------------------------------+
       
          +--------------------------------------------------------------+
          |       BOOT ROM ADDRESS CONFIGURATION (ELNK/16BIT MODE)       |
          |--------------------------------------------------------------|
          |Address |JP2/A |JP2/B |JP2/C |JP2/D |JP2/E |JP2/F |JP2/G|JP2/H|
          |--------+------+------+------+------+------+------+-----+-----|
          |Software|Closed| Open | Open | Open | Open | Open |Open |Open |
          |--------+------+------+------+------+------+------+-----+-----|
          |Disabled| Open |Closed| Open | Open | Open | Open |Open |Open |
          |--------+------+------+------+------+------+------+-----+-----|
          | DC000h | Open | Open |Closed| Open | Open | Open |Open |Open |
          |--------+------+------+------+------+------+------+-----+-----|
          | D8000h | Open | Open | Open |Closed| Open | Open |Open |Open |
          |--------+------+------+------+------+------+------+-----+-----|
          | CC000h | Open | Open | Open | Open |Closed| Open |Open |Open |
          |--------+------+------+------+------+------+------+-----+-----|
          | C8000h | Open | Open | Open | Open | Open |Closed|Open |Open |
          +--------------------------------------------------------------+
       
       +-----------------------------------------------------------------------+
       |                        PCI INTERRUPT SELECTION                        |
       |-----------------------------------------------------------------------|
       |  IRQ   |JP3/A |JP3/B |JP3/C |JP3/D |JP3/E |JP3/F |JP3/G |JP3/H |JP3/I |
       |--------+------+------+------+------+------+------+------+------+------|
       |Software|Closed| Open | Open | Open | Open | Open | Open | Open | Open |
       |--------+------+------+------+------+------+------+------+------+------|
       |  2/9   | Open | Open | Open | Open | Open | Open | Open | Open |Closed|
       |--------+------+------+------+------+------+------+------+------+------|
       |   3    | Open | Open | Open | Open | Open | Open | Open |Closed| Open |
       |--------+------+------+------+------+------+------+------+------+------|
       |   4    | Open | Open | Open | Open | Open | Open |Closed| Open | Open |
       |--------+------+------+------+------+------+------+------+------+------|
       |   5    | Open | Open | Open | Open | Open |Closed| Open | Open | Open |
       |--------+------+------+------+------+------+------+------+------+------|
       |   7    | Open | Open | Open | Open |Closed| Open | Open | Open | Open |
       |--------+------+------+------+------+------+------+------+------+------|
       |   10   | Open | Open | Open |Closed| Open | Open | Open | Open | Open |
       |--------+------+------+------+------+------+------+------+------+------|
       |   11   | Open | Open |Closed| Open | Open | Open | Open | Open | Open |
       |--------+------+------+------+------+------+------+------+------+------|
       |   15   | Open |Closed| Open | Open | Open | Open | Open | Open | Open |
       +-----------------------------------------------------------------------+
       
          +------------------------------------------------------------+
          |              COMBATIBILITY MODE CONFIGURATION              |
          |------------------------------------------------------------|
          |  Setting   | JP4/A | JP4/B | JP4/C | JP4/D | JP4/E | JP4/F |
          |------------+-------+-------+-------+-------+-------+-------|
          |  Software  |Closed | Open  | Open  | Open  | Open  | Open  |
          |------------+-------+-------+-------+-------+-------+-------|
          |N2000 (C&T) | Open  |Closed | Open  | Open  | Open  | Open  |
          |------------+-------+-------+-------+-------+-------+-------|
          |N2000 (STD) | Open  | Open  |Closed | Open  | Open  | Open  |
          |------------+-------+-------+-------+-------+-------+-------|
          |N1000 TURBO | Open  | Open  | Open  |Closed | Open  | Open  |
          |------------+-------+-------+-------+-------+-------+-------|
          |03EBT/13EBT | Open  | Open  | Open  | Open  |Closed | Open  |
          |------------+-------+-------+-------+-------+-------+-------|
          |ELNKII/16BIT| Open  | Open  | Open  | Open  | Open  |Closed |
          +------------------------------------------------------------+
       
          +------------------------------------------------------------+
          |                     DIAGNOSTIC LED(S)                      |
          |------------------------------------------------------------|
          | LED  | Color |  Status  |            Condition             |
          |------+-------+----------+----------------------------------|
          | LED1 | Green |    On    |  10Base-T network connection is  |
          |      |       |          |               good               |
          |------+-------+----------+----------------------------------|
          | LED1 | Green | Blinking |      Data is being received      |
          |------+-------+----------+----------------------------------|
          | LED1 | Green |   Off    |  10Base-T network connection is  |
          |      |       |          |              broken              |
          |------+-------+----------+----------------------------------|
          | LED2 |  Red  |    On    |  10Base-T polarity is reversed   |
          |------+-------+----------+----------------------------------|
          | LED2 |  Red  | Blinking |    Data is being transmitted     |
          |------+-------+----------+----------------------------------|
          | LED2 |  Red  |   Off    |   10Base-T polarity is normal    |
          +------------------------------------------------------------+