URI: 
  TEXT View Source
       
       # SYSTRAN CORPORATION
       
          SCRAMNET+ VME6U
       
          NIC Type               Proprietary                             
          Chipset                Systran Corporation                     
          Maximum Onboard Memory 8MB DRAM                                
          I/O Options            Bypass connector                        
          Network Transfer Rate  150Mbps                                 
          Data Bus               VME double                              
          Topology               Linear Bus/Ring                         
          Wire Type              RG-58A/U 50ohm coaxial                  
                                                                         
                                 Fiber optic cable                       
          Boot ROM               Not available                           
       
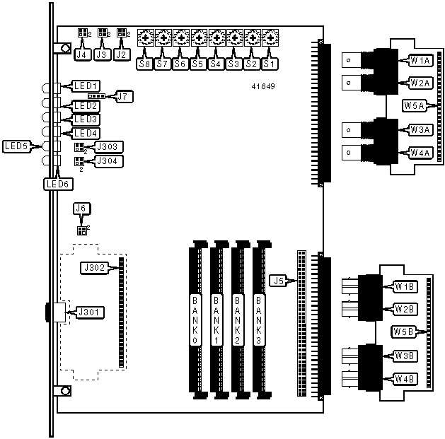
   IMG IMG 1
          
       
          +------------------------------------------------------------+
          |                        CONNECTIONS                         |
          |------------------------------------------------------------|
          |       Function        | Label |      Function      | Label |
          |-----------------------+-------+--------------------+-------|
          | Header for cabinet    |  J5   | RG-58A/U 50ohm     |  W1A  |
          | connection            |       | coaxial receive    |       |
          |                       |       | connector 1        |       |
          |-----------------------+-------+--------------------+-------|
          | Auxiliary connector   |  J7   | Fiber optic ST     |  W1B  |
          | (see pinout below)    |       | receive connector  |       |
          |                       |       | 1                  |       |
          |-----------------------+-------+--------------------+-------|
          | Bypass connector      | J301  | RG-58A/U 50ohm     |  W2A  |
          |                       |       | coaxial receive    |       |
          |                       |       | connector 2        |       |
          |-----------------------+-------+--------------------+-------|
          | Daughterboard header  | J302  | Fiber optic ST     |  W2B  |
          |                       |       | receive connector  |       |
          |                       |       | 2                  |       |
          +------------------------------------------------------------+
       
          +------------------------------------------------------------+
          |                    CONNECTIONS (CON’T)                     |
          |------------------------------------------------------------|
          |       Function        | Label |      Function      | Label |
          |-----------------------+-------+--------------------+-------|
          | RG-58A/U 50ohm        |  W3A  | Fiber optic ST     |  W4B  |
          | coaxial transmit      |       | transmit connector |       |
          | connector 1           |       | 2                  |       |
          |-----------------------+-------+--------------------+-------|
          | Fiber optic ST        |  W3B  | Header to main     |  W5A  |
          | transmit connector 1  |       | board J302         |       |
          |-----------------------+-------+--------------------+-------|
          | RG-58A/U 50ohm        |  W4A  | Header to main     |  W5B  |
          | coaxial transmit      |       | board J302         |       |
          | connector 2           |       |                    |       |
          +------------------------------------------------------------+
       
          +------------------------------------------------------------+
          |                         J7 PINOUT                          |
          |------------------------------------------------------------|
          |          Function           | Pin |     Function     | Pin |
          |-----------------------------+-----+------------------+-----|
          | Ground                      |  1  | Trigger 1 signal |  3  |
          |-----------------------------+-----+------------------+-----|
          | Trigger 1 and Trigger 2     |  2  | Trigger 2 signal |  4  |
          | signal                      |     |                  |     |
          +------------------------------------------------------------+
       
          +------------------------------------------------------------+
          |                 USER CONFIGURABLE SETTINGS                 |
          |------------------------------------------------------------|
          |                Setting                 | Label | Position  |
          |----------------------------------------+-------+-----------|
          | » | Card is not software compatible    |  J2   | Pins 1 &  |
          |   | with ScramNET Classic cards        |       | 3 closed  |
          |---+------------------------------------+-------+-----------|
          |   | Card is software compatible with   |  J2   | Pins 2 &  |
          |   | ScramNET Classic cards             |       | 4 closed  |
          |---+------------------------------------+-------+-----------|
          | » | SIMM memory disabled, on-board     |  J3   | Pins 1 &  |
          |   | memory enabled                     |       | 3 closed  |
          |---+------------------------------------+-------+-----------|
          |   | SIMM memory enabled, on-board      |  J3   | Pins 2 &  |
          |   | memory disabled                    |       | 4 closed  |
          |---+------------------------------------+-------+-----------|
          | » | Variable length packets disabled   |  J4   | Pins 1 &  |
          |   |                                    |       | 3 closed  |
          |---+------------------------------------+-------+-----------|
          |   | Variable length packets enabled    |  J4   | Pins 2 &  |
          |   |                                    |       | 4 closed  |
          |---+------------------------------------+-------+-----------|
          | » | Chassis ground connected to signal |  J6   | Pins 2 &  |
          |   | ground                             |       | 4 closed  |
          |---+------------------------------------+-------+-----------|
          |   | Chassis ground not connected to    |  J6   | Pins 1 &  |
          |   | signal ground                      |       | 3 closed  |
          |---+------------------------------------+-------+-----------|
          | » | EEPROM write protect disabled      | J303  | Pins 2 &  |
          |   |                                    |       | 4 closed  |
          |---+------------------------------------+-------+-----------|
          |   | EEPROM write protect enabled       | J303  | Pins 1 &  |
          |   |                                    |       | 3 closed  |
          |---+------------------------------------+-------+-----------|
          | » | EEPROM read protect disabled       | J304  | Pins 2 &  |
          |   |                                    |       | 4 closed  |
          |---+------------------------------------+-------+-----------|
          |   | EEPROM read protect enabled        | J304  | Pins 1 &  |
          |   |                                    |       | 3 closed  |
          +------------------------------------------------------------+
       
          +------------------------------------------------------------+
          |                     DRAM CONFIGURATION                     |
          |------------------------------------------------------------|
          |  Size  |   Bank 0   |   Bank 1   |   Bank 2   |   Bank 3   |
          |--------+------------+------------+------------+------------|
          | 128KB  |    None    |    None    |    None    |    None    |
          |--------+------------+------------+------------+------------|
          | 512KB  | (1) 512K x |    None    |    None    |    None    |
          |        |     9      |            |            |            |
          |--------+------------+------------+------------+------------|
          |  1MB   | (1) 512K x | (1) 512K x |    None    |    None    |
          |        |     9      |     9      |            |            |
          |--------+------------+------------+------------+------------|
          |  2MB   | (1) 512K x | (1) 512K x | (1) 512K x | (1) 512K x |
          |        |     9      |     9      |     9      |     9      |
          |--------+------------+------------+------------+------------|
          |  2MB   | (1) 2M x 9 |    None    |    None    |    None    |
          |--------+------------+------------+------------+------------|
          |  4MB   | (1) 2M x 9 | (1) 2M x 9 |    None    |    None    |
          |--------+------------+------------+------------+------------|
          |  8MB   | (1) 2M x 9 | (1) 2M x 9 | (1) 2M x 9 | (1) 2M x 9 |
          |------------------------------------------------------------|
          |      Note:The SIMMs are proprietary and must be ordered    |
          |      from Systran.                                         |
          +------------------------------------------------------------+
       
          +------------------------------------------------------------+
          |              ADDRESSING RESOLUTION SELECTION               |
          |------------------------------------------------------------|
          |   Control/Status Registers   |   Memory    |      S8       |
          |------------------------------+-------------+---------------|
          |          |      16 bits      |   24 bits   |  Position 6   |
          |----------+-------------------+-------------+---------------|
          | »        |      16 bits      |   32 bits   |  Position 7   |
          |----------+-------------------+-------------+---------------|
          |          |      24 bits      |   24 bits   |  Position A   |
          |----------+-------------------+-------------+---------------|
          |          |      24 bits      |   32 bits   |  Position B   |
          |----------+-------------------+-------------+---------------|
          |          |      32 bits      |   24 bits   |  Position E   |
          |----------+-------------------+-------------+---------------|
          |          |      32 bits      |   32 bits   |  Position F   |
          +------------------------------------------------------------+
       
          +------------------------------------------------------------+
          |         CONTROL/STATUS REGISTER ADDRESS SELECTION          |
          |------------------------------------------------------------|
          | A total of 134,217,728 address settings are available.     |
          | Switches S1 through S7 set the hexadecimal memory address. |
          | SW1 is the Most Significant Nibble and switch SW7 is the   |
          | Least Significant Nibble, though the bottom two bits of    |
          | SW7 are always 0. The switches have the following decimal  |
          | weight values: SW1=4,194,304, SW2=2,097,152,               |
          | SW3=1,048,576, SW4=65,536, SW5=4,096, SW6=256, SW7=16. Set |
          | the switches, multiply the number on the switch by its     |
          | weight value, add the values obtained for each switch, and |
          | round down to the nearest multiple of 64 to obtain the     |
          | correct memory address.                                    |
          +------------------------------------------------------------+
       
          +------------------------------------------------------------+
          |                     DIAGNOSTIC LED(S)                      |
          |------------------------------------------------------------|
          | LED  | Color  | Status |             Condition             |
          |------+--------+--------+-----------------------------------|
          | LED1 | Green  |   On   |    Network connection is good     |
          |------+--------+--------+-----------------------------------|
          | LED1 | Green  |  Off   |   Network connection is broken    |
          |------+--------+--------+-----------------------------------|
          | LED2 | Green  |   On   |  Message is waiting in transmit   |
          |      |        |        |               FIFO                |
          |------+--------+--------+-----------------------------------|
          | LED2 | Green  |  Off   |     Message is not waiting in     |
          |      |        |        |           transmit FIFO           |
          |------+--------+--------+-----------------------------------|
          | LED3 | Green  |   On   |    Carrier signal is detected     |
          |------+--------+--------+-----------------------------------|
          | LED3 | Green  |  Off   |  Carrier signal is not detected   |
          |------+--------+--------+-----------------------------------|
          | LED4 | Yellow |   On   |     Error condition detected      |
          |------+--------+--------+-----------------------------------|
          | LED4 | Yellow |  Off   |   Error condition not detected    |
          |------+--------+--------+-----------------------------------|
          | LED5 | Green  |   On   |  Message received from this node  |
          |------+--------+--------+-----------------------------------|
          | LED5 | Green  |  Off   |  Message not received from this   |
          |      |        |        |               node                |
          |------+--------+--------+-----------------------------------|
          | LED6 | Green  |   On   |   Message received from another   |
          |      |        |        |               node                |
          |------+--------+--------+-----------------------------------|
          | LED6 | Green  |  Off   | Message not received from another |
          |      |        |        |               node                |
          +------------------------------------------------------------+