URI: 
  TEXT View Source
       
       # WESTERN DIGITAL CORPORATION
       
          ETHERCARD PLUS10T
       
          NIC Type              Ethernet                                 
          Network Transfer Rate 10Mbps                                   
          Data Bus              8-bit ISA                                
          Topology              Linear Bus, Star                         
          Wiring Type           Unshielded twisted pair                  
                                                                         
                                AUI transceiver via DB-15 port           
          Boot ROM              Available                                
       
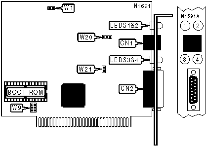
   IMG IMG 1
          
       
          +------------------------------------------------------------+
          |                        CONNECTIONS                         |
          |------------------------------------------------------------|
          |      Function      | Label |       Function        | Label |
          |--------------------+-------+-----------------------+-------|
          | Unshielded twisted |  CN1  | AUI transceiver via   |  CN2  |
          | pair port          |       | DB-15 port            |       |
          +------------------------------------------------------------+
       
          +------------------------------------------------------------+
          |                 USER CONFIGURABLE SETTINGS                 |
          |------------------------------------------------------------|
          |                Function                | Label | Position  |
          |----------------------------------------+-------+-----------|
          | » | Clear configuration disabled       |  W1   |   Open    |
          |---+------------------------------------+-------+-----------|
          |   | Clear configuration enabled        |  W1   |  Closed   |
          |---+------------------------------------+-------+-----------|
          | » | Automatic polarity correction      |  W20  | Pins 1 &  |
          |   | enabled                            |       | 2 closed  |
          |---+------------------------------------+-------+-----------|
          |   | Automatic polarity correction      |  W20  | Pins 2 &  |
          |   | disabled                           |       | 3 closed  |
          |---+------------------------------------+-------+-----------|
          | » | Link integrity test enabled        |  W21  |   Open    |
          |---+------------------------------------+-------+-----------|
          |   | Link integrity test disabled       |  W21  |  Closed   |
          +------------------------------------------------------------+
       
          +------------------------------------------------------------+
          |                     ROM SIZE SELECTION                     |
          |------------------------------------------------------------|
          |            Size            |              W9               |
          |----------------------------+-------------------------------|
          | » |          16KB          |   Pins 1 & 2, 4 & 5 closed    |
          |---+------------------------+-------------------------------|
          |   |          32KB          |   Pins 2 & 3, 4 & 5 closed    |
          |---+------------------------+-------------------------------|
          |   |          64KB          |    Pins 2& 3, 5 & 6 closed    |
          +------------------------------------------------------------+
       
          +------------------------------------------------------------+
          |                     DIAGNOSTIC LED(S)                      |
          |------------------------------------------------------------|
          | LED  | Color  | Status |             Condition             |
          |------+--------+--------+-----------------------------------|
          | LED1 | Green  |   On   |   Polarity is good on 10Base-T    |
          |------+--------+--------+-----------------------------------|
          | LED1 | Green  |  Off   |  Polarity is broken on 10Base-T   |
          |------+--------+--------+-----------------------------------|
          | LED2 | Green  |   On   |  10Base-T Link Integrity mode is  |
          |      |        |        |             selected              |
          |------+--------+--------+-----------------------------------|
          | LED2 | Green  |  Off   |  10Base-T Link integrity mode is  |
          |      |        |        |           not selected            |
          |------+--------+--------+-----------------------------------|
          | LED3 | Yellow |   On   |     Data is being transmitted     |
          |------+--------+--------+-----------------------------------|
          | LED3 | Yellow |  Off   |   Data is not being transmitted   |
          |------+--------+--------+-----------------------------------|
          | LED4 | Green  |   On   |      Data is being received       |
          |------+--------+--------+-----------------------------------|
          | LED4 | Green  |  Off   |    Data is not being received     |
          +------------------------------------------------------------+