URI: 
  TEXT View Source
       
       # 3COM CORPORATION
       
          IMPACT (3C870, 3C875)
       
          Card Type                    ISDN TA                           
          Chipset                      Unidentified                      
          Error Correction/Compression STAC                              
          ISDN Transfer Rate           56Kbps x 2/64Kbps x 2             
          ISDN Protocol                V.120, PPP                        
          Switch Type                  5ESS, DMS100, EWSD, NI-1          
          Data Bus                     Serial                            
       
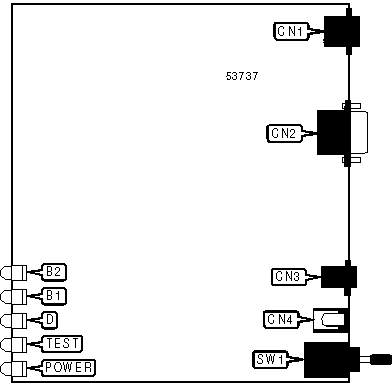
   IMG IMG 1
          
       
          +------------------------------------------------------------+
          |                        CONNECTIONS                         |
          |------------------------------------------------------------|
          |       Function        | Label  |   Function    |   Label   |
          |------------------------------------------------------------|
          | ISDN interface             |   CN1   | DC power in  | CN4  |
          |----------------------------+---------+--------------+------|
          | Serial port                |   CN2   | Power switch | SW1  |
          |----------------------------+---------+--------------+------|
          | Analog adapter             |   CN3   |              |      |
          +------------------------------------------------------------+
       
          +------------------------------------------------------------+
          |                     DIAGNOSTIC LED(S)                      |
          |------------------------------------------------------------|
          | LED | Color  |  Status  |            Condition             |
          |-----+--------+----------+----------------------------------|
          | B2  | Green  |    On    |    Data call connected on B2     |
          |     |        |          |             channel              |
          |-----+--------+----------+----------------------------------|
          | B2  | Yellow |    On    |    Voice call connected on B2    |
          |     |        |          |             channel              |
          |-----+--------+----------+----------------------------------|
          | B2  | Green  | Blinking |  TA is dialing data call on B2   |
          |     |        |          |             channel              |
          |-----+--------+----------+----------------------------------|
          | B2  | Yellow | Blinking |  TA is dialing voice call on B2  |
          |     |        |          |             channel              |
          |-----+--------+----------+----------------------------------|
          | B2  |  N/A   |   Off    |   B2 channel is not connected    |
          |-----+--------+----------+----------------------------------|
          | B1  | Green  |    On    |    Data call connected on B1     |
          |     |        |          |             channel              |
          |-----+--------+----------+----------------------------------|
          | B1  | Yellow |    On    |    Voice call connected on B1    |
          |     |        |          |             channel              |
          |-----+--------+----------+----------------------------------|
          | B1  | Green  | Blinking |  TA is dialing data call on B1   |
          |     |        |          |             channel              |
          |-----+--------+----------+----------------------------------|
          | B1  | Yellow | Blinking |  TA is dialing voice call on B1  |
          |     |        |          |             channel              |
          |-----+--------+----------+----------------------------------|
          | B1  |  N/A   |   Off    |   B1 channel is not connected    |
          +------------------------------------------------------------+
       
          +------------------------------------------------------------+
          |                 DIAGNOSTIC LED(S) (CON'T)                  |
          |------------------------------------------------------------|
          |  LED  | Color  |  Status  |           Condition            |
          |-------+--------+----------+--------------------------------|
          |   D   | Yellow |    On    | Signal is not synchronized or  |
          |       |        |          |   ISDN line is not connected   |
          |-------+--------+----------+--------------------------------|
          |   D   | Yellow | Blinking |   Signal is synchronized but   |
          |       |        |          |    D-channel protocols not     |
          |       |        |          |          established           |
          |-------+--------+----------+--------------------------------|
          |   D   | Yellow |   Off    |     Signal is synchronized     |
          |-------+--------+----------+--------------------------------|
          | TEST  | Yellow |    On    |      TA failed last test       |
          |-------+--------+----------+--------------------------------|
          | TEST  | Yellow | Blinking |      TA is executing test      |
          |-------+--------+----------+--------------------------------|
          | TEST  | Yellow |   Off    |    TA is not executing test    |
          |-------+--------+----------+--------------------------------|
          | POWER | Yellow |    On    |          Power is on           |
          |-------+--------+----------+--------------------------------|
          | POWER | Yellow |   Off    |          Power is off          |
          +------------------------------------------------------------+
       
          +--------------------------------------------------------+
          |              SUPPORTED STANDARD COMMANDS               |
          |--------------------------------------------------------|
          |                   Basic AT Commands                    |
          |--------------------------------------------------------|
          | +++, A/                                                |
          |--------------------------------------------------------|
          | A, D, E, H, O, V, Z                                    |
          |--------------------------------------------------------|
          | &D, &F, &W                                             |
          |--------------------------------------------------------|
          |                  Extended AT Commands                  |
          |--------------------------------------------------------|
          | \Q, \T                                                 |
          |--------------------------------------------------------|
          |                      S-Registers                       |
          |--------------------------------------------------------|
          | S0                                                     |
          |--------------------------------------------------------|
          |      Note: See MHI help file for complete information. |
          +--------------------------------------------------------+
       
          +------------------------------------------------------------+
          |                   UNIDENTIFIED COMMANDS                    |
          |------------------------------------------------------------|
          |          Command           |            Default            |
          |----------------------------+-------------------------------|
          |            S63             |         Unidentified          |
          |----------------------------+-------------------------------|
          |            S64             |         Unidentified          |
          +------------------------------------------------------------+
       
                            Proprietary AT Command Set
       
          +------------------------------------------------------------+
          |                         CALL TYPE                          |
          |------------------------------------------------------------|
          | Type:        | Register                                    |
          |--------------+---------------------------------------------|
          | Format:      | AT [cmds] S61=n [cmds]                      |
          |--------------+---------------------------------------------|
          | Description: | Selects the type of call the TA will make.  |
          |--------------+---------------------------------------------|
          |   Command    |                  Function                   |
          |--------------+---------------------------------------------|
          |   í S61=0    | TA will dial according to dial modifiers.   |
          |--------------+---------------------------------------------|
          |    S61=1     | TA will place Switched 56 call.             |
          |--------------+---------------------------------------------|
          |    S61=2     | TA will place ISDN call.                    |
          |--------------+---------------------------------------------|
          |    S61=3     | TA will place modem call.                   |
          |--------------+---------------------------------------------|
          |    S61=4     | TA will place voice call.                   |
          |--------------+---------------------------------------------|
          |    S61=5     | TA will use third-party call control.       |
          +------------------------------------------------------------+
       
         See 3COM CORPORATION IMPACT (3C871) for a full command summary.