URI: 
  TEXT View Source
       
       # 3COM CORPORATION
       
          US ROBOTICS 1200PC
       
          Modem Type               Data (synchronous/asynchronous)       
          Maximum Data Rate        1200bps                               
          Data Bus                 8-bit ISA                             
          Data Modulation Protocol Bell 103A/212A                        
       
   IMG IMG 1
          
       
          +------------------------------------------------------------+
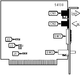
          |                        CONNECTIONS                         |
          |------------------------------------------------------------|
          |      Purpose      | Location |     Purpose      | Location |
          |-------------------+----------+------------------+----------|
          | Line out          |   CN1    | Volume           |   SW2    |
          |-------------------+----------+------------------+----------|
          | Line in           |   CN2    |                  |          |
          +------------------------------------------------------------+
       
          +------------------------------------------------------------+
          |                         DTR SIGNAL                         |
          |------------------------------------------------------------|
          | Setting                       |           SW1/1            |
          |-------------------------------+----------------------------|
          | » DTR forced high             |             On             |
          |-------------------------------+----------------------------|
          | DTR normal                    |            Off             |
          +------------------------------------------------------------+
       
          +------------------------------------------------------------+
          |                        RESULT CODES                        |
          |------------------------------------------------------------|
          | Setting                        |           SW1/2           |
          |--------------------------------+---------------------------|
          | » Verbose result codes enabled |            Off            |
          |--------------------------------+---------------------------|
          | Numeric result codes enabled   |            On             |
          +------------------------------------------------------------+
       
          +------------------------------------------------------------+
          |                    RESULT CODES DISPLAY                    |
          |------------------------------------------------------------|
          | Setting                       |           SW1/3            |
          |-------------------------------+----------------------------|
          | » Display enabled             |             On             |
          |-------------------------------+----------------------------|
          | Display disabled              |            Off             |
          +------------------------------------------------------------+
       
          +------------------------------------------------------------+
          |                   ECHO COMMANDS DISPLAY                    |
          |------------------------------------------------------------|
          | Setting                       |           SW1/4            |
          |-------------------------------+----------------------------|
          | » Local echo enabled          |            Off             |
          |-------------------------------+----------------------------|
          | Local echo disabled           |             On             |
          +------------------------------------------------------------+
       
          +------------------------------------------------------------+
          |                        AUTO ANSWER                         |
          |------------------------------------------------------------|
          | Setting                               |       SW1/5        |
          |---------------------------------------+--------------------|
          | » Modem does not answer on first ring |         On         |
          |---------------------------------------+--------------------|
          | Modem answers on first ring           |        Off         |
          +------------------------------------------------------------+
       
          +------------------------------------------------------------+
          |                       CARRIER DETECT                       |
          |------------------------------------------------------------|
          | Setting                       |           SW1/6            |
          |-------------------------------+----------------------------|
          | » CD normal                   |            Off             |
          |-------------------------------+----------------------------|
          | CD forced high                |             On             |
          +------------------------------------------------------------+
       
          +------------------------------------------------------------+
          |                   MULTLINE INSTALLATION                    |
          |------------------------------------------------------------|
          | Setting                       |           SW1/7            |
          |-------------------------------+----------------------------|
          | » Single phone connected      |            Off             |
          |-------------------------------+----------------------------|
          | Multiple phones connected     |             On             |
          +------------------------------------------------------------+
       
          +------------------------------------------------------------+
          |                       AT COMMAND SET                       |
          |------------------------------------------------------------|
          | Setting                       |           SW1/8            |
          |-------------------------------+----------------------------|
          | » AT command set recognized   |             On             |
          |-------------------------------+----------------------------|
          | AT command set disabled       |            Off             |
          +------------------------------------------------------------+
       
          +------------------------------------------------------------+
          |                   COM PORT CONFIGURATION                   |
          |------------------------------------------------------------|
          |       Port       |         J1         |         J2         |
          |------------------+--------------------+--------------------|
          |   COM1: (3F8h)   | Pins 1 & 2 closed  | Pins 1 & 2 closed  |
          |------------------+--------------------+--------------------|
          |   COM2: (3E8h)   | Pins 2 & 3 closed  | Pins 1 & 2 closed  |
          |------------------+--------------------+--------------------|
          |   COM3: (2F8h)   | Pins 1 & 2 closed  | Pins 2 & 3 closed  |
          |------------------+--------------------+--------------------|
          |   COM4: (2E8h)   | Pins 2 & 3 closed  | Pins 2 & 3 closed  |
          +------------------------------------------------------------+
       
          +------------------------------------------------------------+
          |                    INTERRUPT SELECTION                     |
          |------------------------------------------------------------|
          |            IRQ             |              J3               |
          |----------------------------+-------------------------------|
          |             3              |       Pins 3 & 5 closed       |
          |----------------------------+-------------------------------|
          |             4              |       Pins 1 & 3 closed       |
          |----------------------------+-------------------------------|
          |             5              |       Pins 2 & 4 closed       |
          |----------------------------+-------------------------------|
          |             7              |       Pins 4 & 6 closed       |
          |----------------------------+-------------------------------|
          |          Disabled          |             Open              |
          +------------------------------------------------------------+
       
                            Proprietary AT Command Set
       
          +------------------------------------------------------------+
          |                 ANALOG LOOPBACK SELF TEST                  |
          |------------------------------------------------------------|
          | Type:        | Register                                    |
          |--------------+---------------------------------------------|
          | Format:      | AT [cmds] S16=n [cmds]                      |
          |--------------+---------------------------------------------|
          | Example:     | ATS16=139<CR>                               |
          |--------------+---------------------------------------------|
          | Description: | Selects the tone dialing test.              |
          |--------------+---------------------------------------------|
          | Command      |                  Function                   |
          |--------------+---------------------------------------------|
          |      0       | Data mode.                                  |
          |--------------+---------------------------------------------|
          |      1       | Analog loopback.                            |
          |--------------+---------------------------------------------|
          |      2       | Dial testing.                               |
          |--------------+---------------------------------------------|
          |      4       | Test pattern.                               |
          |--------------+---------------------------------------------|
          |      5       | Analog loopback and test pattern.           |
          +------------------------------------------------------------+