URI: 
  TEXT View Source
       
       # ARCHTEK AMERICA CORPORATION
       
          2834BR
       
          Modem Type             Data (synchronous/asynchronous)/Fax     
          Maximum Data Rate      28.8Kbps                                
          Maximum Fax Rate       14.4Kbps                                
          Data Bus               8-bit ISA                               
          Fax Class              Class I & II                            
          Data Modulation        Bell 103J/212A                          
          Protocol                                                       
                                 ITU-T V.21, V.22, V.22bis, V.23, V.32,  
                                 V.32bis, V.34                           
                                                                         
                                 Rockwell V.FC                           
          Fax Modulation         ITU-T V.17, V.21CH2, V.27ter, V.29      
          Protocol               
          Error                  MNP5, V.42, V.42bis                     
          Correction/Compression 
       
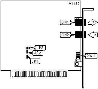
   IMG IMG 1
          
       
          +------------------------------------------------------------+
          |                        CONNECTIONS                         |
          |------------------------------------------------------------|
          |      Purpose      | Location |     Purpose      | Location |
          |-------------------+----------+------------------+----------|
          | Line out          |   CN1    | Line in          |   CN2    |
          +------------------------------------------------------------+
       
          +------------------------------------------------------------+
          |                 BASE I/O ADDRESS SELECTION                 |
          |------------------------------------------------------------|
          |        Port        |       SW1/C       |       SW1/D       |
          |--------------------+-------------------+-------------------|
          |    COM1: (3F8h)    |        On         |        On         |
          |--------------------+-------------------+-------------------|
          |    COM2: (2F8h)    |        On         |        Off        |
          |--------------------+-------------------+-------------------|
          |    COM3: (3E8h)    |        Off        |        On         |
          |--------------------+-------------------+-------------------|
          |    COM4: (2E8h)    |        Off        |        Off        |
          +------------------------------------------------------------+
       
          +------------------------------------------------------------+
          |                    INTERRUPT SELECTION                     |
          |------------------------------------------------------------|
          |  IRQ  |  SW1/A  |  SW1/B  |   JP1    |   JP2    |   JP3    |
          |-------+---------+---------+----------+----------+----------|
          |   2   |   Off   |   Off   |   Open   |   Open   |  Closed  |
          |-------+---------+---------+----------+----------+----------|
          |   3   |   On    |   Off   |   Open   |   Open   |   Open   |
          |-------+---------+---------+----------+----------+----------|
          |   4   |   Off   |   On    |   Open   |   Open   |   Open   |
          |-------+---------+---------+----------+----------+----------|
          |   5   |   Off   |   Off   |   Open   |  Closed  |   Open   |
          |-------+---------+---------+----------+----------+----------|
          |   7   |   Off   |   Off   |  Closed  |   Open   |   Open   |
          +------------------------------------------------------------+
       
                            Proprietary AT Command Set
       
          +------------------------------------------------------------+
          |                        AUTO-RETRAIN                        |
          |------------------------------------------------------------|
          | Type:        | Configuration                               |
          |--------------+---------------------------------------------|
          | Format:      | AT %En                                      |
          |--------------+---------------------------------------------|
          | Example:     | AT %E0 <CR>                                 |
          |--------------+---------------------------------------------|
          | Description: | Selects auto-retrain mode.                  |
          |--------------+---------------------------------------------|
          |   Command    |                  Function                   |
          |--------------+---------------------------------------------|
          |     %E0      | Auto-retrain disabled.                      |
          |--------------+---------------------------------------------|
          |     %E1      | Auto-retrain enabled.                       |
          +------------------------------------------------------------+
       
          +------------------------------------------------------------+
          |                         BREAK SEND                         |
          |------------------------------------------------------------|
          | Type:        | Configuration                               |
          |--------------+---------------------------------------------|
          | Format:      | AT [cmds] \Bn [cmds]                        |
          |--------------+---------------------------------------------|
          | Example:     | AT \B3 &W<CR>                               |
          |--------------+---------------------------------------------|
          | Range:       | 1-9                                         |
          |--------------+---------------------------------------------|
          | Unit:        | .1 second                                   |
          |--------------+---------------------------------------------|
          | Description: | Sends break to modem.                       |
          +------------------------------------------------------------+
       
          +------------------------------------------------------------+
          |                         BREAK TYPE                         |
          |------------------------------------------------------------|
          | Type:        | Configuration                               |
          |--------------+---------------------------------------------|
          | Format:      | AT [cmds] \Kn [cmds]                        |
          |--------------+---------------------------------------------|
          | Example:     | AT \K0 <CR>                                 |
          |--------------+---------------------------------------------|
          | Description: | Configures action of break signal.          |
          |------------------------------------------------------------|
          |    Command    |  Break from  |    Modem     |  Break from  |
          |               |     DTE      | receives \B  | remote modem |
          |---------------+--------------+--------------+--------------|
          |      \K0      | Enter        | Buffers      | Buffers      |
          |               | command      | cleared and  | cleared and  |
          |               | mode, do not | break sent   | break sent   |
          |               | send break   | to remote    | to DTE.      |
          |               | to remote    | modem.       |              |
          |               | modem.       |              |              |
          |---------------+--------------+--------------+--------------|
          |      \K1      | Buffers      | Buffers      | Buffers      |
          |               | cleared and  | cleared and  | cleared and  |
          |               | break sent   | break sent   | break sent   |
          |               | to remote    | to remote    | to DTE.      |
          |               | modem.       | modem.       |              |
          |---------------+--------------+--------------+--------------|
          |      \K2      | Enter        | Send break   | Send break   |
          |               | command      | to remote    | to DTE       |
          |               | mode, do not | modem        | immediately. |
          |               | send break   | immediately. |              |
          |               | to remote    |              |              |
          |               | modem.       |              |              |
          |---------------+--------------+--------------+--------------|
          |      \K3      | Send break   | Send break   | Send break   |
          |               | to remote    | to remote    | to DTE       |
          |               | modem        | modem        | immediately. |
          |               | immediately. | immediately. |              |
          |---------------+--------------+--------------+--------------|
          |      \K4      | Enter        | Send break   | Break sent   |
          |               | command      | to remote    | with         |
          |               | mode, do not | modem with   | received     |
          |               | send break   | transmitted  | data to the  |
          |               | to remote    | data.        | DTE.         |
          |               | modem.       |              |              |
          |---------------+--------------+--------------+--------------|
          |      \K5      | Send break   | Send break   | Break sent   |
          |               | with         | to remote    | with         |
          |               | transmitted  | modem with   | received     |
          |               | data.        | transmitted  | data to the  |
          |               |              | data.        | DTE.         |
          +------------------------------------------------------------+
       
          +------------------------------------------------------------+
          |                        COMPRESSION                         |
          |------------------------------------------------------------|
          | Type:        | Configuration                               |
          |--------------+---------------------------------------------|
          | Format:      | AT [cmd] %Cn [cmd]                          |
          |--------------+---------------------------------------------|
          | Example:     | AT %C0 &W<CR>                               |
          |--------------+---------------------------------------------|
          | Description: | Selects data compression.                   |
          |--------------+---------------------------------------------|
          |   Command    |                  Function                   |
          |--------------+---------------------------------------------|
          |     %C0      | Data compression disabled.                  |
          |--------------+---------------------------------------------|
          |     %C1      | Data compression enabled.                   |
          |--------------+---------------------------------------------|
          |     %C2      | V.42bis enabled.                            |
          |--------------+---------------------------------------------|
          |     %C3      | V.42bis and MNP5 enabled.                   |
          +------------------------------------------------------------+
       
          +------------------------------------------------------------+
          |                        CONNECT MODE                        |
          |------------------------------------------------------------|
          | Type:        | Configuration                               |
          |--------------+---------------------------------------------|
          | Format:      | AT [cmds] \Nn [cmds]                        |
          |--------------+---------------------------------------------|
          | Example:     | AT \N0 DT555-1212<CR>                       |
          |--------------+---------------------------------------------|
          | Description: | Sets connect mode.                          |
          |--------------+---------------------------------------------|
          |   Command    |                  Function                   |
          |--------------+---------------------------------------------|
          |     \N0      | Normal mode enabled.                        |
          |--------------+---------------------------------------------|
          |     \N1      | Direct mode enabled.                        |
          |--------------+---------------------------------------------|
          |     \N2      | Reliable mode enabled.                      |
          |--------------+---------------------------------------------|
          |     \N3      | Auto-reliable mode enabled.                 |
          |--------------+---------------------------------------------|
          |     \N4      | LAPM mode enabled.                          |
          |--------------+---------------------------------------------|
          |     \N5      | MNP mode enabled.                           |
          +------------------------------------------------------------+
       
          +------------------------------------------------------------+
          |                  FLASH DIAL MODIFIER TIME                  |
          |------------------------------------------------------------|
          | Format       | AT [cmds] S29=n [cmds]                      |
          |--------------+---------------------------------------------|
          | Example:     | ATS29=0<CR>                                 |
          |--------------+---------------------------------------------|
          | Default:     | 0                                           |
          |--------------+---------------------------------------------|
          | Range:       | 0-255                                       |
          |--------------+---------------------------------------------|
          | Unit:        | 10 ms                                       |
          |--------------+---------------------------------------------|
          | Description: | Time the modem will go on-hook upon         |
          |              | receiving the ! dial modifier in dial       |
          |              | string.                                     |
          +------------------------------------------------------------+
       
          +------------------------------------------------------------+
          |               FLOW CONTROL CHARACTER - XOFF                |
          |------------------------------------------------------------|
          | Type:        | Register                                    |
          |--------------+---------------------------------------------|
          | Format:      | AT [cmds] S33=n [cmds]                      |
          |--------------+---------------------------------------------|
          | Example:     | ATS33=19<CR>                                |
          |--------------+---------------------------------------------|
          | Default:     | 19                                          |
          |--------------+---------------------------------------------|
          | Range:       | 0-255                                       |
          |--------------+---------------------------------------------|
          | Unit:        | ASCII                                       |
          |--------------+---------------------------------------------|
          | Description: | Sets the character used to represent XOFF.  |
          +------------------------------------------------------------+
       
          +------------------------------------------------------------+
          |                FLOW CONTROL CHARACTER - XON                |
          |------------------------------------------------------------|
          | Type:        | Register                                    |
          |--------------+---------------------------------------------|
          | Format:      | AT [cmds] S32=n [cmds]                      |
          |--------------+---------------------------------------------|
          | Example:     | ATS32=17<CR>                                |
          |--------------+---------------------------------------------|
          | Default:     | 17                                          |
          |--------------+---------------------------------------------|
          | Range:       | 0-255                                       |
          |--------------+---------------------------------------------|
          | Unit:        | ASCII                                       |
          |--------------+---------------------------------------------|
          | Description: | Sets the character used to represent XON.   |
          +------------------------------------------------------------+
       
          +------------------------------------------------------------+
          |                      LOCK SERIAL PORT                      |
          |------------------------------------------------------------|
          | Type:        | Configuration                               |
          |--------------+---------------------------------------------|
          | Format:      | AT [cmds] \Jn [cmds]                        |
          |--------------+---------------------------------------------|
          | Example:     | AT \J0<CR>                                  |
          |--------------+---------------------------------------------|
          | Description: | Sets operation of serial port speed.        |
          |--------------+---------------------------------------------|
          |   Command    |                  Function                   |
          |--------------+---------------------------------------------|
          |     \J0      | Serial speed locked.                        |
          |--------------+---------------------------------------------|
          |     \J1      | Serial speed follows connect speed.         |
          +------------------------------------------------------------+
       
          +------------------------------------------------------------+
          |            MAXIMUM BLOCK SIZE FOR TRANSMISSION             |
          |------------------------------------------------------------|
          | Type:        | Configuration                               |
          |--------------+---------------------------------------------|
          | Format:      | AT [cmds] \An [cmds]                        |
          |--------------+---------------------------------------------|
          | Example:     | AT \A3 %C1<CR>                              |
          |--------------+---------------------------------------------|
          | Description: | Sets the maximum transmittable block size.  |
          |--------------+---------------------------------------------|
          |   Command    |                  Function                   |
          |--------------+---------------------------------------------|
          |     \A0      | MNP block size is 64 characters.            |
          |--------------+---------------------------------------------|
          |     \A1      | MNP block size is 128 characters.           |
          |--------------+---------------------------------------------|
          |     \A2      | MNP block size is 192 characters.           |
          |--------------+---------------------------------------------|
          |     \A3      | MNP block size is 256 characters.           |
          +------------------------------------------------------------+
       
          +------------------------------------------------------------+
          |                   MNP STREAM/BLOCK MODE                    |
          |------------------------------------------------------------|
          | Type:        | Configuration                               |
          |--------------+---------------------------------------------|
          | Format:      | AT [cmds] \Ln [cmds]                        |
          |--------------+---------------------------------------------|
          | Example:     | AT \L1 DT555-1212<CR>                       |
          |--------------+---------------------------------------------|
          | Description: | Selects the transfer mode for MNP.          |
          |--------------+---------------------------------------------|
          |   Command    |                  Function                   |
          |--------------+---------------------------------------------|
          |     \L0      | Stream mode for MNP enabled.                |
          |--------------+---------------------------------------------|
          |     \L1      | Block mode for MNP enabled.                 |
          +------------------------------------------------------------+
       
          +------------------------------------------------------------+
          |                    MODULATION SELECTION                    |
          |------------------------------------------------------------|
          | Type:        | Configuration                               |
          |--------------+---------------------------------------------|
          | Format:      | AT [cmds] +MS=xx,y,zzz,aaa [cmds]           |
          |--------------+---------------------------------------------|
          | Example:     | AT +MS11,1,300,28800 &W<CR>                 |
          |--------------+---------------------------------------------|
          | Description: | Sets options for active protocol. The       |
          |              | transfer rates specified by z and a must be |
          |              | valid for the protocol selected.            |
          |--------------+---------------------------------------------|
          |   Command    |                  Function                   |
          |--------------+---------------------------------------------|
          |     x=0      | V.21                                        |
          |--------------+---------------------------------------------|
          |     x=1      | V.22                                        |
          |--------------+---------------------------------------------|
          |     x=2      | V.22bis                                     |
          |--------------+---------------------------------------------|
          |     x=3      | V.23                                        |
          |--------------+---------------------------------------------|
          |     x=9      | V.32                                        |
          |--------------+---------------------------------------------|
          |     x=10     | V.32bis                                     |
          |--------------+---------------------------------------------|
          |     x=11     | V.34                                        |
          |--------------+---------------------------------------------|
          |     x=64     | Bell 103A                                   |
          |--------------+---------------------------------------------|
          |     x=69     | Bell 212A                                   |
          |--------------+---------------------------------------------|
          |     x=74     | V.FC                                        |
          |--------------+---------------------------------------------|
          |     y=0      | Automode disabled.                          |
          |--------------+---------------------------------------------|
          |     y=1      | Auto-detect highest speed enabled.          |
          |--------------+---------------------------------------------|
          |   z, a=300   | Set minimum or maximum transfer rate at     |
          |              | 300bps, respectively.                       |
          |--------------+---------------------------------------------|
          |  z, a=1200   | Set minimum or maximum transfer rate at     |
          |              | 1200bps, respectively.                      |
          |--------------+---------------------------------------------|
          |  z, a=2400   | Set minimum or maximum transfer rate at     |
          |              | 2400bps, respectively.                      |
          |--------------+---------------------------------------------|
          |  z, a=4800   | Set minimum or maximum transfer rate at     |
          |              | 4800bps, respectively.                      |
          |--------------+---------------------------------------------|
          |  z, a=7200   | Set minimum or maximum transfer rate at     |
          |              | 7200bps, respectively.                      |
          |--------------+---------------------------------------------|
          |  z, a=9600   | Set minimum or maximum transfer rate at     |
          |              | 9600bps, respectively.                      |
          |--------------+---------------------------------------------|
          |  z, a=12000  | Set minimum or maximum transfer rate at     |
          |              | 12000bps, respectively.                     |
          |--------------+---------------------------------------------|
          |  z, a=14400  | Set minimum or maximum transfer rate at     |
          |              | 14400bps, respectively.                     |
          |--------------+---------------------------------------------|
          |  z, a=16800  | Set minimum or maximum transfer rate at     |
          |              | 16800bps, respectively.                     |
          |--------------+---------------------------------------------|
          |  z, a=19200  | Set minimum or maximum transfer rate at     |
          |              | 19200bps, respectively.                     |
          |--------------+---------------------------------------------|
          |  z, a=21600  | Set minimum or maximum transfer rate at     |
          |              | 21600bps, respectively.                     |
          |--------------+---------------------------------------------|
          |  z, a=24000  | Set minimum or maximum transfer rate at     |
          |              | 24000bps, respectively.                     |
          |--------------+---------------------------------------------|
          |  z, a=26400  | Set minimum or maximum transfer rate at     |
          |              | 26400bps, respectively.                     |
          |--------------+---------------------------------------------|
          |  z, a=28800  | Set minimum or maximum transfer rate at     |
          |              | 28800bps, respectively.                     |
          +------------------------------------------------------------+