URI: 
  TEXT View Source
       
       # ADTRAN
       
          ISU 2X64
       
          Card Type          ISDN TA/Modem                               
          Chip Set           Unidentified                                
          I/O Options        Dial ports (2)                              
          ISDN Transfer Rate 56/64Kbps x 2                               
          Data Bus           External                                    
          ISDN Protocol      SAP, T-Link, V.120, Bonding                 
          Switch Type        5ESS, NI-1, DMS-100, NEC                    
       
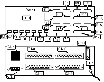
   IMG IMG 1
          
       
          +------------------------------------------------------------+
          |                        CONNECTIONS                         |
          |------------------------------------------------------------|
          |   Function   |  Label   |      Function      |    Label    |
          |------------------------------------------------------------|
          | ENTER button      |    B1     | 3 button             | B13 |
          |-------------------+-----------+----------------------+-----|
          | UP button         |    B2     | 6 button             | B14 |
          |-------------------+-----------+----------------------+-----|
          | DOWN button       |    B3     | 9 button             | B15 |
          |-------------------+-----------+----------------------+-----|
          | CANCEL button     |    B4     | # button             | B16 |
          |-------------------+-----------+----------------------+-----|
          | 1 button          |    B5     | RS-366 port for      | CN1 |
          |                   |           | dialing on port 1    |     |
          |-------------------+-----------+----------------------+-----|
          | 4 button          |    B6     | RS-232/422 port 1    | CN2 |
          |-------------------+-----------+----------------------+-----|
          | 7 button          |    B7     | RS-366 port for      | CN3 |
          |                   |           | dialing on port 2    |     |
          |-------------------+-----------+----------------------+-----|
          | * button          |    B8     | RS-232/422 port 2    | CN4 |
          |-------------------+-----------+----------------------+-----|
          | 2 button          |    B9     | Line out             | CN5 |
          |-------------------+-----------+----------------------+-----|
          | 5 button          |    B10    | Diagnostic port (not | CN6 |
          |                   |           | used)                |     |
          |-------------------+-----------+----------------------+-----|
          | 8 button          |    B11    | 120V AC power        | CN7 |
          |-------------------+-----------+----------------------+-----|
          | 0 button          |    B12    | Power switch         | SW1 |
          +------------------------------------------------------------+
       
          +------------------------------------------------------------+
          |                     DIAGNOSTIC LED(S)                      |
          |------------------------------------------------------------|
          | LED  | Color | Status |             Condition              |
          |------+-------+--------+------------------------------------|
          |  RS  | Green |   On   |         RTS signal is high         |
          |------+-------+--------+------------------------------------|
          |  RS  | Green |  Off   |         RTS signal is low          |
          |------+-------+--------+------------------------------------|
          |  CS  | Green |   On   |         CTS signal is high         |
          |------+-------+--------+------------------------------------|
          |  CS  | Green |  Off   |         CTS signal is low          |
          |------+-------+--------+------------------------------------|
          |  TD  | Green |   On   |      DSU is transmitting data      |
          |------+-------+--------+------------------------------------|
          |  TD  | Green |  Off   |    DSU is not transmitting data    |
          |------+-------+--------+------------------------------------|
          |  RD  | Green |   On   |       DSU is receiving data        |
          |------+-------+--------+------------------------------------|
          |  RD  | Green |  Off   |     DSU is not receiving data      |
          |------+-------+--------+------------------------------------|
          |  CD  | Green |   On   |      Carrier signal detected       |
          |------+-------+--------+------------------------------------|
          |  CD  | Green |  Off   |    Carrier signal not detected     |
          |------+-------+--------+------------------------------------|
          |  TR  | Green |   On   |         DTR signal is high         |
          |------+-------+--------+------------------------------------|
          |  TR  | Green |  Off   |         DTR signal is low          |
          |------+-------+--------+------------------------------------|
          |  SR  | Green |   On   |         DSR signal is high         |
          |------+-------+--------+------------------------------------|
          |  SR  | Green |  Off   |         DSR signal is low          |
          +------------------------------------------------------------+
       
                            Proprietary AT Command Set
       
          +------------------------------------------------------------+
          |                        AUTO-ANSWER                         |
          |------------------------------------------------------------|
          | Type:        | Register                                    |
          |--------------+---------------------------------------------|
          | Format:      | AT [cmds] S0=n [cmds]                       |
          |--------------+---------------------------------------------|
          | Description: | Selects whether the TA can auto-answer      |
          |              | incoming calls.                             |
          |------------------------------------------------------------|
          |        Command        |              Function              |
          |-----------------------+------------------------------------|
          |         S0=0          | Auto-answer disabled.              |
          |-----------------------+------------------------------------|
          |         S0=1          | Auto-answer enabled.               |
          |-----------------------+------------------------------------|
          |         S0=2          | Ignore all calls.                  |
          +------------------------------------------------------------+
       
          +------------------------------------------------------------+
          |                  BIT-MAPPED REGISTER S14                   |
          |------------------------------------------------------------|
          | Format:         | AT [cmds] S14=n [cmds]                   |
          |-----------------+------------------------------------------|
          | Default:        | Unidentified                             |
          |-----------------+------------------------------------------|
          | Range:          | 60                                       |
          |-----------------+------------------------------------------|
          | Description:    | Controls command echo, result codes, and |
          |                 | serial port speed locking.               |
          |------------------------------------------------------------|
          |    Bit    |   Value    |             Function              |
          |-----------+------------+-----------------------------------|
          |    1-0    |         00 | Not used.                         |
          |-----------+------------+-----------------------------------|
          |     2     |          0 | Command echo enabled.             |
          |           |            |                                   |
          |           |          1 | Command echo disabled.            |
          |-----------+------------+-----------------------------------|
          |     3     |          0 | Result codes enabled.             |
          |           |            |                                   |
          |           |          1 | Result codes disabled.            |
          |-----------+------------+-----------------------------------|
          |     4     |          0 | Result codes in numeric form.     |
          |           |            |                                   |
          |           |          1 | Result codes in verbose form.     |
          +------------------------------------------------------------+
       
          +------------------------------------------------------------+
          |                        BONDED CALL                         |
          |------------------------------------------------------------|
          | Type:        | Register                                    |
          |--------------+---------------------------------------------|
          | Format:      | AT [cmds] S59=n [cmds]                      |
          |--------------+---------------------------------------------|
          | Description: | Selects whether the TA will attempt to make |
          |              | a bonded call.                              |
          |------------------------------------------------------------|
          |         Command         |             Function             |
          |-------------------------+----------------------------------|
          |          S59=3          | Call bonding disabled.           |
          |-------------------------+----------------------------------|
          |          S59=5          | Call bonding enabled.            |
          +------------------------------------------------------------+
       
          +------------------------------------------------------------+
          |              BONDED CALL - ANSWERING TIMEOUT               |
          |------------------------------------------------------------|
          | Type:        | Register                                    |
          |--------------+---------------------------------------------|
          | Format:      | AT [cmds] S44=n [cmds]                      |
          |--------------+---------------------------------------------|
          | Default:     | 10                                          |
          |--------------+---------------------------------------------|
          | Range:       | 0 - 255                                     |
          |--------------+---------------------------------------------|
          | Unit:        | 1 second                                    |
          |--------------+---------------------------------------------|
          | Description: | Sets the time when answering a call that    |
          |              | the TA will wait for the remote TA to send  |
          |              | the bond negotiation before it disconnects. |
          +------------------------------------------------------------+
       
          +------------------------------------------------------------+
          |               BONDED CALL - CAPACITY TIMEOUT               |
          |------------------------------------------------------------|
          | Type:        | Register                                    |
          |--------------+---------------------------------------------|
          | Format:      | AT [cmds] S45=n [cmds]                      |
          |--------------+---------------------------------------------|
          | Default:     | 5                                           |
          |--------------+---------------------------------------------|
          | Range:       | 0 - 255                                     |
          |--------------+---------------------------------------------|
          | Unit:        | 1 second                                    |
          |--------------+---------------------------------------------|
          | Description: | Sets the time that the TA will wait to      |
          |              | agree with the remote TA on channel         |
          |              | capacities before it disconnects.           |
          +------------------------------------------------------------+
       
          +------------------------------------------------------------+
          |             BONDED CALL - EQUALIZATION TIMEOUT             |
          |------------------------------------------------------------|
          | Type:        | Register                                    |
          |--------------+---------------------------------------------|
          | Format:      | AT [cmds] S43=n [cmds]                      |
          |--------------+---------------------------------------------|
          | Default:     | 50                                          |
          |--------------+---------------------------------------------|
          | Range:       | 0 - 255                                     |
          |--------------+---------------------------------------------|
          | Unit:        | 1 second                                    |
          |--------------+---------------------------------------------|
          | Description: | Sets the time that the TA will wait for the |
          |              | two channels of a bonded call to be         |
          |              | equalized before it disconnects.            |
          +------------------------------------------------------------+
       
          +------------------------------------------------------------+
          |            BONDED CALL - FRAME PATTERN TIMEOUT             |
          |------------------------------------------------------------|
          | Type:        | Register                                    |
          |--------------+---------------------------------------------|
          | Format:      | AT [cmds] S41=n [cmds]                      |
          |--------------+---------------------------------------------|
          | Default:     | 10                                          |
          |--------------+---------------------------------------------|
          | Range:       | 0 - 255                                     |
          |--------------+---------------------------------------------|
          | Unit:        | 1 second                                    |
          |--------------+---------------------------------------------|
          | Description: | Sets the time that the TA will wait during  |
          |              | the bond frame pattern before it            |
          |              | disconnects.                                |
          +------------------------------------------------------------+
       
          +------------------------------------------------------------+
          |             BONDED CALL - ORIGINATION TIMEOUT              |
          |------------------------------------------------------------|
          | Type:        | Register                                    |
          |--------------+---------------------------------------------|
          | Format:      | AT [cmds] S40=n [cmds]                      |
          |--------------+---------------------------------------------|
          | Default:     | 10                                          |
          |--------------+---------------------------------------------|
          | Range:       | 0 - 255                                     |
          |--------------+---------------------------------------------|
          | Unit:        | 1 second                                    |
          |--------------+---------------------------------------------|
          | Description: | Sets the time when originating a call that  |
          |              | the TA will wait for the remote TA to send  |
          |              | the bond negotiation before it disconnects. |
          +------------------------------------------------------------+
       
          +------------------------------------------------------------+
          |             BONDED CALL - SECOND CALL TIMEOUT              |
          |------------------------------------------------------------|
          | Type:        | Register                                    |
          |--------------+---------------------------------------------|
          | Format:      | AT [cmds] S42=n [cmds]                      |
          |--------------+---------------------------------------------|
          | Default:     | 50                                          |
          |--------------+---------------------------------------------|
          | Range:       | 0 - 255                                     |
          |--------------+---------------------------------------------|
          | Unit:        | 1 second                                    |
          |--------------+---------------------------------------------|
          | Description: | Sets the time that the TA will wait for the |
          |              | second call of a bonded call to be          |
          |              | completed before it disconnects.            |
          +------------------------------------------------------------+
       
          +------------------------------------------------------------+
          |                         CALL TYPE                          |
          |------------------------------------------------------------|
          | Type:        | Register                                    |
          |--------------+---------------------------------------------|
          | Format:      | AT [cmds] S53=n [cmds]                      |
          |--------------+---------------------------------------------|
          | Description: | Selects what type of call is to be made.    |
          |------------------------------------------------------------|
          |         Command          |            Function             |
          |--------------------------+---------------------------------|
          |          S53=0           | Speech call.                    |
          |--------------------------+---------------------------------|
          |          S53=1           | Audio call.                     |
          |--------------------------+---------------------------------|
          |          S53=2           | 56Kbps data call.               |
          |--------------------------+---------------------------------|
          |          S53=3           | 64Kbps data call.               |
          |--------------------------+---------------------------------|
          |          S53=5           | 128Kbps data call.              |
          +------------------------------------------------------------+
       
          +------------------------------------------------------------+
          |                         CD SIGNAL                          |
          |------------------------------------------------------------|
          | Type:        | Register                                    |
          |--------------+---------------------------------------------|
          | Format:      | AT [cmds] S33=n [cmds]                      |
          |--------------+---------------------------------------------|
          | Description: | Controls the behaviour of the CD signal.    |
          |------------------------------------------------------------|
          |     Command      |                Function                 |
          |------------------+-----------------------------------------|
          |      S33=0       | CD forced high.                         |
          |------------------+-----------------------------------------|
          |      S33=1       | CD normal.                              |
          |------------------+-----------------------------------------|
          |      S33=2       | CD forced low on disconnect.            |
          |------------------+-----------------------------------------|
          |      S33=3       | CD forced low when not connected.       |
          +------------------------------------------------------------+
       
          +------------------------------------------------------------+
          |                        CLOCK SOURCE                        |
          |------------------------------------------------------------|
          | Type:        | Register                                    |
          |--------------+---------------------------------------------|
          | Format:      | AT [cmds] S76=n [cmds]                      |
          |--------------+---------------------------------------------|
          | Description: | Selects where the TA derives the transmit   |
          |              | clock.                                      |
          |------------------------------------------------------------|
          |      Command       |               Function                |
          |--------------------+---------------------------------------|
          |       S76=0        | TA uses internal clock source.        |
          |--------------------+---------------------------------------|
          |       S76=1        | DTE generates clock source.           |
          +------------------------------------------------------------+
       
          +------------------------------------------------------------+
          |                    CLOCK SOURCE - ISDN                     |
          |------------------------------------------------------------|
          | Type:        | Register                                    |
          |--------------+---------------------------------------------|
          | Format:      | AT [cmds] S51=n [cmds]                      |
          |--------------+---------------------------------------------|
          | Description: | Selects where the TA derives the ISDN U     |
          |              | clock.                                      |
          |------------------------------------------------------------|
          |      Command      |                Function                |
          |-------------------+----------------------------------------|
          |       S51=0       | TA uses network as clock source.       |
          |-------------------+----------------------------------------|
          |       S51=1       | TA generates clock source.             |
          +------------------------------------------------------------+
       
          +------------------------------------------------------------+
          |                        COMMAND SETS                        |
          |------------------------------------------------------------|
          | Type:        | Immediate                                   |
          |--------------+---------------------------------------------|
          | Format:      | AT [cmds] S55=n [cmds]                      |
          |--------------+---------------------------------------------|
          | Description: | Selects the command set that will be used.  |
          |------------------------------------------------------------|
          |        Command        |              Function              |
          |-----------------------+------------------------------------|
          |         S55=0         | Command sets disabled.             |
          |-----------------------+------------------------------------|
          |         S55=1         | Dial port only enabled.            |
          |-----------------------+------------------------------------|
          |         S55=2         | AT command set enabled.            |
          |-----------------------+------------------------------------|
          |         S55=3         | V.25bis command set enabled.       |
          +------------------------------------------------------------+
       
          +------------------------------------------------------------+
          |                         CTS SIGNAL                         |
          |------------------------------------------------------------|
          | Type:        | Register                                    |
          |--------------+---------------------------------------------|
          | Format:      | AT [cmds] S30=n [cmds]                      |
          |--------------+---------------------------------------------|
          | Description: | Controls the behaviour of the CTS signal.   |
          |------------------------------------------------------------|
          |          Command           |           Function            |
          |----------------------------+-------------------------------|
          |           S30=0            | CTS follows RTS.              |
          |----------------------------+-------------------------------|
          |           S30=1            | CTS forced high.              |
          +------------------------------------------------------------+
       
          +------------------------------------------------------------+
          |                        DATA LENGTH                         |
          |------------------------------------------------------------|
          | Type:        | Configuration                               |
          |--------------+---------------------------------------------|
          | Format:      | AT [cmds] S72=n [cmds]                      |
          |--------------+---------------------------------------------|
          | Description: | Selects the length of the data word.        |
          |------------------------------------------------------------|
          |        Command         |             Function              |
          |------------------------+-----------------------------------|
          |         S72=0          | 8 bit word length.                |
          |------------------------+-----------------------------------|
          |         S72=1          | 7 bit word length.                |
          +------------------------------------------------------------+
       
          +------------------------------------------------------------+
          |                        DATA PARITY                         |
          |------------------------------------------------------------|
          | Type:        | Configuration                               |
          |--------------+---------------------------------------------|
          | Format:      | AT [cmds] S73=n [cmds]                      |
          |--------------+---------------------------------------------|
          | Description: | Selects the format of the parity bit.       |
          |------------------------------------------------------------|
          |          Command           |           Function            |
          |----------------------------+-------------------------------|
          |           S73=0            | No parity.                    |
          |----------------------------+-------------------------------|
          |           S73=1            | Odd parity.                   |
          |----------------------------+-------------------------------|
          |           S73=2            | Even parity.                  |
          +------------------------------------------------------------+
       
          +------------------------------------------------------------+
          |                         DATA STOP                          |
          |------------------------------------------------------------|
          | Type:        | Configuration                               |
          |--------------+---------------------------------------------|
          | Format:      | AT [cmds] S74=n [cmds]                      |
          |--------------+---------------------------------------------|
          | Description: | Selects the number of stop bits.            |
          |------------------------------------------------------------|
          |      Command      |                Function                |
          |-------------------+----------------------------------------|
          |       S74=0       | One stop bit.                          |
          |-------------------+----------------------------------------|
          |       S74=1       | One and a half stop bits.              |
          |-------------------+----------------------------------------|
          |       S74=2       | Two stop bits.                         |
          +------------------------------------------------------------+
       
          +------------------------------------------------------------+
          |                   DIAL PORT DELAY TIMER                    |
          |------------------------------------------------------------|
          | Type:        | Register                                    |
          |--------------+---------------------------------------------|
          | Format:      | AT [cmds] S47=n [cmds]                      |
          |--------------+---------------------------------------------|
          | Description: | Sets the amount of time the dial port will  |
          |              | wait before assuming the user is finished   |
          |              | entering the number to dial.                |
          |------------------------------------------------------------|
          |        Command        |              Function              |
          |-----------------------+------------------------------------|
          |         S47=0         | Wait for EON signal only.          |
          |-----------------------+------------------------------------|
          |        S47=10         | Wait 1 second.                     |
          |-----------------------+------------------------------------|
          |        S47=20         | Wait 2 second.                     |
          |-----------------------+------------------------------------|
          |        S47=50         | Wait 5 second.                     |
          |-----------------------+------------------------------------|
          |        S47=100        | Wait 10 second.                    |
          |-----------------------+------------------------------------|
          |        S47=200        | Wait 20 second.                    |
          +------------------------------------------------------------+
       
          +------------------------------------------------------------+
          |                         DSR SIGNAL                         |
          |------------------------------------------------------------|
          | Type:        | Configuration                               |
          |--------------+---------------------------------------------|
          | Format:      | AT [cmds] &Sn [cmds]                        |
          |--------------+---------------------------------------------|
          | Description: | Controls the behaviour of the DSR signal.   |
          |------------------------------------------------------------|
          |     Command      |                Function                 |
          |------------------+-----------------------------------------|
          |       &S0        | DSR forced high.                        |
          |------------------+-----------------------------------------|
          |       &S1        | DSR normal.                             |
          |------------------+-----------------------------------------|
          |       &S2        | DSR forced low when there is no         |
          |                  | connection.                             |
          |------------------+-----------------------------------------|
          |       &S3        | DSR forced low in Dialup mode.          |
          +------------------------------------------------------------+
       
          +------------------------------------------------------------+
          |                         DSR SIGNAL                         |
          |------------------------------------------------------------|
          | Type:        | Register                                    |
          |--------------+---------------------------------------------|
          | Format:      | AT [cmds] S32=n [cmds]                      |
          |--------------+---------------------------------------------|
          | Description: | Controls the behaviour of the DSR signal.   |
          |------------------------------------------------------------|
          |     Command      |                Function                 |
          |------------------+-----------------------------------------|
          |      S32=0       | DSR forced high.                        |
          |------------------+-----------------------------------------|
          |      S32=1       | DSR normal.                             |
          |------------------+-----------------------------------------|
          |      S32=2       | DSR forced low when there is no         |
          |                  | connection.                             |
          +------------------------------------------------------------+
       
          +------------------------------------------------------------+
          |                         DTR SIGNAL                         |
          |------------------------------------------------------------|
          | Type:        | Register                                    |
          |--------------+---------------------------------------------|
          | Format:      | AT [cmds] S34=n [cmds]                      |
          |--------------+---------------------------------------------|
          | Description: | Controls the behaviour of the DTR signal.   |
          |------------------------------------------------------------|
          |    Command    |                  Function                  |
          |---------------+--------------------------------------------|
          |     S34=0     | DTR forced high.                           |
          |---------------+--------------------------------------------|
          |     S34=1     | TA enters command mode when DTR goes low.  |
          |---------------+--------------------------------------------|
          |     S34=2     | TA hangs up and returns to command mode    |
          |               | when DTR goes low.                         |
          |---------------+--------------------------------------------|
          |     S34=4     | TA hangs up on an incoming call and        |
          |               | returns to command mode when DTR goes low. |
          |---------------+--------------------------------------------|
          |     S34=8     | TA hangs up on an outgoing call and        |
          |               | returns to command mode when DTR goes low. |
          +------------------------------------------------------------+
       
          +------------------------------------------------------------+
          |                         ECHO TONE                          |
          |------------------------------------------------------------|
          | Type:        | Register                                    |
          |--------------+---------------------------------------------|
          | Format:      | AT [cmds] S56=n [cmds]                      |
          |--------------+---------------------------------------------|
          | Description: | Selects whether an echo tone will be used.  |
          |------------------------------------------------------------|
          |      Command      |                Function                |
          |-------------------+----------------------------------------|
          |       S56=0       | Echo tone disabled.                    |
          |-------------------+----------------------------------------|
          |       S56=1       | Echo tone enabled on answer only.      |
          |-------------------+----------------------------------------|
          |       S56=2       | Echo tone enabled on originate only.   |
          |-------------------+----------------------------------------|
          |       S56=3       | Echo tone enabled.                     |
          +------------------------------------------------------------+
       
          +------------------------------------------------------------+
          |                     FLOW CONTROL TYPE                      |
          |------------------------------------------------------------|
          | Type:        | Configuration                               |
          |--------------+---------------------------------------------|
          | Format:      | AT [cmds] \Qn [cmds]                        |
          |--------------+---------------------------------------------|
          | Description: | Selects the type of flow control that will  |
          |              | be used.                                    |
          |------------------------------------------------------------|
          |     Command      |                Function                 |
          |------------------+-----------------------------------------|
          |       \Q0        | Flow control disabled.                  |
          |------------------+-----------------------------------------|
          |       \Q1        | Bidirectional XON/XOFF flow control     |
          |                  | enabled.                                |
          |------------------+-----------------------------------------|
          |       \Q2        | CTS flow control enabled.               |
          |------------------+-----------------------------------------|
          |       \Q3        | RTS/CTS flow control enabled.           |
          +------------------------------------------------------------+
       
          +------------------------------------------------------------+
          |                     FLOW CONTROL TYPE                      |
          |------------------------------------------------------------|
          | Type:        | Register                                    |
          |--------------+---------------------------------------------|
          | Format:      | AT [cmds] S75=n [cmds]                      |
          |--------------+---------------------------------------------|
          | Description: | Selects the type of flow control that will  |
          |              | be used.                                    |
          |------------------------------------------------------------|
          |    Command     |                 Function                  |
          |----------------+-------------------------------------------|
          |     S75=0      | Flow control disabled.                    |
          |----------------+-------------------------------------------|
          |     S75=1      | XON/XOFF flow control from DTE enabled.   |
          |----------------+-------------------------------------------|
          |     S75=2      | XON/XOFF flow control from TA enabled.    |
          |----------------+-------------------------------------------|
          |     S75=3      | RTS/CTS flow control enabled.             |
          |----------------+-------------------------------------------|
          |     S75=12     | Bidirectional XON/XOFF flow control       |
          |                | enabled.                                  |
          +------------------------------------------------------------+
       
          +------------------------------------------------------------+
          |                       INCOMING CALLS                       |
          |------------------------------------------------------------|
          | Type:        | Register                                    |
          |--------------+---------------------------------------------|
          | Format:      | AT [cmds] S58=n [cmds]                      |
          |--------------+---------------------------------------------|
          | Description: | Selects which calls the TA will answer.     |
          |------------------------------------------------------------|
          |    Command     |                 Function                  |
          |----------------+-------------------------------------------|
          |     S58=0      | All calls will be answered.               |
          |----------------+-------------------------------------------|
          |     S58=1      | Only calls from stored numbers will be    |
          |                | answered.                                 |
          +------------------------------------------------------------+
       
          +------------------------------------------------------------+
          |                            LDN                             |
          |------------------------------------------------------------|
          | Type:        | Configuration                               |
          |--------------+---------------------------------------------|
          | Format:      | AT [cmds] _Nn [cmds]                        |
          |--------------+---------------------------------------------|
          | Description: | Selects which LDN will be used.             |
          |------------------------------------------------------------|
          |         Command         |             Function             |
          |-------------------------+----------------------------------|
          |           _N0           | Select LDN 1.                    |
          |-------------------------+----------------------------------|
          |           _N1           | Select LDN 2.                    |
          +------------------------------------------------------------+
       
          +------------------------------------------------------------+
          |                         LDN 1 SET                          |
          |------------------------------------------------------------|
          | Type:        | Configuration                               |
          |--------------+---------------------------------------------|
          | Format:      | AT [cmds] SS62=<#> [cmds]                   |
          |--------------+---------------------------------------------|
          | Description: | Sets the first LDN.                         |
          +------------------------------------------------------------+
       
          +------------------------------------------------------------+
          |                         LDN 2 SET                          |
          |------------------------------------------------------------|
          | Type:        | Configuration                               |
          |--------------+---------------------------------------------|
          | Format:      | AT [cmds] SS63=<#> [cmds]                   |
          |--------------+---------------------------------------------|
          | Description: | Sets the second LDN.                        |
          +------------------------------------------------------------+
       
          +------------------------------------------------------------+
          |                         LINE TYPE                          |
          |------------------------------------------------------------|
          | Type:        | Configuration                               |
          |--------------+---------------------------------------------|
          | Format:      | AT [cmds] &Ln [cmds]                        |
          |--------------+---------------------------------------------|
          | Description: | Selects the type of line the TA is          |
          |              | connected to.                               |
          |------------------------------------------------------------|
          |        Command        |              Function              |
          |-----------------------+------------------------------------|
          |          &L0          | Standard dial-out ISDN.            |
          |-----------------------+------------------------------------|
          |          &L1          | Leased-line ISDN.                  |
          +------------------------------------------------------------+
       
          +------------------------------------------------------------+
          |                         LINE TYPE                          |
          |------------------------------------------------------------|
          | Type:        | Configuration                               |
          |--------------+---------------------------------------------|
          | Format:      | AT [cmds] S50=n [cmds]                      |
          |--------------+---------------------------------------------|
          | Description: | Selects the type of line the TA is          |
          |              | connected to.                               |
          |------------------------------------------------------------|
          |        Command        |              Function              |
          |-----------------------+------------------------------------|
          |         S50=0         | Standard dial-out ISDN.            |
          |-----------------------+------------------------------------|
          |         S50=1         | Leased-line ISDN.                  |
          +------------------------------------------------------------+
       
          +------------------------------------------------------------+
          |                  LOCAL SERIAL PORT SPEED                   |
          |------------------------------------------------------------|
          | Type:        | Configuration                               |
          |--------------+---------------------------------------------|
          | Format:      | AT [cmds] S71=n [cmds]                      |
          |--------------+---------------------------------------------|
          | Description: | Selects the speed of the serial port.       |
          |------------------------------------------------------------|
          |       Command        |              Function               |
          |----------------------+-------------------------------------|
          |        S71=1         | Selects 300bps speed.               |
          |----------------------+-------------------------------------|
          |        S71=3         | Selects 1200bps speed.              |
          |----------------------+-------------------------------------|
          |        S71=6         | Selects 2400bps speed.              |
          |----------------------+-------------------------------------|
          |        S71=8         | Selects 4800bps speed.              |
          |----------------------+-------------------------------------|
          |        S71=11        | Selects 9600bps speed.              |
          |----------------------+-------------------------------------|
          |        S71=15        | Selects 19.2Kbps speed.             |
          |----------------------+-------------------------------------|
          |        S71=17        | Selects 38.4Kbps speed.             |
          |----------------------+-------------------------------------|
          |        S71=18        | Selects 48Kbps speed.               |
          |----------------------+-------------------------------------|
          |        S71=19        | Selects 56Kbps speed.               |
          |----------------------+-------------------------------------|
          |        S71=20        | Selects 57.6Kbps speed.             |
          |----------------------+-------------------------------------|
          |        S71=21        | Selects 64Kbps speed.               |
          |----------------------+-------------------------------------|
          |        S71=22        | Selects 112Kbps speed.              |
          |----------------------+-------------------------------------|
          |        S71=23        | Selects 115.2Kbps speed.            |
          |----------------------+-------------------------------------|
          |        S71=24        | Selects 128.8Kbps speed.            |
          +------------------------------------------------------------+
       
          +------------------------------------------------------------+
          |                       LOOPBACK TEST                        |
          |------------------------------------------------------------|
          | Type:        | Register                                    |
          |--------------+---------------------------------------------|
          | Format:      | AT [cmds] S57=n [cmds]                      |
          |--------------+---------------------------------------------|
          | Description: | Selects what types of loopback test         |
          |              | requests the TA will accept.                |
          |------------------------------------------------------------|
          |    Command    |                  Function                  |
          |---------------+--------------------------------------------|
          |     S57=0     | Loopback testing disabled.                 |
          |---------------+--------------------------------------------|
          |     S57=1     | TA will perform DDS latching loopback      |
          |               | test.                                      |
          |---------------+--------------------------------------------|
          |     S57=2     | TA will perform V.54 loopback test.        |
          |---------------+--------------------------------------------|
          |     S57=3     | TA will perform V.54 and DDS latching      |
          |               | loopback tests.                            |
          +------------------------------------------------------------+
       
          +------------------------------------------------------------+
          |                          PROTOCOL                          |
          |------------------------------------------------------------|
          | Type:        | Register                                    |
          |--------------+---------------------------------------------|
          | Format:      | AT [cmds] S54=n [cmds]                      |
          |--------------+---------------------------------------------|
          | Description: | Selects what type of protocol the TA will   |
          |              | use.                                        |
          |------------------------------------------------------------|
          |    Command     |                 Function                  |
          |----------------+-------------------------------------------|
          |     S54=1      | TA will use clear channel.                |
          |----------------+-------------------------------------------|
          |     S54=2      | TA will use Bonding Mode 1.               |
          |----------------+-------------------------------------------|
          |     S54=3      | TA will use SAP.                          |
          |----------------+-------------------------------------------|
          |     S54=4      | TA will use T-Link.                       |
          |----------------+-------------------------------------------|
          |     S54=6      | TA will use V.120.                        |
          |----------------+-------------------------------------------|
          |     S54=9      | TA will use 57.6Kbps asynchronous.        |
          |----------------+-------------------------------------------|
          |     S54=11     | TA will fall back to common protocol.     |
          +------------------------------------------------------------+
       
          +------------------------------------------------------------+
          |                 RESET TO FACTORY DEFAULTS                  |
          |------------------------------------------------------------|
          | Type:        | Immediate                                   |
          |--------------+---------------------------------------------|
          | Format:      | AT [cmds] &Fn [cmds]                        |
          |--------------+---------------------------------------------|
          | Description: | Resets the TA’s configuration to one of the |
          |              | factory default setups.                     |
          |------------------------------------------------------------|
          |    Command    |                  Function                  |
          |---------------+--------------------------------------------|
          |      &F0      | Resets to default configuration.           |
          |---------------+--------------------------------------------|
          |      &F1      | Resets to 56Kbps synchronous setup.        |
          |---------------+--------------------------------------------|
          |      &F2      | Resets to 64Kbps synchronous setup.        |
          |---------------+--------------------------------------------|
          |      &F3      | Resets to 112Kbps synchronous setup.       |
          |---------------+--------------------------------------------|
          |      &F4      | Resets to 128Kbps synchronous setup.       |
          |---------------+--------------------------------------------|
          |      &F5      | Resets to 64Kbps leased-line setup.        |
          |---------------+--------------------------------------------|
          |      &F6      | Resets to 64Kbps LDM Master setup.         |
          |---------------+--------------------------------------------|
          |      &F7      | Resets to 57.6Kbps asynchronous setup.     |
          |---------------+--------------------------------------------|
          |      &F8      | Resets to 115.2Kbps asynchronous setup.    |
          |---------------+--------------------------------------------|
          |     &F11      | Resets to 57.6Kbps asynchronous setup with |
          |               | fallback.                                  |
          +------------------------------------------------------------+
       
          +------------------------------------------------------------+
          |                    RESULT CODES - SPEED                    |
          |------------------------------------------------------------|
          | Type:        | Register                                    |
          |--------------+---------------------------------------------|
          | Format:      | AT [cmds] S22=n [cmds]                      |
          |--------------+---------------------------------------------|
          | Description: | Selects whether CONNECT messages will       |
          |              | display connect speed.                      |
          |------------------------------------------------------------|
          |      Command      |                Function                |
          |-------------------+----------------------------------------|
          |       S22=0       | Speed will not be displayed.           |
          |-------------------+----------------------------------------|
          |      S22=224      | Speed will be displayed.               |
          +------------------------------------------------------------+
       
          +------------------------------------------------------------+
          |                      RTS TO CTS DELAY                      |
          |------------------------------------------------------------|
          | Type:        | Configuration                               |
          |--------------+---------------------------------------------|
          | Format:      | AT [cmds] _Dn [cmds]                        |
          |--------------+---------------------------------------------|
          | Description: | Selects the delay when CTS follows RTS.     |
          |------------------------------------------------------------|
          |         Command          |            Function             |
          |--------------------------+---------------------------------|
          |           _D0            | Set delay to 1ms.               |
          |--------------------------+---------------------------------|
          |           _D1            | Set delay to 18ms.              |
          +------------------------------------------------------------+
       
          +------------------------------------------------------------+
          |                      RTS TO CTS DELAY                      |
          |------------------------------------------------------------|
          | Type:        | Register                                    |
          |--------------+---------------------------------------------|
          | Format:      | AT [cmds] S31=n [cmds]                      |
          |--------------+---------------------------------------------|
          | Description: | Selects the delay when CTS follows RTS.     |
          |------------------------------------------------------------|
          |         Command          |            Function             |
          |--------------------------+---------------------------------|
          |          S31=0           | Set delay to 1ms.               |
          |--------------------------+---------------------------------|
          |          S31=1           | Set delay to 18ms.              |
          +------------------------------------------------------------+
       
          +------------------------------------------------------------+
          |                            SPID                            |
          |------------------------------------------------------------|
          | Type:        | Configuration                               |
          |--------------+---------------------------------------------|
          | Format:      | AT [cmds] _In [cmds]                        |
          |--------------+---------------------------------------------|
          | Description: | Selects which SPID will be used.            |
          |------------------------------------------------------------|
          |        Command         |             Function              |
          |------------------------+-----------------------------------|
          |          _I0           | Select SPID 1.                    |
          |------------------------+-----------------------------------|
          |          _I1           | Select SPID 2.                    |
          +------------------------------------------------------------+
       
          +------------------------------------------------------------+
          |                         SPID 1 SET                         |
          |------------------------------------------------------------|
          | Type:        | Configuration                               |
          |--------------+---------------------------------------------|
          | Format:      | AT [cmds] SS60=<#> [cmds]                   |
          |--------------+---------------------------------------------|
          | Description: | Sets the first SPID.                        |
          +------------------------------------------------------------+
       
          +------------------------------------------------------------+
          |                         SPID 2 SET                         |
          |------------------------------------------------------------|
          | Type:        | Configuration                               |
          |--------------+---------------------------------------------|
          | Format:      | AT [cmds] SS61=<#> [cmds]                   |
          |--------------+---------------------------------------------|
          | Description: | Sets the second SPID.                       |
          +------------------------------------------------------------+
       
          +------------------------------------------------------------+
          |                   STORE NUMBER IN MEMORY                   |
          |------------------------------------------------------------|
          | Type:        | Register                                    |
          |--------------+---------------------------------------------|
          | Format:      | AT [cmds] SS8n=<#> [cmds]                   |
          |--------------+---------------------------------------------|
          | Description: | Stores a number in memory location n.       |
          +------------------------------------------------------------+
       
          +------------------------------------------------------------+
          |                        SWITCH TYPE                         |
          |------------------------------------------------------------|
          | Type:        | Configuration                               |
          |--------------+---------------------------------------------|
          | Format:      | AT [cmds] _Sn [cmds]                        |
          |--------------+---------------------------------------------|
          | Description: | Selects what type of switch the TA is       |
          |              | connected to.                               |
          |------------------------------------------------------------|
          |       Command       |               Function               |
          |---------------------+--------------------------------------|
          |         _S0         | 5ESS switch type.                    |
          |---------------------+--------------------------------------|
          |         _S1         | DMS100 switch type.                  |
          |---------------------+--------------------------------------|
          |         _S2         | National type 1 switch.              |
          |---------------------+--------------------------------------|
          |         _S3         | NEC switch type.                     |
          +------------------------------------------------------------+
       
          +------------------------------------------------------------+
          |                        SWITCH TYPE                         |
          |------------------------------------------------------------|
          | Type:        | Configuration                               |
          |--------------+---------------------------------------------|
          | Format:      | AT [cmds] S52=n [cmds]                      |
          |--------------+---------------------------------------------|
          | Description: | Selects what type of switch the TA is       |
          |              | connected to.                               |
          |------------------------------------------------------------|
          |       Command       |               Function               |
          |---------------------+--------------------------------------|
          |        S52=0        | 5ESS switch type.                    |
          |---------------------+--------------------------------------|
          |        S52=1        | DMS100 switch type.                  |
          |---------------------+--------------------------------------|
          |        S52=2        | National type 1 switch.              |
          |---------------------+--------------------------------------|
          |        S52=3        | NEC switch type.                     |
          +------------------------------------------------------------+
       
          +------------------------------------------------------------+
          |                      SYNC/ASYNC MODE                       |
          |------------------------------------------------------------|
          | Type:        | Immediate                                   |
          |--------------+---------------------------------------------|
          | Format:      | AT [cmds] S70=n [cmds]                      |
          |--------------+---------------------------------------------|
          | Description: | Selects synchronous or asynchronous mode.   |
          |------------------------------------------------------------|
          |       Command        |              Function               |
          |----------------------+-------------------------------------|
          |        S70=0         | Selects asynchronous mode.          |
          |----------------------+-------------------------------------|
          |        S70=1         | Selects synchronous mode.           |
          +------------------------------------------------------------+
       
          +------------------------------------------------------------+
          |                        V.25bis MODE                        |
          |------------------------------------------------------------|
          | Type:        | Register                                    |
          |--------------+---------------------------------------------|
          | Format:      | AT [cmds] S46=n [cmds]                      |
          |--------------+---------------------------------------------|
          | Description: | Selects what format will be used for        |
          |              | V.25bis mode.                               |
          |------------------------------------------------------------|
          |     Command     |                 Function                 |
          |-----------------+------------------------------------------|
          |      S46=0      | Use asynchronous V.25bis.                |
          |-----------------+------------------------------------------|
          |      S46=1      | Use synchronous HDLC V.25bis.            |
          |-----------------+------------------------------------------|
          |      S46=2      | Use synchronous BISYNC V.25bis.          |
          +------------------------------------------------------------+