URI: 
  TEXT View Source
       
       # ACER, INC.
       
       
       
          Card Type              Modem(synchronous/asynchronous), Fax,   
                                 Voice                                   
          Chip Set               Unidentified                            
          Maximum Data Rate      28.8Kbps                                
          Maximum Fax Rate       14.4Kbps                                
          Data Bus               8-bit ISA                               
          Fax Class              Class I & II                            
          Data Modulation        Bell 103A/212A                          
          Protocol                                                       
                                 ITU-T V.22, V.22bis, V.32, V.32bis,     
                                 V.32terbo, V.34                         
          Fax Modulation         ITU-T V.17, V.21CH2, V.27ter, V.29      
          Protocol               
          Error                  MNP2-5, V.42, V.42bis                   
          Correction/Compression 
       
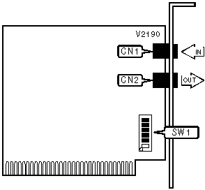
   IMG IMG 1
          
       
          +------------------------------------------------------------+
          |                        CONNECTIONS                         |
          |------------------------------------------------------------|
          |        Function        |  Label   |   Function   |  Label  |
          |------------------------------------------------------------|
          | Line in                     |    CN1     | Line out | CN2  |
          +------------------------------------------------------------+
       
          +------------------------------------------------------------+
          |                      COM PORT ADDRESS                      |
          |------------------------------------------------------------|
          |      Setting       |       SW1/1       |       SW1/2       |
          |--------------------+-------------------+-------------------|
          |    COM1 (3F8h)     |        On         |        On         |
          |--------------------+-------------------+-------------------|
          |    COM2 (2F8h)     |        Off        |        On         |
          |--------------------+-------------------+-------------------|
          |    COM3 (3E8h)     |        On         |        Off        |
          |--------------------+-------------------+-------------------|
          |    COM4 (2E8h)     |        Off        |        Off        |
          +------------------------------------------------------------+
       
          +------------------------------------------------------------+
          |                         INTERRUPT                          |
          |------------------------------------------------------------|
          |    Setting     |  SW1/3   |  SW1/4   |  SW1/5   |  SW1/6   |
          |----------------+----------+----------+----------+----------|
          |      IRQ2      |    On    |   Off    |   Off    |   Off    |
          |----------------+----------+----------+----------+----------|
          |      IRQ3      |   Off    |    On    |   Off    |   Off    |
          |----------------+----------+----------+----------+----------|
          |      IRQ4      |   Off    |   Off    |    On    |   Off    |
          |----------------+----------+----------+----------+----------|
          |      IRQ5      |   Off    |   Off    |   Off    |    On    |
          +------------------------------------------------------------+
       
                            Proprietary AT Command Set
       
                  See document V2110 for a full command summary.