URI: 
  TEXT View Source
       
       # ACER, INC.
       
          FM336PVS
       
          Card Type              Modem/Fax (asynchronous)                
          Chip Set               Unidentified                            
          I/O Options            None                                    
          Maximum Modem Rate     33.6Kbps                                
          Maximum Fax Rate       14.4Kbps                                
          Data Modulation        Bell 103A/212A                          
          Protocol                                                       
                                 ITU-T V.21, V.22, V.23, V.22bis, V.32,  
                                 V.32bis, V.34                           
          Fax Modulation         ITU-T V.17, V.21CH2, V.27ter, V.29      
          Protocol               
          Error                  ITU-T V.42, V.42bis, MNP5               
          Correction/Compression 
          Fax Class              Class I                                 
          Data Bus               8-bit ISA                               
       
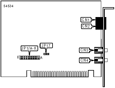
   IMG IMG 1
          
       
          +------------------------------------------------------------+
          |                        CONNECTIONS                         |
          |------------------------------------------------------------|
          |       Function       | Label  |   Function    |   Label    |
          |------------------------------------------------------------|
          | Line out                 |   CN1    | Microphone in | CN3  |
          |--------------------------+----------+---------------+------|
          | Line in                  |   CN2    | Speaker out   | CN4  |
          +------------------------------------------------------------+
       
          +------------------------------------------------------------+
          |                 USER CONFIGURABLE SETTINGS                 |
          |------------------------------------------------------------|
          |               Setting               | Label |   Position   |
          |-------------------------------------+-------+--------------|
          | Factory configured - do not alter   | JP17  | Unidentified |
          +------------------------------------------------------------+
       
          +------------------------------------------------------------+
          |                    SERIAL PORT ADDRESS                     |
          |------------------------------------------------------------|
          |      Setting       |       JP1/A       |       JP1/B       |
          |--------------------+-------------------+-------------------|
          |    COM1 (3F8h)     |        On         |        On         |
          |--------------------+-------------------+-------------------|
          |    COM2 (2F8h)     |        On         |        Off        |
          |--------------------+-------------------+-------------------|
          |    COM3 (3E8h)     |        Off        |        On         |
          |--------------------+-------------------+-------------------|
          |   í COM4 (2E8h)    |        Off        |        Off        |
          +------------------------------------------------------------+
       
                                         
       
                                                                        
       
                                                                        
       
                                                                        
       
                                                                        
       
                                                                        
       
                                                                        
       
                                                                        
       
          +------------------------------------------------------------+
          |                    INTERRUPT SELECTION                     |
          |------------------------------------------------------------|
          |  IRQ  |  JP1/C   |  JP1/D   |  JP1/E   |  JP1/F  |  JP1/G  |
          |-------+----------+----------+----------+---------+---------|
          |  í 3  |  Closed  |   Open   |   Open   |  Open   |  Open   |
          |-------+----------+----------+----------+---------+---------|
          |   4   |   Open   |  Closed  |   Open   |  Open   |  Open   |
          |-------+----------+----------+----------+---------+---------|
          |   5   |   Open   |   Open   |  Closed  |  Open   |  Open   |
          |-------+----------+----------+----------+---------+---------|
          |   7   |   Open   |   Open   |   Open   | Closed  |  Open   |
          |-------+----------+----------+----------+---------+---------|
          |   9   |   Open   |   Open   |   Open   |  Open   | Closed  |
          |-------+----------+----------+----------+---------+---------|
          |  10   |   Open   |   Open   |   Open   |  Open   |  Open   |
          |-------+----------+----------+----------+---------+---------|
          |  11   |   Open   |   Open   |   Open   |  Open   |  Open   |
          |-------+----------+----------+----------+---------+---------|
          |  12   |   Open   |   Open   |   Open   |  Open   |  Open   |
          |-------+----------+----------+----------+---------+---------|
          |  15   |   Open   |   Open   |   Open   |  Open   |  Open   |
          +------------------------------------------------------------+
       
          +------------------------------------------------------------+
          |               INTERRUPT SELECTION CONTINUED                |
          |------------------------------------------------------------|
          |   IRQ   |   JP1/H    |   JP1/I    |   JP1/J    |   JP1/K   |
          |---------+------------+------------+------------+-----------|
          |   í 3   |    Open    |    Open    |    Open    |   Open    |
          |---------+------------+------------+------------+-----------|
          |    4    |    Open    |    Open    |    Open    |   Open    |
          |---------+------------+------------+------------+-----------|
          |    5    |    Open    |    Open    |    Open    |   Open    |
          |---------+------------+------------+------------+-----------|
          |    7    |    Open    |    Open    |    Open    |   Open    |
          |---------+------------+------------+------------+-----------|
          |    9    |    Open    |    Open    |    Open    |   Open    |
          |---------+------------+------------+------------+-----------|
          |   10    |   Closed   |    Open    |    Open    |   Open    |
          |---------+------------+------------+------------+-----------|
          |   11    |    Open    |   Closed   |    Open    |   Open    |
          |---------+------------+------------+------------+-----------|
          |   12    |    Open    |    Open    |   Closed   |   Open    |
          |---------+------------+------------+------------+-----------|
          |   15    |    Open    |    Open    |    Open    |  Closed   |
          +------------------------------------------------------------+
       
          +------------------------------------------------------------+
          |                   SUPPORTED COMMAND SET                    |
          |------------------------------------------------------------|
          |                     Basic AT Commands                      |
          |------------------------------------------------------------|
          | AT, ‘+++’, A/                                              |
          |------------------------------------------------------------|
          | A, B, E, H, M, O, P, Q, S, T, V, X, Y, Z                   |
          |------------------------------------------------------------|
          | &C, &M, &P, &Q, &R, &W, &Y, &Z                             |
          |------------------------------------------------------------|
          |                    Extended AT Commands                    |
          |------------------------------------------------------------|
          | \A, \G, \K, \N, \V,                                        |
          |------------------------------------------------------------|
          | %C, %E, %L, %Q, %7, %8                                     |
          |------------------------------------------------------------|
          |                        S Registers                         |
          |------------------------------------------------------------|
          | S0, S1, S2, S3, S4, S5, S6, S7, S8, S9, S10, S11, S12,     |
          | S16, S18, S21, S24, S25, S29, S30, S31,                    |
          |------------------------------------------------------------|
          | S32, S33, S38, S91, S92, S201                              |
          |------------------------------------------------------------|
          |                      Special Commands                      |
          |------------------------------------------------------------|
          | +MS?, +H, "V, -K, _SEC, #CLS, #MFR, #MDL, #REV, #VBQ, #VCI |
          |------------------------------------------------------------|
          | #VSD, #VRX, #VSK                                           |
          |------------------------------------------------------------|
          | Note: See MHI Help File for full command documentation.    |
          +------------------------------------------------------------+
       
                                                                        
       
                                                                        
       
                                                                        
       
                                                                        
       
                                                                        
       
                                                                        
       
                                                                        
       
                                                                        
       
                                                                        
       
                                                                        
       
                                         
       
                            Proprietary AT Command Set
       
          +------------------------------------------------------------+
          |                    AUTO-MODE DETECTION                     |
          |------------------------------------------------------------|
          | Type:        | Configuration                               |
          |--------------+---------------------------------------------|
          | Format:      | AT [cmds] Nn [cmds]                         |
          |--------------+---------------------------------------------|
          | Description: | Selects various options for the automatic   |
          |              | detection and negotiation of protocols      |
          |              | during the handshake process if the modem   |
          |              | is communicating with a remote modem of     |
          |              | dissimilar speed.                           |
          |--------------+---------------------------------------------|
          |   Command    |                  Function                   |
          |--------------+---------------------------------------------|
          |      N0      | Auto-mode detection disabled                |
          |--------------+---------------------------------------------|
          |      N1      | Auto-mode detection enabled                 |
          +------------------------------------------------------------+
       
          +------------------------------------------------------------+
          |                   CONFIGURATION PROFILES                   |
          |------------------------------------------------------------|
          | Type:        | Immediate                                   |
          |--------------+---------------------------------------------|
          | Format:      | AT [cmds] &V [cmds]                         |
          |--------------+---------------------------------------------|
          | Description: | Displays active and stored configuration    |
          |              | profiles                                    |
          |--------------+---------------------------------------------|
          |   Command    |                  Function                   |
          |--------------+---------------------------------------------|
          |     &V1      | Display last connection status              |
          +------------------------------------------------------------+
       
          +------------------------------------------------------------+
          |                    DATA SET READY (DSR)                    |
          |------------------------------------------------------------|
          | Type:        | Configuration                               |
          |--------------+---------------------------------------------|
          | Format:      | AT [cmds] &Sn [cmds]                        |
          |--------------+---------------------------------------------|
          | Description: | Selects DSR options                         |
          |--------------+---------------------------------------------|
          |   Command    |                  Function                   |
          |--------------+---------------------------------------------|
          |     &S0      | DSR forced high                             |
          |--------------+---------------------------------------------|
          |     &S1      | DSR high only while modem is connected      |
          +------------------------------------------------------------+
       
          +------------------------------------------------------------+
          |                 DATA TERMINAL READY (DTR)                  |
          |------------------------------------------------------------|
          | Type:         | Configuration                              |
          |---------------+--------------------------------------------|
          | Format:       | AT [cmds] &Dn [cmds]                       |
          |---------------+--------------------------------------------|
          | Description:  | Selects modem response to DTR              |
          |------------------------------------------------------------|
          |      Note:  The action each variant of &D causes depends   |
          |      on the setting of &Q                                  |
          |------------------------------------------------------------|
          |    &Q Setting    |     &D0     |     &D1     |     &D2     |
          |------------------+-------------+-------------+-------------|
          |  &Q0, &Q5, &Q6   |    NONE     |  Command 3  |  Command 3  |
          |------------------+-------------+-------------+-------------|
          |     &Q1, &Q4     |  Command 1  |  Command 3  |  Command 3  |
          |------------------+-------------+-------------+-------------|
          |     &Q2, &Q3     |  Command 2  |  Command 2  |  Command 2  |
          |------------------------------------------------------------|
          |    Command    |                  Function                  |
          |---------------+--------------------------------------------|
          |   Command 0   | Modem does not respond to DTR              |
          |---------------+--------------------------------------------|
          |   Command 1   | Modem goes to command mode after DTR goes  |
          |               | is off                                     |
          |---------------+--------------------------------------------|
          |   Command 2   | Modem goes to command mode and disconnects |
          |               | (hangs up) after DTR goes off; Auto-Answer |
          |               | is disabled.                               |
          |---------------+--------------------------------------------|
          |   Command 3   | Modem is initialized after DTR goes off    |
          +------------------------------------------------------------+
       
                                                                        
       
                                                                        
       
                                                                        
       
                                                                        
       
                                                                        
       
          +------------------------------------------------------------+
          |                            DIAL                            |
          |------------------------------------------------------------|
          | Type:        | Immediate                                   |
          |--------------+---------------------------------------------|
          | Format:      | AT [cmds] D<#> [cmds]                       |
          |--------------+---------------------------------------------|
          | Description: | Dials telephone number according to any     |
          |              | modifiers included in the string            |
          |--------------+---------------------------------------------|
          | Note:        | Any combination of modifiers can be used to |
          |              | produce the desired dial functions in       |
          |              | sequence.                                   |
          |--------------+---------------------------------------------|
          |   Command    |                  Function                   |
          |--------------+---------------------------------------------|
          |      DP      | Pulse dialing enabled                       |
          |--------------+---------------------------------------------|
          |     DS=n     | Dial stored telephone number n              |
          |--------------+---------------------------------------------|
          |      DT      | Tone dialing enabled/Pulse dialing disabled |
          |--------------+---------------------------------------------|
          |      DW      | Dialing resumed following dial tone         |
          |              | detection                                   |
          |--------------+---------------------------------------------|
          |      D,      | Dialing paused for amount of time specified |
          |              | in S8 register                              |
          |--------------+---------------------------------------------|
          |      D*      | Dials the star digit on tone dialing mode   |
          |--------------+---------------------------------------------|
          |      D#      | Dials the gate digit on tone dialing mode   |
          |--------------+---------------------------------------------|
          |      D!      | Flash function initiated. Modem commanded   |
          |              | to go off-hook for specified time before    |
          |              | returning on-hook.                          |
          |--------------+---------------------------------------------|
          |      D;      | Modem returned to idle state after dialing. |
          |              | The semicolon can only be placed at the end |
          |              | of the dial command.                        |
          +------------------------------------------------------------+
       
          +------------------------------------------------------------+
          |                  FACTORY DEFAULT PROFILE                   |
          |------------------------------------------------------------|
          | Type:        | Configuration                               |
          |--------------+---------------------------------------------|
          | Format:      | AT [cmds] &F [cmds]                         |
          |--------------+---------------------------------------------|
          | Description: | Sets values in active profile to values     |
          |              | found in the default profile                |
          |--------------+---------------------------------------------|
          |   Command    |                  Function                   |
          |--------------+---------------------------------------------|
          |     &F0      | Restore factory configuration 0             |
          |--------------+---------------------------------------------|
          |     &F1      | Restore factory configuration 1             |
          +------------------------------------------------------------+
       
          +------------------------------------------------------------+
          |                        FLOW CONTROL                        |
          |------------------------------------------------------------|
          | Type:        | Configuration                               |
          |--------------+---------------------------------------------|
          | Format:      | AT [cmds] &Kn [cmds]                        |
          |--------------+---------------------------------------------|
          | Description: | Enables flow control options                |
          |--------------+---------------------------------------------|
          |   Command    |                  Function                   |
          |--------------+---------------------------------------------|
          |     &K0      | Flow control disabled                       |
          |--------------+---------------------------------------------|
          |     &K3      | RTS to CTS flow control enabled             |
          |--------------+---------------------------------------------|
          |     &K4      | XON/XOFF flow control enabled               |
          |--------------+---------------------------------------------|
          |     &K5      | Transparent XON/XOFF flow control enabled   |
          |--------------+---------------------------------------------|
          |     &K6      | RTS/CTS & XON/XOFF flow control enabled     |
          +------------------------------------------------------------+
       
          +------------------------------------------------------------+
          |                         GUARD TONE                         |
          |------------------------------------------------------------|
          | Type:        | Configuration                               |
          |--------------+---------------------------------------------|
          | Format:      | AT [cmds] &Gn [cmds]                        |
          |--------------+---------------------------------------------|
          | Description: | Commands the modem to transmit a guard tone |
          |              | in V.22/V.22bis                             |
          |------------------------------------------------------------|
          |      Note:  Used primarily for international data          |
          |      transmission                                          |
          |------------------------------------------------------------|
          |   Command    |                  Function                   |
          |--------------+---------------------------------------------|
          |     &G0      | Guard tone disabled                         |
          |--------------+---------------------------------------------|
          |     &G1      | Guard tone disabled                         |
          |--------------+---------------------------------------------|
          |     &G2      | 1800Hz guard tone enabled                   |
          +------------------------------------------------------------+
       
                                                                        
       
                                                                        
       
          +------------------------------------------------------------+
          |                      MNP10 - FALLBACK                      |
          |------------------------------------------------------------|
          | Type:   | Configuration                                    |
          |---------+--------------------------------------------------|
          | Format: | AT [cmds] -Qn [cmds]                             |
          |---------+--------------------------------------------------|
          | Note:   | This command is included only for compatibility  |
          |         | and performs no function.                        |
          +------------------------------------------------------------+
       
          +------------------------------------------------------------+
          |                  MNP10 - LINK NEGOTIATION                  |
          |------------------------------------------------------------|
          | Type:   | Configuration                                    |
          |---------+--------------------------------------------------|
          | Format: | AT [cmds] *Hn [cmds]                             |
          |---------+--------------------------------------------------|
          | Note:   | Included only for compatibility and performs no  |
          |         | function                                         |
          +------------------------------------------------------------+
       
          +------------------------------------------------------------+
          |                 MNP10 - POWER LEVEL ADJUST                 |
          |------------------------------------------------------------|
          | Type:   | Configuration                                    |
          |---------+--------------------------------------------------|
          | Format: | AT [cmds] )Mn [cmds]                             |
          |---------+--------------------------------------------------|
          | Note:   | This command is included only for compatibility  |
          |         | and performs no function.                        |
          +------------------------------------------------------------+
       
          +------------------------------------------------------------+
          |                PLUG AND PLAY SERIAL NUMBER                 |
          |------------------------------------------------------------|
          | Type:        | Configuration                               |
          |--------------+---------------------------------------------|
          | Format:      | AT [cmds] %7 [cmds]                         |
          |--------------+---------------------------------------------|
          | Description: | Sets and stores plug and play serial        |
          |              | number.                                     |
          +------------------------------------------------------------+
       
          +------------------------------------------------------------+
          |         PLUG AND PLAY VENDOR ID AND PRODUCT NUMBER         |
          |------------------------------------------------------------|
          | Type:        | Configuration                               |
          |--------------+---------------------------------------------|
          | Format:      | AT [cmds] %8 [cmds]                         |
          |--------------+---------------------------------------------|
          | Description: | Sets and stores plug and play vendor ID and |
          |              | product number.                             |
          +------------------------------------------------------------+
       
          +------------------------------------------------------------+
          |                     REPORT INFORMATION                     |
          |------------------------------------------------------------|
          | Type:        | Immediate                                   |
          |--------------+---------------------------------------------|
          | Format:      | AT [cmds] In [cmds]                         |
          |--------------+---------------------------------------------|
          | Description: | Displays information requested              |
          |--------------+---------------------------------------------|
          |   Command    |                  Function                   |
          |--------------+---------------------------------------------|
          |      I0      | Reports product code                        |
          |--------------+---------------------------------------------|
          |      I1      | Reports ROM checksum (normally "255")       |
          |--------------+---------------------------------------------|
          |      I2      | Reports "OK"                                |
          |--------------+---------------------------------------------|
          |      I3      | Reports firmware revision (VX.XXX)          |
          |--------------+---------------------------------------------|
          |      I4      | Reports OEM defined identifier string       |
          |--------------+---------------------------------------------|
          |      I5      | Reports country code parameter              |
          |--------------+---------------------------------------------|
          |      I6      | Reports modem data pump model and internal  |
          |              | code revision                               |
          |--------------+---------------------------------------------|
          |      I7      | Reports "255"                               |
          +------------------------------------------------------------+
       
          +------------------------------------------------------------+
          |                       SPEAKER VOLUME                       |
          |------------------------------------------------------------|
          | Type:        | Configuration                               |
          |--------------+---------------------------------------------|
          | Format:      | AT [cmds] Ln [cmds]                         |
          |--------------+---------------------------------------------|
          | Description: | Controls speaker volume                     |
          |--------------+---------------------------------------------|
          |   Command    |                  Function                   |
          |--------------+---------------------------------------------|
          |      L0      | Low volume setting                          |
          |--------------+---------------------------------------------|
          |      L1      | Low volume setting                          |
          |--------------+---------------------------------------------|
          |      L2      | Medium volume setting                       |
          |--------------+---------------------------------------------|
          |      L3      | Highest volume setting                      |
          +------------------------------------------------------------+
       
          +------------------------------------------------------------+
          |                         TEST MODES                         |
          |------------------------------------------------------------|
          | Type:        | Immediate                                   |
          |--------------+---------------------------------------------|
          | Format:      | AT [cmds] &Tn                               |
          |--------------+---------------------------------------------|
          | Description: | Selects test options                        |
          |--------------+---------------------------------------------|
          |   Command    |                  Function                   |
          |--------------+---------------------------------------------|
          |     &T0      | End current test                            |
          |--------------+---------------------------------------------|
          |     &T1      | Begin local analog loopback test            |
          |--------------+---------------------------------------------|
          |     &T2      | Returns ERROR                               |
          |--------------+---------------------------------------------|
          |     &T3      | Begin local digital loopback                |
          |--------------+---------------------------------------------|
          |     &T4      | Grant remote digital loopback request       |
          |--------------+---------------------------------------------|
          |     &T5      | Deny remote digital loopback request        |
          |--------------+---------------------------------------------|
          |     &T6      | Request remote digital loopback             |
          |--------------+---------------------------------------------|
          |     &T7      | Request remote digital loopback and         |
          |              | self-test                                   |
          |--------------+---------------------------------------------|
          |     &T8      | Begin local analog loopback and self-test   |
          +------------------------------------------------------------+
       
          +------------------------------------------------------------+
          |                   TONE GENERATOR LENGTH                    |
          |------------------------------------------------------------|
          | Format       | AT [cmds] #VBT=n [cmds]                     |
          |--------------+---------------------------------------------|
          | Default:     | 10                                          |
          |--------------+---------------------------------------------|
          | Range:       | 0 - 40                                      |
          |--------------+---------------------------------------------|
          | Unit:        | 0.1 second                                  |
          |--------------+---------------------------------------------|
          | Description: | Sets the length of DTMF tones that are      |
          |              | generated.                                  |
          |--------------+---------------------------------------------|
          |   Command    |                  Function                   |
          |--------------+---------------------------------------------|
          |    #VBT0     | Disables the tone generation capability     |
          |--------------+---------------------------------------------|
          |    #VBT1     | Sets tone duration time to .1 second        |
          +------------------------------------------------------------+
       
          +------------------------------------------------------------+
          |               TRANSMISSION LEVEL - CELLULAR                |
          |------------------------------------------------------------|
          | Type:   | Configuration                                    |
          |---------+--------------------------------------------------|
          | Format: | AT [cmds] @Mn [cmds]                             |
          |---------+--------------------------------------------------|
          | Range:  | 11-31                                            |
          |---------+--------------------------------------------------|
          | Unit:   | -1dBm                                            |
          |---------+--------------------------------------------------|
          | Note:   | This command is included only for compatibility  |
          |         | and performs no function.                        |
          +------------------------------------------------------------+
       
          +------------------------------------------------------------+
          |                V.32 - COMPROMISE EQUALIZER                 |
          |------------------------------------------------------------|
          | Type:   | Configuration                                    |
          |---------+--------------------------------------------------|
          | Format: | AT [cmds] :En [cmds]                             |
          |---------+--------------------------------------------------|
          | Note:   | This command is included only for compatibility  |
          |         | and performs no function.                        |
          +------------------------------------------------------------+
       
          +------------------------------------------------------------+
          |                  V.32 OR V.34 MODULATION                   |
          |------------------------------------------------------------|
          | Type:        | Configuration                               |
          |--------------+---------------------------------------------|
          | Format:      | AT [cmds] "Vn [cmds]                        |
          |--------------+---------------------------------------------|
          | Description: | Controls modulation for V.32 or V.34        |
          |--------------+---------------------------------------------|
          |   Command    |                  Function                   |
          |--------------+---------------------------------------------|
          |    "V.32"    | V.32 or V.32bis modulation                  |
          |--------------+---------------------------------------------|
          |   "V.34"*    | V.34 modulation                             |
          +------------------------------------------------------------+
       
          +------------------------------------------------------------+
          |              VOICE - DISPLAY COMPRESSION TYPE              |
          |------------------------------------------------------------|
          | Type:        | Immediate                                   |
          |--------------+---------------------------------------------|
          | Format:      | AT [cmds] #VCI? [cmds]                      |
          |--------------+---------------------------------------------|
          | Description: | Displays the type of compression currently  |
          |              | in use.                                     |
          +------------------------------------------------------------+
       
          +------------------------------------------------------------+
          |              VOICE - LOCAL SERIAL PORT SPEED               |
          |------------------------------------------------------------|
          | Type:        | Configuration                               |
          |--------------+---------------------------------------------|
          | Format:      | AT [cmds] #BDR=n [cmds]                     |
          |--------------+---------------------------------------------|
          | Description: | Sets the speed of the local serial port     |
          |              | when in voice mode.                         |
          |--------------+---------------------------------------------|
          |   Command    |                  Function                   |
          |--------------+---------------------------------------------|
          |    #BDR=0    | Autobank selected                           |
          |--------------+---------------------------------------------|
          |    #BDR=1    | Set speed to 2400bps                        |
          |--------------+---------------------------------------------|
          |    #BDR=2    | Set speed to 4800bps                        |
          |--------------+---------------------------------------------|
          |    #BDR=4    | Set speed to 9600bps                        |
          |--------------+---------------------------------------------|
          |    #BDR=6    | Set speed to 14.4Kbps                       |
          |--------------+---------------------------------------------|
          |    #BDR=8    | Set speed to 19.2Kbps                       |
          |--------------+---------------------------------------------|
          |   #BDR=12    | Set speed to 28.8Kbps                       |
          |--------------+---------------------------------------------|
          |   #BDR=16    | Set speed to 38.4Kbps                       |
          |--------------+---------------------------------------------|
          |   #BDR=24    | Set speed to 57.6Kbps                       |
          +------------------------------------------------------------+
       
          +------------------------------------------------------------+
          |                     VOICE BUFFER SPACE                     |
          |------------------------------------------------------------|
          | Type:        | Configuration                               |
          |--------------+---------------------------------------------|
          | Format:      | AT [cmds] #VSK=n [cmds]                     |
          |--------------+---------------------------------------------|
          | Default:     | 255                                         |
          |--------------+---------------------------------------------|
          | Range:       | 0 - 255                                     |
          |--------------+---------------------------------------------|
          | Unit:        | 1 byte                                      |
          |--------------+---------------------------------------------|
          | Description: | Sets the amount of data the modem can send  |
          |              | into the buffer after the XOFF signal is    |
          |              | sent.                                       |
          +------------------------------------------------------------+
       
          +------------------------------------------------------------+
          |                        VOICE DEVICE                        |
          |------------------------------------------------------------|
          | Type:        | Configuration                               |
          |--------------+---------------------------------------------|
          | Format:      | AT [cmds] #VLS=n [cmds]                     |
          |--------------+---------------------------------------------|
          | Description: | Selects the I/O device for the DSP chip.    |
          |--------------+---------------------------------------------|
          | Note:        | This modem may not support all options      |
          |              | listed below. The #VLS? Command will        |
          |              | display the available options.              |
          |--------------+---------------------------------------------|
          |   Command    |                  Function                   |
          |--------------+---------------------------------------------|
          |   í #VLS=0   | Telephone line and handset used for voice   |
          |              | I/O.                                        |
          |--------------+---------------------------------------------|
          |    #VLS=1    | Telephone handset used for voice I/O.       |
          |--------------+---------------------------------------------|
          |    #VLS=2    | Internal speaker only used for voice I/O.   |
          |--------------+---------------------------------------------|
          |    #VLS=3    | External microphone only used for voice     |
          |              | I/O.                                        |
          |--------------+---------------------------------------------|
          |    #VLS=4    | Telephone line and handset used for voice   |
          |              | I/O; internal speaker enabled.              |
          +------------------------------------------------------------+
       
          +------------------------------------------------------------+
          |                       VOICE RECEIVE                        |
          |------------------------------------------------------------|
          | Type:        | Configuration                               |
          |--------------+---------------------------------------------|
          | Format:      | AT [cmds] #VRX=n [cmds]                     |
          |--------------+---------------------------------------------|
          | Description: | Commands the modem to begin receiving voice |
          |              | data.                                       |
          +------------------------------------------------------------+
       
                                                                        
       
                                                                        
       
                                                                        
       
                                                                        
       
                                                                        
       
                                                                        
       
                                                                        
       
                                                                        
       
           
       
          +------------------------------------------------------------+
          |                 VOICE RE-RING DETECT TIME                  |
          |------------------------------------------------------------|
          | Type:        | Configuration                               |
          |--------------+---------------------------------------------|
          | Format:      | AT [cmds] #VRA=n [cmds]                     |
          |--------------+---------------------------------------------|
          | Default:     | 70                                          |
          |--------------+---------------------------------------------|
          | Range:       | 0-255                                       |
          |--------------+---------------------------------------------|
          | Unit:        | 10 mS                                       |
          |--------------+---------------------------------------------|
          | Description: | Sets the maximum time the modem will wait   |
          |              | for the remote station to ring again before |
          |              | it assumes that it has gone off-hook.       |
          |--------------+---------------------------------------------|
          |   Command    |                  Function                   |
          |--------------+---------------------------------------------|
          |    #VRA=0    | Ringback goes away timer disabled           |
          +------------------------------------------------------------+
       
          +------------------------------------------------------------+
          |                   VOICE RING DETECT TIME                   |
          |------------------------------------------------------------|
          | Type:        | Configuration                               |
          |--------------+---------------------------------------------|
          | Format:      | AT [cmds] #VRN=n [cmds]                     |
          |--------------+---------------------------------------------|
          | Default:     | Unidentified                                |
          |--------------+---------------------------------------------|
          | Range:       | Unidentified                                |
          |--------------+---------------------------------------------|
          | Unit:        | Unidentified                                |
          |--------------+---------------------------------------------|
          | Description: | Sets the maximum time the modem will wait   |
          |              | for the remote station to ring before it    |
          |              | assumes that it went off-hook before it     |
          |              | rang.                                       |
          |------------------------------------------------------------|
          |  Command   |                   Function                    |
          |------------+-----------------------------------------------|
          |   #VRN=0   | Disables voice ring detect time               |
          +------------------------------------------------------------+
       
          +------------------------------------------------------------+
          |                    VOICE SAMPLE QUALITY                    |
          |------------------------------------------------------------|
          | Type:        | Configuration                               |
          |--------------+---------------------------------------------|
          | Format:      | AT [cmds] #VBS=n [cmds]                     |
          |--------------+---------------------------------------------|
          | Description: | Selects the number of bits per sample that  |
          |              | the modem records.                          |
          |------------------------------------------------------------|
          | Note:           | This modem may not support all options   |
          |                 | listed below. The #VBS? Command will     |
          |                 | display the available options.           |
          |------------------------------------------------------------|
          |   Command    |                  Function                   |
          |--------------+---------------------------------------------|
          |    #VBS=2    | Modem records 2 bits per sample in ADPCM    |
          |              | encoding.                                   |
          |--------------+---------------------------------------------|
          |    #VBS=3    | Modem records 3 bits per sample in ADPCM    |
          |              | encoding.                                   |
          |--------------+---------------------------------------------|
          |  î  #VBS=4   | Modem records 4 bits per sample in ADPCM    |
          |              | encoding.                                   |
          +------------------------------------------------------------+
       
                                                                        
       
                                                                        
       
                                                                        
       
                                                                        
       
                                                                        
       
                                                                        
       
                                                                        
       
                                                                        
       
                                                                        
       
                                                                        
       
                                                                        
       
                                                                        
       
                                                                        
       
                                                                        
       
                                                                        
       
                                                                        
       
                                                                        
       
                               S(status) -REGISTERS
       
          +------------------------------------------------------------+
          |                  BIT-MAPPED REGISTER S14                   |
          |------------------------------------------------------------|
          | Format:      | AT [cmds] S14=n [cmds]                      |
          |--------------+---------------------------------------------|
          | Range:       | 0-174                                       |
          |--------------+---------------------------------------------|
          | Unit:        | Bit-mapped                                  |
          |--------------+---------------------------------------------|
          | Description: | Controls echo, result codes and display,    |
          |              | dial mode, and answer/originate mode.       |
          |--------------+---------------------------------------------|
          | Bit  | Value |                  Function                   |
          |------+-------+---------------------------------------------|
          |  0   |     0 | Not used                                    |
          |------+-------+---------------------------------------------|
          |  1   |     0 | Command echo disabled                       |
          |      |       |                                             |
          |      |     1 | Command echo enabled                        |
          |------+-------+---------------------------------------------|
          |  2   |     0 | Result codes enabled                        |
          |      |       |                                             |
          |      |     1 | Result codes disabled                       |
          |------+-------+---------------------------------------------|
          |  3   |     0 | Display result codes in numeric format      |
          |      |       |                                             |
          |      |     1 | Display result codes in verbose format      |
          |------+-------+---------------------------------------------|
          |  5   |     0 | Tone dial enabled                           |
          |      |       |                                             |
          |      |     1 | Pulse dial enabled                          |
          |------+-------+---------------------------------------------|
          |  6   |     0 | Not used                                    |
          |------+-------+---------------------------------------------|
          |  7   |   0 1 | Answer mode enabled                         |
          |      |       |                                             |
          |      |       | Originate mode enabled                      |
          +------------------------------------------------------------+
       
          +------------------------------------------------------------+
          |                  BIT-MAPPED REGISTER S19                   |
          |------------------------------------------------------------|
          | Format       | AT [cmds] S19=n [cmds]                      |
          |--------------+---------------------------------------------|
          | Default:     | 0, 0, 0, 0                                  |
          |--------------+---------------------------------------------|
          | Range:       | 0-253                                       |
          |--------------+---------------------------------------------|
          | Unit:        | Bit-mapped                                  |
          |--------------+---------------------------------------------|
          | Description: | Selects communications protocol, address    |
          |              | detection, NRZ mode, and idle indicator.    |
          |--------------+---------------------------------------------|
          | Bit  | Value |                  Function                   |
          |------+-------+---------------------------------------------|
          |  1   |     0 | Selects BSC format                          |
          |      |       |                                             |
          |      |     1 | Selects HDLC format                         |
          |------+-------+---------------------------------------------|
          |  2   |     0 | Address detection disabled                  |
          |      |       |                                             |
          |      |     1 | Address detection enabled                   |
          |------+-------+---------------------------------------------|
          |  3   |     0 | NRZI coding enabled                         |
          |      |       |                                             |
          |      |     1 | NRZ coding enabled                          |
          |------+-------+---------------------------------------------|
          |  4   |     0 | Mark idle                                   |
          |      |       |                                             |
          |      |     1 | Flag or sync idle                           |
          +------------------------------------------------------------+
       
          +------------------------------------------------------------+
          |                          AUTOSYNC                          |
          |------------------------------------------------------------|
          | Type:        | Register                                    |
          |--------------+---------------------------------------------|
          | Format       | AT [cmds] S20=n [cmds]                      |
          |--------------+---------------------------------------------|
          | Default:     | 0                                           |
          |--------------+---------------------------------------------|
          | Range:       | 0-255                                       |
          |--------------+---------------------------------------------|
          | Unit:        | ASCII                                       |
          |--------------+---------------------------------------------|
          | Description: | Selects the AutoSync HDLC address or BSC    |
          |              | sync character                              |
          +------------------------------------------------------------+
       
                                                                        
       
                                                                        
       
                                                                        
       
                                                                        
       
                                                                        
       
          +------------------------------------------------------------+
          |                  BIT-MAPPED REGISTER S22                   |
          |------------------------------------------------------------|
          | Format       | AT [cmds] S22=n [cmds]                      |
          |--------------+---------------------------------------------|
          | Range:       | 0-255                                       |
          |--------------+---------------------------------------------|
          | Unit:        | Bit-mapped                                  |
          |--------------+---------------------------------------------|
          | Description: | Controls speaker volume and controls,       |
          |              | limits results codes, and pulse dial        |
          |              | make/break ratio.                           |
          |--------------+---------------------------------------------|
          | Bit  | Value |                  Function                   |
          |------+-------+---------------------------------------------|
          | 1, 0 |    00 | Off volume                                  |
          |      |       |                                             |
          |      |    01 | Low level volume                            |
          |      |       |                                             |
          |      |    10 | Medium level volume                         |
          |      |       |                                             |
          |      |    11 | High level volume                           |
          |------+-------+---------------------------------------------|
          | 3, 2 |    00 | Speaker off                                 |
          |      |       |                                             |
          |      |    01 | Speaker off on carrier                      |
          |      |       |                                             |
          |      |    10 | Speaker always on                           |
          |      |       |                                             |
          |      |    11 | Speaker on during handshake                 |
          |------+-------+---------------------------------------------|
          | 6 -  |   000 | Basic result codes only enabled             |
          |  4   |       |                                             |
          |      |   100 | Basic and connection speed result codes     |
          |      |       | enabled                                     |
          |      |   101 |                                             |
          |      |       | Basic and connection speed result codes and |
          |      |   110 | dialtone detection enabled                  |
          |      |       |                                             |
          |      |   111 | All result codes except dialtone detection  |
          |      |       | enabled                                     |
          |      |       |                                             |
          |      |       | All result codes enabled                    |
          +------------------------------------------------------------+
       
          +------------------------------------------------------------+
          |                  BIT-MAPPED REGISTER S23                   |
          |------------------------------------------------------------|
          | Format       | AT [cmds] S23=n [cmds]                      |
          |--------------+---------------------------------------------|
          | Range:       | 0-189                                       |
          |--------------+---------------------------------------------|
          | Unit:        | Bit-mapped                                  |
          |--------------+---------------------------------------------|
          | Description: | Grants/denies remote digital loopback,      |
          |              | controls DTE rate and parity, and sets      |
          |              | guard tone.                                 |
          |--------------+---------------------------------------------|
          | Bit  | Value |                  Function                   |
          |------+-------+---------------------------------------------|
          |  0   |     0 | Remote digital loopback denied              |
          |      |       |                                             |
          |      |     1 | Remote digital loopback allowed             |
          |------+-------+---------------------------------------------|
          | 3 -  |   000 | Sets serial port speed to 0-300bps          |
          |  1   |       |                                             |
          |      |   001 | Sets serial port speed to 1200bps           |
          |      |       |                                             |
          |      |   010 | Sets serial port speed to 2400bps           |
          |      |       |                                             |
          |      |   011 | Sets serial port speed to 4800bps           |
          |      |       |                                             |
          |      |   100 | Sets serial port speed to 9600bps           |
          |      |       |                                             |
          |      |   101 | Sets serial port speed to 19200bps          |
          |      |       |                                             |
          |      |   110 | Sets serial port speed to 38400bps          |
          |------+-------+---------------------------------------------|
          | 5, 4 |    00 | Parity even                                 |
          |      |       |                                             |
          |      |    01 | Space Parity                                |
          |      |       |                                             |
          |      |    10 | Parity odd                                  |
          |      |       |                                             |
          |      |    11 | Mark or No Parity                           |
          |------+-------+---------------------------------------------|
          | 7, 6 |    00 | Guard tone disabled                         |
          |      |       |                                             |
          |      |    01 | Guard tone disabled                         |
          |      |       |                                             |
          |      |    10 | Guard tone 1800Hz enabled                   |
          +------------------------------------------------------------+
       
                                                                        
       
                                                                        
       
                                                                        
       
          +------------------------------------------------------------+
          |                  BIT-MAPPED REGISTER S27                   |
          |------------------------------------------------------------|
          | Format       | AT [cmds] S27=n [cmds]                      |
          |--------------+---------------------------------------------|
          | Range:       | 0-111                                       |
          |--------------+---------------------------------------------|
          | Unit:        | Bit-mapped                                  |
          |--------------+---------------------------------------------|
          | Description: | Selects ITU-T/Bell modes.                   |
          |--------------+---------------------------------------------|
          | Bit  | Value |                  Function                   |
          |------+-------+---------------------------------------------|
          |  1   |     0 | Not used                                    |
          |------+-------+---------------------------------------------|
          |  2   |     0 | Not used                                    |
          |------+-------+---------------------------------------------|
          |  3   |     0 | Not used                                    |
          |------+-------+---------------------------------------------|
          |  4   |     0 | Not used                                    |
          |------+-------+---------------------------------------------|
          |  5   |     0 | Not used                                    |
          |------+-------+---------------------------------------------|
          |  6   |     0 | ITU/T mode                                  |
          |      |       |                                             |
          |      |     1 | Bell mode                                   |
          +------------------------------------------------------------+
       
          +------------------------------------------------------------+
          |                  BIT-MAPPED REGISTER S28                   |
          |------------------------------------------------------------|
          | Format       | AT [cmds] S28=n [cmds]                      |
          |--------------+---------------------------------------------|
          | Range:       | 0-31                                        |
          |--------------+---------------------------------------------|
          | Unit:        | Bit-mapped                                  |
          |--------------+---------------------------------------------|
          | Description: | Controls pulse dialing and MNP link speed.  |
          |--------------+---------------------------------------------|
          | Bit  | Value |                  Function                   |
          |------+-------+---------------------------------------------|
          |  0   |     0 | Not used                                    |
          |------+-------+---------------------------------------------|
          |  1   |     0 | Not used                                    |
          |------+-------+---------------------------------------------|
          |  2   |     0 | Not used                                    |
          |------+-------+---------------------------------------------|
          | 4, 3 |    00 | 39ms make/61ms break at 10pps               |
          |      |       |                                             |
          |      |    01 | 33ms make/67ms break at 10pps               |
          |      |       |                                             |
          |      |    10 | 39ms make/61ms break at 20pps               |
          |      |       |                                             |
          |      |    11 | 33ms make/67ms break at 20pps               |
          |------+-------+---------------------------------------------|
          |  5   |     0 | Not used                                    |
          |------+-------+---------------------------------------------|
          | 7, 6 |    00 | Highest speed                               |
          |      |       |                                             |
          |      |    01 | 1200bps                                     |
          |      |       |                                             |
          |      |    10 | 4800bps                                     |
          +------------------------------------------------------------+
       
          +------------------------------------------------------------+
          |                ERROR CORRECTION NEGOTIATION                |
          |------------------------------------------------------------|
          | Type:        | Register                                    |
          |--------------+---------------------------------------------|
          | Format       | AT [cmds] S36=n [cmds]                      |
          |--------------+---------------------------------------------|
          | Description: | Selects the action of the modem if it fails |
          |              | to connect with the error-correction        |
          |              | protocol set in &Q.                         |
          |--------------+---------------------------------------------|
          |   Command    |                  Function                   |
          |--------------+---------------------------------------------|
          |    S36=0     | Hang up                                     |
          |--------------+---------------------------------------------|
          |    S36=1     | Attempt a direct connection                 |
          |--------------+---------------------------------------------|
          |    S36=3     | Attempt a buffered connection               |
          |--------------+---------------------------------------------|
          |    S36=4     | Attempt a connection at MNP2-4; if that     |
          |              | fails, hang up.                             |
          |--------------+---------------------------------------------|
          |    S36=5     | Attempt a connection at MNP2-4; if that     |
          |              | fails, attempt a direct connection.         |
          |--------------+---------------------------------------------|
          |    S36=7     | Attempt a connection at MNP2-4; if that     |
          |              | fails, attempt a buffered connection.       |
          +------------------------------------------------------------+
       
                                                                        
       
                                                                        
       
                                                                        
       
                                                                        
       
                                                                        
       
          +------------------------------------------------------------+
          |                       DCE LINE SPEED                       |
          |------------------------------------------------------------|
          | Type:        | Register                                    |
          |--------------+---------------------------------------------|
          | Format       | AT [cmds] S37=n [cmds]                      |
          |--------------+---------------------------------------------|
          | Description: | Sets the maximum allowable data exchange    |
          |              | rate attempted during handshake process.    |
          |--------------+---------------------------------------------|
          |   Command    |                  Function                   |
          |--------------+---------------------------------------------|
          |    S37=0     | Auto-detect mode                            |
          |--------------+---------------------------------------------|
          |   S37=1-3    | 300bps                                      |
          |--------------+---------------------------------------------|
          |    S37=5     | V.22 1200bps                                |
          |--------------+---------------------------------------------|
          |    S37=6     | V.22bis 2400bps                             |
          |--------------+---------------------------------------------|
          |    S37=7     | V.23                                        |
          |--------------+---------------------------------------------|
          |    S37=8     | V.32bis or V.32 4800bps                     |
          |--------------+---------------------------------------------|
          |    S37=9     | V.32bis or V.32 9600bps                     |
          |--------------+---------------------------------------------|
          |    S37=10    | V.32bis 12000bps                            |
          |--------------+---------------------------------------------|
          |    S37=11    | V.32bis 14400bps                            |
          |--------------+---------------------------------------------|
          |    S37=12    | V.32bis 7200bps                             |
          |--------------+---------------------------------------------|
          |    S37=15    | V.FC 14400                                  |
          |--------------+---------------------------------------------|
          |    S37=16    | V.FC 16800                                  |
          |--------------+---------------------------------------------|
          |    S37=17    | V.FC 19200                                  |
          |--------------+---------------------------------------------|
          |    S37=18    | V.FC 21600                                  |
          |--------------+---------------------------------------------|
          |    S37=19    | V.FC 24000                                  |
          |--------------+---------------------------------------------|
          |    S37=20    | V.FC 24600                                  |
          |--------------+---------------------------------------------|
          |    S37=21    | V.FC 28800                                  |
          +------------------------------------------------------------+
       
          +------------------------------------------------------------+
          |                        FLOW CONTROL                        |
          |------------------------------------------------------------|
          | Type:        | Register                                    |
          |--------------+---------------------------------------------|
          | Format       | AT [cmds] S39? [cmds]                       |
          |--------------+---------------------------------------------|
          | Description: | Displays the current flow control           |
          |--------------+---------------------------------------------|
          |    Value     |                   Meaning                   |
          |--------------+---------------------------------------------|
          |      0       | Flow control disabled                       |
          |--------------+---------------------------------------------|
          |      3       | RTS/CTS flow control enabled (&K3, Default) |
          |--------------+---------------------------------------------|
          |      4       | XON/XOFF flow control enabled (&K4)         |
          |--------------+---------------------------------------------|
          |      5       | Transparent XON/XOFF flow control enabled   |
          |              | (&K5)                                       |
          |--------------+---------------------------------------------|
          |      6       | Both methods (&K6)                          |
          +------------------------------------------------------------+
       
                                                                        
       
                                                                        
       
                                                                        
       
                                                                        
       
                                                                        
       
                                                                        
       
                                                                        
       
                                                                        
       
                                                                        
       
                                                                        
       
                                                                        
       
                                                                        
       
                                                                        
       
                                                                        
       
                                                                        
       
          +------------------------------------------------------------+
          |                  BIT-MAPPED REGISTER S40                   |
          |------------------------------------------------------------|
          | Format       | AT [cmds] S40=n [cmds]                      |
          |--------------+---------------------------------------------|
          | Range:       | 0-255                                       |
          |--------------+---------------------------------------------|
          | Unit:        | Bit-mapped                                  |
          |--------------+---------------------------------------------|
          | Description: | Controls power level and break handling;    |
          |              | selects MNP extended services, link         |
          |              | negotiation, and block size.                |
          |--------------+---------------------------------------------|
          | Bit  | Value |                  Function                   |
          |------+-------+---------------------------------------------|
          | 0, 1 |    00 | MNP Extended Services disabled              |
          |      |       |                                             |
          |      |    01 | MNP Extended Services enabled               |
          |      |       |                                             |
          |      |    10 | MNP Extended Services enabled               |
          |------+-------+---------------------------------------------|
          |  2   |     0 | Power level adjustment enabled              |
          |      |       |                                             |
          |      |     1 | Power level adjustment disabled             |
          |------+-------+---------------------------------------------|
          |  4   |     0 | Not used                                    |
          |------+-------+---------------------------------------------|
          | 5, 3 |   000 | AT\K0                                       |
          |      |       |                                             |
          |      |   001 | AT\K1                                       |
          |      |       |                                             |
          |      |   010 | AT\K2                                       |
          |      |       |                                             |
          |      |   011 | AT\K3                                       |
          |      |       |                                             |
          |      |   100 | AT\K4                                       |
          |      |       |                                             |
          |      |   101 | AT\K5                                       |
          |------+-------+---------------------------------------------|
          | 7, 6 |    00 | MNP block size is 64 characters             |
          |      |       |                                             |
          |      |    01 | MNP block size is 128 characters            |
          |      |       |                                             |
          |      |    10 | MNP block size is 192 characters            |
          |      |       |                                             |
          |      |    11 | MNP block size is 256 characters            |
          +------------------------------------------------------------+
       
          +------------------------------------------------------------+
          |                  BIT-MAPPED REGISTER S41                   |
          |------------------------------------------------------------|
          | Format       | AT [cmds] S41=n [cmds]                      |
          |--------------+---------------------------------------------|
          | Range:       | 0-31                                        |
          |--------------+---------------------------------------------|
          | Unit:        | Bit-mapped                                  |
          |--------------+---------------------------------------------|
          | Description: | Selects compression, auto-retrain, flow     |
          |              | control, MNP mode, and fallback mode.       |
          |--------------+---------------------------------------------|
          | Bit  | Value |                  Function                   |
          |------+-------+---------------------------------------------|
          | 1, 0 |    00 | Data compression disabled                   |
          |      |       |                                             |
          |      |    01 | MNP5 enabled                                |
          |      |       |                                             |
          |      |    10 | V.42bis enabled                             |
          |      |       |                                             |
          |      |    11 | MNP5 and V.42bis enabled                    |
          |------+-------+---------------------------------------------|
          | 6, 2 |    00 | Auto-retrain disabled                       |
          |      |       |                                             |
          |      |    01 | Auto-retrain enabled                        |
          |      |       |                                             |
          |      |    10 | Fallback/Fall forward enabled               |
          |------+-------+---------------------------------------------|
          |  3   |     0 | Flow control disabled                       |
          |      |       |                                             |
          |      |     1 | Flow control enabled                        |
          |------+-------+---------------------------------------------|
          |  4   |     0 | Stream mode for MNP                         |
          |      |       |                                             |
          |      |     1 | Block mode for MNP                          |
          |------+-------+---------------------------------------------|
          |  5   |     0 | Not used                                    |
          |------+-------+---------------------------------------------|
          |  6   |     0 | Not used                                    |
          |------+-------+---------------------------------------------|
          |  7   |     0 | Fallback disabled                           |
          |      |       |                                             |
          |      |     1 | Fallback enabled                            |
          +------------------------------------------------------------+
       
                                                                        
       
                                                                        
       
                                                                        
       
                                                                        
       
                                                                        
       
                                         
       
          +------------------------------------------------------------+
          |                ERROR CORRECTION/COMPRESSION                |
          |------------------------------------------------------------|
          | Type:                        | Register                    |
          |------------------------------------------------------------|
          | Format:      | AT [cmds] S46=n [cmds]                      |
          |--------------+---------------------------------------------|
          | Description: | Selects active error correction and         |
          |              | compression protocols                       |
          |------------------------------------------------------------|
          |    Command    |                  Function                  |
          |---------------+--------------------------------------------|
          |    S46=136    | LAP-M only, no compression                 |
          |---------------+--------------------------------------------|
          |    S46=138    | LAP-M with V.42bis data compression        |
          +------------------------------------------------------------+
       
          +------------------------------------------------------------+
          |                FEATURE NEGOTIATION OPTIONS                 |
          |------------------------------------------------------------|
          | Type:                          | Register                  |
          |------------------------------------------------------------|
          | Format:      | AT [cmds] S48=n [cmds]                      |
          |--------------+---------------------------------------------|
          | Description: | Selects active error correction and         |
          |              | compression protocols                       |
          |------------------------------------------------------------|
          |    Command    |                  Function                  |
          |---------------+--------------------------------------------|
          |     S48=0     | Detection negotiation disabled, XID        |
          |               | negotiation disabled                       |
          |---------------+--------------------------------------------|
          |     S48=7     | Detection negotiation and XID negotiation  |
          |               | enabled                                    |
          |---------------+--------------------------------------------|
          |    S48=128    | Fall-back to options set in S36            |
          +------------------------------------------------------------+
       
          +------------------------------------------------------------+
          |                       BREAK OPTIONS                        |
          |------------------------------------------------------------|
          | Type:  | Register                                          |
          |--------+---------------------------------------------------|
          | Format | AT [cmds] S82=n [cmds]                            |
          |--------+---------------------------------------------------|
          | Note:  | This register for compatibility purposes only and |
          |        | performs no function.                             |
          +------------------------------------------------------------+
       
          +------------------------------------------------------------+
          |                  CONNECTION FAILURE CODES                  |
          |------------------------------------------------------------|
          | Type:        | Register                                    |
          |--------------+---------------------------------------------|
          | Format       | AT [cmds] S86? [cmds]                       |
          |--------------+---------------------------------------------|
          | Description: | Reports codes which correspond to the       |
          |              | possible causes of a connection failure     |
          |--------------+---------------------------------------------|
          |    Value     |                   Meaning                   |
          |--------------+---------------------------------------------|
          |      0       | Normal hang up                              |
          |--------------+---------------------------------------------|
          |      4       | Carrier signal lost                         |
          |--------------+---------------------------------------------|
          |      5       | No error-control detected for remote modem  |
          |              | during feature negotiation                  |
          |--------------+---------------------------------------------|
          |      9       | No common protocol found                    |
          |--------------+---------------------------------------------|
          |      12      | No failure - remote modem disconnected      |
          |              | normally                                    |
          |--------------+---------------------------------------------|
          |      13      | Remote modem failed to respond after 10     |
          |              | re-transmissions same message               |
          |--------------+---------------------------------------------|
          |      14      | Violation of negotiated protocol caused     |
          |              | failure                                     |
          +------------------------------------------------------------+
       
          +------------------------------------------------------------+
          |                  CELLULAR TRANSMIT LEVEL                   |
          |------------------------------------------------------------|
          | Type:        | Register                                    |
          |--------------+---------------------------------------------|
          | Format       | AT [cmds] S201=n [cmds]                     |
          |--------------+---------------------------------------------|
          | Range:       | 0-255                                       |
          |--------------+---------------------------------------------|
          | Unit:        | Bit-mapped                                  |
          |--------------+---------------------------------------------|
          | Description: | Works in combination with the @Mn and :En   |
          |              | commands to support cellular connection.    |
          |--------------+---------------------------------------------|
          | Bit  | Value |                  Function                   |
          |------+-------+---------------------------------------------|
          | 0 -  | @Mn   | Initial power level setting                 |
          |  4   |       |                                             |
          |------+-------+---------------------------------------------|
          |  5   |  :En  | Compromise equalizer enable command         |
          +------------------------------------------------------------+