URI: 
  TEXT View Source
       
       # CONTROLWARE COMMUNICATIONS SYSTEMS, INC.
       
          CITAM
       
          Card Type          ISDN TA                                     
          Chipset            Unidentified                                
          ISDN Transfer Rate 56Kbps x 2/64Kbps x 2                       
          ISDN Protocol      V.110, X.75                                 
          Switch Type        1TR6, 5ESS, DMS100, DSS1, NI-1              
          Data Bus           Serial                                      
       
   IMG IMG 1
          
       
          +------------------------------------------------------------+
          |                        CONNECTIONS                         |
          |------------------------------------------------------------|
          |     Function     | Label  |       Function        | Label  |
          |------------------+--------+-----------------------+--------|
          | SELECT button    |  BT1   | ISDN S/T interface    |  CN1   |
          |------------------+--------+-----------------------+--------|
          | ENTER button     |  BT2   | LED display           |  LED   |
          |------------------+--------+-----------------------+--------|
          | RESET button     |  BT3   | Header to interface   |  W1A   |
          |                  |        | board W1B             |        |
          |------------------------------------------------------------|
          |      Note: Either CN1 or the ISDN interface on the         |
          |      installed interface board may be used, but not both.  |
          +------------------------------------------------------------+
       
          +------------------------------------------------------------+
          |                 USER CONFIGURABLE SETTINGS                 |
          |------------------------------------------------------------|
          |                 Setting                 | Label | Position |
          |-----------------------------------------+-------+----------|
          | í Configuration may be changed via      | S1/1  |   Off    |
          | interface or front panel                |       |          |
          |-----------------------------------------+-------+----------|
          | Configuration may be changed via front  | S1/1  |    On    |
          | panel supervisor only                   |       |          |
          |-----------------------------------------+-------+----------|
          | í ISDN connects with standard dialing   | S1/2  |   Off    |
          |-----------------------------------------+-------+----------|
          | ISDN connects with S0FV (leased-line)   | S1/2  |    On    |
          |-----------------------------------------+-------+----------|
          | í 1TR6 Service Indicator set for data   | S1/3  |   Off    |
          | transmission                            |       |          |
          |-----------------------------------------+-------+----------|
          | 1TR6 Service Indicator set for X.21     | S1/3  |    On    |
          | services                                |       |          |
          |-----------------------------------------+-------+----------|
          | í TA operates in synchronous mode       | S1/4  |   Off    |
          |-----------------------------------------+-------+----------|
          | TA operates in asynchronous mode        | S1/4  |    On    |
          |-----------------------------------------+-------+----------|
          | í Factory configured - do not alter     | S1/5  |   N/A    |
          | (synchronous mode)                      |       |          |
          +------------------------------------------------------------+
       
          +------------------------------------------------------------+
          |             USER CONFIGURABLE SETTINGS (CON’T)             |
          |------------------------------------------------------------|
          |                 Setting                 | Label | Position |
          |-----------------------------------------+-------+----------|
          | í AT command set enabled (asynchronous  | S1/8  |    On    |
          | mode)                                   |       |          |
          |-----------------------------------------+-------+----------|
          | V.25bis command set enabled             | S1/8  |   Off    |
          | (asynchronous mode)                     |       |          |
          |-----------------------------------------+-------+----------|
          | í X.21 command set enabled (synchronous | S1/8  |    On    |
          | mode)                                   |       |          |
          |-----------------------------------------+-------+----------|
          | V.25bis command set enabled             | S1/8  |   Off    |
          | (synchronous mode)                      |       |          |
          |-----------------------------------------+-------+----------|
          | í Factory configured - do not alter     | S2/1  |    On    |
          |-----------------------------------------+-------+----------|
          | í CD signal forced high                 | S2/6  |   Off    |
          |-----------------------------------------+-------+----------|
          | CD signal high when connection is       | S2/6  |    On    |
          | synchronized                            |       |          |
          |-----------------------------------------+-------+----------|
          | í DSR signal forced high                | S2/7  |   Off    |
          |-----------------------------------------+-------+----------|
          | DSR signal high when connection is      | S2/7  |    On    |
          | synchronized                            |       |          |
          |-----------------------------------------+-------+----------|
          | í Unit is a table-top version           | S2/8  |   Off    |
          |-----------------------------------------+-------+----------|
          | Unit is a rack mount version            | s2/8  |    On    |
          +------------------------------------------------------------+
       
          +------------------------------------------------------------+
          |         DATA FORMAT SELECTION (ASYNCHRONOUS MODE)          |
          |------------------------------------------------------------|
          |                Setting                | S1/5 | S1/6 | S1/7 |
          |---------------------------------------+------+------+------|
          |  7 data bits, no parity, 1 stop bit   | Off  |  On  |  On  |
          |---------------------------------------+------+------+------|
          | 7 data bits, even parity, 1 stop bit  |  On  |  On  |  On  |
          |---------------------------------------+------+------+------|
          |  8 data bits, no parity, 1 stop bit   |  On  |  On  | Off  |
          |---------------------------------------+------+------+------|
          | 8 data bits, even parity, 1 stop bit  | Off  | Off  |  On  |
          |---------------------------------------+------+------+------|
          |  8 data bits, odd parity, 1 stop bit  |  On  | Off  |  On  |
          |---------------------------------------+------+------+------|
          | í 8 data bits, no parity, 2 stop bits | Off  | Off  | Off  |
          |---------------------------------------+------+------+------|
          | 8 data bits, even parity, 2 stop bits |  On  | Off  | Off  |
          |---------------------------------------+------+------+------|
          | 8 data bits, odd parity, 2 stop bits  | Off  |  On  | Off  |
          +------------------------------------------------------------+
       
          +------------------------------------------------------------+
          |          DATA FORMAT SELECTION (SYNCHRONOUS MODE)          |
          |------------------------------------------------------------|
          |                Setting                |   S1/6   |  S1/7   |
          |---------------------------------------+----------+---------|
          |   ASCII character set, BSC encoding   |    On    |   On    |
          |---------------------------------------+----------+---------|
          |  ASCII character set, HDLC encoding   |   Off    |   On    |
          |---------------------------------------+----------+---------|
          |  EBCDIC character set, BSC encoding   |    On    |   Off   |
          |---------------------------------------+----------+---------|
          | í EBCDIC character set, HDLC encoding |   Off    |   Off   |
          +------------------------------------------------------------+
       
          +------------------------------------------------------------+
          |                         LINE SPEED                         |
          |------------------------------------------------------------|
          |     Setting     |   S2/2   |   S2/3   |   S2/4   |  S2/5   |
          |-----------------+----------+----------+----------+---------|
          |     300bps      |   Off    |    On    |   Off    |   On    |
          |-----------------+----------+----------+----------+---------|
          |     600bps      |    On    |   Off    |   Off    |   On    |
          |-----------------+----------+----------+----------+---------|
          |     1200bps     |   Off    |   Off    |   Off    |   On    |
          |-----------------+----------+----------+----------+---------|
          |     2400bps     |    On    |    On    |    On    |   Off   |
          |-----------------+----------+----------+----------+---------|
          |     4800bps     |   Off    |    On    |    On    |   Off   |
          |-----------------+----------+----------+----------+---------|
          |     9600bps     |    On    |   Off    |    On    |   Off   |
          |-----------------+----------+----------+----------+---------|
          |    19.2Kbps     |   Off    |   Off    |    On    |   Off   |
          |-----------------+----------+----------+----------+---------|
          |    38.4Kbps     |    On    |    On    |   Off    |   Off   |
          |-----------------+----------+----------+----------+---------|
          |     48Kbps      |   Off    |    On    |   Off    |   Off   |
          |-----------------+----------+----------+----------+---------|
          |     56Kbps      |    On    |   Off    |   Off    |   Off   |
          |-----------------+----------+----------+----------+---------|
          |    í 64Kbps     |   Off    |   Off    |   Off    |   Off   |
          |------------------------------------------------------------|
          |      Note: Asynchronous speeds may range from 300bps to    |
          |      38.4Kbps, while synchronous speeds may range from     |
          |      1200bps to 64Kbps.                                    |
          +------------------------------------------------------------+
       
          +------------------------------------------------------------+
          |                    SUBADDRESS SELECTION                    |
          |------------------------------------------------------------|
          |               Setting                |         S3          |
          |--------------------------------------+---------------------|
          |                EAZ 1                 |     Position 1      |
          |--------------------------------------+---------------------|
          |                EAZ 2                 |     Position 2      |
          |--------------------------------------+---------------------|
          |                EAZ 3                 |     Position 3      |
          |--------------------------------------+---------------------|
          |                EAZ 4                 |     Position 4      |
          |--------------------------------------+---------------------|
          |                EAZ 5                 |     Position 5      |
          |--------------------------------------+---------------------|
          |                EAZ 6                 |     Position 6      |
          |--------------------------------------+---------------------|
          |                EAZ 7                 |     Position 7      |
          |--------------------------------------+---------------------|
          |                EAZ 8                 |     Position 8      |
          |--------------------------------------+---------------------|
          |       TA is part of hunt group       |     Position 0      |
          |------------------------------------------------------------|
          |      Note: When adapter is set for leased-line mode, the   |
          |      EAZ must be set to 2.                                 |
          +------------------------------------------------------------+
       
          +------------------------------------------------------------+
          |                     DIAGNOSTIC LED(S)                      |
          |------------------------------------------------------------|
          | LED | Color  |  Status  |            Condition             |
          |-----+--------+----------+----------------------------------|
          | S0  | Yellow |    On    |    ISDN connection is active     |
          |-----+--------+----------+----------------------------------|
          | S0  | Yellow | Blinking |  ISDN connection has been made   |
          |     |        |          |        but is not active         |
          |-----+--------+----------+----------------------------------|
          | S0  | Yellow |   Off    |      ISDN is not connected       |
          |-----+--------+----------+----------------------------------|
          | P1  | Green  |    On    |   Port 1 is connected to ISDN    |
          |-----+--------+----------+----------------------------------|
          | P1  | Green  | Blinking | Port 1 has received an ISDN call |
          |     |        |          |      but has not connected       |
          |-----+--------+----------+----------------------------------|
          | P1  | Green  |   Off    | Port 1 is not connected to ISDN  |
          |-----+--------+----------+----------------------------------|
          | P2  | Green  |    On    |   Port 2 is connected to ISDN    |
          |-----+--------+----------+----------------------------------|
          | P2  | Green  | Blinking | Port 2 has received an ISDN call |
          |     |        |          |      but has not connected       |
          |-----+--------+----------+----------------------------------|
          | P2  | Green  |   Off    | Port 2 is not connected to ISDN  |
          |------------------------------------------------------------|
          |      Note: P2 will have no function on models with only    |
          |      one port.                                             |
          +------------------------------------------------------------+
       
   IMG IMG 2
          
       
          +------------------------------------------------------------+
          |                        CONNECTIONS                         |
          |------------------------------------------------------------|
          |      Function      | Label |       Function        | Label |
          |--------------------+-------+-----------------------+-------|
          | Supervisor port    |  CN1  | DC power in           |  CN4  |
          |--------------------+-------+-----------------------+-------|
          | ISDN S/T interface |  CN2  | Header to main board  |  W1B  |
          |                    |       | W1A                   |       |
          |--------------------+-------+-----------------------+-------|
          | X.21 serial port   |  CN3  |                       |       |
          +------------------------------------------------------------+
       
          +------------------------------------------------------------+
          |                 USER CONFIGURABLE SETTINGS                 |
          |------------------------------------------------------------|
          |                 Setting                 | Label | Position |
          |-----------------------------------------+-------+----------|
          | í Signal ground not connected to        |  P31  |   Open   |
          | chassis ground                          |       |          |
          |-----------------------------------------+-------+----------|
          | Signal ground connected to chassis      |  P31  |  Closed  |
          | ground                                  |       |          |
          +------------------------------------------------------------+
       
          +------------------------------------------------------------+
          |               RECEIVER OPEN CIRCUIT FAILSAFE               |
          |------------------------------------------------------------|
          |     Setting      |        P28         |         R3         |
          |------------------+--------------------+--------------------|
          |    í Enabled     |   Not installed    |     Installed      |
          |------------------+--------------------+--------------------|
          |     Disabled     |     Installed      |   Not installed    |
          +------------------------------------------------------------+
       
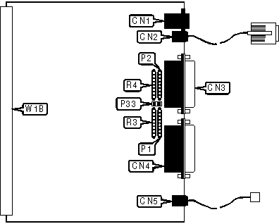
   IMG IMG 3
          
       
          +------------------------------------------------------------+
          |                        CONNECTIONS                         |
          |------------------------------------------------------------|
          |      Function      | Label |       Function        | Label |
          |--------------------+-------+-----------------------+-------|
          | Supervisor port    |  CN1  | X.21 serial port 2    |  CN4  |
          |--------------------+-------+-----------------------+-------|
          | ISDN S/T interface |  CN2  | DC power in           |  CN5  |
          |--------------------+-------+-----------------------+-------|
          | X.21 serial port 1 |  CN3  | Header to main board  |  W1B  |
          |                    |       | W1A                   |       |
          +------------------------------------------------------------+
       
          +------------------------------------------------------------+
          |                 USER CONFIGURABLE SETTINGS                 |
          |------------------------------------------------------------|
          |                 Setting                 | Label | Position |
          |-----------------------------------------+-------+----------|
          | í Signal ground not connected to        |  P31  |   Open   |
          | chassis ground                          |       |          |
          |-----------------------------------------+-------+----------|
          | Signal ground connected to chassis      |  P31  |  Closed  |
          | ground                                  |       |          |
          +------------------------------------------------------------+
       
          +------------------------------------------------------------+
          |           PORT 1 RECEIVER OPEN CIRCUIT FAILSAFE            |
          |------------------------------------------------------------|
          |     Setting      |        P16         |         R4         |
          |------------------+--------------------+--------------------|
          |    í Enabled     |   Not installed    |     Installed      |
          |------------------+--------------------+--------------------|
          |     Disabled     |     Installed      |   Not installed    |
          +------------------------------------------------------------+
       
          +------------------------------------------------------------+
          |           PORT 2 RECEIVER OPEN CIRCUIT FAILSAFE            |
          |------------------------------------------------------------|
          |     Setting      |        P17         |         R5         |
          |------------------+--------------------+--------------------|
          |    í Enabled     |   Not installed    |     Installed      |
          |------------------+--------------------+--------------------|
          |     Disabled     |     Installed      |   Not installed    |
          +------------------------------------------------------------+
       
   IMG IMG 4
          
       
          +------------------------------------------------------------+
          |                        CONNECTIONS                         |
          |------------------------------------------------------------|
          |      Function      | Label |       Function        | Label |
          |--------------------+-------+-----------------------+-------|
          | Supervisor port    |  CN1  | DC power in           |  CN4  |
          |--------------------+-------+-----------------------+-------|
          | ISDN S/T interface |  CN2  | Header to main board  |  W1B  |
          |                    |       | W1A                   |       |
          |--------------------+-------+-----------------------+-------|
          | V.24 serial port   |  CN3  |                       |       |
          +------------------------------------------------------------+
       
          +------------------------------------------------------------+
          |                 USER CONFIGURABLE SETTINGS                 |
          |------------------------------------------------------------|
          |                 Setting                 | Label | Position |
          |-----------------------------------------+-------+----------|
          | í Signal ground not connected to        |  P32  |   Open   |
          | chassis ground                          |       |          |
          |-----------------------------------------+-------+----------|
          | Signal ground connected to chassis      |  P32  |  Closed  |
          | ground                                  |       |          |
          +------------------------------------------------------------+
       
          +------------------------------------------------------------+
          |               RECEIVER OPEN CIRCUIT FAILSAFE               |
          |------------------------------------------------------------|
          |     Setting      |         P1         |         R4         |
          |------------------+--------------------+--------------------|
          |    í Enabled     |   Not installed    |     Installed      |
          |------------------+--------------------+--------------------|
          |     Disabled     |     Installed      |   Not installed    |
          +------------------------------------------------------------+
       
   IMG IMG 5
          
       
          +------------------------------------------------------------+
          |                        CONNECTIONS                         |
          |------------------------------------------------------------|
          |       Function        | Label |      Function      | Label |
          |-----------------------+-------+--------------------+-------|
          | Supervisor port       |  CN1  | V.24 serial port 1 |  CN4  |
          |                       |       | via DB-26 port     |       |
          |-----------------------+-------+--------------------+-------|
          | ISDN S/T interface    |  CN2  | DC power in        |  CN5  |
          |-----------------------+-------+--------------------+-------|
          | V.24 serial port 2    |  CN3  | Header to main     |  W1B  |
          | via DB-26 port        |       | board W1A          |       |
          |------------------------------------------------------------|
          |      Note: Standard V.24 serial ports are provided on      |
          |      included adapter cables.                              |
          +------------------------------------------------------------+
       
          +------------------------------------------------------------+
          |                 USER CONFIGURABLE SETTINGS                 |
          |------------------------------------------------------------|
          |                 Setting                 | Label | Position |
          |-----------------------------------------+-------+----------|
          | í Signal ground not connected to        |  P33  |   Open   |
          | chassis ground                          |       |          |
          |-----------------------------------------+-------+----------|
          | Signal ground connected to chassis      |  P33  |  Closed  |
          | ground                                  |       |          |
          +------------------------------------------------------------+
       
          +------------------------------------------------------------+
          |           PORT 1 RECEIVER OPEN CIRCUIT FAILSAFE            |
          |------------------------------------------------------------|
          |     Setting      |         P1         |         R3         |
          |------------------+--------------------+--------------------|
          |    í Enabled     |   Not installed    |     Installed      |
          |------------------+--------------------+--------------------|
          |     Disabled     |     Installed      |   Not installed    |
          +------------------------------------------------------------+
       
          +------------------------------------------------------------+
          |           PORT 2 RECEIVER OPEN CIRCUIT FAILSAFE            |
          |------------------------------------------------------------|
          |     Setting      |         P2         |         R4         |
          |------------------+--------------------+--------------------|
          |    í Enabled     |   Not installed    |     Installed      |
          |------------------+--------------------+--------------------|
          |     Disabled     |     Installed      |   Not installed    |
          +------------------------------------------------------------+
       
   IMG IMG 6
          
       
          +------------------------------------------------------------+
          |                        CONNECTIONS                         |
          |------------------------------------------------------------|
          |      Function      | Label |       Function        | Label |
          |--------------------+-------+-----------------------+-------|
          | Supervisor port    |  CN1  | DC power in           |  CN4  |
          |--------------------+-------+-----------------------+-------|
          | ISDN S/T interface |  CN2  | Header to main board  |  W1B  |
          |                    |       | W1A                   |       |
          |--------------------+-------+-----------------------+-------|
          | V.35 serial port   |  CN3  |                       |       |
          +------------------------------------------------------------+
       
          +------------------------------------------------------------+
          |                 USER CONFIGURABLE SETTINGS                 |
          |------------------------------------------------------------|
          |                 Setting                 | Label | Position |
          |-----------------------------------------+-------+----------|
          | í Signal ground not connected to        |  P32  |   Open   |
          | chassis ground                          |       |          |
          |-----------------------------------------+-------+----------|
          | Signal ground connected to chassis      |  P32  |  Closed  |
          | ground                                  |       |          |
          +------------------------------------------------------------+
       
   IMG IMG 7
          
       
          +------------------------------------------------------------+
          |                        CONNECTIONS                         |
          |------------------------------------------------------------|
          |       Function        | Label |      Function      | Label |
          |-----------------------+-------+--------------------+-------|
          | Supervisor port       |  CN1  | V.35 serial port 1 |  CN4  |
          |                       |       | via DB-26 port     |       |
          |-----------------------+-------+--------------------+-------|
          | ISDN S/T interface    |  CN2  | DC power in        |  CN5  |
          |-----------------------+-------+--------------------+-------|
          | V.35 serial port 2    |  CN3  | Header to main     |  W1B  |
          | via DB-26 port        |       | board W1A          |       |
          |------------------------------------------------------------|
          |      Note: Standard V.35 serial ports are provided on      |
          |      included adapter cables.                              |
          +------------------------------------------------------------+
       
          +------------------------------------------------------------+
          |                 USER CONFIGURABLE SETTINGS                 |
          |------------------------------------------------------------|
          |                 Setting                 | Label | Position |
          |-----------------------------------------+-------+----------|
          | í Signal ground not connected to        |  P32  |  Closed  |
          | chassis ground                          |       |          |
          |-----------------------------------------+-------+----------|
          | Signal ground connected to chassis      |  P32  |   Open   |
          | ground                                  |       |          |
          +------------------------------------------------------------+
       
          +--------------------------------------------------------+
          |              SUPPORTED STANDARD COMMANDS               |
          |--------------------------------------------------------|
          |                   Basic AT Commands                    |
          |--------------------------------------------------------|
          | +++, A/                                                |
          |--------------------------------------------------------|
          | A, E, H, O, Q, V, X, Z                                 |
          |--------------------------------------------------------|
          | &D, &F, &V, &W, &Z                                     |
          |                                                        |
          | %I                                                     |
          |--------------------------------------------------------|
          |                      S-Registers                       |
          |--------------------------------------------------------|
          | S0, S1, S2, S3, S4, S5                                 |
          |--------------------------------------------------------|
          |                    V.25bis Commands                    |
          |--------------------------------------------------------|
          | CIC, CRI, CRS, DIC, PRN                                |
          |--------------------------------------------------------|
          |      Note: See MHI help file for complete information. |
          +--------------------------------------------------------+
       
          +------------------------------------------------------------+
          |                   UNIDENTIFIED COMMANDS                    |
          |------------------------------------------------------------|
          |           Command            |           Default           |
          |------------------------------+-----------------------------|
          |              %L              |              0              |
          |------------------------------+-----------------------------|
          |              %M              |              0              |
          +------------------------------------------------------------+
       
                            Proprietary AT Command Set
       
          +------------------------------------------------------------+
          |                        ACCESS TYPE                         |
          |------------------------------------------------------------|
          | Type:        | Configuration                               |
          |--------------+---------------------------------------------|
          | Format:      | AT [cmds] %Kn [cmds]                        |
          |--------------+---------------------------------------------|
          | Description: | Selects the type of access for this ISDN    |
          |              | line.                                       |
          |--------------+---------------------------------------------|
          |   Command    |                  Function                   |
          |--------------+---------------------------------------------|
          |    í %K1     | Line is intermittent dial-up.               |
          |--------------+---------------------------------------------|
          |     %K2      | Line is semi-permanent dial-up.             |
          |--------------+---------------------------------------------|
          |     %K3      | Line is time-link dial-up.                  |
          +------------------------------------------------------------+
       
          +------------------------------------------------------------+
          |                      ASYNC/SYNC MODE                       |
          |------------------------------------------------------------|
          | Type:        | Configuration                               |
          |--------------+---------------------------------------------|
          | Format:      | AT [cmds] &Mn [cmds]                        |
          |--------------+---------------------------------------------|
          | Description: | Selects whether the adapter is operating in |
          |              | asynchronous or synchronous mode.           |
          |--------------+---------------------------------------------|
          |   Command    |                  Function                   |
          |--------------+---------------------------------------------|
          |    í &M0     | Asynchronous mode selected.                 |
          |--------------+---------------------------------------------|
          |     &M1      | Asynchronous command mode, synchronous data |
          |              | mode at 600bps.                             |
          |--------------+---------------------------------------------|
          |     &M2      | Asynchronous command mode, synchronous data |
          |              | mode at 1200bps.                            |
          |--------------+---------------------------------------------|
          |     &M3      | Asynchronous command mode, synchronous data |
          |              | mode at 2400bps.                            |
          |--------------+---------------------------------------------|
          |     &M4      | Asynchronous command mode, synchronous data |
          |              | mode at 4800bps.                            |
          |--------------+---------------------------------------------|
          |     &M5      | Asynchronous command mode, synchronous data |
          |              | mode at 9600bps.                            |
          |--------------+---------------------------------------------|
          |     &M6      | Asynchronous command mode, synchronous data |
          |              | mode at 19.2Kbps.                           |
          |--------------+---------------------------------------------|
          |     &M7      | Asynchronous command mode, synchronous data |
          |              | mode at 38.4Kbps.                           |
          |--------------+---------------------------------------------|
          |     &M8      | Asynchronous command mode, synchronous data |
          |              | mode at 48Kbps.                             |
          |--------------+---------------------------------------------|
          |     &M9      | Asynchronous command mode, synchronous data |
          |              | mode at 56Kbps.                             |
          |--------------+---------------------------------------------|
          |     &M10     | Asynchronous command mode, synchronous data |
          |              | mode at 64Kbps.                             |
          |--------------+---------------------------------------------|
          |     &M11     | Synchronous data mode at 64Kbps with byte   |
          |              | timing.                                     |
          |--------------+---------------------------------------------|
          |     &M13     | Synchronous data mode at 128Kbps.           |
          +------------------------------------------------------------+
       
          +------------------------------------------------------------+
          |                       CALLBACK DELAY                       |
          |------------------------------------------------------------|
          | Type:        | Configuration                               |
          |--------------+---------------------------------------------|
          | Format:      | AT [cmds] %H=n [cmds]                       |
          |--------------+---------------------------------------------|
          | Default:     | Unidentified                                |
          |--------------+---------------------------------------------|
          | Range:       | 0 - 255                                     |
          |--------------+---------------------------------------------|
          | Unit:        | 1 second                                    |
          |--------------+---------------------------------------------|
          | Description: | Sets the amount of time that the adapter    |
          |              | will wait after a call disconnects before   |
          |              | initiating a callback sequence.             |
          +------------------------------------------------------------+
       
          +------------------------------------------------------------+
          |                       CALLBACK MODE                        |
          |------------------------------------------------------------|
          | Type:        | Configuration                               |
          |--------------+---------------------------------------------|
          | Format:      | AT [cmds] %Gn [cmds]                        |
          |--------------+---------------------------------------------|
          | Description: | Selects when the adapter will call back an  |
          |              | incoming call.                              |
          |--------------+---------------------------------------------|
          |   Command    |                  Function                   |
          |--------------+---------------------------------------------|
          |    í %G0     | Neither initiate nor allow callback         |
          |              | requests.                                   |
          |--------------+---------------------------------------------|
          |     %G1      | Do not initiate callbacks but allow         |
          |              | requests.                                   |
          |--------------+---------------------------------------------|
          |     %G2      | Initiate callbacks but do not allow         |
          |              | requests.                                   |
          |--------------+---------------------------------------------|
          |     %G3      | Initiate callbacks and allow requests.      |
          +------------------------------------------------------------+
       
          +------------------------------------------------------------+
          |                    CALL BUNDLING SOURCE                    |
          |------------------------------------------------------------|
          | Type:        | Configuration                               |
          |--------------+---------------------------------------------|
          | Format:      | AT [cmds] %Jn [cmds]                        |
          |--------------+---------------------------------------------|
          | Description: | Selects which stored number the modem will  |
          |              | dial for the B2 channel when attempting     |
          |              | call bundling. Executing %J0 will use the   |
          |              | same number as was dialed for the B1        |
          |              | channel.                                    |
          +------------------------------------------------------------+
       
          +------------------------------------------------------------+
          |                         CTS SIGNAL                         |
          |------------------------------------------------------------|
          | Type:        | Configuration                               |
          |--------------+---------------------------------------------|
          | Format:      | AT [cmds] &Rn [cmds]                        |
          |--------------+---------------------------------------------|
          | Description: | Controls the behaviour of the CTS signal.   |
          |--------------+---------------------------------------------|
          |   Command    |                  Function                   |
          |--------------+---------------------------------------------|
          |    í &R0     | CTS follows RTS.                            |
          |--------------+---------------------------------------------|
          |     &R1      | CTS forced high.                            |
          |--------------+---------------------------------------------|
          |     &R2      | CTS controlled by remote; high when         |
          |              | connection is made at 48Kbps or less.       |
          +------------------------------------------------------------+
       
          +------------------------------------------------------------+
          |                        DATA FORMAT                         |
          |------------------------------------------------------------|
          | Type:        | Configuration                               |
          |--------------+---------------------------------------------|
          | Format:      | AT [cmds] %Nn [cmds]                        |
          |--------------+---------------------------------------------|
          | Description: | Selects the format of the data from the     |
          |              | serial port.                                |
          |--------------+---------------------------------------------|
          |   Command    |                  Function                   |
          |--------------+---------------------------------------------|
          |     %N0      | 7 data bits, no parity, 1 stop bit.         |
          |--------------+---------------------------------------------|
          |     %N1      | 7 data bits, even parity, 1 stop bit.       |
          |--------------+---------------------------------------------|
          |     %N2      | 8 data bits, odd parity, 1 stop bit.        |
          |--------------+---------------------------------------------|
          |     %N3      | 8 data bits, even parity, 1 stop bit.       |
          |--------------+---------------------------------------------|
          |    í %N4     | 8 data bits, no parity, 1 stop bit.         |
          |--------------+---------------------------------------------|
          |     %N5      | 8 data bits, odd parity, 2 stop bits.       |
          |--------------+---------------------------------------------|
          |     %N6      | 8 data bits, even parity, 2 stop bits.      |
          |--------------+---------------------------------------------|
          |     %N7      | 8 data bits, no parity, 2 stop bits.        |
          +------------------------------------------------------------+
       
          +------------------------------------------------------------+
          |                         DCD SIGNAL                         |
          |------------------------------------------------------------|
          | Type:        | Configuration                               |
          |--------------+---------------------------------------------|
          | Format:      | AT [cmds] &Cn [cmds]                        |
          |--------------+---------------------------------------------|
          | Description: | Controls the behaviour of the DCD signal.   |
          |--------------+---------------------------------------------|
          |   Command    |                  Function                   |
          |--------------+---------------------------------------------|
          |    í &C0     | DCD high when call is synchronized.         |
          |--------------+---------------------------------------------|
          |     &C1      | DCD forced high.                            |
          |--------------+---------------------------------------------|
          |     &C2      | DCD controlled by remote; high when         |
          |              | connection is made at more than 48Kbps.     |
          +------------------------------------------------------------+
       
          +------------------------------------------------------------+
          |                    DISPLAY INFORMATION                     |
          |------------------------------------------------------------|
          | Type:        | Immediate                                   |
          |--------------+---------------------------------------------|
          | Format:      | AT [cmds] In [cmds]                         |
          |--------------+---------------------------------------------|
          | Description: | Displays information requested about the    |
          |              | adapter.                                    |
          |--------------+---------------------------------------------|
          |   Command    |                  Function                   |
          |--------------+---------------------------------------------|
          |      I       | Displays complete identification.           |
          |--------------+---------------------------------------------|
          |      I0      | Displays information about the control      |
          |              | firmware.                                   |
          |--------------+---------------------------------------------|
          |      I1      | Displays information about the ISDN         |
          |              | firmware.                                   |
          |--------------+---------------------------------------------|
          |      I2      | Displays the version of the hardware.       |
          |--------------+---------------------------------------------|
          |      I3      | Displays information about the interface    |
          |              | board.                                      |
          +------------------------------------------------------------+
       
          +------------------------------------------------------------+
          |                       DISPLAY STATUS                       |
          |------------------------------------------------------------|
          | Type:        | Immediate                                   |
          |--------------+---------------------------------------------|
          | Format:      | AT [cmds] %Sn [cmds]                        |
          |--------------+---------------------------------------------|
          | Description: | Displays the status of the indicated part   |
          |              | of the adapter.                             |
          |--------------+---------------------------------------------|
          |   Command    |                  Function                   |
          |--------------+---------------------------------------------|
          |      %S      | Display all information.                    |
          |--------------+---------------------------------------------|
          |     %S0      | Display port status.                        |
          |--------------+---------------------------------------------|
          |     %S1      | Display S0 status.                          |
          |--------------+---------------------------------------------|
          |     %S2      | Display last ISDN error code in hex.        |
          |--------------+---------------------------------------------|
          |     %S3      | Display SPID 1.                             |
          |--------------+---------------------------------------------|
          |     %S4      | Display SPID 2.                             |
          |------------------------------------------------------------|
          |                         DSR SIGNAL                         |
          |------------------------------------------------------------|
          | Type:        | Configuration                               |
          |--------------+---------------------------------------------|
          | Format:      | AT [cmds] &Sn [cmds]                        |
          |--------------+---------------------------------------------|
          | Description: | Controls the behaviour of the DSR signal.   |
          |--------------+---------------------------------------------|
          |   Command    |                  Function                   |
          |--------------+---------------------------------------------|
          |    í &S0     | DSR high when connection is successful.     |
          |--------------+---------------------------------------------|
          |     &S1      | DSR forced high.                            |
          |--------------+---------------------------------------------|
          |     &S2      | DSR controlled by remote; high when         |
          |              | connection is made at more than 48Kbps.     |
          |--------------+---------------------------------------------|
          |     &S3      | DSR high when connection is synchronized.   |
          +------------------------------------------------------------+
       
          +------------------------------------------------------------+
          |                   ISDN B-CHANNEL MAPPING                   |
          |------------------------------------------------------------|
          | Type:        | Configuration                               |
          |--------------+---------------------------------------------|
          | Format:      | AT [cmds] %Qn [cmds]                        |
          |--------------+---------------------------------------------|
          | Description: | Selects how the adapter will map the        |
          |              | B-channel subaddresses.                     |
          |--------------+---------------------------------------------|
          |   Command    |                  Function                   |
          |--------------+---------------------------------------------|
          |    í %Q0     | B-channel mapping disabled.                 |
          |--------------+---------------------------------------------|
          |     %Q1      | B-channel mapping enabled.                  |
          +------------------------------------------------------------+
       
          +------------------------------------------------------------+
          |                  LOCAL SERIAL PORT SPEED                   |
          |------------------------------------------------------------|
          | Type:        | Configuration                               |
          |--------------+---------------------------------------------|
          | Format:      | AT [cmds] %Rn [cmds]                        |
          |--------------+---------------------------------------------|
          | Description: | Selects what speed the local serial port is |
          |              | operating at in asynchronous mode.          |
          |--------------+---------------------------------------------|
          |   Command    |                  Function                   |
          |--------------+---------------------------------------------|
          |     %R0      | Set speed to 300bps.                        |
          |--------------+---------------------------------------------|
          |     %R1      | Set speed to 600bps.                        |
          |--------------+---------------------------------------------|
          |     %R2      | Set speed to 1200bps.                       |
          |--------------+---------------------------------------------|
          |     %R3      | Set speed to 2400bps.                       |
          |--------------+---------------------------------------------|
          |     %R4      | Set speed to 4800bps.                       |
          |--------------+---------------------------------------------|
          |    í %R5     | Set speed to 9600bps.                       |
          |--------------+---------------------------------------------|
          |     %R6      | Set speed to 19.2Kbps.                      |
          |--------------+---------------------------------------------|
          |     %R7      | Set speed to 38.4Kbps.                      |
          +------------------------------------------------------------+
       
          +------------------------------------------------------------+
          |                    MATCH IN-BAND SPEED                     |
          |------------------------------------------------------------|
          | Type:        | Configuration                               |
          |--------------+---------------------------------------------|
          | Format:      | AT [cmds] %An [cmds]                        |
          |--------------+---------------------------------------------|
          | Description: | Selects whether the adapter may switch to   |
          |              | match the in-band speed of the connection.  |
          |--------------+---------------------------------------------|
          | Note:        | This command has no effect in asynchronous  |
          |              | mode.                                       |
          |--------------+---------------------------------------------|
          |   Command    |                  Function                   |
          |--------------+---------------------------------------------|
          |     %A0      | Adapter may switch to lower speed.          |
          |--------------+---------------------------------------------|
          |    í %A1     | Adapter may not switch speed.               |
          |--------------+---------------------------------------------|
          |     %A2      | Adapter may switch to higher speed.         |
          |--------------+---------------------------------------------|
          |     %A3      | Adapter may switch to any speed.            |
          +------------------------------------------------------------+
       
          +------------------------------------------------------------+
          |                     MATCH BEARER SPEED                     |
          |------------------------------------------------------------|
          | Type:        | Configuration                               |
          |--------------+---------------------------------------------|
          | Format:      | AT [cmds] %Bn [cmds]                        |
          |--------------+---------------------------------------------|
          | Description: | Selects whether the adapter may switch to   |
          |              | match the bearer speed of the connection.   |
          |--------------+---------------------------------------------|
          | Note:        | This command has no effect in asynchronous  |
          |              | mode.                                       |
          |--------------+---------------------------------------------|
          |   Command    |                  Function                   |
          |--------------+---------------------------------------------|
          |     %B0      | Adapter may switch to lower speed.          |
          |--------------+---------------------------------------------|
          |    í %B1     | Bearer speed matching disabled.             |
          |--------------+---------------------------------------------|
          |     %B2      | Adapter may switch to higher speed.         |
          |--------------+---------------------------------------------|
          |     %B3      | Adapter may switch to any speed.            |
          |--------------+---------------------------------------------|
          |     %B4      | Bearer speed matching enabled.              |
          +------------------------------------------------------------+
       
          +------------------------------------------------------------+
          |                     PASSWORD CHECKING                      |
          |------------------------------------------------------------|
          | Type:        | Configuration                               |
          |--------------+---------------------------------------------|
          | Format:      | AT [cmds] %Dn [cmds]                        |
          |--------------+---------------------------------------------|
          | Description: | Selects when the adapter will require a     |
          |              | password for configuration changes.         |
          |--------------+---------------------------------------------|
          |   Command    |                  Function                   |
          |--------------+---------------------------------------------|
          |    í %D0     | Require password for remote configuration   |
          |              | changes only.                               |
          |--------------+---------------------------------------------|
          |     %D1      | Require password for all configuration      |
          |              | changes.                                    |
          +------------------------------------------------------------+
       
          +------------------------------------------------------------+
          |                        PASSWORD SET                        |
          |------------------------------------------------------------|
          | Type:        | Configuration                               |
          |--------------+---------------------------------------------|
          | Format:      | AT %C=xxxx                                  |
          |--------------+---------------------------------------------|
          | Description: | Sets the password to a case-sensitive       |
          |              | string of up to ten characters. If no       |
          |              | string is entered the password is returned  |
          |              | to its default.                             |
          +------------------------------------------------------------+
       
          +------------------------------------------------------------+
          |                          PROTOCOL                          |
          |------------------------------------------------------------|
          | Type:        | Register                                    |
          |--------------+---------------------------------------------|
          | Format:      | AT [cmds] S8=n [cmds]                       |
          |--------------+---------------------------------------------|
          | Description: | Selects the bit rate adaptation protocol    |
          |              | the adapter will use.                       |
          |--------------+---------------------------------------------|
          |   Command    |                  Function                   |
          |--------------+---------------------------------------------|
          |     S8=0     | Adapter will use X.30.                      |
          |--------------+---------------------------------------------|
          |     S8=1     | Adapter will use V.110.                     |
          +------------------------------------------------------------+
       
          +------------------------------------------------------------+
          |                     SERVICE INDICATOR                      |
          |------------------------------------------------------------|
          | Type:        | Register                                    |
          |--------------+---------------------------------------------|
          | Format:      | AT [cmds] S6=n [cmds]                       |
          |--------------+---------------------------------------------|
          | Description: | Sets the 1TR6 Service Indicator.            |
          |--------------+---------------------------------------------|
          |   Command    |                  Function                   |
          |--------------+---------------------------------------------|
          |    í S6=3    | 1TR6 Service Indicator set for data         |
          |              | transmission.                               |
          |--------------+---------------------------------------------|
          |     S6=7     | 1TR6 Service Indicator set for X.21         |
          |              | services.                                   |
          +------------------------------------------------------------+
       
          +------------------------------------------------------------+
          |                         SUBADDRESS                         |
          |------------------------------------------------------------|
          | Type:        | Register                                    |
          |--------------+---------------------------------------------|
          | Format:      | AT [cmds] S7=n [cmds]                       |
          |--------------+---------------------------------------------|
          | Description: | Sets the subaddress to a value from 1 to 8. |
          +------------------------------------------------------------+
       
          +------------------------------------------------------------+
          |                     SUBADDRESS COPYING                     |
          |------------------------------------------------------------|
          | Type:        | Configuration                               |
          |--------------+---------------------------------------------|
          | Format:      | AT [cmds] %En [cmds]                        |
          |--------------+---------------------------------------------|
          | Description: | Selects whether the adapter will copy the   |
          |              | subaddress to the call number.              |
          |--------------+---------------------------------------------|
          |   Command    |                  Function                   |
          |--------------+---------------------------------------------|
          |    í %E0     | Subaddress copying disabled.                |
          |--------------+---------------------------------------------|
          |     %E1      | Subaddress copying enabled.                 |
          +------------------------------------------------------------+
       
          +------------------------------------------------------------+
          |                     SUBADDRESS - SETUP                     |
          |------------------------------------------------------------|
          | Type:        | Configuration                               |
          |--------------+---------------------------------------------|
          | Format:      | AT [cmds] %Pn [cmds]                        |
          |--------------+---------------------------------------------|
          | Description: | Selects which subaddress the adapter sends  |
          |              | during call setup.                          |
          |--------------+---------------------------------------------|
          |   Command    |                  Function                   |
          |--------------+---------------------------------------------|
          |    í %P0     | Adapter sends remote port subaddress.       |
          |--------------+---------------------------------------------|
          |     %P1      | Adapter sends local port subaddress.        |
          +------------------------------------------------------------+
       
          +------------------------------------------------------------+
          |                     SUBADDRESS SOURCE                      |
          |------------------------------------------------------------|
          | Type:        | Configuration                               |
          |--------------+---------------------------------------------|
          | Format:      | AT [cmds] %On [cmds]                        |
          |--------------+---------------------------------------------|
          | Description: | Selects the source of the subaddress sent   |
          |              | to the remote system.                       |
          |--------------+---------------------------------------------|
          |   Command    |                  Function                   |
          |--------------+---------------------------------------------|
          |    í %O0     | Taken from call number string.              |
          |--------------+---------------------------------------------|
          |     %O1      | Global call sent in-band.                   |
          |--------------+---------------------------------------------|
          |     %O2      | Stored port subaddress sent in-band.        |
          |--------------+---------------------------------------------|
          |     %O3      | Stored port subaddress sent in-band and     |
          |              | during call setup.                          |
          +------------------------------------------------------------+
       
          +------------------------------------------------------------+
          |                        SWITCH TYPE                         |
          |------------------------------------------------------------|
          | Type:        | Configuration                               |
          |--------------+---------------------------------------------|
          | Format:      | AT [cmds] %Fn [cmds]                        |
          |--------------+---------------------------------------------|
          | Description: | Selects the switch type the adapter is      |
          |              | connected to.                               |
          |--------------+---------------------------------------------|
          |   Command    |                  Function                   |
          |--------------+---------------------------------------------|
          |    í %F0     | Adapter is connected to National NI-1       |
          |              | switch.                                     |
          |--------------+---------------------------------------------|
          |     %F1      | Adapter is connected to AT&T 5E6 switch.    |
          |--------------+---------------------------------------------|
          |     %F2      | Adapter is connected to AT&T 5E8 switch.    |
          |--------------+---------------------------------------------|
          |     %F3      | Adapter is connected to Northern Telecom    |
          |              | DMS-100 switch.                             |
          +------------------------------------------------------------+
       
                         Proprietary V.25bis Command Set
       
          +------------------------------------------------------------+
          |                   CALL REQUESTED NUMBER                    |
          |------------------------------------------------------------|
          | Type:        | Immediate                                   |
          |--------------+---------------------------------------------|
          | Format:      | CRN<#>                                      |
          |--------------+---------------------------------------------|
          | Description: | Dials the number given; it will ignore      |
          |              | spaces and hyphens in the string; if the    |
          |              | string is more than fifty characters long,  |
          |              | a result of INV will be returned.           |
          |--------------+---------------------------------------------|
          |   Command    |                  Function                   |
          |--------------+---------------------------------------------|
          |   CRN<#>*n   | Dials the number indicated and requests     |
          |              | subaddress n.                               |
          |--------------+---------------------------------------------|
          |   CRN<#>/n   | Dials the number indicated and requests     |
          |              | subaddress n.                               |
          +------------------------------------------------------------+
       
          +------------------------------------------------------------+
          |                         CTS SIGNAL                         |
          |------------------------------------------------------------|
          | Type:        | Configuration                               |
          |--------------+---------------------------------------------|
          | Format:      | PRO4;n                                      |
          |--------------+---------------------------------------------|
          | Description: | Controls the behaviour of the CTS signal.   |
          |--------------+---------------------------------------------|
          |   Command    |                  Function                   |
          |--------------+---------------------------------------------|
          |   í PRO4;0   | CTS follows RTS.                            |
          |--------------+---------------------------------------------|
          |    PRO4;1    | CTS forced high.                            |
          |--------------+---------------------------------------------|
          |    PRO4;2    | CTS controlled by remote; high when         |
          |              | connection is made at 48Kbps or less.       |
          +------------------------------------------------------------+
       
          +------------------------------------------------------------+
          |                         DCD SIGNAL                         |
          |------------------------------------------------------------|
          | Type:        | Configuration                               |
          |--------------+---------------------------------------------|
          | Format:      | PRO6;n                                      |
          |--------------+---------------------------------------------|
          | Description: | Controls the behaviour of the DCD signal.   |
          |--------------+---------------------------------------------|
          |   Command    |                  Function                   |
          |--------------+---------------------------------------------|
          |   í PRO6;0   | DCD high when call is synchronized.         |
          |--------------+---------------------------------------------|
          |    PRO6;1    | DCD forced high.                            |
          |--------------+---------------------------------------------|
          |    PRO6;2    | DCD controlled by remote; high when         |
          |              | connection is made at more than 48Kbps.     |
          +------------------------------------------------------------+
       
          +------------------------------------------------------------+
          |                  DISPLAY COMMAND SETTING                   |
          |------------------------------------------------------------|
          | Type:        | Immediate                                   |
          |--------------+---------------------------------------------|
          | Format:      | RLO n                                       |
          |--------------+---------------------------------------------|
          | Description: | Displays the setting of the indicated       |
          |              | option set with PROn; the adapter will      |
          |              | respond with LSOn;a where a is the setting. |
          |              | Two values may be displayed that may not be |
          |              | set with PROn. They are listed below. If no |
          |              | value is given all options are listed.      |
          |------------------------------------------------------------|
          |     Command     |  Value   |            Meaning            |
          |-----------------+----------+-------------------------------|
          |      RLO 8      |    0     | Terminal is in asynchronous   |
          |                 |          | mode.                         |
          |-----------------+----------+-------------------------------|
          |                 |    1     | Terminal is in synchronous    |
          |                 |          | mode.                         |
          |-----------------+----------+-------------------------------|
          |      RLO 9      |    3     | 1TR6 Service Indicator set    |
          |                 |          | for data transmission.        |
          |-----------------+----------+-------------------------------|
          |                 |    7     | 1TR6 Service Indicator set    |
          |                 |          | for X.21 services.            |
          +------------------------------------------------------------+
       
          +------------------------------------------------------------+
          |                   DISPLAY STORED NUMBER                    |
          |------------------------------------------------------------|
          | Type:        | Immediate                                   |
          |--------------+---------------------------------------------|
          | Format:      | RLN n                                       |
          |--------------+---------------------------------------------|
          | Description: | Displays the telephone number stored in     |
          |              | memory location n. If no location is        |
          |              | specified, all stored numbers are listed.   |
          +------------------------------------------------------------+
       
          +------------------------------------------------------------+
          |                         DSR SIGNAL                         |
          |------------------------------------------------------------|
          | Type:        | Configuration                               |
          |--------------+---------------------------------------------|
          | Format:      | PRO5;n                                      |
          |--------------+---------------------------------------------|
          | Description: | Controls the behaviour of the DSR signal.   |
          |--------------+---------------------------------------------|
          |   Command    |                  Function                   |
          |--------------+---------------------------------------------|
          |   í PRO5;0   | DSR high when connection is successful.     |
          |--------------+---------------------------------------------|
          |    PRO5;1    | DSR forced high.                            |
          |--------------+---------------------------------------------|
          |    PRO5;2    | DSR controlled by remote; high when         |
          |              | connection is made at more than 48Kbps.     |
          |--------------+---------------------------------------------|
          |    PRO5;3    | DSR high when connection is synchronized.   |
          +------------------------------------------------------------+
       
          +------------------------------------------------------------+
          |                            ECHO                            |
          |------------------------------------------------------------|
          | Type:        | Configuration                               |
          |--------------+---------------------------------------------|
          | Format:      | PRO2;n                                      |
          |--------------+---------------------------------------------|
          | Description: | Selects whether the modem will echo data    |
          |              | received from the DTE back.                 |
          |--------------+---------------------------------------------|
          | Note:        | This command has no effect in synchronous   |
          |              | mode.                                       |
          |--------------+---------------------------------------------|
          |   Command    |                  Function                   |
          |--------------+---------------------------------------------|
          |    PRO2;0    | Echo disabled.                              |
          |--------------+---------------------------------------------|
          |   í PRO2;1   | Echo enabled.                               |
          +------------------------------------------------------------+
       
          +------------------------------------------------------------+
          |                 INCOMING CALL INFORMATION                  |
          |------------------------------------------------------------|
          | Type:        | Configuration                               |
          |--------------+---------------------------------------------|
          | Format:      | PRO7;n                                      |
          |--------------+---------------------------------------------|
          | Description: | Selects whether the INC message is V.25bis  |
          |              | standard or displays extra information.     |
          |--------------+---------------------------------------------|
          |   Command    |                  Function                   |
          |--------------+---------------------------------------------|
          |    PRO7;0    | INC message is V.25bis standard.            |
          |--------------+---------------------------------------------|
          |    PRO7;1    | INC message displays extra information.     |
          +------------------------------------------------------------+
       
          +------------------------------------------------------------+
          |                          PROTOCOL                          |
          |------------------------------------------------------------|
          | Type:        | Register                                    |
          |--------------+---------------------------------------------|
          | Format:      | PRO3;n                                      |
          |--------------+---------------------------------------------|
          | Description: | Selects the bit rate adaptation protocol    |
          |              | the adapter will use.                       |
          |--------------+---------------------------------------------|
          |   Command    |                  Function                   |
          |--------------+---------------------------------------------|
          |    PRO3;0    | Adapter will use X.30.                      |
          |--------------+---------------------------------------------|
          |    PRO3;1    | Adapter will use V.110.                     |
          +------------------------------------------------------------+
       
          +------------------------------------------------------------+
          |                  RESET TO SWITCH DEFAULTS                  |
          |------------------------------------------------------------|
          | Type:        | Immediate                                   |
          |--------------+---------------------------------------------|
          | Format:      | PRO0;0                                      |
          |--------------+---------------------------------------------|
          | Description: | Resets the configuration of the adapter to  |
          |              | the settings of S1, S2, and S3.             |
          +------------------------------------------------------------+
       
          +------------------------------------------------------------+
          |                         SUBADDRESS                         |
          |------------------------------------------------------------|
          | Type:        | Configuration                               |
          |--------------+---------------------------------------------|
          | Format:      | PRO1;n                                      |
          |--------------+---------------------------------------------|
          | Description: | Sets the subaddress to a value from 1 to 8. |
          +------------------------------------------------------------+