URI: 
  TEXT View Source
       
       # E-TECH RESEARCH, INC.
       
          UFOMATE P1414MX
       
          Card Type              Modem(asynchronous)                     
          Chip Set               Unidentified                            
          Maximum Data Rate      14.4Kbps                                
          Maximum Fax Rate       14.4Kbps                                
          Data Bus               External                                
          Fax Class              Class I & II                            
          Data Modulation        Bell 103A/212A                          
          Protocol                                                       
                                 ITU-T V.21, V.22, V.22bis, V.23, V.32,  
                                 V.32bis                                 
          Fax Modulation         ITU-T V.17, V.21CH2, V.27ter, V.29      
          Protocol               
          Error                  MNP5, V.42, V.42bis                     
          Correction/Compression 
       
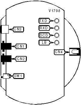
   IMG IMG 1
          
       
          +------------------------------------------------------------+
          |                        CONNECTIONS                         |
          |------------------------------------------------------------|
          |       Function        | Label  |   Function    |   Label   |
          |------------------------------------------------------------|
          | Line in                   |   CN1    | Power in     | CN4  |
          |---------------------------+----------+--------------+------|
          | Line out                  |   CN2    | Power switch | SW1  |
          |---------------------------+----------+--------------+------|
          | RS-232/422                |   CN3    |              |      |
          +------------------------------------------------------------+
       
          +------------------------------------------------------------+
          |                     DIAGNOSTIC LED(S)                      |
          |------------------------------------------------------------|
          | LED | Color | Status |              Condition              |
          |-----+-------+--------+-------------------------------------|
          | TXD |  Red  |   On   |     Modem is transmitting data      |
          |-----+-------+--------+-------------------------------------|
          | TXD |  Red  |  Off   |   Modem is not transmitting data    |
          |-----+-------+--------+-------------------------------------|
          | RXD |  Red  |   On   |       Modem is receiving data       |
          |-----+-------+--------+-------------------------------------|
          | RXD |  Red  |  Off   |     Modem is not receiving data     |
          |-----+-------+--------+-------------------------------------|
          | DCD |  Red  |   On   |       Carrier signal detected       |
          |-----+-------+--------+-------------------------------------|
          | DCD |  Red  |  Off   |     Carrier signal not detected     |
          |-----+-------+--------+-------------------------------------|
          | LB  |  Red  |   On   |  Battery is low (ten minutes power  |
          |     |       |        |             remaining)              |
          |-----+-------+--------+-------------------------------------|
          | LB  |  Red  |  Off   |          Normal operation           |
          +------------------------------------------------------------+
       
                            Proprietary AT Command Set
       
          +------------------------------------------------------------+
          |                  BIT-MAPPED REGISTER S14                   |
          |------------------------------------------------------------|
          | Format:         | AT [cmds] S14=n [cmds]                   |
          |-----------------+------------------------------------------|
          | Default:        | Read only                                |
          |-----------------+------------------------------------------|
          | Range:          | 0 - 255                                  |
          |-----------------+------------------------------------------|
          | Description:    | Displays command echo, result codes,     |
          |                 | pulse/tone, buffer size and              |
          |                 | answer/originate                         |
          |------------------------------------------------------------|
          |   Bit    |  Value   |               Function               |
          |----------+----------+--------------------------------------|
          |    0     |        0 | Not used                             |
          |------------------------------------------------------------|
          |      1       |      0 | Command echo disabled              |
          |              |        |                                    |
          |              |      1 | Command echo enabled               |
          |--------------+--------+------------------------------------|
          |      2       |      0 | Result codes enabled               |
          |              |        |                                    |
          |              |      1 | Result codes disabled              |
          |--------------+--------+------------------------------------|
          |      3       |      0 | Numeric result codes enabled       |
          |              |        |                                    |
          |              |        | Verbose result codes enabled       |
          |--------------+--------+------------------------------------|
          |      4       |      0 | Not used                           |
          |--------------+--------+------------------------------------|
          |      5       |      0 | Pulse dialing enabled              |
          |              |        |                                    |
          |              |      1 | Tone dialing enabled               |
          |--------------+--------+------------------------------------|
          |      6       |      0 | Normal buffer size                 |
          |              |        |                                    |
          |              |      1 | Small buffer                       |
          |--------------+--------+------------------------------------|
          |      7       |      0 | Answer mode                        |
          |              |        |                                    |
          |              |      1 | Originate mode                     |
          +------------------------------------------------------------+
       
          +------------------------------------------------------------+
          |                  BIT-MAPPED REGISTER S21                   |
          |------------------------------------------------------------|
          | Format:        | AT [cmds] S21=n [cmds]                    |
          |----------------+-------------------------------------------|
          | Default:       | 32                                        |
          |----------------+-------------------------------------------|
          | Range:         | 0 - 255                                   |
          |----------------+-------------------------------------------|
          | Description:   | Controls DTR, DCD and long space          |
          |                | disconnect                                |
          |------------------------------------------------------------|
          |   Bit   | Value |                 Function                 |
          |------------------------------------------------------------|
          |    4, 3     |  í | DTR ignored                             |
          |             | 00 |                                         |
          |             |    | Escape command state on low DTR, remain |
          |             | 01 | off hook                                |
          |             |    |                                         |
          |             | 10 | Go on hook and auto answer disabled     |
          |             |    |                                         |
          |             | 11 | Reset on low DTR                        |
          |-------------+----+-----------------------------------------|
          |      5      |  í | DCD forced high or Computer Systems     |
          |             |  0 | Interface compliant                     |
          |             |    |                                         |
          |             |  1 | DCD normal or Port Contender compliant  |
          |-------------+----+-----------------------------------------|
          |      6      |  0 | Not used                                |
          |-------------+----+-----------------------------------------|
          |      7      |  0 | Long space disconnect disabled          |
          |             |    |                                         |
          |             |  í | Long space disconnect enabled           |
          |             |  1 |                                         |
          +------------------------------------------------------------+
       
          +------------------------------------------------------------+
          |                  BIT-MAPPED REGISTER S22                   |
          |------------------------------------------------------------|
          | Format:         | AT [cmds] S22=n [cmds]                   |
          |-----------------+------------------------------------------|
          | Default:        | 68                                       |
          |-----------------+------------------------------------------|
          | Range:          | 0 - 255                                  |
          |-----------------+------------------------------------------|
          | Description:    | Controls speaker, extended result codes  |
          |                 | and Break/make ratio                     |
          |------------------------------------------------------------|
          |   Bit    | Value  |                Function                |
          |------------------------------------------------------------|
          |     3, 2     |  00 | Speaker disabled                      |
          |              |     |                                       |
          |              |  01 | Speaker disabled until DCD high       |
          |              |     |                                       |
          |              |   í | Speaker enabled                       |
          |              |  10 |                                       |
          |              |     | Speaker after dialing until DCD high  |
          |              |  11 |                                       |
          |--------------+-----+---------------------------------------|
          |   6, 5, 4    | 000 | Disabled                              |
          |              |     |                                       |
          |              | 001 | Enable extended result codes          |
          |              |     |                                       |
          |              | 010 | Enable extended result codes and dial |
          |              |     | tone detect                           |
          |              | 011 |                                       |
          |              |     | Enable extended result codes and busy |
          |              |   í | signal detect                         |
          |              | 100 |                                       |
          |              |     | Enable dial tone detect and busy      |
          |              |     | signal detect                         |
          |--------------+-----+---------------------------------------|
          |      7       | í 0 | Break/make ratio 61/39                |
          |              |     |                                       |
          |              |   1 | Break/make ratio 67/33                |
          +------------------------------------------------------------+
       
          +------------------------------------------------------------+
          |                  BIT-MAPPED REGISTER S23                   |
          |------------------------------------------------------------|
          | Format:        | AT [cmds] S23=n [cmds]                    |
          |----------------+-------------------------------------------|
          | Default:       | 23                                        |
          |----------------+-------------------------------------------|
          | Range:         | 0 -255                                    |
          |----------------+-------------------------------------------|
          | Description:   | Controls test options, serial port speed, |
          |                | parity and guard tone                     |
          |------------------------------------------------------------|
          |   Bit   | Value |                 Function                 |
          |---------+-------+------------------------------------------|
          |    0    |     0 | Remotely requested remote digital        |
          |         |       | loopback disabled                        |
          |         |   í 1 |                                          |
          |         |       | Remotely requested remote digital        |
          |         |       | loopback enabled                         |
          |------------------------------------------------------------|
          |      1      |  0 | DTE speed of less than 2400bps only     |
          |             |    | enabled                                 |
          |             |  í |                                         |
          |             |  1 | DTE speed of 2400bps or greater only    |
          |             |    | enabled                                 |
          |-------------+----+-----------------------------------------|
          |      2      |  0 | DTE speed of less than 1200bps only     |
          |             |    | enabled                                 |
          |             |  í |                                         |
          |             |  1 | DTE speed of 1200bps or greater only    |
          |             |    | enabled                                 |
          |-------------+----+-----------------------------------------|
          |    4, 3     | 00 | Parity even                             |
          |             |    |                                         |
          |             |  í | Parity space                            |
          |             | 01 |                                         |
          |             |    | Parity odd                              |
          |             | 10 |                                         |
          |             |    | Parity null                             |
          |             | 11 |                                         |
          |-------------+----+-----------------------------------------|
          |      6      |  í | Guard tone disabled                     |
          |             | 00 |                                         |
          |             |    | 550Hz guard tone enabled                |
          |             | 01 |                                         |
          |             |    | 1800Hz guard tone enabled               |
          |             | 10 |                                         |
          +------------------------------------------------------------+
       
          +------------------------------------------------------------+
          |                  BIT-MAPPED REGISTER S24                   |
          |------------------------------------------------------------|
          | Format:          | AT [cmds] S24=n [cmds]                  |
          |------------------+-----------------------------------------|
          | Default:         | 2                                       |
          |------------------+-----------------------------------------|
          | Range:           | 0 - 255                                 |
          |------------------+-----------------------------------------|
          | Description:     | Controls compromise equalization        |
          |------------------------------------------------------------|
          |   Bit   |     Value     |             Function             |
          |------------------------------------------------------------|
          |  3, 2, 1, 0  |          0000 | 0dB equalization            |
          |              |               |                             |
          |              |          0001 | 2dB equalization            |
          |              |               |                             |
          |              |        í 0010 | 4dB equalization            |
          |              |               |                             |
          |              |          0011 | 6dB equalization            |
          |              |               |                             |
          |              |          0100 | 8dB equalization            |
          |              |               |                             |
          |              |          0101 | 10dB equalization           |
          |              |               |                             |
          |              |          0110 | 12dB equalization           |
          |              |               |                             |
          |              |          0111 | 14dB equalization           |
          +------------------------------------------------------------+
       
          +------------------------------------------------------------+
          |                  BIT-MAPPED REGISTER S28                   |
          |------------------------------------------------------------|
          | Format:           | AT [cmds] S28=n [cmds]                 |
          |-------------------+----------------------------------------|
          | Default:          | 49                                     |
          |-------------------+----------------------------------------|
          | Range:            | 0 - 255                                |
          |-------------------+----------------------------------------|
          | Description:      | Controls speaker and error correction  |
          |------------------------------------------------------------|
          |    Bit     | Value  |               Function               |
          |------------+--------+--------------------------------------|
          | 3, 2, 1, 0 |   0000 | Speaker disabled                     |
          |            |        |                                      |
          |            | í 0001 | Speaker disabled until DCD high      |
          |            |        |                                      |
          |            |   0010 | Speaker enabled                      |
          |            |        |                                      |
          |            |   0011 | Speaker while dialing until DCD high |
          |------------------------------------------------------------|
          |   7, 6, 5, 4   |           0000 | Normal mode              |
          |                |                |                          |
          |                |           0001 | Auto MNP mode            |
          |                |                |                          |
          |                |           0010 | MNP mode                 |
          |                |                |                          |
          |                |         í 0011 | Auto V.42 mode           |
          |                |                |                          |
          |                |           0100 | LAPM mode                |
          +------------------------------------------------------------+
       
          +------------------------------------------------------------+
          |                  BIT-MAPPED REGISTER S29                   |
          |------------------------------------------------------------|
          | Format:           | AT [cmds] S29=n [cmds]                 |
          |-------------------+----------------------------------------|
          | Default:          | 16                                     |
          |-------------------+----------------------------------------|
          | Range:            | 0 - 255                                |
          |-------------------+----------------------------------------|
          | Description:      | Controls DTR and carrier control       |
          |------------------------------------------------------------|
          |    Bit     | Value  |               Function               |
          |------------+--------+--------------------------------------|
          | 3, 2, 1, 0 |   0000 | DTR ignored                          |
          |            |        |                                      |
          |            |   0001 | Escape command state on low DTR,     |
          |            |        | remain off hook                      |
          |            |   0010 |                                      |
          |            |        | Go on hook and auto answer disabled  |
          |            |   0011 |                                      |
          |            |        | Reset on low DTR                     |
          |------------------------------------------------------------|
          |   7, 6, 5, 4   |   0000 | DCD forced high                  |
          |                |        |                                  |
          |                |   0001 | DCD follows remote modem         |
          |                |        |                                  |
          |                |   0010 | Conforms to Computer Systems     |
          |                |        | Interface                        |
          |                |   0011 |                                  |
          |                |        | Conforms to Port Contender       |
          +------------------------------------------------------------+
       
          +------------------------------------------------------------+
          |                        BUFFER SIZE                         |
          |------------------------------------------------------------|
          | Type:        | Configuration                               |
          |--------------+---------------------------------------------|
          | Format:      | AT [cmds] $Bn [cmds]                        |
          |--------------+---------------------------------------------|
          | Description: | Controls buffer size                        |
          |------------------------------------------------------------|
          |    Command     |                 Function                  |
          |----------------+-------------------------------------------|
          |     í $B0      | Normal buffer size (2.2K)                 |
          |----------------+-------------------------------------------|
          |      $B1       | Reduce buffer size to 1.5K                |
          +------------------------------------------------------------+
       
          +------------------------------------------------------------+
          |                          CANCELER                          |
          |------------------------------------------------------------|
          | Type:        | Configuration                               |
          |--------------+---------------------------------------------|
          | Format:      | AT [cmds] $An [cmds]                        |
          |--------------+---------------------------------------------|
          | Description: | Controls echo canceler length               |
          |------------------------------------------------------------|
          |    Command    |                  Function                  |
          |---------------+--------------------------------------------|
          |      $A0      | Standard canceler enabled                  |
          |---------------+--------------------------------------------|
          |     í $A1     | Long canceler for round trip delays of     |
          |               | over 36.833ms enabled                      |
          +------------------------------------------------------------+
       
          +------------------------------------------------------------+
          |                       CARRIER DETECT                       |
          |------------------------------------------------------------|
          | Type:        | Configuration                               |
          |--------------+---------------------------------------------|
          | Format:      | AT [cmds] &Cn [cmds]                        |
          |--------------+---------------------------------------------|
          | Description: | Controls DCD, Computer Systems Interface    |
          |              | and Port Contender                          |
          |------------------------------------------------------------|
          |    Command    |                  Function                  |
          |---------------+--------------------------------------------|
          |      &C0      | DCD forced high                            |
          |---------------+--------------------------------------------|
          |     í &C1     | DCD follows remote modem                   |
          |---------------+--------------------------------------------|
          |      &C2      | Conforms to Computer Systems Interface     |
          |---------------+--------------------------------------------|
          |      &C3      | Conforms to Port Contender                 |
          +------------------------------------------------------------+
       
          +------------------------------------------------------------+
          |                        COMPRESSION                         |
          |------------------------------------------------------------|
          | Type:        | Configuration                               |
          |--------------+---------------------------------------------|
          | Format:      | AT [cmds] $Cn [cmds]                        |
          |--------------+---------------------------------------------|
          | Description: | Controls data compression                   |
          |------------------------------------------------------------|
          |    Command     |                 Function                  |
          |----------------+-------------------------------------------|
          |      $C0       | Data compression disabled                 |
          |----------------+-------------------------------------------|
          |     í $C1      | Data compression enabled                  |
          +------------------------------------------------------------+
       
          +------------------------------------------------------------+
          |                   CONNECT/SPEED MESSAGE                    |
          |------------------------------------------------------------|
          | Type:        | Configuration                               |
          |--------------+---------------------------------------------|
          | Format:      | AT [cmds] $Xn [cmds]                        |
          |--------------+---------------------------------------------|
          | Description: | Controls connect and speed message          |
          |              | displayed                                   |
          |------------------------------------------------------------|
          |    Command    |                  Function                  |
          |---------------+--------------------------------------------|
          |      $X0      | Normal connect and DCE speed message       |
          |               | enabled                                    |
          |---------------+--------------------------------------------|
          |      $X1      | Normal connect and DTE speed message       |
          |               | enabled                                    |
          |---------------+--------------------------------------------|
          |     í $X2     | Extended connect and DCE speed message     |
          |               | enabled                                    |
          |---------------+--------------------------------------------|
          |      $X3      | Extended connect and DTE speed message     |
          |               | enabled                                    |
          +------------------------------------------------------------+
       
          +------------------------------------------------------------+
          |                       DIAL INTERRUPT                       |
          |------------------------------------------------------------|
          | Type:        | Configuration                               |
          |--------------+---------------------------------------------|
          | Format:      | AT [cmds] $Kn [cmds]                        |
          |--------------+---------------------------------------------|
          | Description: | Controls dial interrupt                     |
          |------------------------------------------------------------|
          |    Command     |                 Function                  |
          |----------------+-------------------------------------------|
          |      $K0       | Dial interrupt disabled                   |
          |----------------+-------------------------------------------|
          |     í $K1      | Dial interrupt enabled                    |
          +------------------------------------------------------------+
       
          +------------------------------------------------------------+
          |                 DISPLAY STORED INFORMATION                 |
          |------------------------------------------------------------|
          | Type:        | Configuration                               |
          |--------------+---------------------------------------------|
          | Format:      | AT [cmds] &Vn [cmds]                        |
          |--------------+---------------------------------------------|
          | Description: | Displays stored phone numbers,              |
          |              | configuration profiles and S registers      |
          |------------------------------------------------------------|
          |    Command    |                  Function                  |
          |---------------+--------------------------------------------|
          |      &V0      | Display stored phone numbers               |
          |---------------+--------------------------------------------|
          |      &V1      | Display current configuration profiles     |
          |---------------+--------------------------------------------|
          |      &V2      | Display contents of S registers            |
          |---------------+--------------------------------------------|
          |      &V3      | Display stored profiles briefly            |
          +------------------------------------------------------------+
       
          +------------------------------------------------------------+
          |                         DSR SIGNAL                         |
          |------------------------------------------------------------|
          | Type:        | Configuration                               |
          |--------------+---------------------------------------------|
          | Format:      | AT [cmds] &Sn [cmds]                        |
          |--------------+---------------------------------------------|
          | Description: | Controls DSR, Computer Systems Interface    |
          |              | and Port Contender                          |
          |------------------------------------------------------------|
          |    Command    |                  Function                  |
          |---------------+--------------------------------------------|
          |     í &S0     | DSR forced high                            |
          |---------------+--------------------------------------------|
          |      &S1      | DSR follows remote modem                   |
          |---------------+--------------------------------------------|
          |      &S2      | Conforms to Computer Systems Interface     |
          |---------------+--------------------------------------------|
          |      &S3      | Conforms to Port Contender                 |
          +------------------------------------------------------------+
       
          +------------------------------------------------------------+
          |                        EQUALIZATION                        |
          |------------------------------------------------------------|
          | Type:        | Configuration                               |
          |--------------+---------------------------------------------|
          | Format:      | AT [cmds] $Qn [cmds]                        |
          |--------------+---------------------------------------------|
          | Description: | Controls compromise equalization            |
          |------------------------------------------------------------|
          |       Command        |              Function               |
          |----------------------+-------------------------------------|
          |         $Q0          | 0dB equalization                    |
          |----------------------+-------------------------------------|
          |         $Q1          | 2dB equalization                    |
          |----------------------+-------------------------------------|
          |        í $Q2         | 4dB equalization                    |
          |----------------------+-------------------------------------|
          |         $Q3          | 6dB equalization                    |
          |----------------------+-------------------------------------|
          |         $Q4          | 8dB equalization                    |
          |----------------------+-------------------------------------|
          |         $Q5          | 10dB equalization                   |
          |----------------------+-------------------------------------|
          |         $Q6          | 12dB equalization                   |
          |----------------------+-------------------------------------|
          |         $Q7          | 14dB equalization                   |
          +------------------------------------------------------------+
       
          +------------------------------------------------------------+
          |                        FLOW CONTROL                        |
          |------------------------------------------------------------|
          | Type:        | Configuration                               |
          |--------------+---------------------------------------------|
          | Format:      | AT [cmds] $Fn [cmds]                        |
          |--------------+---------------------------------------------|
          | Description: | Controls XON/XOFF, ENQ/ACK, DTR/DSR and     |
          |              | CTS/RTS flow control                        |
          |------------------------------------------------------------|
          |      Command       |               Function                |
          |--------------------+---------------------------------------|
          |        $F0         | XON/XOFF enabled                      |
          |--------------------+---------------------------------------|
          |        $F1         | XON/XOFF passthrough enabled          |
          |--------------------+---------------------------------------|
          |        $F2         | ENQ/ACK enabled                       |
          |--------------------+---------------------------------------|
          |        $F3         | DTR/DSR enabled                       |
          |--------------------+---------------------------------------|
          |       í $F4        | CTS/RTS enabled                       |
          |--------------------+---------------------------------------|
          |        $F5         | Flow control disabled                 |
          +------------------------------------------------------------+
       
          +------------------------------------------------------------+
          |                      INACTIVITY TIMER                      |
          |------------------------------------------------------------|
          | Type        | Configuration                                |
          |-------------+----------------------------------------------|
          | Format      | AT [cmds] S36=n [cmds]                       |
          |-------------+----------------------------------------------|
          | Default     | 0                                            |
          |-------------+----------------------------------------------|
          | Range       | 0 - 255                                      |
          |-------------+----------------------------------------------|
          | Unit        | 1 minute                                     |
          |-------------+----------------------------------------------|
          | Description | Sets length of time the modem waits before   |
          |             | disconnect if no data sent or received       |
          +------------------------------------------------------------+
       
          +------------------------------------------------------------+
          |                         LINE SPEED                         |
          |------------------------------------------------------------|
          | Type:        | Configuration                               |
          |--------------+---------------------------------------------|
          | Format:      | AT [cmds] S37=n [cmds]                      |
          |--------------+---------------------------------------------|
          | Description: | Controls speed at which modem attempts to   |
          |              | connect                                     |
          |------------------------------------------------------------|
          |    Command    |                  Function                  |
          |---------------+--------------------------------------------|
          |    í S37=0    | Line speed follows DTE speed. If DTE is    |
          |               | over 9600bps, attempt connect at 14.4Kbps  |
          |---------------+--------------------------------------------|
          |     S37=1     | Connect at V.23 75/1200bps                 |
          |---------------+--------------------------------------------|
          |     S37=2     | Not used                                   |
          |---------------+--------------------------------------------|
          |     S37=3     | Connect at 300bps                          |
          |---------------+--------------------------------------------|
          |     S37=4     | Not used                                   |
          |---------------+--------------------------------------------|
          |     S37=5     | Connect at 1200bps                         |
          |---------------+--------------------------------------------|
          |     S37=6     | Connect at 2400bps                         |
          |---------------+--------------------------------------------|
          |     S37=7     | Connect at 4800bps                         |
          |---------------+--------------------------------------------|
          |     S37=8     | Not used                                   |
          |---------------+--------------------------------------------|
          |     S37=9     | Connect at 9600bps                         |
          |---------------+--------------------------------------------|
          |    S37=10     | Not used                                   |
          |---------------+--------------------------------------------|
          |    S37=11     | Not used                                   |
          +------------------------------------------------------------+
       
          +------------------------------------------------------------+
          |                         LINE SPEED                         |
          |------------------------------------------------------------|
          | Type:        | Configuration                               |
          |--------------+---------------------------------------------|
          | Format:      | AT [cmds] &Ln [cmds]                        |
          |--------------+---------------------------------------------|
          | Description: | Controls speed at which modem attempts to   |
          |              | connect                                     |
          |------------------------------------------------------------|
          |    Command    |                  Function                  |
          |---------------+--------------------------------------------|
          |     í &L0     | Line speed follows DTE speed. If DTE is    |
          |               | over 9600bps, attempt connect at 14.4Kbps  |
          |---------------+--------------------------------------------|
          |      &L1      | Connect at V.23 75/1200bps                 |
          |---------------+--------------------------------------------|
          |      &L2      | Not used                                   |
          |---------------+--------------------------------------------|
          |      &L3      | Connect at 300bps                          |
          |---------------+--------------------------------------------|
          |      &L4      | Not used                                   |
          |---------------+--------------------------------------------|
          |      &L5      | Connect at 1200bps                         |
          |---------------+--------------------------------------------|
          |      &L6      | Connect at 2400bps                         |
          |---------------+--------------------------------------------|
          |      &L7      | Connect at 4800bps                         |
          |---------------+--------------------------------------------|
          |      &L8      | Not used                                   |
          |---------------+--------------------------------------------|
          |      &L9      | Connect at 9600bps                         |
          |---------------+--------------------------------------------|
          |     &L10      | Not used                                   |
          |---------------+--------------------------------------------|
          |     &L11      | Not used                                   |
          +------------------------------------------------------------+
       
          +------------------------------------------------------------+
          |                           PARITY                           |
          |------------------------------------------------------------|
          | Format:        | AT [cmds] S30=n [cmds]                    |
          |----------------+-------------------------------------------|
          | Default:       | 0                                         |
          |----------------+-------------------------------------------|
          | Range:         | 0 - 255                                   |
          |----------------+-------------------------------------------|
          | Description:   | Controls parity                           |
          |------------------------------------------------------------|
          |   Bit   |  Value   |               Function                |
          |------------------------------------------------------------|
          |    1, 0     |       00 | Parity space                      |
          |             |          |                                   |
          |             |       01 | Parity even                       |
          |             |          |                                   |
          |             |       10 | Parity null                       |
          |             |          |                                   |
          |             |       11 | Parity odd                        |
          +------------------------------------------------------------+
       
          +------------------------------------------------------------+
          |                          PROTOCOL                          |
          |------------------------------------------------------------|
          | Format:        | AT [cmds] S27=n [cmds]                    |
          |----------------+-------------------------------------------|
          | Default:       | 64                                        |
          |----------------+-------------------------------------------|
          | Range:         | 0 - 255                                   |
          |----------------+-------------------------------------------|
          | Description:   | Selects data modulation protocol          |
          |------------------------------------------------------------|
          |   Bit    |      Value      |           Function            |
          |----------+-----------------+-------------------------------|
          |    0     |             í 0 | ITU-T mode                    |
          |          |                 |                               |
          |          |               1 | Bell mode                     |
          +------------------------------------------------------------+
       
          +------------------------------------------------------------+
          |                          PROTOCOL                          |
          |------------------------------------------------------------|
          | Type:        | Configuration                               |
          |--------------+---------------------------------------------|
          | Format:      | AT [cmds] $En [cmds]                        |
          |--------------+---------------------------------------------|
          | Description: | Controls protocol used                      |
          |------------------------------------------------------------|
          |      Command      |                Function                |
          |-------------------+----------------------------------------|
          |        $E0        | Normal mode                            |
          |-------------------+----------------------------------------|
          |       í $E1       | Auto MNP mode                          |
          |-------------------+----------------------------------------|
          |        $E2        | MNP mode                               |
          |-------------------+----------------------------------------|
          |        $E3        | Auto V.42 mode                         |
          |-------------------+----------------------------------------|
          |        $E4        | LAPM mode                              |
          +------------------------------------------------------------+
       
          +------------------------------------------------------------+
          |                          RETRAIN                           |
          |------------------------------------------------------------|
          | Format:          | AT [cmds] S15=n [cmds]                  |
          |------------------+-----------------------------------------|
          | Default:         | 5                                       |
          |------------------+-----------------------------------------|
          | Range:           | 0 -255                                  |
          |------------------+-----------------------------------------|
          | Description:     | Controls number of retrains per minute  |
          |                  | allowed                                 |
          |------------------------------------------------------------|
          |    Bit    |  Value  |               Function               |
          |-----------+---------+--------------------------------------|
          | 3, 2, 1,  |    0000 | Not used                             |
          |     0     |         |                                      |
          |------------------------------------------------------------|
          |  7, 6, 5, 4   |    í | Disconnect If more than four        |
          |               | 0000 | retrain attempts in three minutes   |
          |               |      |                                     |
          |               | 0001 | Disconnect If more than four        |
          |               |      | retrain attempts in four minutes    |
          |               | 0010 |                                     |
          |               |      | Disconnect If more than four        |
          |               | 0011 | retrain attempts in five minutes    |
          |               |      |                                     |
          |               | 0100 | Unlimited retrain allowed           |
          |               |      |                                     |
          |               |      | Retrain disabled                    |
          +------------------------------------------------------------+
       
          +------------------------------------------------------------+
          |                       RETRAIN LIMIT                        |
          |------------------------------------------------------------|
          | Type:        | Configuration                               |
          |--------------+---------------------------------------------|
          | Format:      | AT [cmds] &En [cmds]                        |
          |--------------+---------------------------------------------|
          | Description: | Controls number of retrains per minute      |
          |              | allowed                                     |
          |------------------------------------------------------------|
          |    Command     |                 Function                  |
          |----------------+-------------------------------------------|
          |     í &E0      | Disconnect If more than four retrain      |
          |                | attempts in three minutes                 |
          |----------------+-------------------------------------------|
          |      &E1       | Disconnect If more than four retrain      |
          |                | attempts in four minutes                  |
          |----------------+-------------------------------------------|
          |      &E2       | Disconnect If more than four retrain      |
          |                | attempts in five minutes                  |
          |----------------+-------------------------------------------|
          |      &E3       | Unlimited retrain allowed                 |
          |----------------+-------------------------------------------|
          |      &E4       | Retrain disabled                          |
          +------------------------------------------------------------+
       
          +------------------------------------------------------------+
          |                      SPEED CONVERSION                      |
          |------------------------------------------------------------|
          | Type:        | Configuration                               |
          |--------------+---------------------------------------------|
          | Format:      | AT [cmds] $Sn [cmds]                        |
          |--------------+---------------------------------------------|
          | Description: | Controls speed conversion                   |
          |------------------------------------------------------------|
          |    Command     |                 Function                  |
          |----------------+-------------------------------------------|
          |      $S0       | Speed conversion enabled                  |
          |----------------+-------------------------------------------|
          |  í $S1 - $S8   | Speed conversion disabled                 |
          +------------------------------------------------------------+
       
          +------------------------------------------------------------+
          |                        TEST STATUS                         |
          |------------------------------------------------------------|
          | Format       | AT [cmds] S16=n [cmds]                      |
          |--------------+---------------------------------------------|
          | Default:     | Read-only                                   |
          |--------------+---------------------------------------------|
          | Range:       | 0 - 255                                     |
          |--------------+---------------------------------------------|
          | Unit:        | Bit-mapped                                  |
          |--------------+---------------------------------------------|
          | Description: | Contains status of loopback tests           |
          |--------------+---------------------------------------------|
          | Bit  | Value |                  Function                   |
          |------+-------+---------------------------------------------|
          |  0   |     0 | Local analog loopback test disabled         |
          |      |       |                                             |
          |      |     1 | Local analog loopback test enabled          |
          |------+-------+---------------------------------------------|
          |  1   |     0 | Not used                                    |
          |------+-------+---------------------------------------------|
          |  2   |     0 | Local digital loopback test disabled        |
          |      |       |                                             |
          |      |     1 | Local digital loopback test enabled         |
          |------+-------+---------------------------------------------|
          |  3   |     0 | Remotely requested remote digital loopback  |
          |      |       | enabled                                     |
          |      |     1 |                                             |
          |      |       | Remotely requested remote digital loopback  |
          |      |       | disabled                                    |
          |------+-------+---------------------------------------------|
          |  4   |     0 | Locally requested remote digital loopback   |
          |      |       | test not in progress                        |
          |      |     1 |                                             |
          |      |       | Locally requested remote digital loopback   |
          |      |       | test in progress                            |
          |------+-------+---------------------------------------------|
          |  5   |     0 | Remote digital loopback with local          |
          |      |       | self-test disabled                          |
          |      |     1 |                                             |
          |      |       | Remote digital loopback with local          |
          |      |       | self-test enabled                           |
          |------+-------+---------------------------------------------|
          |  6   |     0 | Local analog loopback with local self-test  |
          |      |       | disabled                                    |
          |      |     1 |                                             |
          |      |       | Local analog loopback with local self-test  |
          |      |       | enabled                                     |
          |------+-------+---------------------------------------------|
          |  7   |     0 | Not used                                    |
          +------------------------------------------------------------+
       
          +------------------------------------------------------------+
          |                     TRANSMISSION LEVEL                     |
          |------------------------------------------------------------|
          | Type:        | Configuration                               |
          |--------------+---------------------------------------------|
          | Format:      | AT [cmds] $Tn [cmds]                        |
          |--------------+---------------------------------------------|
          | Description: | Controls transmission level                 |
          |------------------------------------------------------------|
          |         Command         |             Function             |
          |-------------------------+----------------------------------|
          |        $T0 - $T4        | -10dBm                           |
          |-------------------------+----------------------------------|
          |          í $T5          | -10dBm                           |
          |-------------------------+----------------------------------|
          |           $T6           | -12dBm                           |
          |-------------------------+----------------------------------|
          |           $T7           | -14dBm                           |
          |-------------------------+----------------------------------|
          |           $T8           | -16dBm                           |
          +------------------------------------------------------------+
       
          +------------------------------------------------------------+
          |                     BITS PER CHARACTER                     |
          |------------------------------------------------------------|
          | Type:        | Configuration                               |
          |--------------+---------------------------------------------|
          | Format:      | AT [cmds] $Ln [cmds]                        |
          |--------------+---------------------------------------------|
          | Description: | Sets character length while in data mode    |
          |------------------------------------------------------------|
          |         Command         |             Function             |
          |-------------------------+----------------------------------|
          |           $L0           | 8 bits per character             |
          |-------------------------+----------------------------------|
          |           $L1           | 9 bits per character             |
          |-------------------------+----------------------------------|
          |          í $L2          | 10 bits per character            |
          |-------------------------+----------------------------------|
          |           $L3           | 11 bits per character            |
          +------------------------------------------------------------+