URI: 
  TEXT View Source
       
       # ELSA, INC.
       
          MICROLINK 14.4TQ
       
          Card Type              Modem (asynchronous)                    
          Chipset                Unidentified                            
          Maximum Data Rate      14.4Kbps                                
          Maximum Fax Rate       14.4Kbps                                
          Data Modulation        Bell 103A, 212A                         
                                                                         
                                 ITU-T V.21, V.22bis, V.23, V.32,        
                                 V.32bis                                 
          Fax Modulation         ITU-T V.17, V.27ter, V.29, V.33         
          Error                  MNP5, V.42, V.42bis                     
          Correction/Compression 
          Fax Class              Class I & II                            
          Data Bus               Serial                                  
       
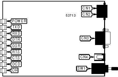
   IMG IMG 1
          
       
          +------------------------------------------------------------+
          |                        CONNECTIONS                         |
          |------------------------------------------------------------|
          |        Function        | Label |     Function      | Label |
          |------------------------+-------+-------------------+-------|
          | Telephone line in      |  CN1  | DC power in       |  CN4  |
          |------------------------+-------+-------------------+-------|
          | Telephone line out     |  CN2  | Power switch      |  SW1  |
          |------------------------+-------+-------------------+-------|
          | Serial port            |  CN3  |                   |       |
          +------------------------------------------------------------+
       
          +------------------------------------------------------------+
          |                     DIAGNOSTIC LED(S)                      |
          |------------------------------------------------------------|
          |  LED   | Color  | Status  |           Condition            |
          |--------+--------+---------+--------------------------------|
          | POWER  |  Red   |   On    |          Power is on           |
          |--------+--------+---------+--------------------------------|
          | POWER  |  Red   |   Off   |          Power is off          |
          |--------+--------+---------+--------------------------------|
          |  TXD   |  Red   |   On    |   Modem is transmitting data   |
          |--------+--------+---------+--------------------------------|
          |  TXD   |  Red   |   Off   | Modem is not transmitting data |
          |--------+--------+---------+--------------------------------|
          |  RXD   |  Red   |   On    |    Modem is receiving data     |
          |--------+--------+---------+--------------------------------|
          |  RXD   |  Red   |   Off   |  Modem is not receiving data   |
          |--------+--------+---------+--------------------------------|
          |  DTR   |  Red   |   On    |       DTR signal is high       |
          |--------+--------+---------+--------------------------------|
          |  DTR   |  Red   |   Off   |       DTR signal is low        |
          |--------+--------+---------+--------------------------------|
          |  DSR   |  Red   |   On    |       DSR signal is high       |
          |--------+--------+---------+--------------------------------|
          |  DSR   |  Red   |   Off   |       DSR signal is low        |
          |--------+--------+---------+--------------------------------|
          |  RTS   |  Red   |   On    |       RTS signal is high       |
          |--------+--------+---------+--------------------------------|
          |  RTS   |  Red   |   Off   |       RTS signal is low        |
          +------------------------------------------------------------+
       
          +------------------------------------------------------------+
          |                 DIAGNOSTIC LED(S) (CON'T)                  |
          |------------------------------------------------------------|
          |  LED  |  Color  |  Status  |           Condition           |
          |-------+---------+----------+-------------------------------|
          |  CTS  |   Red   |    On    |      CTS signal is high       |
          |-------+---------+----------+-------------------------------|
          |  CTS  |   Red   |   Off    |       CTS signal is low       |
          |-------+---------+----------+-------------------------------|
          |  DCD  |   Red   |    On    |    Carrier signal detected    |
          |-------+---------+----------+-------------------------------|
          |  DCD  |   Red   |   Off    |  Carrier signal not detected  |
          |-------+---------+----------+-------------------------------|
          |  OH   |   Red   |    On    |       Modem is off-hook       |
          |-------+---------+----------+-------------------------------|
          |  OH   |   Red   |   Off    |       Modem is on-hook        |
          +------------------------------------------------------------+
       
          +------------------------------------------------------------+
          |                SUPPORTED STANDARD COMMANDS                 |
          |------------------------------------------------------------|
          |                     Basic AT Commands                      |
          |------------------------------------------------------------|
          | +++, ‘comma’, A/                                           |
          |------------------------------------------------------------|
          | A, B, E, H, L, M, O, P, T, V, X, Z                         |
          |------------------------------------------------------------|
          | &D, &F, &S, &T, &V, &W, &Y, &Z                             |
          |------------------------------------------------------------|
          |                    Extended AT Commands                    |
          |------------------------------------------------------------|
          | \C, \J, \K, \N, \Q, \T, \X                                 |
          |------------------------------------------------------------|
          | %A, %C, %E                                                 |
          |------------------------------------------------------------|
          |                    Special AT Commands                     |
          |------------------------------------------------------------|
          | -J                                                         |
          |------------------------------------------------------------|
          |                        S-Registers                         |
          |------------------------------------------------------------|
          | S0, S1, S2, S3, S4, S5, S6, S7, S8, S10, S11, S12, S16,    |
          | S21, S22, S25, S30, S38                                    |
          |------------------------------------------------------------|
          |      Note: See MHI help file for complete information.     |
          +------------------------------------------------------------+
       
                            Proprietary AT Command Set
       
           See ELSA, INC. MICROLINK 33.6TQV for a full command summary.