URI: 
  TEXT View Source
       
       # ELSA, INC.
       
          MICROLINK 33.6TS
       
          Card Type                     Modem (asynchronous)             
          Chipset                       Unidentified                     
          I/O Options                   Voice                            
          Maximum Data Rate             28.8Kbps                         
          Maximum Fax Rate              14.4Kbps                         
          Data Modulation        Bell 103A, 212A
                                        
                                 ITU-T V.21, V.22bis, V.23, V.32,
                                 V.32bis, V.34
                                        
                                 Rockwell V.FC
          Fax Modulation         ITU-T V.17, V.27ter, V.29, V.33
          Error                  MNP5, V.42, V.42bis
          Correction/Compression 
          Fax Class              Class I & II
          Data Bus               Serial 
       
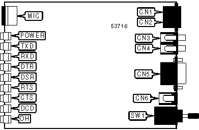
   IMG IMG 1
          
       
          +------------------------------------------------------------+
          |                        CONNECTIONS                         |
          |------------------------------------------------------------|
          |        Function        | Label |     Function      | Label |
          |------------------------+-------+-------------------+-------|
          | Telephone line in      |  CN1  | Serial port       |  CN5  |
          |------------------------+-------+-------------------+-------|
          | Telephone line out     |  CN2  | DC power in       |  CN6  |
          |------------------------+-------+-------------------+-------|
          | Microphone in          |  CN3  | Power switch      |  SW1  |
          |------------------------+-------+-------------------+-------|
          | Speaker out            |  CN4  |                   |       |
          +------------------------------------------------------------+
       
          +------------------------------------------------------------+
          |                     DIAGNOSTIC LED(S)                      |
          |------------------------------------------------------------|
          |  LED   | Color  | Status  |           Condition            |
          |--------+--------+---------+--------------------------------|
          | POWER  |  Red   |   On    |          Power is on           |
          |--------+--------+---------+--------------------------------|
          | POWER  |  Red   |   Off   |          Power is off          |
          |--------+--------+---------+--------------------------------|
          |  TXD   |  Red   |   On    |   Modem is transmitting data   |
          |--------+--------+---------+--------------------------------|
          |  TXD   |  Red   |   Off   | Modem is not transmitting data |
          |--------+--------+---------+--------------------------------|
          |  RXD   |  Red   |   On    |    Modem is receiving data     |
          |--------+--------+---------+--------------------------------|
          |  RXD   |  Red   |   Off   |  Modem is not receiving data   |
          |--------+--------+---------+--------------------------------|
          |  DTR   |  Red   |   On    |       DTR signal is high       |
          |--------+--------+---------+--------------------------------|
          |  DTR   |  Red   |   Off   |       DTR signal is low        |
          |--------+--------+---------+--------------------------------|
          |  DSR   |  Red   |   On    |       DSR signal is high       |
          |--------+--------+---------+--------------------------------|
          |  DSR   |  Red   |   Off   |       DSR signal is low        |
          |--------+--------+---------+--------------------------------|
          |  RTS   |  Red   |   On    |       RTS signal is high       |
          |--------+--------+---------+--------------------------------|
          |  RTS   |  Red   |   Off   |       RTS signal is low        |
          +------------------------------------------------------------+
       
          +------------------------------------------------------------+
          |                 DIAGNOSTIC LED(S) (CON'T)                  |
          |------------------------------------------------------------|
          |  LED  |  Color  |  Status  |           Condition           |
          |-------+---------+----------+-------------------------------|
          |  CTS  |   Red   |    On    |      CTS signal is high       |
          |-------+---------+----------+-------------------------------|
          |  CTS  |   Red   |   Off    |       CTS signal is low       |
          |-------+---------+----------+-------------------------------|
          |  DCD  |   Red   |    On    |    Carrier signal detected    |
          |-------+---------+----------+-------------------------------|
          |  DCD  |   Red   |   Off    |  Carrier signal not detected  |
          |-------+---------+----------+-------------------------------|
          |  OH   |   Red   |    On    |       Modem is off-hook       |
          |-------+---------+----------+-------------------------------|
          |  OH   |   Red   |   Off    |       Modem is on-hook        |
          +------------------------------------------------------------+
       
          +------------------------------------------------------------+
          |                SUPPORTED STANDARD COMMANDS                 |
          |------------------------------------------------------------|
          |                     Basic AT Commands                      |
          |------------------------------------------------------------|
          | +++, ‘comma’, A/                                           |
          |------------------------------------------------------------|
          | A, B, E, H, L, M, O, P, T, V, X, Z                         |
          |------------------------------------------------------------|
          | &D, &F, &S, &T, &V, &W, &Y, &Z                             |
          |------------------------------------------------------------|
          |                    Extended AT Commands                    |
          |------------------------------------------------------------|
          | \C, \J, \K, \N, \Q, \T, \X                                 |
          |------------------------------------------------------------|
          | %A, %C, %E                                                 |
          |------------------------------------------------------------|
          |                    Special AT Commands                     |
          |------------------------------------------------------------|
          | -J                                                         |
          |------------------------------------------------------------|
          |                        S-Registers                         |
          |------------------------------------------------------------|
          | S0, S1, S2, S3, S4, S5, S6, S7, S8, S10, S11, S12, S16,    |
          | S21, S22, S25, S30, S38                                    |
          |------------------------------------------------------------|
          |      Note: See MHI help file for complete information.     |
          +------------------------------------------------------------+
       
                            Proprietary AT Command Set
       
          +------------------------------------------------------------+
          |                       MODE SELECTION                       |
          |------------------------------------------------------------|
          | Type:        | Immediate                                   |
          |--------------+---------------------------------------------|
          | Format:      | AT [cmds] #CLS=n [cmds]                     |
          |--------------+---------------------------------------------|
          | Description: | Selects which mode the modem will operate   |
          |              | in.                                         |
          |--------------+---------------------------------------------|
          |   Command    |                  Function                   |
          |--------------+---------------------------------------------|
          |    #CLS=0    | Modem will operate in data mode.            |
          |--------------+---------------------------------------------|
          |    #CLS=1    | Modem will operate in fax class 1 mode.     |
          |--------------+---------------------------------------------|
          |    #CLS=2    | Modem will operate in fax class 2 mode.     |
          |--------------+---------------------------------------------|
          |    #CLS=8    | Modem will operate in voice mode.           |
          +------------------------------------------------------------+
       
          +------------------------------------------------------------+
          |                    SPEAKERPHONE OPTIONS                    |
          |------------------------------------------------------------|
          | Type:        | Configuration                               |
          |--------------+---------------------------------------------|
          | Format:      | AT [cmds] #SPK=x,y,z [cmds]                 |
          |--------------+---------------------------------------------|
          | Description: | Sets various options for speakerphone       |
          |              | functions.                                  |
          |------------------------------------------------------------|
          |    Command    |                  Function                  |
          |---------------+--------------------------------------------|
          |      x=0      | Microphone enabled.                        |
          |---------------+--------------------------------------------|
          |      x=1      | Microphone disabled.                       |
          |---------------+--------------------------------------------|
          |      x=2      | Microphone enabled with maximum gain,      |
          |               | speaker disabled.                          |
          |---------------+--------------------------------------------|
          |       y       | Default:     | 5                           |
          |---------------+--------------+-----------------------------|
          |               | Range:       | 0 - 16                      |
          |---------------+--------------+-----------------------------|
          |               | Unit:        | -2 dBm                      |
          |---------------+--------------+-----------------------------|
          |               | Description: | Sets the attenuation level  |
          |               |              | for speaker output in voice |
          |               |              | mode. A value of 16 will    |
          |               |              | mute the speaker.           |
          |---------------+--------------------------------------------|
          |      z=0      | Microphone gain set to 0 dBm.              |
          |---------------+--------------------------------------------|
          |      z=1      | Microphone gain set to 6 dBm.              |
          |---------------+--------------------------------------------|
          |      z=2      | Microphone gain set to 9.5 dBm.            |
          |---------------+--------------------------------------------|
          |      z=3      | Microphone gain set to 12 dBm.             |
          +------------------------------------------------------------+
       
          +------------------------------------------------------------+
          |                        VOICE DEVICE                        |
          |------------------------------------------------------------|
          | Type:        | Configuration                               |
          |--------------+---------------------------------------------|
          | Format:      | AT [cmds] #VLS=n [cmds]                     |
          |--------------+---------------------------------------------|
          | Description: | Selects the I/O device for the DSP chip.    |
          |--------------+---------------------------------------------|
          | Note:        | This modem may not support all options      |
          |              | listed below. The #VLS? command will        |
          |              | display the available options.              |
          |--------------+---------------------------------------------|
          |   Command    |                  Function                   |
          |--------------+---------------------------------------------|
          |   í #VLS=0   | Telephone line and handset used for voice   |
          |              | I/O.                                        |
          |--------------+---------------------------------------------|
          |    #VLS=1    | Telephone handset used for voice I/O.       |
          |--------------+---------------------------------------------|
          |    #VLS=2    | Internal speaker only used for voice I/O.   |
          |--------------+---------------------------------------------|
          |    #VLS=3    | External microphone only used for voice     |
          |              | I/O.                                        |
          |--------------+---------------------------------------------|
          |    #VLS=4    | Telephone line and handset used for voice   |
          |              | I/O; internal speaker enabled.              |
          |--------------+---------------------------------------------|
          |    #VLS=5    | Headset used for voice I/O.                 |
          |--------------+---------------------------------------------|
          |    #VLS=6    | Speakerphone used for voice I/O.            |
          |--------------+---------------------------------------------|
          |    #VLS=7    | Handset muted by disconnecting handset or   |
          |              | speakerphone from telephone line.           |
          |--------------+---------------------------------------------|
          |    #VLS=8    | Connects caller ID relay for recording of   |
          |              | conversation over handset.                  |
          |--------------+---------------------------------------------|
          |    #VLS=9    | Connects handset (or speakerphone) to DSP   |
          |              | chip for recording or playback.             |
          +------------------------------------------------------------+
       
           See ELSA, INC. MICROLINK 33.6TQV for a full command summary.