URI: 
  TEXT View Source
       
       # INTERLOGIC INDUSTRIES
       
          A104-VFM
       
          Modem Type                   Data/Fax/Voice                    
          Maximum Data Rate            2400 bps                          
          Maximum Fax Rate             9600 bps                          
          Data Bus                     PC/104                            
          Fax Class                    Unidentified                      
          Data Modulation Protocol     Bell 103A & 212A, CCITT V.22      
          Fax Modulation Protocol      Unidentified                      
          Error Correction/Compression CCITT V.42 & V.42bis, MNP 5       
       
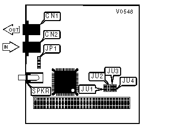
   IMG IMG 1
          
       
          +------------------------------------------------------------+
          |                        CONNECTIONS                         |
          |------------------------------------------------------------|
          |     Purpose     | Location |      Purpose      | Location  |
          |-----------------+----------+-------------------+-----------|
          | Line out        |   CN1    | Speaker jack      |   SPKR    |
          |-----------------+----------+-------------------+-----------|
          | Line in         |   CN2    |                   |           |
          +------------------------------------------------------------+
       
          +------------------------------------------------------------+
          |                     COM PORT SETTINGS                      |
          |------------------------------------------------------------|
          |      COM       |   JU1    |   JU2    |   JU3    |   JU4    |
          |----------------+----------+----------+----------+----------|
          |      COM1      |   Open   |   Open   |  Closed  |   Open   |
          |----------------+----------+----------+----------+----------|
          |      COM2      |  Closed  |   Open   |   Open   |  Closed  |
          |----------------+----------+----------+----------+----------|
          |      COM3      |   Open   |  Closed  |  Closed  |   Open   |
          |----------------+----------+----------+----------+----------|
          |      COM4      |  Closed  |  Closed  |   Open   |  Closed  |
          +------------------------------------------------------------+
       
          +------------------------------------------------------------+
          |                       CONNECTOR JP1                        |
          |------------------------------------------------------------|
          |            Purpose            |          Location          |
          |-------------------------------+----------------------------|
          |       Pair 2 Tip & Ring       |       JP1 Pins 1 & 4       |
          |-------------------------------+----------------------------|
          |       Pair 1 Tip & Ring       |       JP1 Pins 2 & 3       |
          +------------------------------------------------------------+
       
          +------------------------------------------------------------+
          |           S14 -BIT MAPPED CONFIGURATION REGISTER           |
          |------------------------------------------------------------|
          | Value Range:        | Bit-mapped                           |
          |---------------------+--------------------------------------|
          | Default:            | 1                                    |
          |---------------------+--------------------------------------|
          | Type:               | Read/Write                           |
          |---------------------+--------------------------------------|
          | In Stored Profile?: | Yes                                  |
          |---------------------+--------------------------------------|
          | Description:        | Bit Mapped Configuration Register    |
          |------------------------------------------------------------|
          |     Bit     |  Value  |              Function              |
          |-------------+---------+------------------------------------|
          |      0      |    0    | Not used                           |
          |-------------+---------+------------------------------------|
          |      1      |   í 1   | Enable: Command echo (E1)          |
          |             |         |                                    |
          |             |    0    | Disable: Command echo (E0)         |
          |-------------+---------+------------------------------------|
          |      2      |   í 0   | Enable: Result codes (Q0)          |
          |             |         |                                    |
          |             |    1    | Disable: Result codes (Q1)         |
          |-------------+---------+------------------------------------|
          |      3      |   í 1   | Set result codes to word (V1)      |
          |             |         |                                    |
          |             |    0    | Set result codes to digit (V0)     |
          |-------------+---------+------------------------------------|
          |      4      |    0    | Not used                           |
          |-------------+---------+------------------------------------|
          |      5      |   í 1   | Set to Pulse dial (P)              |
          |             |         |                                    |
          |             |    0    | Set to Tone Dial (T)               |
          |-------------+---------+------------------------------------|
          |      6      |    0    | Not used                           |
          |-------------+---------+------------------------------------|
          |      7      |   í 1   | Enable: Originate mode             |
          |             |         |                                    |
          |             |    0    | Enable: Answer mode                |
          +------------------------------------------------------------+
       
          +------------------------------------------------------------+
          |           S21 -BIT MAPPED CONFIGURATION REGISTER           |
          |------------------------------------------------------------|
          | Value Range:    | Bit-mapped                               |
          |-----------------+------------------------------------------|
          | Default:        | 1                                        |
          |-----------------+------------------------------------------|
          | Type:           | Read/Write                               |
          |-----------------+------------------------------------------|
          | In Stored       | Yes                                      |
          | Profile?:       |                                          |
          |-----------------+------------------------------------------|
          | Description:    | Bit Mapped Configuration Register        |
          |------------------------------------------------------------|
          |    Bit    | Value  |               Function                |
          |-----------+--------+---------------------------------------|
          |     0     |   0    | Not used                              |
          |-----------+--------+---------------------------------------|
          |     1     |   0    | Not used                              |
          |-----------+--------+---------------------------------------|
          |     2     |   0    | Not used                              |
          |-----------+--------+---------------------------------------|
          |   3 & 4   |  í 00  | Sets modem to ignore DTR (&D0)        |
          |           |        |                                       |
          |           |   01   | ON-to-OFF transition on DTR forces    |
          |           |        | the modem to enter the command mode   |
          |           |   10   | (&D1)                                 |
          |           |        |                                       |
          |           |   11   | ON-to-OFF transition on DTR forces    |
          |           |        | the modem to hang up (&D2)            |
          |           |        |                                       |
          |           |        | ON-to-OFF transition on DTR forces    |
          |           |        | the modem to reset (&D3)              |
          |-----------+--------+---------------------------------------|
          |     5     |  í 0   | Enable: DCD always ON (&C0)           |
          |           |        |                                       |
          |           |   1    | DCD checks the actual state of the    |
          |           |        | data carrier (&C1)                    |
          |-----------+--------+---------------------------------------|
          |     6     |   0    | Not used                              |
          |-----------+--------+---------------------------------------|
          |     7     |  í 0   | Disable: Long Space Disconnect (Y0)   |
          |           |        |                                       |
          |           |   1    | Enable: Long Space Disconnect (Y1)    |
          +------------------------------------------------------------+
       
          +------------------------------------------------------------+
          |           S22 -BIT MAPPED CONFIGURATION REGISTER           |
          |------------------------------------------------------------|
          | Value Range:    | Bit-mapped                               |
          |-----------------+------------------------------------------|
          | Default:        | 1                                        |
          |-----------------+------------------------------------------|
          | Type:           | Read/Write                               |
          |-----------------+------------------------------------------|
          | In Stored       | Yes                                      |
          | Profile?:       |                                          |
          |-----------------+------------------------------------------|
          | Description:    | Bit Mapped Configuration Register        |
          |------------------------------------------------------------|
          |    Bit    | Value  |               Function                |
          |-----------+--------+---------------------------------------|
          |   0 & 1   |  í 10  | Speaker volume set to medium (l1)     |
          |           |        |                                       |
          |           |   00   | Speaker volume set to low (l0)        |
          |           |        |                                       |
          |           |   01   | Speaker volume set to low (l1)        |
          |           |        |                                       |
          |           |   11   | Speaker volume set to high (l3)       |
          |-----------+--------+---------------------------------------|
          |   2 & 3   |  í 01  | Enable: Speaker on until carrier      |
          |           |        | detected (M1)                         |
          |           |   00   |                                       |
          |           |        | Disable: Speaker (M0)                 |
          |           |   10   |                                       |
          |           |        | Enable: Speaker always on (M2)        |
          |           |   11   |                                       |
          |           |        | Enable: Speaker on until carrier      |
          |           |        | detected but Off during dialing (M3)  |
          |-----------+--------+---------------------------------------|
          | 4 & 5 & 6 | í 111  | Enable: fourth extended result code   |
          |           |        | set (X4)                              |
          |           |  000   |                                       |
          |           |        | Enable: basic result code set (x0)    |
          |           |  100   |                                       |
          |           |        | Enable: first extended result code    |
          |           |  101   | set (X1)                              |
          |           |        |                                       |
          |           |  110   | Enable: second extended result code   |
          |           |        | set (X2)                              |
          |           |        |                                       |
          |           |        | Enable: third extended result code    |
          |           |        | set (X3)                              |
          |-----------+--------+---------------------------------------|
          |     7     |  í 0   | Set Make/Break ratio is 39/61 for USA |
          |           |        | (&P0)                                 |
          |           |   1    |                                       |
          |           |        | Set Make/Break ratio is 33/67 for     |
          |           |        | UK/HK (&P1)                           |
          +------------------------------------------------------------+
       
          +------------------------------------------------------------+
          |          S23 - BIT MAPPED CONFIGURATION REGISTER           |
          |------------------------------------------------------------|
          | Value Range:      | Bit-mapped                             |
          |-------------------+----------------------------------------|
          | Default:          | 1                                      |
          |-------------------+----------------------------------------|
          | Type:             | Read/Write                             |
          |-------------------+----------------------------------------|
          | In Stored         | Yes                                    |
          | Profile?:         |                                        |
          |-------------------+----------------------------------------|
          | Description:      | Bit Mapped Configuration Register      |
          |------------------------------------------------------------|
          |     Bit     | Value  |              Function               |
          |-------------+--------+-------------------------------------|
          |      0      |  í 1   | Disable: Accept request from remote |
          |             |        | modem for a remote digital loopback |
          |             |   0    | (&T5)                               |
          |             |        |                                     |
          |             |        | Enable: Accept request from remote  |
          |             |        | modem for a remote digital loopback |
          |             |        | (&T4)                               |
          |-------------+--------+-------------------------------------|
          |  1 & 2 & 3  |  000   | 300 bps                             |
          |             |        |                                     |
          |             |  001   | 600 bps                             |
          |             |        |                                     |
          |             |  010   | 1200 bps                            |
          |             |        |                                     |
          |             |  011   | 2400 bps                            |
          |             |        |                                     |
          |             |  100   | 4800 bps                            |
          |             |        |                                     |
          |             |  101   | 9600 bps                            |
          |-------------+--------+-------------------------------------|
          |    4 & 5    |   00   | Enable: Even parity.                |
          |             |        |                                     |
          |             |   01   | Enable: Space parity.               |
          |             |        |                                     |
          |             |   10   | Enable: Odd parity.                 |
          |             |        |                                     |
          |             |   11   | Enable: Mark parity.                |
          |-------------+--------+-------------------------------------|
          |      6      |  í 00  | Disable: Guard tone (&G0)           |
          |             |        |                                     |
          |             |   01   | Enable: 550 Hz guard tone (&G2)     |
          |             |        |                                     |
          |             |   10   | Enable: 1800 Hz guard tone (&G2)    |
          |             |        |                                     |
          |             |   11   | Not used                            |
          +------------------------------------------------------------+
       
          +------------------------------------------------------------+
          |           S27 -BIT MAPPED CONFIGURATION REGISTER           |
          |------------------------------------------------------------|
          | Value Range:    | Bit-mapped                               |
          |-----------------+------------------------------------------|
          | Default:        | 1                                        |
          |-----------------+------------------------------------------|
          | Type:           | Read/Write                               |
          |-----------------+------------------------------------------|
          | In Stored       | Yes                                      |
          | Profile?:       |                                          |
          |-----------------+------------------------------------------|
          | Description:    | Bit Mapped Configuration Register        |
          |------------------------------------------------------------|
          |   Bit    | Value  |                Function                |
          |----------+--------+----------------------------------------|
          |    0     |   0    | Not used                               |
          |----------+--------+----------------------------------------|
          |    1     |   0    | Not used                               |
          |----------+--------+----------------------------------------|
          |    2     |   0    | Not used                               |
          |----------+--------+----------------------------------------|
          |    3     |   0    | Not used                               |
          |----------+--------+----------------------------------------|
          |    4     |   0    | Not used                               |
          |----------+--------+----------------------------------------|
          |    5     |   0    | Not used                               |
          |----------+--------+----------------------------------------|
          |    6     |  í 1   | Enable: Bell 212A with 1200bps, Bell   |
          |          |        | 103 with 300bps (B1)                   |
          |          |   0    |                                        |
          |          |        | Enable: CCITT V.22 with 1200bps; V.21  |
          |          |        | with 300bps (B0)                       |
          |----------+--------+----------------------------------------|
          |    7     |   0    | Not used                               |
          +------------------------------------------------------------+