URI: 
  TEXT View Source
       
       # MAXTECH CORPORATION
       
          GMV144I
       
          Card Type                   Fax, Modem (asynchronous), Voice   
          Chip Set                    Unidentified                       
          I/O options:                Speakerphone, Voice-mail           
          Maximum Data Rate           14.4Kbps                           
          Maximum Fax Rate            14.4Kbps                           
          Data Bus                    8-bit ISA                          
          Fax Class                   Class I & II                       
          Data Modulation Protocol    Bell 103/212A                      
                                                                         
                                      ITU-T V.22, V.22bis, V.32, V.32bis 
          Fax Modulation Protocol     ITU-T V.17, V.21CH2, V.27ter, V.29 
          Error                       MNP5, V.42, V.42bis                
          Correction/Compression      
       
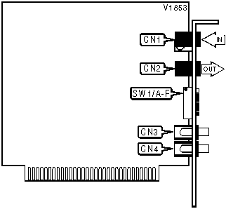
   IMG IMG 1
          
       
          +------------------------------------------------------------+
          |                        CONNECTIONS                         |
          |------------------------------------------------------------|
          |       Function       | Label  |   Function    |   Label    |
          |------------------------------------------------------------|
          | Line in                  |   CN1    | Speaker out   | CN3  |
          |--------------------------+----------+---------------+------|
          | Line out                 |   CN2    | Microphone in | CN4  |
          +------------------------------------------------------------+
       
          +------------------------------------------------------------+
          |                    SERIAL PORT ADDRESS                     |
          |------------------------------------------------------------|
          |      Setting       |       SW1/A       |       SW1/B       |
          |--------------------+-------------------+-------------------|
          |   í COM1 (3F8h)    |        On         |        On         |
          |--------------------+-------------------+-------------------|
          |    COM2 (2F8h)     |        Off        |        On         |
          |--------------------+-------------------+-------------------|
          |    COM3 (3E8h)     |        On         |        Off        |
          |--------------------+-------------------+-------------------|
          |    COM4 (2E8h)     |        Off        |        Off        |
          +------------------------------------------------------------+
       
          +------------------------------------------------------------+
          |                         INTERRUPT                          |
          |------------------------------------------------------------|
          |  Setting   |   SW1/C   |   SW1/D   |   SW1/E   |   SW1/F   |
          |------------+-----------+-----------+-----------+-----------|
          |     2      |    On     |    Off    |    Off    |    Off    |
          |------------+-----------+-----------+-----------+-----------|
          |     3      |    Off    |    On     |    Off    |    Off    |
          |------------+-----------+-----------+-----------+-----------|
          |    í 4     |    Off    |    Off    |    On     |    Off    |
          |------------+-----------+-----------+-----------+-----------|
          |     5      |    Off    |    Off    |    Off    |    On     |
          +------------------------------------------------------------+
       
                            Proprietary AT Command Set
       
                  See document V1852 for a full command summary.