URI: 
  TEXT View Source
       
       # MICROCOM, INC.
       
          OFFICEPORTE VOICE
       
          Card Type              Modem (asynchronous)                    
          Chipset                Rockwell                                
          Maximum Onboard Memory 32KB RAM                                
          I/O Options            Microphone, microphone in, speaker out, 
                                 voice, speakerphone, SVD                
          Maximum Data Rate      33.6Kbps                                
          Maximum Fax Rate       14.4Kbps                                
          Data Modulation        Bell 103A, 212A                         
                                                                         
                                 ITU-T V.21, V.22, V.22bis, V.23, V.32,  
                                 V.32bis, V.34                           
                                                                         
                                 Rockwell V.FC                           
          Fax Modulation         ITU-T V.17, V.27ter, V.29               
          Error                  MNP5, MNP10EC, V.42, V.42bis            
          Correction/Compression 
          Fax Class              Class I & II                            
          Data Bus               Serial                                  
       
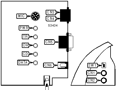
   IMG IMG 1
          
       
          +------------------------------------------------------------+
          |                        CONNECTIONS                         |
          |------------------------------------------------------------|
          |        Function        | Label |     Function      | Label |
          |------------------------+-------+-------------------+-------|
          | Speaker out            |  CN1  | Serial port       |  CN5  |
          |------------------------+-------+-------------------+-------|
          | Microphone in          |  CN2  | DC power in       |  CN6  |
          |------------------------+-------+-------------------+-------|
          | Telephone line out     |  CN3  | Microphone        |  MIC  |
          |------------------------+-------+-------------------+-------|
          | Telephone line in      |  CN4  | Power switch      |  SW1  |
          +------------------------------------------------------------+
       
          +------------------------------------------------------------+
          |                     DIAGNOSTIC LED(S)                      |
          |------------------------------------------------------------|
          | LED  |    Color     |  Status  |         Condition         |
          |------+--------------+----------+---------------------------|
          | PWR  | Unidentified |    On    |        Power is on        |
          |------+--------------+----------+---------------------------|
          | PWR  | Unidentified | Blinking | Modem failed NVRAM, RAM,  |
          |      |              |          |     ROM, or data pump     |
          |      |              |          |       power-up test       |
          |------+--------------+----------+---------------------------|
          | PWR  | Unidentified |   Off    |       Power is off        |
          |------+--------------+----------+---------------------------|
          |  TR  | Unidentified |    On    |    DTR signal is high     |
          |------+--------------+----------+---------------------------|
          |  TR  | Unidentified |   Off    |     DTR signal is low     |
          |------+--------------+----------+---------------------------|
          |  OH  | Unidentified |    On    |     Modem is off-hook     |
          |------+--------------+----------+---------------------------|
          |  OH  | Unidentified |   Off    |     Modem is on-hook      |
          |------+--------------+----------+---------------------------|
          |  CD  | Unidentified |    On    |  Carrier signal detected  |
          |------+--------------+----------+---------------------------|
          |  CD  | Unidentified |   Off    |    Carrier signal not     |
          |      |              |          |         detected          |
          |------+--------------+----------+---------------------------|
          | DATA | Unidentified |    On    | Modem is transmitting or  |
          |      |              |          |      receiving data       |
          |------+--------------+----------+---------------------------|
          | DATA | Unidentified |   Off    | Modem is not transmitting |
          |      |              |          |     or receiving data     |
          +------------------------------------------------------------+
       
          +------------------------------------------------------------+
          |                SUPPORTED STANDARD COMMANDS                 |
          |------------------------------------------------------------|
          |                     Basic AT Commands                      |
          |------------------------------------------------------------|
          | +++, A/                                                    |
          |------------------------------------------------------------|
          | A, B, E, H, L, M, N, O, P, Q, T, V, W, X, Y, Z             |
          |------------------------------------------------------------|
          | &C, &D, &F, &G, &K, &Q, &S, &T, &V, &W, &Y, &Z             |
          |------------------------------------------------------------|
          |                    Extended AT Commands                    |
          |------------------------------------------------------------|
          | \A, \B, \G, \K, \L, \N, \V                                 |
          |------------------------------------------------------------|
          | %C, %L, %Q                                                 |
          |------------------------------------------------------------|
          |                    Special AT Commands                     |
          |------------------------------------------------------------|
          | -K, +MS, -Q                                                |
          |------------------------------------------------------------|
          |                        S-Registers                         |
          |------------------------------------------------------------|
          | S0, S1, S2, S3, S4, S5, S6, S7, S8, S9, S10, S11, S12,     |
          | S14, S16, S18, S21, S22, S23, S25, S27                     |
          |------------------------------------------------------------|
          | S29, S30, S31, S32, S33, S36, S38, S39, S46, S48, S82,     |
          | S86, S95, S201                                             |
          |------------------------------------------------------------|
          |      Note: See MHI help file for complete information.     |
          +------------------------------------------------------------+
       
                            Proprietary AT Command Set
       
          +------------------------------------------------------------+
          |         AUTO-RETRAIN - AUTO-FALLBACK/FALL-FORWARD          |
          |------------------------------------------------------------|
          | Type:        | Configuration                               |
          |--------------+---------------------------------------------|
          | Format:      | AT [cmds] %En [cmds]                        |
          |--------------+---------------------------------------------|
          | Description: | Controls auto-retrain mode and              |
          |              | fallback/fall-forward.                      |
          |--------------+---------------------------------------------|
          |   Command    |                  Function                   |
          |--------------+---------------------------------------------|
          |     %E0      | Auto-retrain disabled.                      |
          |--------------+---------------------------------------------|
          |     %E1      | Auto-retrain enabled.                       |
          |--------------+---------------------------------------------|
          |    í %E2     | Auto-fallback/fall-forward enabled.         |
          |--------------+---------------------------------------------|
          |     %E3      | Auto-retrain enabled; modem disconnects     |
          |              | when EQM reaches disconnect threshold.      |
          +------------------------------------------------------------+
       
          +------------------------------------------------------------+
          |                  BIT-MAPPED REGISTER S40                   |
          |------------------------------------------------------------|
          | Format       | AT [cmds] S40=n [cmds]                      |
          |--------------+---------------------------------------------|
          | Default:     | 105                                         |
          |--------------+---------------------------------------------|
          | Range:       | 0 - 238                                     |
          |--------------+---------------------------------------------|
          | Description: | Controls power level, break handling,       |
          |              | MNP10, and MNP block size.                  |
          |--------------+---------------------------------------------|
          | Bit  | Value |                  Function                   |
          |------+-------+---------------------------------------------|
          | 1, 0 |    00 | MNP10 disabled.                             |
          |      |       |                                             |
          |      |  í 01 | MNP10 enabled.                              |
          |      |       |                                             |
          |      |    10 | MNP extended services enabled without       |
          |      |       | indicating MNP on the answer detection      |
          |      |       | phase.                                      |
          |------+-------+---------------------------------------------|
          |  2   |   í 0 | Power level adjustment enabled.             |
          |      |       |                                             |
          |      |     1 | Power level adjustment disabled.            |
          |------+-------+---------------------------------------------|
          |  5,  |   000 | \K0 set.                                    |
          | 4, 3 |       |                                             |
          |      |   001 | \K1 set.                                    |
          |      |       |                                             |
          |      |   010 | \K2 set.                                    |
          |      |       |                                             |
          |      |   011 | \K3 set.                                    |
          |      |       |                                             |
          |      |   100 | \K4 set.                                    |
          |      |       |                                             |
          |      | í 101 | \K5 set.                                    |
          |------+-------+---------------------------------------------|
          | 7, 6 |    00 | MNP block size is 64 characters.            |
          |      |       |                                             |
          |      |  í 01 | MNP block size is 128 characters.           |
          |      |       |                                             |
          |      |    10 | MNP block size is 192 characters.           |
          |      |       |                                             |
          |      |    11 | MNP block size is 256 characters.           |
          +------------------------------------------------------------+
       
          +------------------------------------------------------------+
          |                  BIT-MAPPED REGISTER S41                   |
          |------------------------------------------------------------|
          | Format       | AT [cmds] S41=n [cmds]                      |
          |--------------+---------------------------------------------|
          | Default:     | 155                                         |
          |--------------+---------------------------------------------|
          | Range:       | 0 - 219                                     |
          |--------------+---------------------------------------------|
          | Description: | Selects compression, auto-retrain and       |
          |              | auto-fallback/fall-forward, modem-to-modem  |
          |              | flow control, MNP mode, and low-speed       |
          |              | MNP10.                                      |
          |--------------+---------------------------------------------|
          | Note:        | Be aware that bit 6 is out of order.        |
          |--------------+---------------------------------------------|
          | Bit  | Value |                  Function                   |
          |------+-------+---------------------------------------------|
          | 1, 0 |    00 | Data compression disabled.                  |
          |      |       |                                             |
          |      |    01 | MNP5 enabled.                               |
          |      |       |                                             |
          |      |    10 | V.42bis enabled.                            |
          |      |       |                                             |
          |      |  í 11 | MNP5 and V.42bis enabled.                   |
          |------+-------+---------------------------------------------|
          | 6, 2 |  í 00 | Auto-retrain disabled.                      |
          |      |       |                                             |
          |      |    01 | Auto-retrain enabled.                       |
          |      |       |                                             |
          |      |    10 | Auto-fallback/fall-forward enabled.         |
          |      |       |                                             |
          |      |    11 | Auto-retrain enabled; modem disconnects     |
          |      |       | when EQM reaches disconnect threshold.      |
          |------+-------+---------------------------------------------|
          |  3   |   í 0 | Modem-to-modem flow control disabled.       |
          |      |       |                                             |
          |      |     1 | Modem-to-modem flow control enabled.        |
          |------+-------+---------------------------------------------|
          |  4   |   í 0 | MNP stream mode enabled.                    |
          |      |       |                                             |
          |      |     1 | MNP block mode enabled.                     |
          |------+-------+---------------------------------------------|
          |  5   |     0 | Not used.                                   |
          |------+-------+---------------------------------------------|
          |  7   |     0 | MNP10 at 2400 and 1200bps disabled.         |
          |      |       |                                             |
          |      |   í 1 | MNP10 at 2400 and 1200bps enabled.          |
          +------------------------------------------------------------+
       
          +------------------------------------------------------------+
          |                  MNP10 - LINK NEGOTIATION                  |
          |------------------------------------------------------------|
          | Type:        | Register                                    |
          |--------------+---------------------------------------------|
          | Format:      | AT [cmds] S28=n [cmds]                      |
          |--------------+---------------------------------------------|
          | Description: | Sets the speed at which MNP10 link          |
          |              | negotiation will occur.                     |
          |--------------+---------------------------------------------|
          |   Command    |                  Function                   |
          |--------------+---------------------------------------------|
          |   í S28=0    | Link will be negotiated at highest possible |
          |              | speed.                                      |
          |--------------+---------------------------------------------|
          |    S28=64    | Link will be negotiated at 1200bps.         |
          |--------------+---------------------------------------------|
          |   S28=128    | Link will be negotiated at 4800bps.         |
          +------------------------------------------------------------+
       
          +------------------------------------------------------------+
          |                            DIAL                            |
          |------------------------------------------------------------|
          | Type:        | Immediate                                   |
          |--------------+---------------------------------------------|
          | Format:      | AT [cmds] D<#>;[cmds]                       |
          |--------------+---------------------------------------------|
          | Description: | Dials the telephone number indicated        |
          |              | according to any modifiers included in the  |
          |              | string.1                                    |
          |--------------+---------------------------------------------|
          |   Command    |                  Function                   |
          |--------------+---------------------------------------------|
          |      DL      | Re-dial last number.                        |
          |--------------+---------------------------------------------|
          |      DP      | Pulse dialing enabled.                      |
          |--------------+---------------------------------------------|
          |     DS=n     | Dial stored telephone number n.             |
          |--------------+---------------------------------------------|
          |      DT      | Tone dialing enabled.                       |
          |--------------+---------------------------------------------|
          |      DW      | Dialing resumed following dial tone         |
          |              | detection.                                  |
          |--------------+---------------------------------------------|
          |      D,      | Dialing paused for amount of time specified |
          |              | in S8 register.                             |
          |--------------+---------------------------------------------|
          |    D"WXY"    | Optional method of denoting telephone       |
          |              | numbers. Letters enclosed in quotes are     |
          |              | interpreted as numbers according to the     |
          |              | system found on a telephone keypad.         |
          |--------------+---------------------------------------------|
          |      D!      | Flash function initiated. Modem commanded   |
          |              | to go off-hook for specified time before    |
          |              | returning on-hook.                          |
          |--------------+---------------------------------------------|
          |      D@      | Wait for Quiet Answer function enabled.     |
          |              | Modem waits until a "quiet answer," a       |
          |              | ring-back signal followed by silence up to  |
          |              | the time specified in S7, is received prior |
          |              | to executing the rest of the dial string.   |
          |--------------+---------------------------------------------|
          |      D^      | Disables the calling tone for this call.    |
          |--------------+---------------------------------------------|
          |      D&      | Wait for prompt tone detection function     |
          |              | enabled. Waits for prompt tone for amount   |
          |              | of time specified by the S7 command.        |
          |--------------+---------------------------------------------|
          |      D;      | Modem returned to idle state after dialing. |
          |              | The semicolon can only be placed at the end |
          |              | of the dial command.                        |
          +------------------------------------------------------------+
       
          +------------------------------------------------------------+
          |                    DISPLAY INFORMATION                     |
          |------------------------------------------------------------|
          | Type:        | Immediate                                   |
          |--------------+---------------------------------------------|
          | Format:      | AT [cmds] In [cmds]                         |
          |--------------+---------------------------------------------|
          | Description: | Displays information requested about the    |
          |              | modem.                                      |
          |--------------+---------------------------------------------|
          |   Command    |                  Function                   |
          |--------------+---------------------------------------------|
          |      I1      | Performs a checksum on the firmware ROM and |
          |              | displays the result.                        |
          |--------------+---------------------------------------------|
          |      I2      | Performs a checksum on the firmware ROM and |
          |              | displays the result as either OK or ERROR.  |
          |--------------+---------------------------------------------|
          |      I3      | Displays firmware revision and information. |
          |--------------+---------------------------------------------|
          |      I4      | Displays feature bitmap.                    |
          |--------------+---------------------------------------------|
          |      I5      | Displays country code.                      |
          |--------------+---------------------------------------------|
          |      I6      | Displays data pump and CEP model and        |
          |              | revision.                                   |
          +------------------------------------------------------------+
       
          +------------------------------------------------------------+
          |                      DISTINCTIVE RING                      |
          |------------------------------------------------------------|
          | Format:        | AT [cmds] -SDR=n [cmds]                   |
          |----------------+-------------------------------------------|
          | Default:       | Unidentified                              |
          |----------------+-------------------------------------------|
          | Range:         | 0 - 7                                     |
          |----------------+-------------------------------------------|
          | Description:   | Selects which distinctive ring signals    |
          |                | the modem will respond to.                |
          |------------------------------------------------------------|
          |   Bit   | Value |                 Function                 |
          |---------+-------+------------------------------------------|
          |    0    |     0 | Do not respond to distinctive ring type  |
          |         |       | 1.                                       |
          |         |     1 |                                          |
          |         |       | Respond to distinctive ring type 1.      |
          |------------------------------------------------------------|
          |      1      |  0 | Do not respond to distinctive ring type |
          |             |    | 2.                                      |
          |             |  1 |                                         |
          |             |    | Respond to distinctive ring type 2.     |
          |-------------+----+-----------------------------------------|
          |      2      |  0 | Do not respond to distinctive ring type |
          |             |    | 3.                                      |
          |             |  1 |                                         |
          |             |    | Respond to distinctive ring type 3.     |
          +------------------------------------------------------------+
       
          +------------------------------------------------------------+
          |                         LINE SPEED                         |
          |------------------------------------------------------------|
          | Type:        | Register                                    |
          |--------------+---------------------------------------------|
          | Format:      | AT [cmds] S37=n [cmds]                      |
          |--------------+---------------------------------------------|
          | Description: | Sets the maximum allowable data exchange    |
          |              | rate attempted during the handshaking       |
          |              | process.                                    |
          |--------------+---------------------------------------------|
          |   Command    |                  Function                   |
          |--------------+---------------------------------------------|
          |   í S37=0    | Attempt to connect at fastest common speed. |
          |--------------+---------------------------------------------|
          |    S37=1     | Set speed to 300bps.                        |
          |--------------+---------------------------------------------|
          |    S37=2     | Set speed to 300bps.                        |
          |--------------+---------------------------------------------|
          |    S37=3     | Set speed to 300bps.                        |
          |--------------+---------------------------------------------|
          |    S37=4     | Attempt to connect with V.23.               |
          |--------------+---------------------------------------------|
          |    S37=5     | Set speed to 1200bps.                       |
          |--------------+---------------------------------------------|
          |    S37=6     | Set speed to 2400bps.                       |
          |--------------+---------------------------------------------|
          |    S37=8     | Set speed to 4800bps.                       |
          |--------------+---------------------------------------------|
          |    S37=9     | Set speed to 9600bps.                       |
          |--------------+---------------------------------------------|
          |    S37=10    | Set speed to 12Kbps.                        |
          |--------------+---------------------------------------------|
          |    S37=11    | Set speed to 14.4Kbps.                      |
          |--------------+---------------------------------------------|
          |    S37=12    | Set speed to 7200bps.                       |
          +------------------------------------------------------------+
       
          +------------------------------------------------------------+
          |                       MODE SELECTION                       |
          |------------------------------------------------------------|
          | Type:        | Immediate                                   |
          |--------------+---------------------------------------------|
          | Format:      | AT [cmds] #CLS=n [cmds]                     |
          |--------------+---------------------------------------------|
          | Description: | Selects which mode the modem will operate   |
          |              | in.                                         |
          |--------------+---------------------------------------------|
          |   Command    |                  Function                   |
          |--------------+---------------------------------------------|
          |    #CLS=0    | Modem will operate in data mode.            |
          |--------------+---------------------------------------------|
          |    #CLS=1    | Modem will operate in fax class I mode.     |
          |--------------+---------------------------------------------|
          |    #CLS=2    | Modem will operate in fax class II mode.    |
          |--------------+---------------------------------------------|
          |    #CLS=8    | Modem will operate in voice mode.           |
          +------------------------------------------------------------+
       
          +------------------------------------------------------------+
          |                        MNP10EC MODE                        |
          |------------------------------------------------------------|
          | Type:        | Configuration                               |
          |--------------+---------------------------------------------|
          | Format:      | AT [cmds] -SEC=n[,a] [cmds]                 |
          |--------------+---------------------------------------------|
          | Description: | Selects whether the modem will attempt to   |
          |              | use MNP10EC mode during the handshaking     |
          |              | sequence.                                   |
          |------------------------------------------------------------|
          |    Command    |                  Function                  |
          |---------------+--------------------------------------------|
          |    -SEC=0     | MNP10EC handshaking disabled unless a V.34 |
          |               | connection is attempted via a cellular     |
          |               | line.                                      |
          |---------------+--------------------------------------------|
          |  í -SEC=1,a   | Default:     | 10                          |
          |---------------+--------------+-----------------------------|
          |               | Range:       | 0 - 30                      |
          |---------------+--------------+-----------------------------|
          |               | Unit:        | -1 dBm                      |
          |---------------+--------------+-----------------------------|
          |               | Description: | MNP10EC handshaking enabled |
          |               |              | and the transmit level is   |
          |               |              | set to a. If the a option   |
          |               |              | is not specified then the   |
          |               |              | transmit level will be set  |
          |               |              | to the default.             |
          +------------------------------------------------------------+
       
          +------------------------------------------------------------+
          |                     PULSE DIALING TYPE                     |
          |------------------------------------------------------------|
          | Type:        | Configuration                               |
          |--------------+---------------------------------------------|
          | Format:      | AT [cmds] *Zn [cmds]                        |
          |--------------+---------------------------------------------|
          | Description: | Selects the type of pulse dialing the modem |
          |              | will use.                                   |
          |--------------+---------------------------------------------|
          |   Command    |                  Function                   |
          |--------------+---------------------------------------------|
          |    í *Z0     | Pulse dialing type 0 used.                  |
          |--------------+---------------------------------------------|
          |     *Z1      | Pulse dialing type 1 used.                  |
          +------------------------------------------------------------+
       
          +------------------------------------------------------------+
          |                    SPEAKERPHONE OPTIONS                    |
          |------------------------------------------------------------|
          | Type:        | Configuration                               |
          |--------------+---------------------------------------------|
          | Format:      | AT [cmds] #SPK=x,y,z [cmds]                 |
          |--------------+---------------------------------------------|
          | Description: | Sets various options for speakerphone       |
          |              | functions.                                  |
          |------------------------------------------------------------|
          |    Command    |                  Function                  |
          |---------------+--------------------------------------------|
          |      x=0      | Microphone disabled.                       |
          |---------------+--------------------------------------------|
          |      x=1      | Microphone enabled.                        |
          |---------------+--------------------------------------------|
          |      x=2      | Microphone enabled with maximum gain,      |
          |               | speaker disabled.                          |
          |---------------+--------------------------------------------|
          |       y       | Default:     | 5                           |
          |---------------+--------------+-----------------------------|
          |               | Range:       | 0 - 16                      |
          |---------------+--------------+-----------------------------|
          |               | Unit:        | -2 dBm                      |
          |---------------+--------------+-----------------------------|
          |               | Description: | Sets the attenuation level  |
          |               |              | for speaker output in voice |
          |               |              | mode. A value of 16 will    |
          |               |              | mute the speaker.           |
          |---------------+--------------------------------------------|
          |      z=0      | Microphone gain set to 0 dBm.              |
          |---------------+--------------------------------------------|
          |      z=1      | Microphone gain set to 6 dBm.              |
          |---------------+--------------------------------------------|
          |      z=2      | Microphone gain set to 9.5 dBm.            |
          |---------------+--------------------------------------------|
          |      z=3      | Microphone gain set to 12 dBm.             |
          +------------------------------------------------------------+
       
          +------------------------------------------------------------+
          |                       SVD DATA BURST                       |
          |------------------------------------------------------------|
          | Type:        | Configuration                               |
          |--------------+---------------------------------------------|
          | Format:      | AT [cmds] -SMC=n [cmds]                     |
          |--------------+---------------------------------------------|
          | Description: | Selects whether the modem will increase     |
          |              | data throughput when no audio signal is     |
          |              | detected during an SVD connection.          |
          |------------------------------------------------------------|
          |        Command         |             Function              |
          |------------------------+-----------------------------------|
          |         -SMC=0         | Data burst disabled.              |
          |------------------------+-----------------------------------|
          |        í -SMC=1        | Data burst enabled.               |
          +------------------------------------------------------------+
       
          +------------------------------------------------------------+
          |                       SVD BANDWIDTH                        |
          |------------------------------------------------------------|
          | Type:        | Configuration                               |
          |--------------+---------------------------------------------|
          | Format:      | AT [cmds] -SMS=a,b,c,d [cmds]               |
          |--------------+---------------------------------------------|
          | Description: | Selects the throughput levels allowed for   |
          |              | SVD mode.                                   |
          |------------------------------------------------------------|
          |    Command    |                  Function                  |
          |---------------+--------------------------------------------|
          |      a=0      | SVD mode disabled.                         |
          |---------------+--------------------------------------------|
          |      a=2      | SVD mode enabled.                          |
          |---------------+--------------------------------------------|
          |     í a=3     | Auto-detect correct mode.                  |
          |---------------+--------------------------------------------|
          |   b,c=4800    | Sets the minimum or maximum combined voice |
          |               | or data speed to 4800bps, respectively.    |
          |---------------+--------------------------------------------|
          |   b,c=7200    | Sets the minimum or maximum combined voice |
          |               | or data speed to 7200bps, respectively.    |
          |---------------+--------------------------------------------|
          |   b,c=9600    | Sets the minimum or maximum combined voice |
          |               | or data speed to 9600bps, respectively.    |
          |---------------+--------------------------------------------|
          |   b,c=12000   | Sets the minimum or maximum combined voice |
          |               | or data speed to 12Kbps, respectively.     |
          |---------------+--------------------------------------------|
          |   b,c=14400   | Sets the minimum or maximum combined voice |
          |               | or data speed to 14.4Kbps, respectively.   |
          |---------------+--------------------------------------------|
          |       d       | Sets the baud rate for ML288 modulation    |
          |               | mode. A setting of 0 will cause the modem  |
          |               | to auto-detect the correct mode, which is  |
          |               | the default.                               |
          +------------------------------------------------------------+
       
          +------------------------------------------------------------+
          |                       SVD MODULATION                       |
          |------------------------------------------------------------|
          | Type:        | Configuration                               |
          |--------------+---------------------------------------------|
          | Format:      | AT [cmds] -SQS=m,n [cmds]                   |
          |--------------+---------------------------------------------|
          | Description: | Selects which modulation type the modem     |
          |              | will use for SVD mode.                      |
          |------------------------------------------------------------|
          |    Command    |                  Function                  |
          |---------------+--------------------------------------------|
          |      m=0      | Selects V.61 modulation.                   |
          |---------------+--------------------------------------------|
          |      m=1      | Selects ML144 modulation.                  |
          |---------------+--------------------------------------------|
          |     í m=2     | Selects ML288 modulation.                  |
          |---------------+--------------------------------------------|
          |      n=0      | Modem will not auto-detect the correct     |
          |               | modulation.                                |
          |---------------+--------------------------------------------|
          |     í n=1     | Modem will auto-detect the correct         |
          |               | modulation.                                |
          +------------------------------------------------------------+
       
          +------------------------------------------------------------+
          |                        VOICE DEVICE                        |
          |------------------------------------------------------------|
          | Type:        | Configuration                               |
          |--------------+---------------------------------------------|
          | Format:      | AT [cmds] #VLS=n [cmds]                     |
          |--------------+---------------------------------------------|
          | Description: | Selects the I/O device for the DSP chip.    |
          |--------------+---------------------------------------------|
          |   Command    |                  Function                   |
          |--------------+---------------------------------------------|
          |   í #VLS=0   | Telephone line and handset used for voice   |
          |              | I/O.                                        |
          |--------------+---------------------------------------------|
          |    #VLS=1    | Telephone handset used for voice I/O.       |
          |--------------+---------------------------------------------|
          |    #VLS=2    | Internal speaker only used for voice I/O.   |
          |--------------+---------------------------------------------|
          |    #VLS=3    | External microphone only used for voice     |
          |              | I/O.                                        |
          |--------------+---------------------------------------------|
          |    #VLS=4    | Telephone line and handset used for voice   |
          |              | I/O; internal speaker enabled.              |
          |--------------+---------------------------------------------|
          |    #VLS=6    | Speakerphone used for voice I/O.            |
          +------------------------------------------------------------+
       
          +------------------------------------------------------------+
          |                    VOICE SAMPLE QUALITY                    |
          |------------------------------------------------------------|
          | Type:        | Configuration                               |
          |--------------+---------------------------------------------|
          | Format:      | AT [cmds] #VBS=n [cmds]                     |
          |--------------+---------------------------------------------|
          | Description: | Selects the number of bits per sample that  |
          |              | the modem records.                          |
          |--------------+---------------------------------------------|
          |   Command    |                  Function                   |
          |--------------+---------------------------------------------|
          |    #VBS=2    | Modem records 2 bits per sample in ADPCM    |
          |              | encoding.                                   |
          |--------------+---------------------------------------------|
          |   í #VBS=4   | Modem records 4 bits per sample in ADPCM    |
          |              | encoding.                                   |
          |--------------+---------------------------------------------|
          |    #VBS=8    | Modem records 8 bits per sample in PCM      |
          |              | encoding.                                   |
          |--------------+---------------------------------------------|
          |   #VBS=16    | Modem records 16 bits per sample in PCM     |
          |              | encoding.                                   |
          +------------------------------------------------------------+
       
          +------------------------------------------------------------+
          |                    VOICE SAMPLING RATE                     |
          |------------------------------------------------------------|
          | Type:        | Configuration                               |
          |--------------+---------------------------------------------|
          | Format:      | AT [cmds] #VSR=n [cmds]                     |
          |--------------+---------------------------------------------|
          | Description: | Sets the sampling rate used when recording  |
          |              | voice signals.                              |
          |--------------+---------------------------------------------|
          |   Command    |                  Function                   |
          |--------------+---------------------------------------------|
          | í #VSR=7200  | Selects a sampling rate of 7.2KHz.          |
          |--------------+---------------------------------------------|
          |  #VSR=11025  | Selects a sampling rate of 11.025KHz in PCM |
          |              | encoding only.                              |
          +------------------------------------------------------------+
       
          +------------------------------------------------------------+
          |                     VOICE VOLUME LEVEL                     |
          |------------------------------------------------------------|
          | Type:        | Configuration                               |
          |--------------+---------------------------------------------|
          | Format:      | AT [cmds] #VGT=n [cmds]                     |
          |--------------+---------------------------------------------|
          | Description: | Sets the volume level when playing back     |
          |              | audio signals.                              |
          |------------------------------------------------------------|
          |       Command        |              Function               |
          |----------------------+-------------------------------------|
          |       #VGT=128       | Low volume setting.                 |
          |----------------------+-------------------------------------|
          |      í #VGT=129      | Medium volume setting.              |
          |----------------------+-------------------------------------|
          |       #VGT=130       | High volume setting.                |
          |----------------------+-------------------------------------|
          |       #VGT=131       | Highest volume setting.             |
          +------------------------------------------------------------+