URI: 
  TEXT View Source
       
       # PURETEK INDUSTRIAL CO, INC.
       
          14400BPS FAX/MODEM ADAPTER WITH VOICE
       
          Card Type              Fax, Modem (asynchronous), Voice        
          Chip Set               Unidentified                            
          I/O Options            Speakerphone, Voicemail                 
          Maximum Data Rate      14.4Kbps                                
          Maximum Fax Rate       14.4Kbps                                
          Data Bus               8-bit ISA                               
          Fax Class              Class II                                
          Data Modulation        Bell 103/212A                           
          Protocol                                                       
                                 ITU-T V.21, V.22, V.22bis, V.23, V.32,  
                                 V.32bis                                 
          Fax Modulation         ITU-T V.17, V.21CH2, V.27ter, V.29      
          Protocol               
          Error                  MNP5, V.42, V.42bis                     
          Correction/Compression 
       
   IMG IMG 1
          
       
          +------------------------------------------------------------+
          |                        CONNECTIONS                         |
          |------------------------------------------------------------|
          |   Function   | Label  |     Function      |     Label      |
          |------------------------------------------------------------|
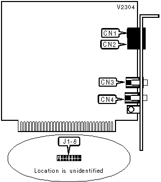
          | Line out         |   CN1    | Microphone connection | CN3  |
          |------------------+----------+-----------------------+------|
          | Line in          |   CN2    | Speaker connection    | CN4  |
          +------------------------------------------------------------+
       
          +------------------------------------------------------------+
          |                    SERIAL PORT ADDRESS                     |
          |------------------------------------------------------------|
          |    Setting    |      J1      |      J2      |      J3      |
          |---------------+--------------+--------------+--------------|
          |  COM1 (3F8h)  |     Open     |     Open     |     Open     |
          |---------------+--------------+--------------+--------------|
          |  COM2 (2F8h)  |    Closed    |     Open     |     Open     |
          |---------------+--------------+--------------+--------------|
          |  COM3 (3E8h)  |     Open     |    Closed    |     Open     |
          |---------------+--------------+--------------+--------------|
          |  COM4 (2E8h)  |    Closed    |    Closed    |     Open     |
          |---------------+--------------+--------------+--------------|
          |     COM5      |     Open     |     Open     |    Closed    |
          |---------------+--------------+--------------+--------------|
          |     COM6      |    Closed    |     Open     |    Closed    |
          |---------------+--------------+--------------+--------------|
          |     COM7      |     Open     |    Closed    |    Closed    |
          |---------------+--------------+--------------+--------------|
          |     COM8      |    Closed    |    Closed    |    Closed    |
          +------------------------------------------------------------+
       
          +------------------------------------------------------------+
          |                    INTERRUPT SELECTION                     |
          |------------------------------------------------------------|
          | Setting  |   J4    |   J5    |   J6    |   J7    |   J8    |
          |----------+---------+---------+---------+---------+---------|
          |    2     | Closed  |  Open   |  Open   |  Open   |  Open   |
          |----------+---------+---------+---------+---------+---------|
          |    3     |  Open   | Closed  |  Open   |  Open   |  Open   |
          |----------+---------+---------+---------+---------+---------|
          |    4     |  Open   |  Open   | Closed  |  Open   |  Open   |
          |----------+---------+---------+---------+---------+---------|
          |    5     |  Open   |  Open   |  Open   | Closed  |  Open   |
          |----------+---------+---------+---------+---------+---------|
          |    9     |  Open   |  Open   |  Open   |  Open   | Closed  |
          +------------------------------------------------------------+
       
          +------------------------------------------------------------+
          |                   SUPPORTED COMMAND SET                    |
          |------------------------------------------------------------|
          |                     Basic AT Commands                      |
          |------------------------------------------------------------|
          | AT, ‘+++’, ‘Comma’, A/                                     |
          |------------------------------------------------------------|
          | A, B, D, E, H, L, M, O, Q, S, V, X, Y, Z                   |
          |------------------------------------------------------------|
          | &C, &D, &F, &G, &J, &K, &M, &P, &R, &S, &T, &V, &W, &X,    |
          | &Y, &Z                                                     |
          |------------------------------------------------------------|
          |                    Extended AT Commands                    |
          |------------------------------------------------------------|
          | \A, \B, \E, \J, \K, \L, \O, \U, \V, \X, %A                 |
          |------------------------------------------------------------|
          |                        S Registers                         |
          |------------------------------------------------------------|
          | S0, S1, S2, S3, S4, S5, S6, S7, S8, S9, S10, S11, S12,     |
          | S14, S16, S18, S21, S22, S25                               |
          |------------------------------------------------------------|
          | S26, S27, S36, S46, S82, S95                               |
          |------------------------------------------------------------|
          | Note: Please see MHI Help file for full command            |
          | documentation.                                             |
          +------------------------------------------------------------+
       
                            Proprietary AT Command Set
       
          +------------------------------------------------------------+
          |                  BIT-MAPPED REGISTER S23                   |
          |------------------------------------------------------------|
          | Format       | AT [cmds] S23=n [cmds]                      |
          |--------------+---------------------------------------------|
          | Default:     | 28                                          |
          |--------------+---------------------------------------------|
          | Range:       | 0-191                                       |
          |--------------+---------------------------------------------|
          | Unit:        | Bit-mapped                                  |
          |--------------+---------------------------------------------|
          | Description: | Grants/denies remote digital loopback,      |
          |              | controls DTE rate and parity, and sets      |
          |              | guard tone.                                 |
          |--------------+---------------------------------------------|
          | Bit  | Value |                  Function                   |
          |------+-------+---------------------------------------------|
          |  0   |   í 0 | Remote digital loopback denied              |
          |      |       |                                             |
          |      |     1 | Remote digital loopback allowed             |
          |------+-------+---------------------------------------------|
          | 3 -  |   000 | Sets serial port speed to 0-300bps          |
          |  1   |       |                                             |
          |      |   001 | Sets serial port speed to 600bps            |
          |      |       |                                             |
          |      |   010 | Sets serial port speed to 1200bps           |
          |      |       |                                             |
          |      |   011 | Sets serial port speed to 2400bps           |
          |      |       |                                             |
          |      |   100 | Sets serial port speed to 4800bps           |
          |      |       |                                             |
          |      |   101 | Sets serial port speed to 9600bps           |
          |      |       |                                             |
          |      | í 110 | Sets serial port speed to 19200bps          |
          |      |       |                                             |
          |      |   111 | Sets serial port speed to 48400bps or upper |
          |      |       | data rate                                   |
          |------+-------+---------------------------------------------|
          | 5, 4 |    00 | Parity even                                 |
          |      |       |                                             |
          |      |  í 01 | Space Parity                                |
          |      |       |                                             |
          |      |    10 | Parity odd                                  |
          |      |       |                                             |
          |      |    11 | Mark or No Parity                           |
          |------+-------+---------------------------------------------|
          | 7, 6 |  í 00 | Guard tone disabled                         |
          |      |       |                                             |
          |      |    01 | Guard tone 550Hz enabled                    |
          |      |       |                                             |
          |      |    10 | Guard tone 1800Hz enabled                   |
          +------------------------------------------------------------+
       
          +------------------------------------------------------------+
          |                        BIT SAMPLING                        |
          |------------------------------------------------------------|
          | Type:        | Configuration                               |
          |--------------+---------------------------------------------|
          | Format:      | AT [cmds] #VBS=n [cmds]                     |
          |--------------+---------------------------------------------|
          | Description: | Select bit sampling                         |
          |------------------------------------------------------------|
          |    Command     |                 Function                  |
          |----------------+-------------------------------------------|
          |     #VBS?      | Returns current setting of #VBS command   |
          |----------------+-------------------------------------------|
          |     #VBS=2     | 2 bits per sample ADPCM enabled           |
          |----------------+-------------------------------------------|
          |     #VBS=3     | 3 bits per sample ADPCM enabled           |
          |----------------+-------------------------------------------|
          |     #VBS=4     | 4 bits per sample ADPCM enabled           |
          +------------------------------------------------------------+
       
          +------------------------------------------------------------+
          |                         BREAK TYPE                         |
          |------------------------------------------------------------|
          | Type:        | Configuration                               |
          |--------------+---------------------------------------------|
          | Format:      | AT [cmds] \Kn [cmds]                        |
          |--------------+---------------------------------------------|
          | Description: | Configures action of break signal           |
          |------------------------------------------------------------|
          |  Command  |                    Function                    |
          |-----------+------------------------------------------------|
          |    \K0    | Online command mode enabled, send no break to  |
          |           | remote modem                                   |
          |-----------+------------------------------------------------|
          |    \K1    | Break sent to remote modem and buffers cleared |
          |-----------+------------------------------------------------|
          |    \K2    | Online command mode enabled, send no break to  |
          |           | remote modem                                   |
          |-----------+------------------------------------------------|
          |    \K3    | Send break to remote modem immediately         |
          |-----------+------------------------------------------------|
          |    \K4    | Online command mode enabled, send no break to  |
          |           | remote modem                                   |
          |-----------+------------------------------------------------|
          |   í \K5   | Send break with transmitted data               |
          +------------------------------------------------------------+
       
          +------------------------------------------------------------+
          |                        COMPRESSION                         |
          |------------------------------------------------------------|
          | Type:        | Configuration                               |
          |--------------+---------------------------------------------|
          | Format:      | AT [cmds] %Cn [cmds]                        |
          |--------------+---------------------------------------------|
          | Description: | Selects data compression                    |
          |--------------+---------------------------------------------|
          |   Command    |                  Function                   |
          |--------------+---------------------------------------------|
          |     %C0      | Data compression disabled                   |
          |--------------+---------------------------------------------|
          |     %C1      | Data compression enabled                    |
          +------------------------------------------------------------+
       
          +------------------------------------------------------------+
          |                        CONNECT MODE                        |
          |------------------------------------------------------------|
          | Type:        | Configuration                               |
          |--------------+---------------------------------------------|
          | Format:      | AT [cmds] \Nn [cmds]                        |
          |--------------+---------------------------------------------|
          | Description: | Controls the type of connection the modem   |
          |              | will operate in                             |
          |--------------+---------------------------------------------|
          |   Command    |                  Function                   |
          |--------------+---------------------------------------------|
          |     \N0      | Normal mode enabled                         |
          |--------------+---------------------------------------------|
          |     \N1      | Direct mode enabled                         |
          |--------------+---------------------------------------------|
          |     \N2      | MNP Reliable mode enabled                   |
          |--------------+---------------------------------------------|
          |     \N3      | MNP auto-reliable mode enabled              |
          |--------------+---------------------------------------------|
          |     \N4      | V.42 reliable mode with phase detection     |
          |              | enabled                                     |
          |--------------+---------------------------------------------|
          |    í \N5     | V.42 auto-reliable mode with phase          |
          |              | detection enabled                           |
          |--------------+---------------------------------------------|
          |     \N6      | V.42 reliable mode without phase detection  |
          |              | enabled                                     |
          |--------------+---------------------------------------------|
          |     \N7      | V.42 auto-reliable mode without phase       |
          |              | detection enabled                           |
          +------------------------------------------------------------+
       
          +------------------------------------------------------------+
          |                    DIAL - STORED NUMBER                    |
          |------------------------------------------------------------|
          | Type:        | Immediate                                   |
          |--------------+---------------------------------------------|
          | Format:      | AT [cmds] DS=n [cmds]                       |
          |--------------+---------------------------------------------|
          | Description: | Dial stored number from memory location n,  |
          |              | (n=0-2)                                     |
          +------------------------------------------------------------+
       
          +------------------------------------------------------------+
          |                DIAL/BUSY TONE DETECT RANGE                 |
          |------------------------------------------------------------|
          | Type:        | Register                                    |
          |--------------+---------------------------------------------|
          | Format:      | AT [cmds] S96=n [cmds]                      |
          |--------------+---------------------------------------------|
          | Description: | Selects the range the modem uses for        |
          |              | dial/busy tone detection                    |
          |------------------------------------------------------------|
          |    Command    |    Range     |          Function           |
          |---------------+--------------+-----------------------------|
          |    í S96=0    | 350 - 620Hz  | USA, Korea, Taiwan          |
          |---------------+--------------+-----------------------------|
          |     S96=1     | 425 - 450Hz  | Belgium                     |
          |---------------+--------------+-----------------------------|
          |     S96=2     | 440 - 700Hz  | France                      |
          |---------------+--------------+-----------------------------|
          |     S96=3     | 350 - 450Hz  | Israel, Japan               |
          |---------------+--------------+-----------------------------|
          |     S96=4     | 375 - 475Hz  | Italy, Norway, Germany,     |
          |               |              | Denmark                     |
          |---------------+--------------+-----------------------------|
          |     S96=5     | 150 - 450Hz  | Netherlands                 |
          |---------------+--------------+-----------------------------|
          |     S96=6     | 270 - 320Hz  | Singapore                   |
          |---------------+--------------+-----------------------------|
          |     S96=7     | 350 - 500Hz  | Sweden                      |
          |---------------+--------------+-----------------------------|
          |     S96=8     | 375 - 550Hz  | Switzerland                 |
          |---------------+--------------+-----------------------------|
          |     S96=9     | 350 - 440Hz  | United Kingdom              |
          |---------------+--------------+-----------------------------|
          |    S96=10     | 110 - 700Hz  | Full range                  |
          +------------------------------------------------------------+
       
          +------------------------------------------------------------+
          |                 ENERGY DETECTION THRESHOLD                 |
          |------------------------------------------------------------|
          | Type:        | Register                                    |
          |--------------+---------------------------------------------|
          | Format:      | AT [cmds] S97=n [cmds]                      |
          |--------------+---------------------------------------------|
          | Default:     | 45                                          |
          |--------------+---------------------------------------------|
          | Range:       | Unidentified                                |
          |--------------+---------------------------------------------|
          | Unit:        | Unidentified                                |
          |--------------+---------------------------------------------|
          | Description: | Selects dial tone detect threshold during   |
          |              | CPM mode                                    |
          +------------------------------------------------------------+
       
          +------------------------------------------------------------+
          |                   EXTENDED RESULT CODES                    |
          |------------------------------------------------------------|
          | Type:        | Configuration                               |
          |--------------+---------------------------------------------|
          | Format:      | AT [cmds] Wn [cmds]                         |
          |--------------+---------------------------------------------|
          | Description: | Controls extended result codes              |
          |--------------+---------------------------------------------|
          |   Command    |                  Function                   |
          |--------------+---------------------------------------------|
          |     í W0     | V.42 extended result codes disabled         |
          |--------------+---------------------------------------------|
          |      W1      | V.42 extended result codes enabled          |
          +------------------------------------------------------------+
       
          +------------------------------------------------------------+
          |                     FLOW CONTROL TYPE                      |
          |------------------------------------------------------------|
          | Type:        | Configuration                               |
          |--------------+---------------------------------------------|
          | Format:      | AT [cmds] \Qn [cmds]                        |
          |--------------+---------------------------------------------|
          | Description: | Sets type of flow control used by modem     |
          |--------------+---------------------------------------------|
          |   Command    |                  Function                   |
          |--------------+---------------------------------------------|
          |     \Q0      | Flow control disabled                       |
          |--------------+---------------------------------------------|
          |     \Q1      | XON/XOFF software flow control enabled      |
          |--------------+---------------------------------------------|
          |     \Q2      | CTS hardware flow control enabled           |
          |--------------+---------------------------------------------|
          |    í \Q3     | RTS/CTS hardware flow control enabled       |
          +------------------------------------------------------------+
       
          +------------------------------------------------------------+
          |                      INACTIVITY TIMER                      |
          |------------------------------------------------------------|
          | Type:        | Configuration                               |
          |--------------+---------------------------------------------|
          | Format:      | AT [cmds] \Tn [cmds]                        |
          |--------------+---------------------------------------------|
          | Default:     | 0                                           |
          |--------------+---------------------------------------------|
          | Range:       | 0-90                                        |
          |--------------+---------------------------------------------|
          | Unit:        | 1 minute                                    |
          |--------------+---------------------------------------------|
          | Description: | Sets the length of time that the modem does |
          |              | not receive information before it           |
          |              | disconnects.                                |
          +------------------------------------------------------------+
       
          +------------------------------------------------------------+
          |                         LINE TYPE                          |
          |------------------------------------------------------------|
          | Type:        | Configuration                               |
          |--------------+---------------------------------------------|
          | Format:      | AT [cmds] &Ln [cmds]                        |
          |--------------+---------------------------------------------|
          | Description: | Selects line type                           |
          |--------------+---------------------------------------------|
          |   Command    |                  Line Type                  |
          |--------------+---------------------------------------------|
          |    í &L0     | Switched line                               |
          |--------------+---------------------------------------------|
          |     &L1      | Leased-line - 2-wire                        |
          |--------------+---------------------------------------------|
          |     &L2      | Leased-line - 4-wire                        |
          +------------------------------------------------------------+
       
          +------------------------------------------------------------+
          |                       MODE SELECTION                       |
          |------------------------------------------------------------|
          | Type:        | Configuration                               |
          |--------------+---------------------------------------------|
          | Format:      | AT [cmds] #CLS=n [cmds]                     |
          |--------------+---------------------------------------------|
          | Description: | Controls the mode the modem will operate in |
          |------------------------------------------------------------|
          |     Command     |                 Function                 |
          |-----------------+------------------------------------------|
          |      #CLS?      | Returns current setting of #CLS command  |
          |-----------------+------------------------------------------|
          |     #CLS=0      | Data mode enabled                        |
          |-----------------+------------------------------------------|
          |     #CLS=2      | Fax class 2 command mode enabled         |
          |-----------------+------------------------------------------|
          |     #CLS=8      | Voice mode enabled                       |
          +------------------------------------------------------------+
       
          +------------------------------------------------------------+
          |                     MODEM MANUFACTURER                     |
          |------------------------------------------------------------|
          | Type:        | Immediate                                   |
          |--------------+---------------------------------------------|
          | Format:      | AT [cmds] #MFR? [cmds]                      |
          |--------------+---------------------------------------------|
          | Description: | Reports modem manufacturer                  |
          +------------------------------------------------------------+
       
          +------------------------------------------------------------+
          |                        MODEM MODEL                         |
          |------------------------------------------------------------|
          | Type:        | Immediate                                   |
          |--------------+---------------------------------------------|
          | Format:      | AT [cmds] #MDL? [cmds]                      |
          |--------------+---------------------------------------------|
          | Description: | Reports modem models                        |
          +------------------------------------------------------------+
       
          +------------------------------------------------------------+
          |                       MODEM REVISION                       |
          |------------------------------------------------------------|
          | Type:        | Immediate                                   |
          |--------------+---------------------------------------------|
          | Format:      | AT [cmds] #REV? [cmds]                      |
          |--------------+---------------------------------------------|
          | Description: | Reports modem revision                      |
          +------------------------------------------------------------+
       
          +------------------------------------------------------------+
          |                     REPORT INFORMATION                     |
          |------------------------------------------------------------|
          | Type:        | Immediate                                   |
          |--------------+---------------------------------------------|
          | Format:      | AT [cmds] In [cmds]                         |
          |--------------+---------------------------------------------|
          | Description: | Displays information requested              |
          |--------------+---------------------------------------------|
          |   Command    |                  Function                   |
          |--------------+---------------------------------------------|
          |      I0      | Reports product-identification code         |
          |--------------+---------------------------------------------|
          |      I1      | Reports factory code                        |
          |--------------+---------------------------------------------|
          |      I2      | Reports internal memory test                |
          |--------------+---------------------------------------------|
          |      I3      | Reports firmware version 1                  |
          |--------------+---------------------------------------------|
          |      I4      | Reports firmware version 2                  |
          +------------------------------------------------------------+
       
          +------------------------------------------------------------+
          |                       SIGNAL ROUTING                       |
          |------------------------------------------------------------|
          | Type:        | Configuration                               |
          |--------------+---------------------------------------------|
          | Format:      | AT [cmds] #VLS=n [cmds]                     |
          |--------------+---------------------------------------------|
          | Description: | Select which signal is routed through the   |
          |              | modem                                       |
          |------------------------------------------------------------|
          |    Command    |                  Function                  |
          |---------------+--------------------------------------------|
          |     #VLS?     | Returns current setting of #VLS command    |
          |---------------+--------------------------------------------|
          |    #VLS=0     | Phone line interface routed through the    |
          |               | modem                                      |
          |---------------+--------------------------------------------|
          |    #VLS=1     | Handset routed through the modem           |
          |---------------+--------------------------------------------|
          |    #VLS=2     | External speaker routed through the modem  |
          |---------------+--------------------------------------------|
          |    #VLS=3     | Auxiliary input device routed through the  |
          |               | modem                                      |
          |---------------+--------------------------------------------|
          |    #VLS=4     | Internal speaker routed through the modem  |
          +------------------------------------------------------------+
       
          +------------------------------------------------------------+
          |                      SPEED - AUTOBAUD                      |
          |------------------------------------------------------------|
          | Type:        | Configuration                               |
          |--------------+---------------------------------------------|
          | Format:      | AT [cmds] #BDR=n [cmds]                     |
          |--------------+---------------------------------------------|
          | Description: | Controls speed                              |
          |------------------------------------------------------------|
          |    Command    |                  Function                  |
          |---------------+--------------------------------------------|
          |     #BDR?     | Returns current setting of #BDR command    |
          |---------------+--------------------------------------------|
          |    #BDR=0     | Autobaud detection enabled                 |
          |---------------+--------------------------------------------|
          |    #BDR=n     | Returns ‘OK’ and switches to new speed     |
          |               | specified by n*2400bps (n=1,2,4,6,8,16,24) |
          +------------------------------------------------------------+
       
          +------------------------------------------------------------+
          |                      TONE GENERATION                       |
          |------------------------------------------------------------|
          | Type:        | Configuration                               |
          |--------------+---------------------------------------------|
          | Format:      | AT [cmds] #VBT=n [cmds]                     |
          |--------------+---------------------------------------------|
          | Default:     | Unidentified                                |
          |--------------+---------------------------------------------|
          | Range:       | 1-40                                        |
          |--------------+---------------------------------------------|
          | Unit:        | .1 second                                   |
          |--------------+---------------------------------------------|
          | Description: | Controls the amount of time a tone is       |
          |              | generated                                   |
          |--------------+---------------------------------------------|
          |   Command    |                  Function                   |
          |--------------+---------------------------------------------|
          |    #VBT?     | Returns current setting of #VBT command     |
          +------------------------------------------------------------+
       
          +------------------------------------------------------------+
          |                  VOICE COMPRESSION METHOD                  |
          |------------------------------------------------------------|
          | Type:        | Immediate                                   |
          |--------------+---------------------------------------------|
          | Format:      | AT [cmds] #VCI? [cmds]                      |
          |--------------+---------------------------------------------|
          | Description: | Reports voice compression method used       |
          +------------------------------------------------------------+
       
          +------------------------------------------------------------+
          |                   VOICE INACTIVITY TIMER                   |
          |------------------------------------------------------------|
          | Type:        | Register                                    |
          |--------------+---------------------------------------------|
          | Format       | AT [cmds] S30=n [cmds]                      |
          |--------------+---------------------------------------------|
          | Default:     | 0                                           |
          |--------------+---------------------------------------------|
          | Range:       | 0-255                                       |
          |--------------+---------------------------------------------|
          | Unit:        | 1 second                                    |
          |--------------+---------------------------------------------|
          | Description: | Maximum duration of DTE and DCE inactivity  |
          |              | allowed prior to initiating hang-up         |
          |              | process.                                    |
          |--------------+---------------------------------------------|
          | Note:        | S30=0 disables the timer and allows         |
          |              | indefinite inactivity.                      |
          +------------------------------------------------------------+
       
          +------------------------------------------------------------+
          |                       VOICE RECEIVE                        |
          |------------------------------------------------------------|
          | Type:        | Immediate                                   |
          |--------------+---------------------------------------------|
          | Format:      | AT [cmds] #VTX [cmds]                       |
          |--------------+---------------------------------------------|
          | Description: | Enables voice receive during voice command  |
          |              | mode                                        |
          +------------------------------------------------------------+
       
          +------------------------------------------------------------+
          |                       VOICE TRANSMIT                       |
          |------------------------------------------------------------|
          | Type:        | Immediate                                   |
          |--------------+---------------------------------------------|
          | Format:      | AT [cmds] #VTX [cmds]                       |
          |--------------+---------------------------------------------|
          | Description: | Enables voice transmission during voice     |
          |              | command mode                                |
          +------------------------------------------------------------+
       
                               V.25bis COMMAND SET
       
          +------------------------------------------------------------+
          |                   CALL REQUESTED NUMBER                    |
          |------------------------------------------------------------|
          | Type:        | Immediate                                   |
          |--------------+---------------------------------------------|
          | Format:      | CRN<#>                                      |
          |--------------+---------------------------------------------|
          | Description: | Dials the number given; it will ignore      |
          |              | spaces and hyphens in the string.           |
          +------------------------------------------------------------+
       
          +------------------------------------------------------------+
          |                 CALL REQUEST WITH ADDRESS                  |
          |------------------------------------------------------------|
          | Type:        | Immediate                                   |
          |--------------+---------------------------------------------|
          | Format:      | CRSn                                        |
          |--------------+---------------------------------------------|
          | Description: | Dials the number stored in NVRAM at         |
          |              | location n                                  |
          +------------------------------------------------------------+
       
          +------------------------------------------------------------+
          |                       PROGRAM NUMBER                       |
          |------------------------------------------------------------|
          | Type:        | Configuration                               |
          |--------------+---------------------------------------------|
          | Format:      | PRNn;<#>                                    |
          |--------------+---------------------------------------------|
          | Description: | Stores a phone number in NVRAM at location  |
          |              | n                                           |
          +------------------------------------------------------------+
       
          +------------------------------------------------------------+
          |                   REQUEST LISTED NUMBERS                   |
          |------------------------------------------------------------|
          | Type:        | Immediate                                   |
          |--------------+---------------------------------------------|
          | Format:      | RLN                                         |
          |--------------+---------------------------------------------|
          | Description: | Requests the modem to return the list of    |
          |              | stored numbers in NVRAM                     |
          +------------------------------------------------------------+
       
          +------------------------------------------------------------+
          |                  DISREGARD INCOMING CALL                   |
          |------------------------------------------------------------|
          | Type:        | Immediate                                   |
          |--------------+---------------------------------------------|
          | Format:      | DIC                                         |
          |--------------+---------------------------------------------|
          | Description: | Instructs the modem to ignore the incoming  |
          |              | call, if the modem is set to automatically  |
          |              | answer.                                     |
          +------------------------------------------------------------+
       
          +------------------------------------------------------------+
          |                   CONNECT INCOMING CALLS                   |
          |------------------------------------------------------------|
          | Type:        | Immediate                                   |
          |--------------+---------------------------------------------|
          | Format:      | CID                                         |
          |--------------+---------------------------------------------|
          | Description: | Instructs the modem to answer an incoming   |
          |              | call.                                       |
          +------------------------------------------------------------+
       
          +------------------------------------------------------------+
          |                    V.25bis/AT COMMANDS                     |
          |------------------------------------------------------------|
          | Type:        | Immediate                                   |
          |--------------+---------------------------------------------|
          | Format:      | AT [cmds] ATC [cmds]                        |
          |--------------+---------------------------------------------|
          | Description: | Toggles between V.25bis and AT command set  |
          +------------------------------------------------------------+