URI: 
  TEXT View Source
       
       # RHETOREX, INC.
       
          RTNI-2T1
       
          Card Type              T1 CSU                                  
          NIC Type               T1                                      
          Maximum Onboard Memory Unidentified                            
          Boot ROM               Not available                           
          Network Transfer Rate  1.544Mbps                               
          Topology               Star                                    
          Wiring Type            RJ-48C twisted pair copper wire         
          Data Bus               16-bit ISA                              
       
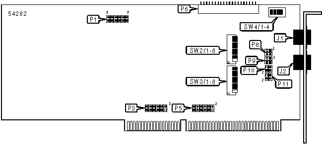
   IMG IMG 1
          
       
          +------------------------------------------------------------+
          |                        CONNECTIONS                         |
          |------------------------------------------------------------|
          |       Function        | Label |      Function      | Label |
          |-----------------------+-------+--------------------+-------|
          | RJ-48 connector to    |  J1   | RJ-48 connector to |  J2   |
          | trunk line A          |       | trunk line B       |       |
          |-----------------------+-------+--------------------+-------|
          | MVIP connector        |  P6   |                    |       |
          +------------------------------------------------------------+
       
          +------------------------------------------------------------+
          |                 USER CONFIGURABLE SETTINGS                 |
          |------------------------------------------------------------|
          |              Function              | Label |   Position    |
          |------------------------------------+-------+---------------|
          | » | Factory configured - do not    |  P3   | Pins 11 & 12  |
          |   | alter (IRQ)                    |       |    closed     |
          |---+--------------------------------+-------+---------------|
          | » | Factory configured - do not    |  P5   |     Open      |
          |   | alter (IRQ)                    |       |               |
          |---+--------------------------------+-------+---------------|
          | » | Factory configured - do not    | SW2/8 | Unidentified  |
          |   | alter                          |       |               |
          |---+--------------------------------+-------+---------------|
          | » | Factory configured - do not    | SW3/8 | Unidentified  |
          |   | alter                          |       |               |
          +------------------------------------------------------------+
       
          +------------------------------------------------------------+
          |                      MVIP TERMINATION                      |
          |------------------------------------------------------------|
          |     Function     | P1/A | P1/B | P1/C | P1/D | P1/E | P1/F |
          |------------------+------+------+------+------+------+------|
          |   Clockmaster    | Open | Open | Open | Open | N/A  | N/A  |
          |------------------+------+------+------+------+------+------|
          |  Terminate MVIP  |Closed|Closed|Closed|Closed| N/A  | N/A  |
          +------------------------------------------------------------+
       
          +------------------------------------------------------------+
          |                    TRUNK A EQUALIZATION                    |
          |------------------------------------------------------------|
          |   Function   |           P8            |        P9         |
          |--------------+-------------------------+-------------------|
          | Network mode |    Pins 1 & 2, 3 & 4    | Pins 1 & 2, 3 & 4 |
          |              |         closed          |      closed       |
          |--------------+-------------------------+-------------------|
          |  User mode   |    Pins 1 & 3, 2 & 4    | Pins 1 & 3, 2 & 4 |
          |              |         closed          |      closed       |
          +------------------------------------------------------------+
       
          +------------------------------------------------------------+
          |                    TRUNK B EQUALIZATION                    |
          |------------------------------------------------------------|
          |   Function   |           P10           |        P11        |
          |--------------+-------------------------+-------------------|
          | Network mode |    Pins 1 & 2, 3 & 4    | Pins 1 & 2, 3 & 4 |
          |              |         closed          |      closed       |
          |--------------+-------------------------+-------------------|
          |  User mode   |    Pins 1 & 3, 2 & 4    | Pins 1 & 3, 2 & 4 |
          |              |         closed          |      closed       |
          +------------------------------------------------------------+
       
          +------------------------------------------------------------+
          |                LINE A EQUALIZATION SETTINGS                |
          |------------------------------------------------------------|
          |Value | SW2/1 | SW2/2 | SW2/3 | SW2/4 | SW2/5 |SW2/6 |SW2/7 |
          |------+-------+-------+-------+-------+-------+------+------|
          | 10h  | Open  | Open  |Closed | Open  | Open  | Open | Open |
          |------+-------+-------+-------+-------+-------+------+------|
          | 15h  | Open  | Open  |Closed | Open  |Closed | Open |Closed|
          |------+-------+-------+-------+-------+-------+------+------|
          | 20h  | Open  |Closed | Open  | Open  | Open  | Open | Open |
          |------+-------+-------+-------+-------+-------+------+------|
          | 25h  | Open  |Closed | Open  | Open  |Closed | Open |Closed|
          |------+-------+-------+-------+-------+-------+------+------|
          | 40h  |Closed | Open  | Open  | Open  | Open  | Open | Open |
          |------+-------+-------+-------+-------+-------+------+------|
          | 45h  |Closed | Open  | Open  | Open  |Closed | Open |Closed|
          |------+-------+-------+-------+-------+-------+------+------|
          | 1Ah  | Open  | Open  |Closed |Closed | Open  |Closed| Open |
          |------+-------+-------+-------+-------+-------+------+------|
          | 2Ah  | Open  |Closed | Open  |Closed | Open  |Closed| Open |
          |------+-------+-------+-------+-------+-------+------+------|
          | 4Ah  |Closed | Open  | Open  |Closed | Open  |Closed| Open |
          |------+-------+-------+-------+-------+-------+------+------|
          | 1Fh  | Open  | Open  |Closed |Closed |Closed |Closed|Closed|
          |------+-------+-------+-------+-------+-------+------+------|
          | 2Fh  | Open  |Closed | Open  |Closed |Closed |Closed|Closed|
          |------+-------+-------+-------+-------+-------+------+------|
          | 4Fh  |Closed | Open  | Open  |Closed |Closed |Closed|Closed|
          |------------------------------------------------------------|
          |Note:                                                       |
          |                                                            |
          |12 equalization values are available. Switch 1 is the most  |
          |significant bit. Switch 7 is the least significant bit. An  |
          |equalization setting of 40h is recommended for a ABAM cable |
          |0-150 feet in length, 2Ah for a cable 150-450 feet, & 15h   |
          |for a cable 450-650 feet.                                   |
          +------------------------------------------------------------+
       
          +------------------------------------------------------------+
          |                LINE B EQUALIZATION SETTINGS                |
          |------------------------------------------------------------|
          |Value | SW3/1 | SW3/2 | SW3/3 | SW3/4 | SW3/5 |SW3/6 |SW3/7 |
          |------+-------+-------+-------+-------+-------+------+------|
          | 10h  | Open  | Open  |Closed | Open  | Open  | Open | Open |
          |------+-------+-------+-------+-------+-------+------+------|
          | 15h  | Open  | Open  |Closed | Open  |Closed | Open |Closed|
          |------+-------+-------+-------+-------+-------+------+------|
          | 20h  | Open  |Closed | Open  | Open  | Open  | Open | Open |
          |------+-------+-------+-------+-------+-------+------+------|
          | 25h  | Open  |Closed | Open  | Open  |Closed | Open |Closed|
          |------+-------+-------+-------+-------+-------+------+------|
          | 40h  |Closed | Open  | Open  | Open  | Open  | Open | Open |
          |------+-------+-------+-------+-------+-------+------+------|
          | 45h  |Closed | Open  | Open  | Open  |Closed | Open |Closed|
          |------+-------+-------+-------+-------+-------+------+------|
          | 1Ah  | Open  | Open  |Closed |Closed | Open  |Closed| Open |
          |------+-------+-------+-------+-------+-------+------+------|
          | 2Ah  | Open  |Closed | Open  |Closed | Open  |Closed| Open |
          |------+-------+-------+-------+-------+-------+------+------|
          | 4Ah  |Closed | Open  | Open  |Closed | Open  |Closed| Open |
          |------+-------+-------+-------+-------+-------+------+------|
          | 1Fh  | Open  | Open  |Closed |Closed |Closed |Closed|Closed|
          |------+-------+-------+-------+-------+-------+------+------|
          | 2Fh  | Open  |Closed | Open  |Closed |Closed |Closed|Closed|
          |------+-------+-------+-------+-------+-------+------+------|
          | 4Fh  |Closed | Open  | Open  |Closed |Closed |Closed|Closed|
          |------------------------------------------------------------|
          |Note:                                                       |
          |                                                            |
          |12 equalization values are available. Switch 1 is the most  |
          |significant bit. Switch 7 is the least significant bit. An  |
          |equalization setting of 40h is recommended for a ABAM cable |
          |0-150 feet in length, 2Ah for a cable 150-450 feet, & 15h   |
          |for a cable 450-650 feet.                                   |
          +------------------------------------------------------------+
       
          +------------------------------------------------------------+
          |                 BASE I/O ADDRESS SELECTION                 |
          |------------------------------------------------------------|
          |    Setting     |  SW4/1   |  SW4/2   |  SW4/3   |  SW4/4   |
          |----------------+----------+----------+----------+----------|
          | » |    200h    |   Off    |   Off    |   Off    |    On    |
          |---+------------+----------+----------+----------+----------|
          |   |    300h    |   Off    |   Off    |   Off    |   Off    |
          |---+------------+----------+----------+----------+----------|
          |   |   2200h    |   Off    |   Off    |    On    |    On    |
          |---+------------+----------+----------+----------+----------|
          |   |   2300h    |   Off    |   Off    |    On    |   Off    |
          |---+------------+----------+----------+----------+----------|
          |   |   4200h    |   Off    |    On    |   Off    |    On    |
          |---+------------+----------+----------+----------+----------|
          |   |   4300h    |   Off    |    On    |   Off    |   Off    |
          |---+------------+----------+----------+----------+----------|
          |   |   6200h    |   Off    |    On    |    On    |    On    |
          |---+------------+----------+----------+----------+----------|
          |   |   6300h    |   Off    |    On    |    On    |   Off    |
          |---+------------+----------+----------+----------+----------|
          |   |   8200h    |    On    |   Off    |   Off    |    On    |
          |---+------------+----------+----------+----------+----------|
          |   |   8300h    |    On    |   Off    |   Off    |   Off    |
          |---+------------+----------+----------+----------+----------|
          |   |   A200h    |    On    |   Off    |    On    |    On    |
          |---+------------+----------+----------+----------+----------|
          |   |   A300h    |    On    |   Off    |    On    |   Off    |
          |---+------------+----------+----------+----------+----------|
          |   |   C200h    |    On    |    On    |   Off    |    On    |
          |---+------------+----------+----------+----------+----------|
          |   |   C300h    |    On    |    On    |   Off    |   Off    |
          |---+------------+----------+----------+----------+----------|
          |   |   E200h    |    On    |    On    |    On    |    On    |
          |---+------------+----------+----------+----------+----------|
          |   |   E300h    |    On    |    On    |    On    |   Off    |
          +------------------------------------------------------------+