URI: 
  TEXT View Source
       
       # TOSHIBA
       
          T1100PLUS MODEM (VER.1)/T1200 MODEM/T3100 MODEM (VER.1)/T5100
          MODEM/T5200 MODEM
       
          Card Type                Modem (asynchronous)                  
          Chip Set                 Unidentified                          
          Maximum Data Rate        2400bps                               
          Data Bus                 Internal/Toshiba bus                  
          Data Modulation Protocol Bell 103/212A                         
                                                                         
                                   ITU-T V.21, V.22, V.22bis             
       
   IMG IMG 1
          
       
          +------------------------------------------------------------+
          |                        CONNECTIONS                         |
          |------------------------------------------------------------|
          | Function | Label  |       Function        |     Label      |
          |------------------------------------------------------------|
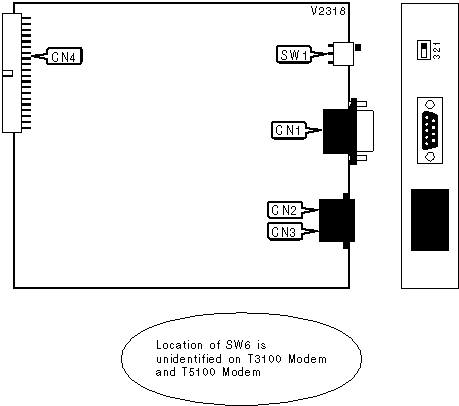
          | RS-232-C     |   CN1    | Line in                    | CN3 |
          |--------------+----------+----------------------------+-----|
          | Line out     |   CN2    | Proprietary connection to  | CN4 |
          |              |          | computer                   |     |
          +------------------------------------------------------------+
       
          +------------------------------------------------------------+
          |                           POWER                            |
          |------------------------------------------------------------|
          |                  Setting                   |      SW1      |
          |--------------------------------------------+---------------|
          | Auto-start with telecommunication software |  Position 1   |
          |--------------------------------------------+---------------|
          |     Serial port in use/modem disabled      |  Position 2   |
          |--------------------------------------------+---------------|
          |                     On                     |  Position 3   |
          +------------------------------------------------------------+
       
          +------------------------------------------------------------+
          |                        PORT ADDRESS                        |
          |------------------------------------------------------------|
          |        Modem         |     Serial Port      |     SW6      |
          |----------------------+----------------------+--------------|
          |     COM1 (3F8h)      |     COM2 (2F8h)      |      Up      |
          |----------------------+----------------------+--------------|
          |     COM2 (2F8h)      |     COM1 (3F8h)      |     Down     |
          |------------------------------------------------------------|
          |      Only T3100 and T5100 has SW6, T1100PLUS and T1200 are |
          |      defaulted to COM2, T1600 uses software to determine   |
          |      the COM setting, T5200 uses the SETUP program to set  |
          |      the COM port.                                         |
          |------------------------------------------------------------|
          |      When SW1 is set to position 2 (serial port in use),   |
          |      serial port address is used.                          |
          +------------------------------------------------------------+
       
          +------------------------------------------------------------+
          |                   SUPPORTED COMMAND SET                    |
          |------------------------------------------------------------|
          |                     Basic AT Commands                      |
          |------------------------------------------------------------|
          | AT, ‘+++’, ‘Comma’, ‘Semicolon, A/                         |
          |------------------------------------------------------------|
          | A, B, C, E, F, H, I, L, M, O, P, Q, S, T, V, X, Y, Z       |
          |------------------------------------------------------------|
          | &C, &D, &F, &G, &P, &T, &W, &Y, &Z                         |
          |------------------------------------------------------------|
          |                        S Registers                         |
          |------------------------------------------------------------|
          | S0, S1, S2, S3, S4, S5, S6, S7, S8, S9, S10, S11, S12,     |
          | S14, S16, S18, S21, S22, S25                               |
          |------------------------------------------------------------|
          | Note: See MHI Help file for full command documentation.    |
          +------------------------------------------------------------+
       
                            Proprietary AT Command Set
       
          +------------------------------------------------------------+
          |                  BIT-MAPPED REGISTER S23                   |
          |------------------------------------------------------------|
          | Format       | AT [cmds] S23=n [cmds]                      |
          |--------------+---------------------------------------------|
          | Default:     | Unidentified                                |
          |--------------+---------------------------------------------|
          | Range:       | 0-55                                        |
          |--------------+---------------------------------------------|
          | Unit:        | Bit-mapped                                  |
          |--------------+---------------------------------------------|
          | Description: | Grants/denies remote digital loopback,      |
          |              | controls DTE rate and parity.               |
          |--------------+---------------------------------------------|
          | Bit  | Value |                  Function                   |
          |------+-------+---------------------------------------------|
          |  0   |     0 | Remote digital loopback denied              |
          |      |       |                                             |
          |      |     1 | Remote digital loopback allowed             |
          |------+-------+---------------------------------------------|
          | 2, 1 |    00 | Sets serial port speed to 0-300bps          |
          |      |       |                                             |
          |      |    01 | Not used                                    |
          |      |       |                                             |
          |      |    10 | Sets serial port speed to 1200bps           |
          |      |       |                                             |
          |      |    11 | Sets serial port speed to 2400bps           |
          |------+-------+---------------------------------------------|
          |  3   |     0 | Not used                                    |
          |------+-------+---------------------------------------------|
          | 5, 4 |    00 | Parity even                                 |
          |      |       |                                             |
          |      |    01 | Space Parity                                |
          |      |       |                                             |
          |      |    10 | Parity odd                                  |
          |      |       |                                             |
          |      |    11 | Mark or No Parity                           |
          +------------------------------------------------------------+
       
          +------------------------------------------------------------+
          |                  BIT-MAPPED REGISTER S27                   |
          |------------------------------------------------------------|
          | Format       | AT [cmds] S27=n [cmds]                      |
          |--------------+---------------------------------------------|
          | Default:     | Unidentified                                |
          |--------------+---------------------------------------------|
          | Range:       | 0-116                                       |
          |--------------+---------------------------------------------|
          | Unit:        | Bit-mapped                                  |
          |--------------+---------------------------------------------|
          | Description: | Selects ITU-T/Bell modes.                   |
          |--------------+---------------------------------------------|
          | Bit  | Value |                  Function                   |
          |------+-------+---------------------------------------------|
          | 1, 0 |  í 00 | Not used                                    |
          |------+-------+---------------------------------------------|
          |  2   |     0 | Not used                                    |
          |------+-------+---------------------------------------------|
          |  3   |   í 0 | Not used                                    |
          |------+-------+---------------------------------------------|
          | 5, 4 |    00 | Not used                                    |
          |------+-------+---------------------------------------------|
          |  6   |     0 | ITU/T mode                                  |
          |      |       |                                             |
          |      |     1 | Bell mode                                   |
          +------------------------------------------------------------+
       
          +------------------------------------------------------------+
          |                            DIAL                            |
          |------------------------------------------------------------|
          | Type:        | Immediate                                   |
          |--------------+---------------------------------------------|
          | Format:      | AT [cmds] D<#> [cmds]                       |
          |--------------+---------------------------------------------|
          | Description: | Dials telephone number according to any     |
          |              | modifiers included in the string            |
          |--------------+---------------------------------------------|
          | Note:        | Any combination of modifiers can be used to |
          |              | produce the desired dial functions in       |
          |              | sequence.                                   |
          |--------------+---------------------------------------------|
          |   Command    |                  Function                   |
          |--------------+---------------------------------------------|
          |      DP      | Pulse dialing enabled                       |
          |--------------+---------------------------------------------|
          |      DR      | Answer mode enabled; originate mode         |
          |              | disabled following handshake initiation.    |
          |--------------+---------------------------------------------|
          |     DS=n     | Dial stored telephone number n              |
          |--------------+---------------------------------------------|
          |      DT      | Tone dialing enabled/Pulse dialing disabled |
          |--------------+---------------------------------------------|
          |      DW      | Dialing resumed following dial tone         |
          |              | detection                                   |
          |--------------+---------------------------------------------|
          |      D,      | Dialing paused for amount of time specified |
          |              | in S8 register                              |
          |--------------+---------------------------------------------|
          |      D!      | Flash function initiated. Modem commanded   |
          |              | to go off-hook for specified time before    |
          |              | returning on-hook.                          |
          |--------------+---------------------------------------------|
          |      D@      | Wait for Quite Answer function enabled.     |
          |              | Modem waits until a "quiet answer," a       |
          |              | ring-back signal followed by silence up to  |
          |              | the time specified in S7, is received prior |
          |              | to executing the rest of the dial string.   |
          |--------------+---------------------------------------------|
          |      /       | Pause for .125 second                       |
          |--------------+---------------------------------------------|
          |      D;      | Modem returned to idle state after dialing. |
          |              | The semicolon can only be placed at the end |
          |              | of the dial command.                        |
          +------------------------------------------------------------+