URI: 
  TEXT View Source
       
       # WISECOM, INC.
       
          DATA/FAX/VOICE MODEM 14.4 (REV.1)
       
          Card Type              Fax, Modem (asynchronous), Voice        
          Chip Set               Cirrus Logic                            
          I/O options            Voice                                   
          Maximum Data Rate      14.4Kbps                                
          Maximum Fax Rate       14.4Kbps                                
          Data Bus               8-bit ISA                               
          Fax Class              Class I                                 
          Data Modulation        Bell 103A/212A                          
          Protocol                                                       
                                 ITU-T V.21, V.22, V.22bis, V.32,        
                                 V.32bis                                 
          Fax Modulation         ITU-T V.17, V.21CH2, V.27ter, V.29      
          Protocol               
          Error                  MNP5, V.42, V.42bis                     
          Correction/Compression 
       
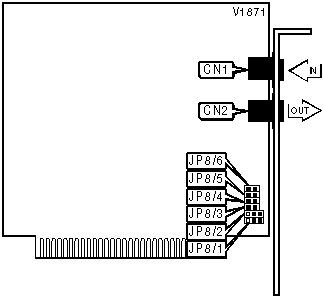
   IMG IMG 1
          
       
          +------------------------------------------------------------+
          |                        CONNECTIONS                         |
          |------------------------------------------------------------|
          |        Function        |  Label   |   Function   |  Label  |
          |------------------------------------------------------------|
          | Line in                     |    CN1     | Line out | CN2  |
          +------------------------------------------------------------+
       
          +------------------------------------------------------------+
          |                    SERIAL PORT ADDRESS                     |
          |------------------------------------------------------------|
          |     Setting      |       JP8/1        |       JP8/2        |
          |------------------+--------------------+--------------------|
          |   COM1 (3F8h)    | Pins 1 & 2 closed  | Pins 1 & 2 closed  |
          |------------------+--------------------+--------------------|
          |   COM2 (2F8h)    | Pins 2 & 3 closed  | Pins 1 & 2 closed  |
          |------------------+--------------------+--------------------|
          |   COM3 (3E8h)    | Pins 1 & 2 closed  | Pins 2 & 3 closed  |
          |------------------+--------------------+--------------------|
          |  í COM4 (2E8h)   | Pins 2 & 3 closed  | Pins 2 & 3 closed  |
          +------------------------------------------------------------+
       
          +------------------------------------------------------------+
          |                         INTERRUPT                          |
          |------------------------------------------------------------|
          |  Setting   |   JP8/3   |   JP8/4   |   JP8/5   |   JP8/6   |
          |------------+-----------+-----------+-----------+-----------|
          |     2      |  Closed   |   Open    |   Open    |   Open    |
          |------------+-----------+-----------+-----------+-----------|
          |    í 3     |   Open    |  Closed   |   Open    |   Open    |
          |------------+-----------+-----------+-----------+-----------|
          |     4      |   Open    |   Open    |  Closed   |   Open    |
          |------------+-----------+-----------+-----------+-----------|
          |     5      |   Open    |   Open    |   Open    |  Closed   |
          +------------------------------------------------------------+
       
                            Proprietary AT Command Set
       
          +------------------------------------------------------------+
          |                    ACCEPT RELIABLE MODE                    |
          |------------------------------------------------------------|
          | Type:        | Immediate                                   |
          |--------------+---------------------------------------------|
          | Format:      | AT [cmds] \U [cmds]                         |
          |--------------+---------------------------------------------|
          | Description: | Accepts remote modem’s request for reliable |
          |              | link                                        |
          +------------------------------------------------------------+
       
          +------------------------------------------------------------+
          |                 AUTO FALL FORWARD/FALLBACK                 |
          |------------------------------------------------------------|
          | Type:        | Configuration                               |
          |--------------+---------------------------------------------|
          | Format:      | AT [cmds] %Gn [cmds]                        |
          |--------------+---------------------------------------------|
          | Description: | Selects auto fallback/fall forward          |
          |--------------+---------------------------------------------|
          |   Command    |                  Function                   |
          |--------------+---------------------------------------------|
          |    í %G0     | Fallback/fall forward enabled               |
          |--------------+---------------------------------------------|
          |     %G1      | Fallback/fall forward disabled              |
          +------------------------------------------------------------+
       
          +------------------------------------------------------------+
          |              AUTO-RELIABLE FALLBACK CHARACTER              |
          |------------------------------------------------------------|
          | Type:        | Configuration                               |
          |--------------+---------------------------------------------|
          | Format:      | AT [cmds] %An [cmds]                        |
          |--------------+---------------------------------------------|
          | Default:     | Unidentified                                |
          |--------------+---------------------------------------------|
          | Range:       | 0-127                                       |
          |--------------+---------------------------------------------|
          | Unit:        | ASCII                                       |
          |--------------+---------------------------------------------|
          | Description: | Sets the character used as the              |
          |              | auto-reliable fallback character. %A0 will  |
          |              | disable this function.                      |
          +------------------------------------------------------------+
       
          +------------------------------------------------------------+
          |          AUTO-RELIABLE TIME BUFFER CONFIGURATION           |
          |------------------------------------------------------------|
          | Type:        | Configuration                               |
          |--------------+---------------------------------------------|
          | Format:      | AT [cmds] \Cn [cmds]                        |
          |--------------+---------------------------------------------|
          | Description: | Controls the handling of incoming data      |
          |              | during auto-reliable time period            |
          |--------------+---------------------------------------------|
          |   Command    |                  Function                   |
          |--------------+---------------------------------------------|
          |    í \C0     | Data is discarded                           |
          |--------------+---------------------------------------------|
          |     \C1      | Data is buffered                            |
          |--------------+---------------------------------------------|
          |     \C2      | Data is discarded, modem returns to normal  |
          |              | mode on receiving auto-reliable fallback    |
          |              | character.                                  |
          +------------------------------------------------------------+
       
          +------------------------------------------------------------+
          |                        AUTO-RETRAIN                        |
          |------------------------------------------------------------|
          | Type:        | Configuration                               |
          |--------------+---------------------------------------------|
          | Format:      | AT [cmds] %En [cmds]                        |
          |--------------+---------------------------------------------|
          | Description: | Selects auto-retrain mode                   |
          |--------------+---------------------------------------------|
          |   Command    |                  Function                   |
          |--------------+---------------------------------------------|
          |     %E0      | Auto-retrain disabled                       |
          |--------------+---------------------------------------------|
          |    í %E1     | Auto-retrain enabled                        |
          +------------------------------------------------------------+
       
          +------------------------------------------------------------+
          |                    BIT MAPPED REGISTERS                    |
          |------------------------------------------------------------|
          |          Register          |            Default            |
          |----------------------------+-------------------------------|
          |            S14             |         Unidentified          |
          |----------------------------+-------------------------------|
          |            S21             |         Unidentified          |
          |----------------------------+-------------------------------|
          |            S22             |         Unidentified          |
          |----------------------------+-------------------------------|
          |            S23             |         Unidentified          |
          |----------------------------+-------------------------------|
          |            S27             |         Unidentified          |
          +------------------------------------------------------------+
       
          +------------------------------------------------------------+
          |                         BREAK SEND                         |
          |------------------------------------------------------------|
          | Type:        | Configuration                               |
          |--------------+---------------------------------------------|
          | Format:      | AT [cmds] \Bn [cmds]                        |
          |--------------+---------------------------------------------|
          | Range:       | 0-9                                         |
          |--------------+---------------------------------------------|
          | Unit:        | .1 seconds                                  |
          |--------------+---------------------------------------------|
          | Description: | Sends break to modem                        |
          +------------------------------------------------------------+
       
          +------------------------------------------------------------+
          |                         BREAK TYPE                         |
          |------------------------------------------------------------|
          | Type        | Configuration                                |
          |-------------+----------------------------------------------|
          | Format      | AT [cmds] \Kn [cmds]                         |
          |-------------+----------------------------------------------|
          | Default     | 5                                            |
          |-------------+----------------------------------------------|
          | Range       | 0-5                                          |
          |-------------+----------------------------------------------|
          | Description | Configures action of break signal            |
          +------------------------------------------------------------+
       
          +------------------------------------------------------------+
          |                        CALLING TONE                        |
          |------------------------------------------------------------|
          | Type:        | Configuration                               |
          |--------------+---------------------------------------------|
          | Format:      | AT [cmds] -Cn [cmds]                        |
          |--------------+---------------------------------------------|
          | Description: | Controls whether the DTE will allow the     |
          |              | modem to send a 1300Hz calling tone when    |
          |              | originating.                                |
          |--------------+---------------------------------------------|
          |   Command    |                  Function                   |
          |--------------+---------------------------------------------|
          |    í -C0     | Disable calling tone                        |
          |--------------+---------------------------------------------|
          |     -C1      | Enable calling tone                         |
          +------------------------------------------------------------+
       
          +------------------------------------------------------------+
          |                        COMPRESSION                         |
          |------------------------------------------------------------|
          | Type:        | Configuration                               |
          |--------------+---------------------------------------------|
          | Format:      | AT [cmds] %Cn [cmds]                        |
          |--------------+---------------------------------------------|
          | Description: | Selects data compression                    |
          |--------------+---------------------------------------------|
          |   Command    |                  Function                   |
          |--------------+---------------------------------------------|
          |     %C0      | Data compression disabled                   |
          |--------------+---------------------------------------------|
          |    í %C1     | MNP5 enabled                                |
          +------------------------------------------------------------+
       
          +------------------------------------------------------------+
          |                        CONNECT MODE                        |
          |------------------------------------------------------------|
          | Type:        | Configuration                               |
          |--------------+---------------------------------------------|
          | Format:      | AT [cmds] \Nn [cmds]                        |
          |--------------+---------------------------------------------|
          | Description: | Sets connect mode                           |
          |--------------+---------------------------------------------|
          |   Command    |                  Function                   |
          |--------------+---------------------------------------------|
          |     \N0      | Normal mode enabled                         |
          |--------------+---------------------------------------------|
          |     \N1      | Direct mode enabled                         |
          |--------------+---------------------------------------------|
          |     \N2      | MNP mode enabled                            |
          |--------------+---------------------------------------------|
          |    í \N3     | Auto-reliable mode enabled                  |
          |--------------+---------------------------------------------|
          |     \N4      | V.42 mode enabled                           |
          +------------------------------------------------------------+
       
          +------------------------------------------------------------+
          |                  CONVERT TO RELIABLE MODE                  |
          |------------------------------------------------------------|
          | Type:        | Immediate                                   |
          |--------------+---------------------------------------------|
          | Format:      | AT [cmds] \Y  [cmds]                        |
          |--------------+---------------------------------------------|
          | Description: | Initiates reliable mode link                |
          +------------------------------------------------------------+
       
          +------------------------------------------------------------+
          |                   EXTENDED RESULT CODES                    |
          |------------------------------------------------------------|
          | Type:        | Configuration                               |
          |--------------+---------------------------------------------|
          | Format:      | AT [cmds] \Vn [cmds]                        |
          |--------------+---------------------------------------------|
          | Description: | Selects extended result codes               |
          |--------------+---------------------------------------------|
          |   Command    |                  Function                   |
          |--------------+---------------------------------------------|
          |     \V0      | Extended result codes disabled              |
          |--------------+---------------------------------------------|
          |     \V1      | Reliable result codes enabled               |
          |--------------+---------------------------------------------|
          |    í \V2     | Error control and compression result codes  |
          |              | enabled                                     |
          +------------------------------------------------------------+
       
          +------------------------------------------------------------+
          |                        FLOW CONTROL                        |
          |------------------------------------------------------------|
          | Type:        | Configuration                               |
          |--------------+---------------------------------------------|
          | Format:      | AT [cmds] \Gn [cmds]                        |
          |--------------+---------------------------------------------|
          | Description: | Selects modem port flow control             |
          |--------------+---------------------------------------------|
          |   Command    |                  Function                   |
          |--------------+---------------------------------------------|
          |    í \G0     | Flow control disabled                       |
          |--------------+---------------------------------------------|
          |     \G1      | Flow control enabled                        |
          +------------------------------------------------------------+
       
          +------------------------------------------------------------+
          |                     FLOW CONTROL TYPE                      |
          |------------------------------------------------------------|
          | Type:        | Configuration                               |
          |--------------+---------------------------------------------|
          | Format:      | AT [cmds] \Qn [cmds]                        |
          |--------------+---------------------------------------------|
          | Description: | Sets type of flow control used by modem     |
          |--------------+---------------------------------------------|
          |   Command    |                  Function                   |
          |--------------+---------------------------------------------|
          |     \Q0      | Flow control disabled                       |
          |--------------+---------------------------------------------|
          |     \Q1      | XON/XOFF flow control enabled               |
          |--------------+---------------------------------------------|
          |     \Q2      | CTS flow control to DTE enabled             |
          |--------------+---------------------------------------------|
          |    í \Q3     | RTS/CTS flow control enabled                |
          +------------------------------------------------------------+
       
          +------------------------------------------------------------+
          |                      INACTIVITY TIMER                      |
          |------------------------------------------------------------|
          | Type:        | Configuration                               |
          |--------------+---------------------------------------------|
          | Format:      | AT [cmds] \Tn [cmds]                        |
          |--------------+---------------------------------------------|
          | Default:     | 0                                           |
          |--------------+---------------------------------------------|
          | Range:       | 0-90                                        |
          |--------------+---------------------------------------------|
          | Unit:        | 1 minute                                    |
          |--------------+---------------------------------------------|
          | Description: | Sets the length of time that the modem does |
          |              | not receive information before it           |
          |              | disconnects.                                |
          +------------------------------------------------------------+
       
          +------------------------------------------------------------+
          |                      INACTIVITY TIMER                      |
          |------------------------------------------------------------|
          | Type:        | Register                                    |
          |--------------+---------------------------------------------|
          | Format:      | AT [cmds] S90=n [cmds]                      |
          |--------------+---------------------------------------------|
          | Default:     | 0                                           |
          |--------------+---------------------------------------------|
          | Range:       | 0-255                                       |
          |--------------+---------------------------------------------|
          | Unit:        | 1 second                                    |
          |--------------+---------------------------------------------|
          | Description: | Sets the length of time that the modem does |
          |              | not receive information before it           |
          |              | disconnects. S90=0 will disable.            |
          +------------------------------------------------------------+
       
          +------------------------------------------------------------+
          |                      LOCK SERIAL PORT                      |
          |------------------------------------------------------------|
          | Type:        | Configuration                               |
          |--------------+---------------------------------------------|
          | Format:      | AT [cmds] \Jn [cmds]                        |
          |--------------+---------------------------------------------|
          | Description: | Sets operation of serial port speed         |
          |--------------+---------------------------------------------|
          |   Command    |                  Function                   |
          |--------------+---------------------------------------------|
          |    í \J0     | Serial speed locked                         |
          |--------------+---------------------------------------------|
          |     \J1      | Serial speed follows connect speed          |
          +------------------------------------------------------------+
       
          +------------------------------------------------------------+
          |            MAXIMUM BLOCK SIZE FOR TRANSMISSION             |
          |------------------------------------------------------------|
          | Type:        | Configuration                               |
          |--------------+---------------------------------------------|
          | Format:      | AT [cmds] \An [cmds]                        |
          |--------------+---------------------------------------------|
          | Description: | Sets the maximum transmittable block size   |
          |--------------+---------------------------------------------|
          |   Command    |                  Function                   |
          |--------------+---------------------------------------------|
          |     \A0      | MNP block size is 64 characters             |
          |--------------+---------------------------------------------|
          |     \A1      | MNP block size is 128 characters            |
          |--------------+---------------------------------------------|
          |     \A2      | MNP block size is 192 characters            |
          |--------------+---------------------------------------------|
          |    í \A3     | MNP block size is 256 characters            |
          +------------------------------------------------------------+
       
          +------------------------------------------------------------+
          |                  ON-LINE IN RELIABLE MODE                  |
          |------------------------------------------------------------|
          | Type:        | Immediate                                   |
          |--------------+---------------------------------------------|
          | Format:      | AT [cmds] \O [cmds]                         |
          |--------------+---------------------------------------------|
          | Description: | Returns to on-line and requests reliable    |
          |              | mode connection.                            |
          +------------------------------------------------------------+
       
          +------------------------------------------------------------+
          |                  RETURN TO RELIABLE MODE                   |
          |------------------------------------------------------------|
          | Type:        | Immediate                                   |
          |--------------+---------------------------------------------|
          | Format:      | AT [cmds] \Z  [cmds]                        |
          |--------------+---------------------------------------------|
          | Description: | Ends reliable mode link and initiate return |
          |              | to normal mode                              |
          +------------------------------------------------------------+
       
          +------------------------------------------------------------+
          |                         TEST MODES                         |
          |------------------------------------------------------------|
          | Format       | AT [cmds] S16=n [cmds]                      |
          |--------------+---------------------------------------------|
          | Default:     | Unidentified                                |
          |--------------+---------------------------------------------|
          | Range:       | Unidentified                                |
          |--------------+---------------------------------------------|
          | Unit:        | Bit-mapped                                  |
          |--------------+---------------------------------------------|
          | Description: | Controls loopback tests, analog, digital,   |
          |              | remote digital, and self tests.             |
          |--------------+---------------------------------------------|
          | Bit  | Value |                  Function                   |
          |------+-------+---------------------------------------------|
          |  0   |     0 | Local analog loopback not in progress       |
          |      |       |                                             |
          |      |     1 | Local analog loopback in progress           |
          |------+-------+---------------------------------------------|
          |  1   |     0 | Not used                                    |
          |------+-------+---------------------------------------------|
          |  2   |     0 | Local digital loopback not in progress      |
          |      |       |                                             |
          |      |     1 | Local digital loopback in progress          |
          |------+-------+---------------------------------------------|
          |  3   |     0 | Modem not in remote digital loopback        |
          |      |       |                                             |
          |      |     1 | Remote digital loopback in progress         |
          |------+-------+---------------------------------------------|
          |  4   |     0 | Remote digital loopback not requested       |
          |      |       |                                             |
          |      |     1 | Remote digital loopback requested           |
          |------+-------+---------------------------------------------|
          |  5   |     0 | Remote digital loopback w/ self-test not in |
          |      |       | progress                                    |
          |      |     1 |                                             |
          |      |       | Remote digital loopback w/ self-test in     |
          |      |       | progress                                    |
          |------+-------+---------------------------------------------|
          |  6   |     0 | Local analog loopback w/ self-test not in   |
          |      |       | progress                                    |
          |      |     1 |                                             |
          |      |       | Local analog loopback w/ self-test in       |
          |      |       | progress                                    |
          +------------------------------------------------------------+
       
          +------------------------------------------------------------+
          |                    V.42 DETECTION PHASE                    |
          |------------------------------------------------------------|
          | Type:        | Configuration                               |
          |--------------+---------------------------------------------|
          | Format:      | AT [cmds] -Jn [cmds]                        |
          |--------------+---------------------------------------------|
          | Description: | Controls V.42 detection                     |
          |--------------+---------------------------------------------|
          |   Command    |                  Function                   |
          |--------------+---------------------------------------------|
          |     -J0      | V.42 detection disabled                     |
          |--------------+---------------------------------------------|
          |    í -J1     | V.42 detection enabled                      |
          +------------------------------------------------------------+
       
          +------------------------------------------------------------+
          |                V.42bis COMPRESSION CONTROL                 |
          |------------------------------------------------------------|
          | Type:        | Configuration                               |
          |--------------+---------------------------------------------|
          | Format:      | AT [cmds] "Hn [cmds]                        |
          |--------------+---------------------------------------------|
          | Description: | Controls V.42bis data compression           |
          |--------------+---------------------------------------------|
          |   Command    |                  Function                   |
          |--------------+---------------------------------------------|
          |     "H0      | V.42bis disabled                            |
          |--------------+---------------------------------------------|
          |     "H1      | V.42bis when transmitting enabled           |
          |--------------+---------------------------------------------|
          |     "H2      | V.42bis when receiving enabled              |
          |--------------+---------------------------------------------|
          |    í "H3     | V.42bis when transmitting/receiving enabled |
          +------------------------------------------------------------+
       
          +------------------------------------------------------------+
          |               V.42bis MAXIMUM STRING LENGTH                |
          |------------------------------------------------------------|
          | Type:        | Immediate                                   |
          |--------------+---------------------------------------------|
          | Format:      | AT [cmds] "Closed [cmds]                    |
          |--------------+---------------------------------------------|
          | Default:     | 16                                          |
          |--------------+---------------------------------------------|
          | Range:       | 6-250                                       |
          |--------------+---------------------------------------------|
          | Unit:        | Characters                                  |
          |--------------+---------------------------------------------|
          | Description: | Selects string size for V.42bis compression |
          +------------------------------------------------------------+
       
          +------------------------------------------------------------+
          |                   XON/XOFF PASS-THROUGH                    |
          |------------------------------------------------------------|
          | Type:        | Configuration                               |
          |--------------+---------------------------------------------|
          | Format:      | AT [cmds] \Xn [cmds]                        |
          |--------------+---------------------------------------------|
          | Description: | Selects whether XON/XOFF signals are sent   |
          |              | to remote modem                             |
          |--------------+---------------------------------------------|
          |   Command    |                  Function                   |
          |--------------+---------------------------------------------|
          |    í \X0     | XON/XOFF signals trapped by local modem     |
          |--------------+---------------------------------------------|
          |     \X1      | XON/XOFF passed through local modem         |
          +------------------------------------------------------------+