URI: 
  TEXT View Source
       
       # WISECOM, INC.
       
          DATA/FAX/VOICE MODEM 14.4 (REV.2)
       
          Card Type              Fax, Modem (asynchronous), Voice        
          Chip Set               Cirrus Logic                            
          I/O Options            Voice                                   
          Maximum Data Rate      14.4Kbps                                
          Maximum Fax Rate       14.4Kbps                                
          Data Bus               8-bit ISA                               
          Fax Class              Class I                                 
          Data Modulation        Bell 103A/212A                          
          Protocol                                                       
                                 ITU-T V.21, V.22, V.22bis, V.32,        
                                 V.32bis                                 
          Fax Modulation         ITU-T V.17, V.21CH2, V.27ter, V.29      
          Protocol               
          Error                  MNP5, V.42, V.42bis                     
          Correction/Compression 
       
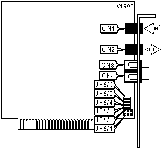
   IMG IMG 1
          
       
          +------------------------------------------------------------+
          |                        CONNECTIONS                         |
          |------------------------------------------------------------|
          |       Function       | Label  |   Function    |   Label    |
          |------------------------------------------------------------|
          | Line out                 |   CN1    | Speaker out   | CN3  |
          |--------------------------+----------+---------------+------|
          | Line in                  |   CN2    | Microphone in | CN4  |
          +------------------------------------------------------------+
       
          +------------------------------------------------------------+
          |                    SERIAL PORT ADDRESS                     |
          |------------------------------------------------------------|
          |     Setting      |       JP8/1        |       JP8/2        |
          |------------------+--------------------+--------------------|
          |   COM1 (3F8h)    | Pins 1 & 2 closed  | Pins 1 & 2 closed  |
          |------------------+--------------------+--------------------|
          |   COM2 (2F8h)    | Pins 2 & 3 closed  | Pins 1 & 2 closed  |
          |------------------+--------------------+--------------------|
          |   COM3 (3E8h)    | Pins 1 & 2 closed  | Pins 2 & 3 closed  |
          |------------------+--------------------+--------------------|
          |  í COM4 (2E8h)   | Pins 2 & 3 closed  | Pins 2 & 3 closed  |
          +------------------------------------------------------------+
       
          +------------------------------------------------------------+
          |                         INTERRUPT                          |
          |------------------------------------------------------------|
          |  Setting   |   JP8/3   |   JP8/4   |   JP8/5   |   JP8/6   |
          |------------+-----------+-----------+-----------+-----------|
          |     2      |  Closed   |   Open    |   Open    |   Open    |
          |------------+-----------+-----------+-----------+-----------|
          |    í 3     |   Open    |  Closed   |   Open    |   Open    |
          |------------+-----------+-----------+-----------+-----------|
          |     4      |   Open    |   Open    |  Closed   |   Open    |
          |------------+-----------+-----------+-----------+-----------|
          |     5      |   Open    |   Open    |   Open    |  Closed   |
          +------------------------------------------------------------+
       
                            Proprietary AT Command Set
       
                  See document V1871 for a full command summary.