URI: 
  TEXT View Source
       
       # U.S. ROBOTICS, INC.
       
          SPORTSTER VI 28.8 EXT
       
          Card Type              Fax, Modem (asynchronous), Voice        
          Chip Set               U.S. Robotics                           
          I/O Options            Speakerphone, Voice-mail, Voice View    
          Maximum Data Rate      28.8Kbps                                
          Maximum Fax Rate       14.4Kbps                                
          Data Bus               External                                
          Fax Class              Class I & II                            
          Data Modulation        Bell 103/212A                           
          Protocol                                                       
                                 ITU-T V.21, V.22, V.22bis, V.23, V.25,  
                                 V.32, V.32bis, V.34                     
                                                                         
                                 Rockwell V.FC                           
          Fax Modulation         Unidentified                            
          Protocol               
          Error                  MNP5, V.42, V.42bis                     
          Correction/Compression 
       
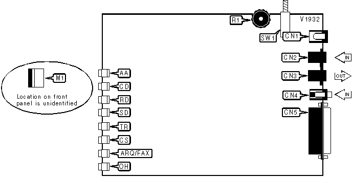
   IMG IMG 1
          
       
          +------------------------------------------------------------+
          |                        CONNECTIONS                         |
          |------------------------------------------------------------|
          |    Function    | Label  |     Function      |    Label     |
          |------------------------------------------------------------|
          | DC power            |   CN1   | RS-232/422          | CN5  |
          |---------------------+---------+---------------------+------|
          | Line in             |   CN2   | Power switch        | SW1  |
          |---------------------+---------+---------------------+------|
          | Line out            |   CN3   | Volume              |  R1  |
          |---------------------+---------+---------------------+------|
          | Speaker out         |   CN4   | Built-in microphone |  M1  |
          +------------------------------------------------------------+
       
          +------------------------------------------------------------+
          |                     DIAGNOSTIC LED(S)                      |
          |------------------------------------------------------------|
          |   LED   | Color |  Status  |           Condition           |
          |---------+-------+----------+-------------------------------|
          |   AA    |  Red  |    On    |      Auto-answer enabled      |
          |---------+-------+----------+-------------------------------|
          |   AA    |  Red  |   Off    |     Auto-answer disabled      |
          |---------+-------+----------+-------------------------------|
          |   AA    |  Red  | Blinking |       Phone is ringing        |
          |---------+-------+----------+-------------------------------|
          |   CD    |  Red  |    On    | Carrier signal detected or CD |
          |         |       |          |          forced high          |
          |---------+-------+----------+-------------------------------|
          |   CD    |  Red  |   Off    |  Carrier signal not detected  |
          |---------+-------+----------+-------------------------------|
          |   RD    |  Red  | Blinking |    Modem is receiving data    |
          |---------+-------+----------+-------------------------------|
          |   RD    |  Red  |   Off    |  Modem is not receiving data  |
          |---------+-------+----------+-------------------------------|
          |   SD    |  Red  | Blinking |  Modem is transmitting data   |
          |---------+-------+----------+-------------------------------|
          |   SD    |  Red  |   Off    |   Modem is not transmitting   |
          |         |       |          |             data              |
          |---------+-------+----------+-------------------------------|
          |   TR    |  Red  |    On    |      DTR signal is high       |
          |---------+-------+----------+-------------------------------|
          |   TR    |  Red  |   Off    |       DTR signal is low       |
          |---------+-------+----------+-------------------------------|
          |   CS    |  Red  |    On    |      CTS signal is high       |
          |---------+-------+----------+-------------------------------|
          |   CS    |  Red  |   Off    |       CTS signal is low       |
          |---------+-------+----------+-------------------------------|
          | ARQ/FAX |  Red  |    On    |  Error correction activated   |
          |---------+-------+----------+-------------------------------|
          | ARQ/FAX |  Red  |   Off    |   Error correction disabled   |
          |---------+-------+----------+-------------------------------|
          | ARQ/FAX |  Red  | Blinking | Retransmitting data to remote |
          |         |       |          |   or connected in FAX mode    |
          |---------+-------+----------+-------------------------------|
          |   OH    |  Red  |    On    |       Modem is off-hook       |
          |---------+-------+----------+-------------------------------|
          |   OH    |  Red  |   Off    |       Modem is on-hook        |
          +------------------------------------------------------------+
       
                            Proprietary AT Command Set
       
          +------------------------------------------------------------+
          |                           ABORT                            |
          |------------------------------------------------------------|
          | Type:        | Immediate                                   |
          |--------------+---------------------------------------------|
          | Format:      | Any key                                     |
          |--------------+---------------------------------------------|
          | Description: | Aborts answering/originating a call; modem  |
          |              | hangs up.                                   |
          +------------------------------------------------------------+
       
          +------------------------------------------------------------+
          |                           ANSWER                           |
          |------------------------------------------------------------|
          | Type:        | Immediate                                   |
          |--------------+---------------------------------------------|
          | Format:      | AT [cmds] A                                 |
          |--------------+---------------------------------------------|
          | Description: | Enables manual answer mode, the modem goes  |
          |              | off-hook; pressing any key will abort.      |
          +------------------------------------------------------------+
       
          +------------------------------------------------------------+
          |                      ANSWER SEQUENCE                       |
          |------------------------------------------------------------|
          | Type:        | Configuration                               |
          |--------------+---------------------------------------------|
          | Format:      | AT [cmds] Bn [cmds]                         |
          |--------------+---------------------------------------------|
          | Description: | Selects the answer sequence the modem will  |
          |              | use                                         |
          |--------------+---------------------------------------------|
          |   Command    |                  Function                   |
          |--------------+---------------------------------------------|
          |     í B0     | ITU-T answer sequence enabled               |
          |--------------+---------------------------------------------|
          |      B1      | Bell answer sequence enabled                |
          +------------------------------------------------------------+
       
          +------------------------------------------------------------+
          |                         ATTENTION                          |
          |------------------------------------------------------------|
          | Type:        | Immediate                                   |
          |--------------+---------------------------------------------|
          | Format:      | AT [cmds]                                   |
          |--------------+---------------------------------------------|
          | Description: | Tells the modem that a command follows or   |
          |              | use alone to test OK result code            |
          +------------------------------------------------------------+
       
          +------------------------------------------------------------+
          |                  BIT-MAPPED REGISTER S13                   |
          |------------------------------------------------------------|
          | Format       | AT [cmds] S13=n [cmds]                      |
          |--------------+---------------------------------------------|
          | Default:     | 0                                           |
          |--------------+---------------------------------------------|
          | Range:       | 0-89                                        |
          |--------------+---------------------------------------------|
          | Unit:        | Bit-mapped                                  |
          |--------------+---------------------------------------------|
          | Description: | Controls DTR reset, DTR dialing, reset      |
          |              | dialing, and MNP3.                          |
          |--------------+---------------------------------------------|
          | Bit  | Value |                  Function                   |
          |------+-------+---------------------------------------------|
          |  0   |   í 0 | DTR normal                                  |
          |      |       |                                             |
          |      |     1 | Reset on low DTR                            |
          |------+-------+---------------------------------------------|
          | 1, 2 |  í 00 | Not used                                    |
          |------+-------+---------------------------------------------|
          |  3   |   í 0 | DTR dialing disabled                        |
          |      |       |                                             |
          |      |     1 | DTR dialing enabled                         |
          |------+-------+---------------------------------------------|
          |  4   |   í 0 | Reset dialing disabled                      |
          |      |       |                                             |
          |      |     1 | Reset dialing enabled, dials number at      |
          |      |       | position 0 in NVRAM.                        |
          |------+-------+---------------------------------------------|
          |  5   |   í 0 | Not used                                    |
          |------+-------+---------------------------------------------|
          |  6   |   í 0 | MNP 3 enabled                               |
          |      |       |                                             |
          |      |     1 | MNP 3 disabled                              |
          +------------------------------------------------------------+
       
          +------------------------------------------------------------+
          |                  BIT-MAPPED REGISTER S15                   |
          |------------------------------------------------------------|
          | Format       | AT [cmds] S15=n [cmds]                      |
          |--------------+---------------------------------------------|
          | Default:     | 0                                           |
          |--------------+---------------------------------------------|
          | Range:       | 0-56                                        |
          |--------------+---------------------------------------------|
          | Unit:        | Bit-mapped                                  |
          |--------------+---------------------------------------------|
          | Description: | Controls non-error-correcting mode buffer,  |
          |              | MNP4, and BS/DEL switch.                    |
          |--------------+---------------------------------------------|
          | Bit  | Value |                  Function                   |
          |------+-------+---------------------------------------------|
          | 0 -  |   í 0 | Not used                                    |
          |  2   |       |                                             |
          |------+-------+---------------------------------------------|
          |  3   |   í 0 | Non-error-correcting mode transmit buffer   |
          |      |       | set to 1.5KB                                |
          |      |     1 |                                             |
          |      |       | Non-error-correcting mode transmit buffer   |
          |      |       | set to 128 bytes                            |
          |------+-------+---------------------------------------------|
          |  4   |   í 0 | MNP 4 enabled                               |
          |      |       |                                             |
          |      |     1 | MNP 4 disabled                              |
          |------+-------+---------------------------------------------|
          |  5   |   í 0 | Use backspace key for delete disabled       |
          |      |       |                                             |
          |      |     1 | Use backspace key for delete enabled        |
          +------------------------------------------------------------+
       
          +------------------------------------------------------------+
          |                  BIT-MAPPED REGISTER S27                   |
          |------------------------------------------------------------|
          | Format       | AT [cmds] S27=n [cmds]                      |
          |--------------+---------------------------------------------|
          | Default:     | 0                                           |
          |--------------+---------------------------------------------|
          | Range:       | 0-191                                       |
          |--------------+---------------------------------------------|
          | Unit:        | Bit-mapped                                  |
          |--------------+---------------------------------------------|
          | Description: | Controls V.21, V.32 encoding and            |
          |              | modulation, V.42 answer tone and handshake, |
          |              | and 9600 result codes.                      |
          |--------------+---------------------------------------------|
          | Bit  | Value |                  Function                   |
          |------+-------+---------------------------------------------|
          |  0   |   í 0 | V.21 disabled                               |
          |      |       |                                             |
          |      |     1 | V.21 enabled                                |
          |------+-------+---------------------------------------------|
          |  1   |   í 0 | V.32 non-trellis coding disabled            |
          |      |       |                                             |
          |      |     1 | V.32 non-trellis coding enabled             |
          |------+-------+---------------------------------------------|
          |  2   |   í 0 | V.32 modulation enabled                     |
          |      |       |                                             |
          |      |     1 | V.32 modulation disabled                    |
          |------+-------+---------------------------------------------|
          |  3   |   í 0 | 2100Hz answer tone enabled                  |
          |      |       |                                             |
          |      |     1 | 2100Hz answer tone disabled                 |
          |------+-------+---------------------------------------------|
          | 5, 4 |  í 00 | V.42 detect, LAPM and MNP enabled           |
          |      |       |                                             |
          |      |    01 | V.42 detect and LAPM enabled, and MNP       |
          |      |       | disabled                                    |
          |      |    10 |                                             |
          |      |       | MNP enabled                                 |
          |      |    11 |                                             |
          |      |       | LAPM enabled                                |
          |------+-------+---------------------------------------------|
          |  6   |   í 0 | Not used                                    |
          |------+-------+---------------------------------------------|
          |  7   |   í 0 | Actual result codes displayed               |
          |      |       |                                             |
          |      |     1 | Force 9600 result codes                     |
          +------------------------------------------------------------+
       
          +------------------------------------------------------------+
          |                         BAUD RATE                          |
          |------------------------------------------------------------|
          | Type:        | Register                                    |
          |--------------+---------------------------------------------|
          | Format:      | AT [cmds] S54=n [cmds]                      |
          |--------------+---------------------------------------------|
          | Default:     | 0                                           |
          |--------------+---------------------------------------------|
          | Range:       | 0-255                                       |
          |--------------+---------------------------------------------|
          | Unit:        | Bit-mapped                                  |
          |--------------+---------------------------------------------|
          | Description: | Controls baud rate                          |
          |------------------------------------------------------------|
          | Note: For 28.8 models                                      |
          |------------------------------------------------------------|
          | Bit  | Value |                  Function                   |
          |------+-------+---------------------------------------------|
          |  0   |   í 0 | 2400 baud rate enabled                      |
          |      |       |                                             |
          |      |     1 | 2400 baud rate disabled                     |
          |------+-------+---------------------------------------------|
          |  1   |   í 0 | 2743 baud rate enabled                      |
          |      |       |                                             |
          |      |     1 | 2743 baud rate disabled                     |
          |------+-------+---------------------------------------------|
          |  2   |   í 0 | 2800 baud rate enabled                      |
          |      |       |                                             |
          |      |     1 | 2800 baud rate disabled                     |
          |------+-------+---------------------------------------------|
          |  3   |   í 0 | 3000 baud rate enabled                      |
          |      |       |                                             |
          |      |     1 | 3000 baud rate disabled                     |
          |------+-------+---------------------------------------------|
          |  4   |   í 0 | 3200 baud rate enabled                      |
          |      |       |                                             |
          |      |     1 | 3200 baud rate disabled                     |
          |------+-------+---------------------------------------------|
          |  5   |   í 0 | 3429 baud rate enabled                      |
          |      |       |                                             |
          |      |     1 | 3429 baud rate disabled                     |
          |------+-------+---------------------------------------------|
          |  6   |   í 0 | Call indicate during V.34 operation enabled |
          |      |       |                                             |
          |      |     1 | Call indicate during V.34 operation         |
          |      |       | disabled                                    |
          |------+-------+---------------------------------------------|
          |  7   |   í 0 | V.8 during V.34 operation enabled           |
          |      |       |                                             |
          |      |     1 | V.8 during V.34 operation disabled          |
          +------------------------------------------------------------+
       
          +------------------------------------------------------------+
          |                  BIT-MAPPED REGISTER S56                   |
          |------------------------------------------------------------|
          | Format:      | AT [cmds] S56=n [cmds]                      |
          |--------------+---------------------------------------------|
          | Default:     | 0                                           |
          |--------------+---------------------------------------------|
          | Range:       | 0-255                                       |
          |--------------+---------------------------------------------|
          | Unit:        | Bit-mapped                                  |
          |--------------+---------------------------------------------|
          | Description: | Controls non-linear coding, TX level        |
          |              | deviation, pre-emphasis, pre-coding,        |
          |              | shaping, V.34, and V.FC                     |
          |------------------------------------------------------------|
          | Note: For 28.8 models                                      |
          |------------------------------------------------------------|
          | Bit  | Value |                  Function                   |
          |------+-------+---------------------------------------------|
          |  0   |   í 0 | Non linear coding enabled                   |
          |      |       |                                             |
          |      |     1 | Non linear coding disabled                  |
          |------+-------+---------------------------------------------|
          |  1   |   í 0 | TX level deviation enabled                  |
          |      |       |                                             |
          |      |     1 | TX level deviation disabled                 |
          |------+-------+---------------------------------------------|
          |  2   |   í 0 | Pre-emphasis enabled                        |
          |      |       |                                             |
          |      |     1 | Pre-emphasis disabled                       |
          |------+-------+---------------------------------------------|
          |  3   |   í 0 | Pre-coding enabled                          |
          |      |       |                                             |
          |      |     1 | Pre-coding disabled                         |
          |------+-------+---------------------------------------------|
          |  4   |   í 0 | Shaping enabled                             |
          |      |       |                                             |
          |      |     1 | Shaping disabled                            |
          |------+-------+---------------------------------------------|
          |  5   |   í 0 | Not used                                    |
          |------+-------+---------------------------------------------|
          |  6   |   í 0 | V.34 enabled                                |
          |      |       |                                             |
          |      |     1 | V.34 disabled                               |
          |------+-------+---------------------------------------------|
          |  7   |   í 0 | V.FC enabled                                |
          |      |       |                                             |
          |      |     1 | V.FC disabled                               |
          +------------------------------------------------------------+
       
          +------------------------------------------------------------+
          |                        BREAK LENGTH                        |
          |------------------------------------------------------------|
          | Type:        | Register                                    |
          |--------------+---------------------------------------------|
          | Format:      | AT [cmds] S21=n [cmds]                      |
          |--------------+---------------------------------------------|
          | Default:     | 10                                          |
          |--------------+---------------------------------------------|
          | Range:       | Unidentified                                |
          |--------------+---------------------------------------------|
          | Unit:        | .01 second                                  |
          |--------------+---------------------------------------------|
          | Description: | Sets the length of error control mode       |
          |              | breaks sent from DCE to DTE.                |
          +------------------------------------------------------------+
       
          +------------------------------------------------------------+
          |                         BREAK TYPE                         |
          |------------------------------------------------------------|
          | Type:        | Configuration                               |
          |--------------+---------------------------------------------|
          | Format:      | AT [cmds] &Yn [cmds]                        |
          |--------------+---------------------------------------------|
          | Description: | Configures action of break signal           |
          |--------------+---------------------------------------------|
          |   Command    |                  Function                   |
          |--------------+---------------------------------------------|
          |     &Y0      | Empty buffer only                           |
          |--------------+---------------------------------------------|
          |    í &Y1     | Empties buffer and break is sent            |
          |              | immediately                                 |
          |--------------+---------------------------------------------|
          |     &Y2      | Do not empty buffer and break is sent       |
          |              | immediately                                 |
          |--------------+---------------------------------------------|
          |     &Y3      | Do not empty buffer or send break           |
          +------------------------------------------------------------+
       
          +------------------------------------------------------------+
          |                    CARRIER DETECT (CD)                     |
          |------------------------------------------------------------|
          | Type:        | Configuration                               |
          |--------------+---------------------------------------------|
          | Format:      | AT [cmds] &Cn [cmds]                        |
          |--------------+---------------------------------------------|
          | Description: | Controls the CD signal                      |
          |--------------+---------------------------------------------|
          |   Command    |                  Function                   |
          |--------------+---------------------------------------------|
          |     &C0      | Modem does not respond to CD signal         |
          |--------------+---------------------------------------------|
          |    í &C1     | CD signal normal                            |
          +------------------------------------------------------------+
       
          +------------------------------------------------------------+
          |                        COMPRESSION                         |
          |------------------------------------------------------------|
          | Type:        | Configuration                               |
          |--------------+---------------------------------------------|
          | Format:      | AT [cmds] &Kn [cmds]                        |
          |--------------+---------------------------------------------|
          | Description: | Selects data compression                    |
          |--------------+---------------------------------------------|
          |   Command    |                  Function                   |
          |--------------+---------------------------------------------|
          |     &K0      | Data compression disabled                   |
          |--------------+---------------------------------------------|
          |    í &K1     | Auto enabled/disable data compression       |
          |--------------+---------------------------------------------|
          |     &K2      | Data compression enabled                    |
          |--------------+---------------------------------------------|
          |     &K3      | MNP5 data compression disabled              |
          +------------------------------------------------------------+
       
          +------------------------------------------------------------+
          |              COMPRESSION AND ERROR CORRECTION              |
          |------------------------------------------------------------|
          | Format       | AT [cmds] S51=n [cmds]                      |
          |--------------+---------------------------------------------|
          | Default:     | 0                                           |
          |--------------+---------------------------------------------|
          | Range:       | 0-7                                         |
          |--------------+---------------------------------------------|
          | Unit:        | Bit-mapped                                  |
          |--------------+---------------------------------------------|
          | Description: | Selects compression and error correction    |
          |              | for specific modulations                    |
          |------------------------------------------------------------|
          | Note: For 28.8 models                                      |
          |------------------------------------------------------------|
          | Bit  | Value |                  Function                   |
          |------+-------+---------------------------------------------|
          |  0   |   í 0 | MNP/V.42 disabled during V.22 operation     |
          |      |       |                                             |
          |      |     1 | MNP/V.42 disabled during V.22 operation     |
          |------+-------+---------------------------------------------|
          |  1   |   í 0 | MNP/V.42 disabled during V.22bis operation  |
          |      |       |                                             |
          |      |     1 | MNP/V.42 disabled during V.22bis operation  |
          |------+-------+---------------------------------------------|
          |  2   |   í 0 | MNP/V.42 disabled during V.32bis operation  |
          |      |       |                                             |
          |      |     1 | MNP/V.42 disabled during V.32bis operation  |
          +------------------------------------------------------------+
       
          +------------------------------------------------------------+
          |                CONNECTION SPEED LOWER LIMIT                |
          |------------------------------------------------------------|
          | Type:        | Configuration                               |
          |--------------+---------------------------------------------|
          | Format:      | AT [cmds] &Un [cmds]                        |
          |--------------+---------------------------------------------|
          | Description: | Sets minimum required connection speed      |
          |------------------------------------------------------------|
          |      Note: 16.8 - 28.8bps for 28.8 models                  |
          |------------------------------------------------------------|
          |   Command    |                  Function                   |
          |--------------+---------------------------------------------|
          |    í &U0     | Variable                                    |
          |--------------+---------------------------------------------|
          |     &U1      | 300bps                                      |
          |--------------+---------------------------------------------|
          |     &U2      | 1200bps                                     |
          |--------------+---------------------------------------------|
          |     &U3      | 2400bps                                     |
          |--------------+---------------------------------------------|
          |     &U4      | 4800bps                                     |
          |--------------+---------------------------------------------|
          |     &U5      | 7200bps                                     |
          |--------------+---------------------------------------------|
          |     &U6      | 9600bps                                     |
          |--------------+---------------------------------------------|
          |     &U7      | 12Kbps                                      |
          |--------------+---------------------------------------------|
          |     &U8      | 14.4Kbps                                    |
          |--------------+---------------------------------------------|
          |     &U9      | 16.8Kbps                                    |
          |--------------+---------------------------------------------|
          |     &U10     | 19.2Kbps                                    |
          |--------------+---------------------------------------------|
          |     &U11     | 21.6Kbps                                    |
          |--------------+---------------------------------------------|
          |     &U12     | 24Kbps                                      |
          |--------------+---------------------------------------------|
          |     &U13     | 26.4Kbps                                    |
          |--------------+---------------------------------------------|
          |     &U14     | 28.8Kbps                                    |
          +------------------------------------------------------------+
       
          +------------------------------------------------------------+
          |                CONNECTION SPEED UPPER LIMIT                |
          |------------------------------------------------------------|
          | Type:        | Configuration                               |
          |--------------+---------------------------------------------|
          | Format:      | AT [cmds] &Nn [cmds]                        |
          |--------------+---------------------------------------------|
          | Description: | Sets maximum required connection speed,     |
          |              | modem will hang up if it cannot connect.    |
          |------------------------------------------------------------|
          |      Note: 16.8 - 28.8bps for 28.8 models                  |
          |------------------------------------------------------------|
          |   Command    |                  Function                   |
          |--------------+---------------------------------------------|
          |    í &N0     | Variable                                    |
          |--------------+---------------------------------------------|
          |     &N1      | 300bps                                      |
          |--------------+---------------------------------------------|
          |     &N2      | 1200bps                                     |
          |--------------+---------------------------------------------|
          |     &N3      | 2400bps                                     |
          |--------------+---------------------------------------------|
          |     &N4      | 4800bps                                     |
          |--------------+---------------------------------------------|
          |     &N5      | 7200bps                                     |
          |--------------+---------------------------------------------|
          |     &N6      | 9600bps                                     |
          |--------------+---------------------------------------------|
          |     &N7      | 12Kbps                                      |
          |--------------+---------------------------------------------|
          |     &N8      | 14.4Kbps                                    |
          |--------------+---------------------------------------------|
          |     &N9      | 16.8Kbps                                    |
          |--------------+---------------------------------------------|
          |     &N10     | 19.2Kbps                                    |
          |--------------+---------------------------------------------|
          |     &N11     | 21.6Kbps                                    |
          |--------------+---------------------------------------------|
          |     &N12     | 24Kbps                                      |
          |--------------+---------------------------------------------|
          |     &N13     | 26.4Kbps                                    |
          |--------------+---------------------------------------------|
          |     &N14     | 28.8Kbps                                    |
          +------------------------------------------------------------+
       
          +------------------------------------------------------------+
          |                    DATA SET READY (DSR)                    |
          |------------------------------------------------------------|
          | Type:        | Configuration                               |
          |--------------+---------------------------------------------|
          | Format:      | AT [cmds] &Sn [cmds]                        |
          |--------------+---------------------------------------------|
          | Description: | Selects DSR options                         |
          |--------------+---------------------------------------------|
          |   Command    |                  Function                   |
          |--------------+---------------------------------------------|
          |    í &S0     | DSR forced high                             |
          |--------------+---------------------------------------------|
          |     &S1      | DSR controlled by modem                     |
          +------------------------------------------------------------+
       
          +------------------------------------------------------------+
          |                 DATA TERMINAL READY (DTR)                  |
          |------------------------------------------------------------|
          | Type:        | Configuration                               |
          |--------------+---------------------------------------------|
          | Format:      | AT [cmds] &Dn [cmds]                        |
          |--------------+---------------------------------------------|
          | Description: | Selects modem response to DTR               |
          |--------------+---------------------------------------------|
          |   Command    |                  Function                   |
          |--------------+---------------------------------------------|
          |     &D0      | Modem does not respond to DTR               |
          |--------------+---------------------------------------------|
          |     &D1      | Modem goes to command mode after DTR        |
          |              | toggles                                     |
          |--------------+---------------------------------------------|
          |    í &D2     | Modem uses DTR as normal                    |
          |--------------+---------------------------------------------|
          |     &D3      | Modem is initialized after DTR goes off     |
          +------------------------------------------------------------+
       
          +------------------------------------------------------------+
          |                            DIAL                            |
          |------------------------------------------------------------|
          | Type:        | Immediate                                   |
          |--------------+---------------------------------------------|
          | Format:      | AT [cmds] D<#> [cmds]                       |
          |--------------+---------------------------------------------|
          | Example:     | ATDT 443-3388,,,1111;                       |
          |--------------+---------------------------------------------|
          | Description: | Dials telephone number according to any     |
          |              | modifiers included in the string            |
          |--------------+---------------------------------------------|
          | Note:        | Any combination of modifiers can be used to |
          |              | produce the desired dial functions in       |
          |              | sequence.                                   |
          |--------------+---------------------------------------------|
          |   Command    |                  Function                   |
          |--------------+---------------------------------------------|
          |     í P      | Pulse dialing enabled                       |
          |--------------+---------------------------------------------|
          |      T       | Tone dialing enabled                        |
          |--------------+---------------------------------------------|
          |      ,       | Dialing paused for 2 seconds to a maximum   |
          |              | amount of time specified in S8 register     |
          |--------------+---------------------------------------------|
          |      ;       | Modem returned to command state after       |
          |              | dialing. Can only be placed at the end of   |
          |              | the dial command.                           |
          |--------------+---------------------------------------------|
          |      "       | Dials letters that follow, ATDT"GOMICRO     |
          |--------------+---------------------------------------------|
          |      !       | Flash function initiated                    |
          |--------------+---------------------------------------------|
          |      /       | 125 ms delay before proceeding with dial    |
          |              | string                                      |
          |--------------+---------------------------------------------|
          |      W       | Dialing resumed following dial tone         |
          |              | detection of second dial tone               |
          |--------------+---------------------------------------------|
          |      @       | Wait for quiet answer, then proceeds to     |
          |              | execute the rest of the dial string.        |
          |--------------+---------------------------------------------|
          |      R       | Answer mode enabled; originate mode         |
          |              | disabled following handshake initiation.    |
          |--------------+---------------------------------------------|
          |     S=n      | Dial stored telephone number n              |
          +------------------------------------------------------------+
       
          +------------------------------------------------------------+
          |                     DIAL - LAST NUMBER                     |
          |------------------------------------------------------------|
          | Type:        | Immediate                                   |
          |--------------+---------------------------------------------|
          | Format:      | AT [cmds] DL [cmds]                         |
          |--------------+---------------------------------------------|
          | Description: | Re-dial last number dialed                  |
          +------------------------------------------------------------+
       
          +------------------------------------------------------------+
          |                    DIAL - STORED NUMBER                    |
          |------------------------------------------------------------|
          | Type:        | Immediate                                   |
          |--------------+---------------------------------------------|
          | Format:      | AT [cmds] DSn [cmds]                        |
          |--------------+---------------------------------------------|
          | Description: | Dial stored number from memory location n   |
          +------------------------------------------------------------+
       
          +------------------------------------------------------------+
          |                  DISCONNECT BUFFER DELAY                   |
          |------------------------------------------------------------|
          | Type:        | Register                                    |
          |--------------+---------------------------------------------|
          | Format       | AT [cmds] S38=n [cmds]                      |
          |--------------+---------------------------------------------|
          | Default:     | 0                                           |
          |--------------+---------------------------------------------|
          | Range:       | Unidentified                                |
          |--------------+---------------------------------------------|
          | Unit:        | 1 second                                    |
          |--------------+---------------------------------------------|
          | Description: | Sets maximum duration allowed during        |
          |              | buffered data calls for modem to perform    |
          |              | clearing functions after losing             |
          |              | carrier-signal or receiving a clear call    |
          |              | signal from the remote modem and before     |
          |              | initiating hang-up process. A value of 0    |
          |              | will allow the modem to hanging-up after    |
          |              | DTR drops.                                  |
          +------------------------------------------------------------+
       
          +------------------------------------------------------------+
          |                    DTR CHANGE THRESHOLD                    |
          |------------------------------------------------------------|
          | Type:        | Register                                    |
          |--------------+---------------------------------------------|
          | Format       | AT [cmds] S25=n [cmds]                      |
          |--------------+---------------------------------------------|
          | Default:     | 5                                           |
          |--------------+---------------------------------------------|
          | Range:       | Unidentified                                |
          |--------------+---------------------------------------------|
          | Unit:        | .01 second                                  |
          |--------------+---------------------------------------------|
          | Description: | Sets maximum time a change in the DTR       |
          |              | signal will be ignored                      |
          +------------------------------------------------------------+
       
          +------------------------------------------------------------+
          |                            ECHO                            |
          |------------------------------------------------------------|
          | Type:        | Configuration                               |
          |--------------+---------------------------------------------|
          | Format:      | AT [cmds] En [cmds]                         |
          |--------------+---------------------------------------------|
          | Description: | Controls echo function; display keyboard    |
          |              | commands when enabled.                      |
          |--------------+---------------------------------------------|
          |   Command    |                  Function                   |
          |--------------+---------------------------------------------|
          |      E0      | Echo function disabled                      |
          |--------------+---------------------------------------------|
          |     í E1     | Echo function enabled                       |
          +------------------------------------------------------------+
       
          +------------------------------------------------------------+
          |                       ECHO - ON-LINE                       |
          |------------------------------------------------------------|
          | Type:        | Configuration                               |
          |--------------+---------------------------------------------|
          | Format:      | AT [cmds] Fn [cmds]                         |
          |--------------+---------------------------------------------|
          | Description: | Selects whether data sent while in data     |
          |              | mode are echoed                             |
          |--------------+---------------------------------------------|
          |   Command    |                  Function                   |
          |--------------+---------------------------------------------|
          |      F0      | Local echo enabled                          |
          |--------------+---------------------------------------------|
          |     í F1     | Local echo disabled                         |
          +------------------------------------------------------------+
       
          +------------------------------------------------------------+
          |                ERROR CORRECTION MODE (ARQ)                 |
          |------------------------------------------------------------|
          | Type:        | Configuration                               |
          |--------------+---------------------------------------------|
          | Format:      | AT [cmds] &Mn [cmds]                        |
          |--------------+---------------------------------------------|
          | Description: | Selects active error correction protocols   |
          |--------------+---------------------------------------------|
          |   Command    |                  Function                   |
          |--------------+---------------------------------------------|
          |     &M0      | Normal mode only                            |
          |--------------+---------------------------------------------|
          |    í &M4     | Auto-detect mode                            |
          |--------------+---------------------------------------------|
          |     &M5      | ARQ mode only                               |
          +------------------------------------------------------------+
       
          +------------------------------------------------------------+
          |                 ESCAPE CHARACTER RESPONSE                  |
          |------------------------------------------------------------|
          | Type:        | Register                                    |
          |--------------+---------------------------------------------|
          | Format:      | AT [cmds] S14=n [cmds]                      |
          |--------------+---------------------------------------------|
          | Description: | Controls reaction to escape character       |
          |--------------+---------------------------------------------|
          |   Command    |                  Function                   |
          |--------------+---------------------------------------------|
          |   í S14=0    | Normal operation                            |
          |--------------+---------------------------------------------|
          |    S14=1     | When +++ is received, modem goes on hook,   |
          |              | enters command state and sends NO CARRIER   |
          |              | result code.                                |
          +------------------------------------------------------------+
       
          +------------------------------------------------------------+
          |                      ESCAPE SEQUENCE                       |
          |------------------------------------------------------------|
          | Type:        | Immediate                                   |
          |--------------+---------------------------------------------|
          | Format:      | +++AT [cmds] <CR>                           |
          |--------------+---------------------------------------------|
          | Description: | Initiates the escape sequence and returns   |
          |              | the modem to the on-line command state if   |
          |              | it receives three escape characters set in  |
          |              | S2 within the time allotted by S12.         |
          |------------------------------------------------------------|
          |      Note: Do not precede this command with AT.            |
          +------------------------------------------------------------+
       
          +------------------------------------------------------------+
          |                   EXTENDED RESULT CODES                    |
          |------------------------------------------------------------|
          | Type:        | Configuration                               |
          |--------------+---------------------------------------------|
          | Format:      | AT [cmds] &An [cmds]                        |
          |--------------+---------------------------------------------|
          | Description: | Selects extended result codes               |
          |--------------+---------------------------------------------|
          |   Command    |                  Function                   |
          |--------------+---------------------------------------------|
          |     &A0      | Extended result codes disabled              |
          |--------------+---------------------------------------------|
          |     &A1      | ARQ result codes enabled                    |
          |--------------+---------------------------------------------|
          |     &A2      | ARQ result codes enabled and V.32 result    |
          |              | code added                                  |
          |--------------+---------------------------------------------|
          |    í &A3     | Error control and compression result codes  |
          |              | enabled                                     |
          +------------------------------------------------------------+
       
          +------------------------------------------------------------+
          |                  FACTORY DEFAULT PROFILE                   |
          |------------------------------------------------------------|
          | Type:        | Configuration                               |
          |--------------+---------------------------------------------|
          | Format:      | AT [cmds] &Fn [cmds]                        |
          |--------------+---------------------------------------------|
          | Description: | Loads values in active profile to values    |
          |              | found in the default profile, which are     |
          |              | READ-ONLY.                                  |
          |------------------------------------------------------------|
          |      Command      |                Function                |
          |-------------------+----------------------------------------|
          |        &F0        | Generic template                       |
          |-------------------+----------------------------------------|
          |       í &F1       | Hardware flow control template         |
          |-------------------+----------------------------------------|
          |        &F2        | Software flow control template         |
          +------------------------------------------------------------+
       
          +------------------------------------------------------------+
          |               FLOW CONTROL CHARACTER - XOFF                |
          |------------------------------------------------------------|
          | Type:        | Register                                    |
          |--------------+---------------------------------------------|
          | Format:      | AT [cmds] S23=n [cmds]                      |
          |--------------+---------------------------------------------|
          | Default:     | 19                                          |
          |--------------+---------------------------------------------|
          | Range:       | 0-127                                       |
          |--------------+---------------------------------------------|
          | Unit:        | ASCII                                       |
          |--------------+---------------------------------------------|
          | Description: | Sets the character used to represent XOFF.  |
          +------------------------------------------------------------+
       
          +------------------------------------------------------------+
          |                FLOW CONTROL CHARACTER - XON                |
          |------------------------------------------------------------|
          | Type:        | Register                                    |
          |--------------+---------------------------------------------|
          | Format:      | AT [cmds] S22=n [cmds]                      |
          |--------------+---------------------------------------------|
          | Default:     | 17                                          |
          |--------------+---------------------------------------------|
          | Range:       | 0-127                                       |
          |--------------+---------------------------------------------|
          | Unit:        | ASCII                                       |
          |--------------+---------------------------------------------|
          | Description: | Sets the character used to represent XON.   |
          +------------------------------------------------------------+
       
          +------------------------------------------------------------+
          |                 FLOW CONTROL PASS-THROUGH                  |
          |------------------------------------------------------------|
          | Type:        | Configuration                               |
          |--------------+---------------------------------------------|
          | Format:      | AT [cmds] &In [cmds]                        |
          |--------------+---------------------------------------------|
          | Description: | Allows modem to act on, then transmit       |
          |              | XON/XOFF characters.                        |
          |--------------+---------------------------------------------|
          |   Command    |                  Function                   |
          |--------------+---------------------------------------------|
          |    í &I0     | Software flow control disabled              |
          |--------------+---------------------------------------------|
          |     &I1      | XON/XOFF pass-through enabled               |
          |--------------+---------------------------------------------|
          |     &I2      | XON/XOFF pass-through disabled              |
          |--------------+---------------------------------------------|
          |     &I3      | ENQ/ACK enabled in host mode                |
          |--------------+---------------------------------------------|
          |     &I4      | ENQ/ACK enabled in terminal mode            |
          |--------------+---------------------------------------------|
          |     &I5      | XON/XOFF pass-through disabled in error     |
          |              | correction mode                             |
          +------------------------------------------------------------+
       
          +------------------------------------------------------------+
          |                     FLOW CONTROL TYPE                      |
          |------------------------------------------------------------|
          | Type:        | Configuration                               |
          |--------------+---------------------------------------------|
          | Format:      | AT [cmds] &Hn [cmds]                        |
          |--------------+---------------------------------------------|
          | Description: | Sets type of flow control used by modem     |
          |--------------+---------------------------------------------|
          |   Command    |                  Function                   |
          |--------------+---------------------------------------------|
          |     &H0      | Flow control disabled                       |
          |--------------+---------------------------------------------|
          |    í &H1     | CTS/RTS flow control enabled                |
          |--------------+---------------------------------------------|
          |     &H2      | XON/XOFF flow control enabled               |
          |--------------+---------------------------------------------|
          |     &H3      | CTS/RTS and XON/XOFF flow control enabled   |
          +------------------------------------------------------------+
       
          +------------------------------------------------------------+
          |                     FLOW CONTROL TYPE                      |
          |------------------------------------------------------------|
          | Type:        | Configuration                               |
          |--------------+---------------------------------------------|
          | Format:      | AT [cmds] &Rn [cmds]                        |
          |--------------+---------------------------------------------|
          | Description: | Controls receive data hardware flow control |
          |              | and RTS signals                             |
          |--------------+---------------------------------------------|
          |   Command    |                  Function                   |
          |--------------+---------------------------------------------|
          |     &R1      | Modem ignores RTS                           |
          |--------------+---------------------------------------------|
          |    í &R2     | Received data to DTE when RTS is on         |
          +------------------------------------------------------------+
       
          +------------------------------------------------------------+
          |                         GUARD TONE                         |
          |------------------------------------------------------------|
          | Type:        | Configuration                               |
          |--------------+---------------------------------------------|
          | Format:      | AT [cmds] &Gn [cmds]                        |
          |--------------+---------------------------------------------|
          | Description: | Commands the modem to transmit a guard tone |
          |------------------------------------------------------------|
          |      Note: Used primarily for international data           |
          |      transmission                                          |
          |------------------------------------------------------------|
          |   Command    |                  Function                   |
          |--------------+---------------------------------------------|
          |    í &G0     | Guard tone disabled                         |
          |--------------+---------------------------------------------|
          |     &G1      | 550Hz guard tone enabled                    |
          |--------------+---------------------------------------------|
          |     &G2      | 1800Hz guard tone enabled                   |
          +------------------------------------------------------------+
       
          +------------------------------------------------------------+
          |                      HANDSHAKE TIMER                       |
          |------------------------------------------------------------|
          | Type:        | Register                                    |
          |--------------+---------------------------------------------|
          | Format:      | AT [cmds] S28=n [cmds]                      |
          |--------------+---------------------------------------------|
          | Default:     | 8                                           |
          |--------------+---------------------------------------------|
          | Range:       | 0-255                                       |
          |--------------+---------------------------------------------|
          | Unit:        | .1 second                                   |
          |--------------+---------------------------------------------|
          | Description: | Sets the length of handshake time, so       |
          |              | modems with V.32bis, V.FC and V.34 are      |
          |              | given a chance to connect at 9600bps or     |
          |              | higher.                                     |
          +------------------------------------------------------------+
       
          +------------------------------------------------------------+
          |                        HOOK CONTROL                        |
          |------------------------------------------------------------|
          | Type:        | Immediate                                   |
          |--------------+---------------------------------------------|
          | Format:      | AT [cmds] Hn [cmds]                         |
          |--------------+---------------------------------------------|
          | Description: | Selects whether the modem is on-hook or     |
          |              | off-hook                                    |
          |--------------+---------------------------------------------|
          |   Command    |                  Function                   |
          |--------------+---------------------------------------------|
          |      H0      | Modem commanded to go on-hook (hang-up)     |
          |--------------+---------------------------------------------|
          |      H1      | Modem commanded to go off-hook (pick-up)    |
          +------------------------------------------------------------+
       
          +------------------------------------------------------------+
          |                      INACTIVITY TIMER                      |
          |------------------------------------------------------------|
          | Type:        | Register                                    |
          |--------------+---------------------------------------------|
          | Format:      | AT [cmds] S19=n [cmds]                      |
          |--------------+---------------------------------------------|
          | Default:     | 0                                           |
          |--------------+---------------------------------------------|
          | Range:       | Unidentified                                |
          |--------------+---------------------------------------------|
          | Unit:        | 1 minute                                    |
          |--------------+---------------------------------------------|
          | Description: | Sets the length of time that the modem does |
          |              | not receive information before it           |
          |              | disconnects.                                |
          +------------------------------------------------------------+
       
          +------------------------------------------------------------+
          |                  LIST AMPERSAND COMMANDS                   |
          |------------------------------------------------------------|
          | Type:        | Immediate                                   |
          |--------------+---------------------------------------------|
          | Format:      | AT [cmds] &$ [cmds]                         |
          |--------------+---------------------------------------------|
          | Description: | Displays ampersand (&) commands             |
          +------------------------------------------------------------+
       
          +------------------------------------------------------------+
          |                     LIST DIAL COMMANDS                     |
          |------------------------------------------------------------|
          | Type:        | Immediate                                   |
          |--------------+---------------------------------------------|
          | Format:      | AT [cmds] D$ [cmds]                         |
          |--------------+---------------------------------------------|
          | Description: | Displays dial commands                      |
          +------------------------------------------------------------+
       
          +------------------------------------------------------------+
          |                      LIST S-REGISTERS                      |
          |------------------------------------------------------------|
          | Type:        | Immediate                                   |
          |--------------+---------------------------------------------|
          | Format:      | AT [cmds] S$ [cmds]                         |
          |--------------+---------------------------------------------|
          | Description: | Displays the S-registers                    |
          +------------------------------------------------------------+
       
          +------------------------------------------------------------+
          |                      LOCK SERIAL PORT                      |
          |------------------------------------------------------------|
          | Type:        | Configuration                               |
          |--------------+---------------------------------------------|
          | Format:      | AT [cmds] &Bn [cmds]                        |
          |--------------+---------------------------------------------|
          | Description: | Sets operation of serial port speed         |
          |--------------+---------------------------------------------|
          |   Command    |                  Function                   |
          |--------------+---------------------------------------------|
          |     &B0      | Serial speed follows connect speed          |
          |--------------+---------------------------------------------|
          |    í &B1     | Serial speed locked                         |
          |--------------+---------------------------------------------|
          |     &B2      | Serial speed locked in ARQ mode only        |
          +------------------------------------------------------------+
       
          +------------------------------------------------------------+
          |                          MAPPING                           |
          |------------------------------------------------------------|
          | Format:         | AT [cmds] S55=n [cmds]                   |
          |-----------------+------------------------------------------|
          | Default:        | 0                                        |
          |-----------------+------------------------------------------|
          | Range:          | 0-15                                     |
          |------------------------------------------------------------|
          | Unit:                     | Bit-mapped                     |
          |------------------------------------------------------------|
          | Description:    | Controls all Map options                 |
          |------------------------------------------------------------|
          | Note: For 28.8 models                                      |
          |------------------------------------------------------------|
          |   Bit   |  Value   |               Function                |
          |---------+----------+---------------------------------------|
          |    0    |      í 0 | 8S-2D map enabled                     |
          |         |          |                                       |
          |         |        1 | 8S-2D map disabled                    |
          |------------------------------------------------------------|
          |      1      |    í 0 | 16S-4D map enabled                  |
          |             |        |                                     |
          |             |      1 | 16S-4D map disabled                 |
          |-------------+--------+-------------------------------------|
          |      2      |    í 0 | 32S-2D map enabled                  |
          |             |        |                                     |
          |             |      1 | 32S-2D map disabled                 |
          |-------------+--------+-------------------------------------|
          |      3      |    í 0 | 64S-4D map enabled                  |
          |             |        |                                     |
          |             |      1 | 64S-4D map disabled                 |
          +------------------------------------------------------------+
       
          +------------------------------------------------------------+
          |                        MODE SELECTION                      |
          |------------------------------------------------------------|
          | Type:        | Immediate                                   |
          |--------------+---------------------------------------------|
          | Format:      | AT [cmds] #CLSn [cmds]                      |
          |--------------+---------------------------------------------|
          | Description: | Selects the mode the modem will operate in  |
          |------------------------------------------------------------|
          |    Command     |                 Function                  |
          |----------------+-------------------------------------------|
          |    í #CLS0     | Data mode                                 |
          |----------------+-------------------------------------------|
          |     #CLS1      | Class 1 fax mode                          |
          |----------------+-------------------------------------------|
          |     #CLS2      | Class 2 fax mode                          |
          |----------------+-------------------------------------------|
          |     #CLS8      | Voice mode; while in voice mode, use the  |
          |                | commands below to:                        |
          |----------------+-------------------------------------------|
          |      #VRX      | Receive voice file from line, microphone, |
          |                | or handset                                |
          |----------------+-------------------------------------------|
          |      #VTX      | Transmit voice file to line, microphone,  |
          |                | or handset                                |
          +------------------------------------------------------------+
       
          +------------------------------------------------------------+
          |                          ON-LINE                           |
          |------------------------------------------------------------|
          | Type:         | Immediate                                  |
          |---------------+--------------------------------------------|
          | Format:       | AT [cmds] On [cmds]                        |
          |---------------+--------------------------------------------|
          | Description:  | Controls on-line command (data             |
          |               | transmission) mode options.                |
          |------------------------------------------------------------|
          |      Note: The O command must be placed at the end of the  |
          |      command string.                                       |
          |------------------------------------------------------------|
          |    Command    |                  Function                  |
          |---------------+--------------------------------------------|
          |      O0       | On-line command mode with no retraining    |
          |               | enabled                                    |
          |---------------+--------------------------------------------|
          |      O1       | On-line command mode with retraining       |
          |               | enabled                                    |
          +------------------------------------------------------------+
       
          +------------------------------------------------------------+
          |                        ON-LINE HELP                        |
          |------------------------------------------------------------|
          | Type:        | Immediate                                   |
          |--------------+---------------------------------------------|
          | Format:      | AT [cmds] $ [cmds]                          |
          |--------------+---------------------------------------------|
          | Description: | On-line help; displays basic command list   |
          +------------------------------------------------------------+
       
          +------------------------------------------------------------+
          |             POWER-UP/HARD RESET CONFIGURATIONS             |
          |------------------------------------------------------------|
          | Type:        | Configuration                               |
          |--------------+---------------------------------------------|
          | Format:      | AT [cmds] Yn [cmds]                         |
          |--------------+---------------------------------------------|
          | Description: | On power-up modem uses default profiles     |
          |--------------+---------------------------------------------|
          |   Command    |                  Function                   |
          |--------------+---------------------------------------------|
          |     í Y0     | Use default setting 0 saved in non-volatile |
          |              | RAM                                         |
          |--------------+---------------------------------------------|
          |      Y1      | Use default setting 1 saved in non-volatile |
          |              | RAM                                         |
          +------------------------------------------------------------+
       
          +------------------------------------------------------------+
          |                       PULSE DIALING                        |
          |------------------------------------------------------------|
          | Type:                | Configuration                       |
          |----------------------+-------------------------------------|
          | Format:              | AT [cmds] P [cmds]                  |
          |----------------------+-------------------------------------|
          | Description:         | Enables pulse dialing               |
          |------------------------------------------------------------|
          |      Note: This command can be duplicated with the P       |
          |      modifier in the D (Dial) command.                     |
          +------------------------------------------------------------+
       
          +------------------------------------------------------------+
          |                    PULSE DIALING RATIO                     |
          |------------------------------------------------------------|
          | Type:        | Configuration                               |
          |--------------+---------------------------------------------|
          | Format:      | AT [cmds] &Pn [cmds]                        |
          |--------------+---------------------------------------------|
          | Description: | Selects pulse dial make/break ratio         |
          |--------------+---------------------------------------------|
          |   Command    |                  Function                   |
          |--------------+---------------------------------------------|
          |    í &P0     | 39/61ms at 10pps (North America)            |
          |--------------+---------------------------------------------|
          |     &P1      | 33/67ms at 10pps (Europe)                   |
          +------------------------------------------------------------+
       
          +------------------------------------------------------------+
          |                  REPEAT PREVIOUS COMMAND                   |
          |------------------------------------------------------------|
          | Type:         | Immediate                                  |
          |---------------+--------------------------------------------|
          | Format:       | A/                                         |
          |---------------+--------------------------------------------|
          | Description:  | Repeats previous command, mainly used for  |
          |               | re-dial                                    |
          |------------------------------------------------------------|
          |      Note: Do not precede this command with AT, or follow  |
          |      it with <CR>.                                         |
          +------------------------------------------------------------+
       
          +------------------------------------------------------------+
          |                     REPORT INFORMATION                     |
          |------------------------------------------------------------|
          | Type:        | Immediate                                   |
          |--------------+---------------------------------------------|
          | Format:      | AT [cmds] In [cmds]                         |
          |--------------+---------------------------------------------|
          | Description: | Displays information requested              |
          |--------------+---------------------------------------------|
          |   Command    |                  Function                   |
          |--------------+---------------------------------------------|
          |      I0      | Reports 4-digit product code                |
          |--------------+---------------------------------------------|
          |      I1      | Reports ROM checksum                        |
          |--------------+---------------------------------------------|
          |      I2      | Reports RAM checksum                        |
          |--------------+---------------------------------------------|
          |      I3      | Reports product type                        |
          |--------------+---------------------------------------------|
          |      I4      | Reports current command settings            |
          |--------------+---------------------------------------------|
          |      I5      | Reports NVRAM settings                      |
          |--------------+---------------------------------------------|
          |      I6      | Reports link diagnostics                    |
          |--------------+---------------------------------------------|
          |      I7      | Reports product configuration               |
          +------------------------------------------------------------+
       
          +------------------------------------------------------------+
          |                        RESULT CODES                        |
          |------------------------------------------------------------|
          | Type:        | Configuration                               |
          |--------------+---------------------------------------------|
          | Format:      | AT [cmds] Qn [cmds]                         |
          |--------------+---------------------------------------------|
          | Description: | Enables modem to send result codes to the   |
          |              | DTE                                         |
          |--------------+---------------------------------------------|
          |   Command    |                  Function                   |
          |--------------+---------------------------------------------|
          |     í Q0     | Result code sending enabled                 |
          |--------------+---------------------------------------------|
          |      Q1      | Result code sending disabled                |
          |--------------+---------------------------------------------|
          |      Q2      | Result code sending enabled while in        |
          |              | originate mode                              |
          +------------------------------------------------------------+
       
          +------------------------------------------------------------+
          |                     RESULT CODE FORMAT                     |
          |------------------------------------------------------------|
          | Type:        | Configuration                               |
          |--------------+---------------------------------------------|
          | Format:      | AT [cmds] Vn [cmds]                         |
          |--------------+---------------------------------------------|
          | Description: | Selects word or numeric format for          |
          |              | information-text and result codes           |
          |--------------+---------------------------------------------|
          |   Command    |                  Function                   |
          |--------------+---------------------------------------------|
          |      V0      | Numeric format enabled                      |
          |--------------+---------------------------------------------|
          |     í V1     | Verbose (word) format enabled               |
          +------------------------------------------------------------+
       
          +------------------------------------------------------------+
          |             SELECT CALL PROGRESS RESULT CODES              |
          |------------------------------------------------------------|
          | Type:        | Configuration                               |
          |--------------+---------------------------------------------|
          | Format:      | AT [cmds] Xn [cmds]                         |
          |--------------+---------------------------------------------|
          | Description: | Enables selection of tone detection and     |
          |              | associated result code format options       |
          |--------------+---------------------------------------------|
          |   Command    |                  Function                   |
          |--------------+---------------------------------------------|
          |      X0      | Busy and dial tone detection disabled;      |
          |              | result codes 0-4 enabled.                   |
          |--------------+---------------------------------------------|
          |      X1      | Busy and dial tone detection disabled;      |
          |              | result codes 0-5, 10-107 enabled            |
          |--------------+---------------------------------------------|
          |      X2      | Busy tone detection disabled, dial tone     |
          |              | detection enabled; result codes 0-6, 10-107 |
          |              | enabled; also adaptive dialing, wait for    |
          |              | second dial tone, and fast dialing enabled. |
          |--------------+---------------------------------------------|
          |      X3      | Busy tone detection enabled, dial tone      |
          |              | detection disabled; result codes 0-5, 7-107 |
          |              | enabled; also adaptive dialing, and wait    |
          |              | for answer enabled.                         |
          |--------------+---------------------------------------------|
          |      X4      | Busy and dial tone detection enabled;       |
          |              | result codes 0-107 enabled; also adaptive   |
          |              | dialing, wait for second dial tone, wait    |
          |              | for answer, and fast dialing enabled.       |
          |------------------------------------------------------------|
          | Note: Valid numeric result codes; 0-8, 10, 13, 18, 20, 21, |
          | 25, 43, 85, 91, 99, 103, and 107.                          |
          +------------------------------------------------------------+
       
          +------------------------------------------------------------+
          |                         SOFT RESET                         |
          |------------------------------------------------------------|
          | Type:        | Immediate                                   |
          |--------------+---------------------------------------------|
          | Format:      | AT [cmds] Zn [cmds]                         |
          |--------------+---------------------------------------------|
          | Description: | Restores modem profiles previously saved in |
          |              | non-volatile RAM                            |
          |--------------+---------------------------------------------|
          |   Command    |                  Function                   |
          |--------------+---------------------------------------------|
          |     í Z0     | Restore setting used by ATY command         |
          |--------------+---------------------------------------------|
          |      Z1      | Restore setting 0                           |
          |--------------+---------------------------------------------|
          |      Z2      | Restore setting 1                           |
          |--------------+---------------------------------------------|
          |      Z3      | Restore factory setting 0 (AT&F0)           |
          |--------------+---------------------------------------------|
          |      Z4      | Restore factory setting 1 (AT&F1)           |
          |--------------+---------------------------------------------|
          |      Z5      | Restore factory setting 2 (AT&F2)           |
          +------------------------------------------------------------+
       
          +------------------------------------------------------------+
          |                        SPEAKER MODE                        |
          |------------------------------------------------------------|
          | Type:        | Configuration                               |
          |--------------+---------------------------------------------|
          | Format:      | AT [cmds] Mn [cmds]                         |
          |--------------+---------------------------------------------|
          | Description: | Selects various speaker options             |
          |--------------+---------------------------------------------|
          |   Command    |                  Function                   |
          |--------------+---------------------------------------------|
          |      M0      | Speaker disabled                            |
          |--------------+---------------------------------------------|
          |     í M1     | Speaker enabled until carrier signal        |
          |              | detected                                    |
          |--------------+---------------------------------------------|
          |      M2      | Speaker enabled                             |
          |--------------+---------------------------------------------|
          |      M3      | Speaker enabled following dialing, then     |
          |              | disabled after carrier signal detected.     |
          +------------------------------------------------------------+
       
          +------------------------------------------------------------+
          |                       SPEAKER VOLUME                       |
          |------------------------------------------------------------|
          | Type:        | Configuration                               |
          |--------------+---------------------------------------------|
          | Format:      | AT [cmds] Ln [cmds]                         |
          |--------------+---------------------------------------------|
          | Description: | Controls speaker volume                     |
          |--------------+---------------------------------------------|
          |   Command    |                  Function                   |
          |--------------+---------------------------------------------|
          |      L0      | Low volume setting                          |
          |--------------+---------------------------------------------|
          |      L1      | Low volume setting                          |
          |--------------+---------------------------------------------|
          |     í L2     | Medium volume setting                       |
          |--------------+---------------------------------------------|
          |      L3      | Highest volume setting                      |
          +------------------------------------------------------------+
       
          +------------------------------------------------------------+
          |                      STATUS-REGISTER                       |
          |------------------------------------------------------------|
          | Type:        | Configuration                               |
          |--------------+---------------------------------------------|
          | Format:      | Read: AT [cmds] Sn? [cmds]                  |
          |              |                                             |
          |              | Write: AT [cmds] Sn=x [cmds]                |
          |--------------+---------------------------------------------|
          | Description: | Writes to or reads from a specified         |
          |              | register                                    |
          |------------------------------------------------------------|
          |      Note: See the section on S-registers for detailed     |
          |      listing of commonly used S-registers.                 |
          |------------------------------------------------------------|
          |    Command    |                  Function                  |
          |---------------+--------------------------------------------|
          |    Sn.b=x     | Write to register bit b using values 0     |
          |               | (off) and 1 (on) for x                     |
          +------------------------------------------------------------+
       
          +------------------------------------------------------------+
          |                    STORE ACTIVE PROFILE                    |
          |------------------------------------------------------------|
          | Type:        | Configuration                               |
          |--------------+---------------------------------------------|
          | Format:      | AT [cmds] &Wn [cmds]                        |
          |--------------+---------------------------------------------|
          | Description: | Writes the values for the active profile    |
          |              | into the non-volatile RAM templates         |
          |--------------+---------------------------------------------|
          |   Command    |                  Function                   |
          |--------------+---------------------------------------------|
          |     &W0      | Write the active profile to stored profile  |
          |              | 0                                           |
          |--------------+---------------------------------------------|
          |     &W1      | Write the active profile to stored profile  |
          |              | 1                                           |
          +------------------------------------------------------------+
       
          +------------------------------------------------------------+
          |                   STORE TELEPHONE NUMBER                   |
          |------------------------------------------------------------|
          | Type:        | Configuration                               |
          |--------------+---------------------------------------------|
          | Format:      | AT [cmds] &Zn=x [cmds]                      |
          |--------------+---------------------------------------------|
          | Description: | Writes selected telephone numbers into the  |
          |              | non-volatile memory at location n           |
          |------------------------------------------------------------|
          |      Note: The characters described in the D command are   |
          |      valid for use in the &Z command.                      |
          |------------------------------------------------------------|
          |    Command    |                  Function                  |
          |---------------+--------------------------------------------|
          |     &Zn=L     | Writes last executed dial string into the  |
          |               | non-volatile memory at location n          |
          |---------------+--------------------------------------------|
          |     &Zn?      | Displays phone number from non-volatile    |
          |               | memory at location n                       |
          |---------------+--------------------------------------------|
          |     &ZL?      | Displays last executed dial string         |
          +------------------------------------------------------------+
       
          +------------------------------------------------------------+
          |                         TEST MODES                         |
          |------------------------------------------------------------|
          | Type:        | Configuration                               |
          |--------------+---------------------------------------------|
          | Format:      | AT [cmds] &Tn [cmds]                        |
          |--------------+---------------------------------------------|
          | Description: | Controls loopback tests, analog, digital,   |
          |              | remote digital, and self tests.             |
          |------------------------------------------------------------|
          |    Command    |                  Function                  |
          |---------------+--------------------------------------------|
          |      &T0      | Testing disabled                           |
          |---------------+--------------------------------------------|
          |      &T1      | Local analog loopback enabled              |
          |---------------+--------------------------------------------|
          |      &T3      | Local digital loopback enabled             |
          |---------------+--------------------------------------------|
          |      &T4      | Remote digital loopback enabled            |
          |---------------+--------------------------------------------|
          |     í &T5     | Remote digital loopback prohibited         |
          |---------------+--------------------------------------------|
          |      &T6      | Remote digital loopback initiated          |
          |---------------+--------------------------------------------|
          |      &T7      | Remote digital loopback w/ self-test and   |
          |               | error detector in progress                 |
          |---------------+--------------------------------------------|
          |      &T8      | Local analog loopback w/ self-test and     |
          |               | error detector in progress                 |
          +------------------------------------------------------------+
       
          +------------------------------------------------------------+
          |                         TEST TIMER                         |
          |------------------------------------------------------------|
          | Type:        | Register                                    |
          |--------------+---------------------------------------------|
          | Format       | AT [cmds] S18=n [cmds]                      |
          |--------------+---------------------------------------------|
          | Default:     | 0                                           |
          |--------------+---------------------------------------------|
          | Range:       | Unidentified                                |
          |--------------+---------------------------------------------|
          | Unit:        | 1 second                                    |
          |--------------+---------------------------------------------|
          | Description: | Sets the maximum duration for modem tests   |
          |------------------------------------------------------------|
          |      Note: S18=0 disables the timer and allows an          |
          |      indefinite duration.                                  |
          +------------------------------------------------------------+
       
          +------------------------------------------------------------+
          |                        TONE DIALING                        |
          |------------------------------------------------------------|
          | Type:              | Configuration                         |
          |--------------------+---------------------------------------|
          | Format:            | AT [cmds] T [cmds]                    |
          |--------------------+---------------------------------------|
          | Description:       | Enables tone dialing mode             |
          |------------------------------------------------------------|
          |      Note: This command can be duplicated with the T       |
          |      modifier in the D (Dial) command.                     |
          +------------------------------------------------------------+
       
          +------------------------------------------------------------+
          |                     TONE DIALING TEST                      |
          |------------------------------------------------------------|
          | Type:        | Register                                    |
          |--------------+---------------------------------------------|
          | Format:      | AT [cmds] S16=n [cmds]                      |
          |--------------+---------------------------------------------|
          | Description: | Selects the tone dialing test               |
          |--------------+---------------------------------------------|
          |   Command    |                  Function                   |
          |--------------+---------------------------------------------|
          |   í S16=0    | Tone dialing test disabled                  |
          |--------------+---------------------------------------------|
          |    S16=2     | Tone dialing test enabled                   |
          +------------------------------------------------------------+
       
          +------------------------------------------------------------+
          |                         VOICE VIEW                         |
          |------------------------------------------------------------|
          | Type:        | Configuration                               |
          |--------------+---------------------------------------------|
          | Format:      | AT [cmds] -Sxxx [cmds]                      |
          |--------------+---------------------------------------------|
          | Description: | Controls voice view mode the modem will     |
          |              | operate in                                  |
          |------------------------------------------------------------|
          |    Command     |                 Function                  |
          |----------------+-------------------------------------------|
          |      -SAC      | Accept voice view data mode request       |
          |----------------+-------------------------------------------|
          |      -SDA      | Begin voice view modem data mode          |
          |----------------+-------------------------------------------|
          |      -SFX      | Begin voice view fax data mode            |
          |----------------+-------------------------------------------|
          |      -SVV      | Begin voice view data mode                |
          +------------------------------------------------------------+
       
          +------------------------------------------------------------+
          |                V.32 AND V.32bis MODULATIONS                |
          |------------------------------------------------------------|
          | Format       | AT [cmds] S34=n [cmds]                      |
          |--------------+---------------------------------------------|
          | Default:     | 0 for 28.8; 6 for 14.4                      |
          |--------------+---------------------------------------------|
          | Range:       | 0-9                                         |
          |--------------+---------------------------------------------|
          | Unit:        | Bit-mapped                                  |
          |--------------+---------------------------------------------|
          | Description: | Controls V.32 and V.32bis modulations.      |
          |--------------+---------------------------------------------|
          | Bit  | Value |                  Function                   |
          |------+-------+---------------------------------------------|
          |  0   |     0 | V.32bis enabled                             |
          |      |       |                                             |
          |      |     1 | V.32bis disabled                            |
          |------+-------+---------------------------------------------|
          | 2, 1 |    00 | Not used                                    |
          |------+-------+---------------------------------------------|
          |  3   |     0 | V.23 modulation disabled                    |
          |      |       |                                             |
          |      |     1 | V.23 modulation enabled                     |
          +------------------------------------------------------------+