URI: 
  TEXT View Source
       
       # WESTERMO TELEINDUSTRI AB
       
          TD-23 AC
       
          Card Type        Modem                                         
          Chip Set         Unidentified                                  
          I/O Options      9-pin serial port (RS-232), terminal blocks   
                           (3)                                           
          Data Modulation  ITU-T V.11, V.23, V.24/V.28                   
          Protocol         
          Wiring Type      Unshielded twisted pair                       
          Maximum Transfer 1200bps                                       
          Rate             
          Data Bus         External                                      
       
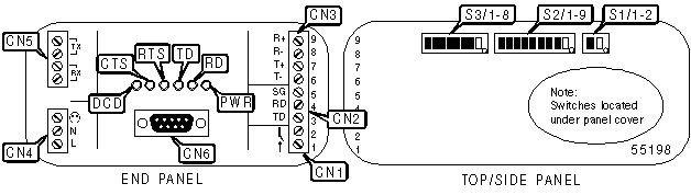
   IMG IMG 1
          
       
          +------------------------------------------------------------+
          |                        CONNECTIONS                         |
          |------------------------------------------------------------|
          |         Function          |   Label    | Function  | Label |
          |------------------------------------------------------------|
          | Relay connector        |  CN1  | AC power        |   CN4   |
          | (screws 1 & 2)         |       | connector (3    |         |
          |                        |       | pole terminal   |         |
          |                        |       | block)          |         |
          |------------------------+-------+-----------------+---------|
          | RS-232-C/V.24          |  CN2  | Line connector  |   CN5   |
          | interface (screws 3 -  |       | (4 pole         |         |
          | 5)                     |       | terminal block) |         |
          |------------------------+-------+-----------------+---------|
          | RS-422/485 interface   |  CN3  | 9-pin serial    |   CN6   |
          | (screws 6 - 9)         |       | port            |         |
          |------------------------------------------------------------|
          | Note: CN1, CN2, & CN3 are separate interfaces on a 9 pole  |
          | terminal block                                             |
          +------------------------------------------------------------+
       
          +------------------------------------------------------------+
          |                 USER CONFIGURABLE SETTINGS                 |
          |------------------------------------------------------------|
          |                 Setting                 | Label | Position |
          |-----------------------------------------+-------+----------|
          | í 2-wire mode enabled (line side)       | S2/6  |    On    |
          |-----------------------------------------+-------+----------|
          | 4-wire mode enabled enabled (line side) | S2/6  |   Off    |
          |-----------------------------------------+-------+----------|
          | í 23ms RTS/CTS delay enabled            | S2/9  |   Off    |
          |-----------------------------------------+-------+----------|
          | 60ms RTS/CTS delay enabled              | S2/9  |    On    |
          |-----------------------------------------+-------+----------|
          | í Activity timer disabled               | S3/7  |   Off    |
          |-----------------------------------------+-------+----------|
          | 1min activity timer enabled             | S3/7  |    On    |
          |-----------------------------------------+-------+----------|
          | í Filter enabled; receive data is       | S3/8  |    On    |
          | buffered for 6ms                        |       |          |
          |-----------------------------------------+-------+----------|
          | Filter disabled                         | S3/8  |   Off    |
          +------------------------------------------------------------+
       
          +------------------------------------------------------------+
          |                      LINE TERMINATION                      |
          |------------------------------------------------------------|
          |                Setting                |   S1/1   |  S1/2   |
          |---------------------------------------+----------+---------|
          |      í Line termination disabled      |   Off    |   Off   |
          |---------------------------------------+----------+---------|
          |       Line termination enabled        |    On    |   On    |
          +------------------------------------------------------------+
       
          +------------------------------------------------------------+
          |                     TRANSMISSION LEVEL                     |
          |------------------------------------------------------------|
          |           Setting           |  S2/1   |   S2/2   |  S2/3   |
          |-----------------------------+---------+----------+---------|
          |            3dBm             |   Off   |   Off    |   Off   |
          |-----------------------------+---------+----------+---------|
          |            -3dBm            |   On    |   Off    |   Off   |
          |-----------------------------+---------+----------+---------|
          |            -6dBm            |   Off   |    On    |   Off   |
          |-----------------------------+---------+----------+---------|
          |           í -9dBm           |   On    |    On    |   Off   |
          |-----------------------------+---------+----------+---------|
          |           -10dBm            |   Off   |   Off    |   On    |
          |-----------------------------+---------+----------+---------|
          |           -12dBm            |   On    |   Off    |   On    |
          |-----------------------------+---------+----------+---------|
          |           -13dBm            |   Off   |    On    |   On    |
          |-----------------------------+---------+----------+---------|
          |           -15dBm            |   On    |    On    |   On    |
          +------------------------------------------------------------+
       
          +------------------------------------------------------------+
          |                    DCD DETECTION LEVEL                     |
          |------------------------------------------------------------|
          |                Setting                |   S2/4   |  S2/5   |
          |---------------------------------------+----------+---------|
          |                í 3dBm                 |   Off    |   On    |
          |---------------------------------------+----------+---------|
          |                 10dBm                 |    On    |   On    |
          |---------------------------------------+----------+---------|
          |                 -3dBm                 |    On    |   Off   |
          |---------------------------------------+----------+---------|
          |                -15dBm                 |   Off    |   Off   |
          +------------------------------------------------------------+
       
          +------------------------------------------------------------+
          |                      CARRIER CONTROL                       |
          |------------------------------------------------------------|
          |                   Setting                    | S2/7 | S2/8 |
          |----------------------------------------------+------+------|
          |         í Carrier controlled by RTS          |  On  |  On  |
          |----------------------------------------------+------+------|
          | Transmitter activated by incoming data; data | Off  |  On  |
          |   is buffered while carrier is established   |      |      |
          |----------------------------------------------+------+------|
          |        Permanent carrier established         |  On  | Off  |
          +------------------------------------------------------------+
       
          +------------------------------------------------------------+
          |       2-WIRE/4-WIRE MODE SELECTION (RS-422/485 SIDE)       |
          |------------------------------------------------------------|
          |                Setting                |   S3/1   |  S3/2   |
          |---------------------------------------+----------+---------|
          |         í 2-wire mode enabled         |    On    |   Off   |
          |---------------------------------------+----------+---------|
          |      4-wire mode enabled enabled      |   Off    |   On    |
          +------------------------------------------------------------+
       
          +------------------------------------------------------------+
          |                   RS-422/485 TERMINATION                   |
          |------------------------------------------------------------|
          |            Setting             | S3/3 | S3/4 | S3/5 | S3/6 |
          |--------------------------------+------+------+------+------|
          |    í RS-422/485 termination    | Off  | Off  | Off  | Off  |
          |            disabled            |      |      |      |      |
          |--------------------------------+------+------+------+------|
          |   2-wire termination enabled   |  On  |  On  | Off  | Off  |
          |            (RS-485)            |      |      |      |      |
          |--------------------------------+------+------+------+------|
          |   4-wire termination enabled   | Off  | Off  |  On  |  On  |
          |            (RS-422)            |      |      |      |      |
          +------------------------------------------------------------+
       
          +------------------------------------------------------------+
          |                     DIAGNOSTIC LED(S)                      |
          |------------------------------------------------------------|
          | LED |    Color     | Status |          Condition           |
          |-----+--------------+--------+------------------------------|
          | PWR | Unidentified |   On   |         Power is on          |
          |-----+--------------+--------+------------------------------|
          | PWR | Unidentified |  Off   |         Power is off         |
          |-----+--------------+--------+------------------------------|
          | RD  | Unidentified |   On   |   Modem is receiving data    |
          |-----+--------------+--------+------------------------------|
          | RD  | Unidentified |  Off   | Modem is not receiving data  |
          |-----+--------------+--------+------------------------------|
          | TD  | Unidentified |   On   |  Modem is transmitting data  |
          |-----+--------------+--------+------------------------------|
          | TD  | Unidentified |  Off   |  Modem is not transmitting   |
          |     |              |        |             data             |
          |-----+--------------+--------+------------------------------|
          | RTS | Unidentified |   On   |      RTS signal is high      |
          |-----+--------------+--------+------------------------------|
          | RTS | Unidentified |  Off   |      RTS signal is low       |
          |-----+--------------+--------+------------------------------|
          | CTS | Unidentified |   On   |  CTS signal is high. Device  |
          |     |              |        |      ready to send data      |
          |-----+--------------+--------+------------------------------|
          | CTS | Unidentified |  Off   |      CTS signal is low       |
          |-----+--------------+--------+------------------------------|
          | DCD | Unidentified |   On   |     Data carrier present     |
          |-----+--------------+--------+------------------------------|
          | DCD | Unidentified |  Off   |  Data carrier not present.   |
          |     |              |        |  Connection not established  |
          +------------------------------------------------------------+