URI: 
  TEXT View Source
       
       # BEHAVIOR TECH COMPUTER CORPORATION
       
          1510T
       
          Card Type                    Video card                        
          Video Chip Set               Oak Technology                    
          Highest Resolution Supported 800 x 600                         
          Maximum Video Memory         256KB DRAM                        
          Data Bus                     8-bit ISA                         
          Video Types Supported        VGA                               
       
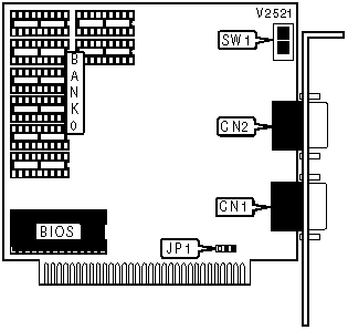
   IMG IMG 1
          
       
          +------------------------------------------------------------+
          |                        CONNECTIONS                         |
          |------------------------------------------------------------|
          |       Function       | Label |      Function       | Label |
          |----------------------+-------+---------------------+-------|
          | 9-pin digital video  |  CN1  | 15-pin analog video |  CN2  |
          | port                 |       | port                |       |
          +------------------------------------------------------------+
       
          +------------------------------------------------------------+
          |                 USER CONFIGURABLE SETTINGS                 |
          |------------------------------------------------------------|
          |            Function            | Label |     Position      |
          |--------------------------------+-------+-------------------|
          | ยป | IRQ2 enabled               |  JP1  | Pins 2 & 3 closed |
          |---+----------------------------+-------+-------------------|
          |   | IRQ2 disabled              |  JP1  | Pins 1 & 2 closed |
          +------------------------------------------------------------+
       
          +------------------------------------------------------------+
          |                     DRAM CONFIGURATION                     |
          |------------------------------------------------------------|
          |            Size            |            Bank 0             |
          |----------------------------+-------------------------------|
          |           256KB            |         (8) 256K x 1          |
          +------------------------------------------------------------+
       
          +------------------------------------------------------------+
          |                   DISPLAY CONFIGURATION                    |
          |------------------------------------------------------------|
          |     Setting      |  SW1/1   |  SW1/2   |  SW1/3  |  SW1/4  |
          |------------------+----------+----------+---------+---------|
          |       MDA        |    On    |    On    |   On    |   Off   |
          |------------------+----------+----------+---------+---------|
          |       CGA        |   Off    |    On    |   On    |   Off   |
          |------------------+----------+----------+---------+---------|
          |       EGA        |    On    |   Off    |   On    |   Off   |
          |------------------+----------+----------+---------+---------|
          |  NEC Multisync   |   Off    |   Off    |   On    |   Off   |
          |------------------+----------+----------+---------+---------|
          |  NEC Multisync   |    On    |    On    |   Off   |   Off   |
          |       Plus       |          |          |         |         |
          |------------------+----------+----------+---------+---------|
          | NEC Multisync 2A |   Off    |    On    |   Off   |   Off   |
          |------------------+----------+----------+---------+---------|
          |      NEC XL      |    On    |   Off    |   Off   |   Off   |
          |------------------+----------+----------+---------+---------|
          |   NEC 4D OR 5D   |    On    |   Off    |   Off   |   On    |
          |------------------+----------+----------+---------+---------|
          |     Reserved     |   Off    |   Off    |   Off   |   Off   |
          |------------------+----------+----------+---------+---------|
          |    VGA (Mono)    |   Off    |    On    |   On    |   On    |
          |------------------+----------+----------+---------+---------|
          |   VGA (Color)    |    On    |   Off    |   On    |   On    |
          |------------------+----------+----------+---------+---------|
          |    VGA 16in.     |   Off    |   Off    |   On    |   On    |
          |     (Color)      |          |          |         |         |
          |------------------+----------+----------+---------+---------|
          |     Reserved     |   N/A    |   N/A    |   Off   |   On    |
          |------------------------------------------------------------|
          |      Note:IBM VGA modes and 800 x 600 graphics modes are   |
          |      supported on NEC Multisync 2A monitors.               |
          +------------------------------------------------------------+