URI: 
  TEXT View Source
       
       # COLORGRAPHIC COMMUNICATIONS CORPORATION
       
          TWIN TURBO ACCELERATOR
       
          Card Type             Video card                               
          Video Chipset         S3 86C928                                
          Maximum Video Memory  4MB VRAM (2MB per port)                  
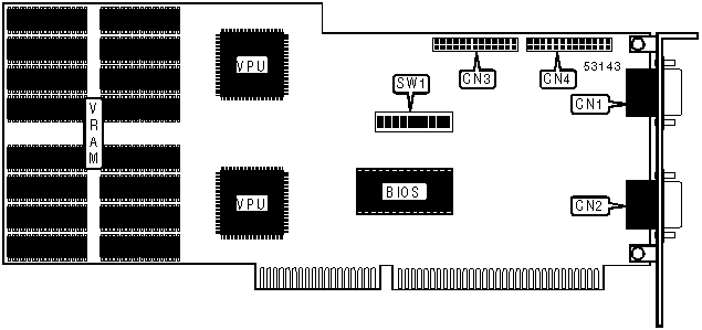
          I/O Options           VESA feature connectors (2), VGA out (2) 
          Data Bus              16-bit ISA                               
          Video Types Supported XVGA                                     
          Highest Resolution    1280 x 1024                              
          Supported             
       
   IMG IMG 1
          
       
          +------------------------------------------------------------+
          |                        CONNECTIONS                         |
          |------------------------------------------------------------|
          |        Function        | Label |     Function      | Label |
          |------------------------+-------+-------------------+-------|
          | 15-pin analog video    |  CN1  | Feature connector |  CN3  |
          | port 2                 |       |                   |       |
          |------------------------+-------+-------------------+-------|
          | 15-pin analog video    |  CN2  | Feature connector |  CN4  |
          | port 1                 |       |                   |       |
          +------------------------------------------------------------+
       
          +------------------------------------------------------------+
          |                 USER CONFIGURABLE SETTINGS                 |
          |------------------------------------------------------------|
          |              Setting               | Label  |   Position   |
          |------------------------------------+--------+--------------|
          | » | Factory configured - do not    | SW1/5  | Unidentified |
          |   | alter                          |        |              |
          |---+--------------------------------+--------+--------------|
          | » | Factory configured - do not    | SW1/6  | Unidentified |
          |   | alter                          |        |              |
          |---+--------------------------------+--------+--------------|
          | » | Factory configured - do not    | SW1/7  | Unidentified |
          |   | alter                          |        |              |
          |---+--------------------------------+--------+--------------|
          | » | Factory configured - do not    | SW1/8  | Unidentified |
          |   | alter                          |        |              |
          |---+--------------------------------+--------+--------------|
          | » | Factory configured - do not    | SW1/9  | Unidentified |
          |   | alter                          |        |              |
          |---+--------------------------------+--------+--------------|
          | » | Factory configured - do not    | SW1/10 | Unidentified |
          |   | alter                          |        |              |
          +------------------------------------------------------------+
       
          +------------------------------------------------------------+
          |                 BASE I/O ADDRESS SELECTION                 |
          |------------------------------------------------------------|
          |    Primary     |   Secondary   |    SW1/1    |    SW1/2    |
          |----------------+---------------+-------------+-------------|
          |   |    32Ch    |     328h      |     On      |     On      |
          |---+------------+---------------+-------------+-------------|
          |   |    33Ch    |     338h      |     On      |     Off     |
          |---+------------+---------------+-------------+-------------|
          | » |    34Ch    |     348h      |     Off     |     On      |
          |---+------------+---------------+-------------+-------------|
          |   |    35Ch    |     358h      |     Off     |     Off     |
          +------------------------------------------------------------+
       
          +------------------------------------------------------------+
          |                   BOARD NUMBER SELECTION                   |
          |------------------------------------------------------------|
          |       Setting       |       SW1/3       |      SW1/4       |
          |---------------------+-------------------+------------------|
          | »  |       1        |        On         |        On        |
          |----+----------------+-------------------+------------------|
          |    |       2        |        Off        |        On        |
          |----+----------------+-------------------+------------------|
          |    |       3        |        On         |       Off        |
          |----+----------------+-------------------+------------------|
          |    |       4        |        Off        |       Off        |
          +------------------------------------------------------------+