URI: 
  TEXT View Source
       
       # GENOA SYSTEMS CORPORATION
       
          SUPERSPECTRUM 4650
       
          Card Type                    Video/Parallel card               
          Video Chip Set               Unidentified                      
          Maximum Video Memory         Unidentified                      
          Video Types Supported        Monochrome, CGA                   
          Highest Resolution Supported 1056 x 200                        
          Data Bus                     8-bit ISA                         
       
   IMG IMG 1
          
       
          +------------------------------------------------------------+
          |                        CONNECTIONS                         |
          |------------------------------------------------------------|
          |       Function       | Label |      Function       | Label |
          |----------------------+-------+---------------------+-------|
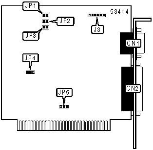
          | 9-pin video port     |  CN1  | Light pen interface |  J3   |
          |----------------------+-------+---------------------+-------|
          | 25-pin printer port  |  CN2  |                     |       |
          +------------------------------------------------------------+
       
          +------------------------------------------------------------+
          |                 USER CONFIGURABLE SETTINGS                 |
          |------------------------------------------------------------|
          |              Function              |  Label  |  Position   |
          |------------------------------------+---------+-------------|
          |    | Printer port configured as    |   JP4   | Pins 2 & 3  |
          |    | LPT 1                         |         |   closed    |
          |----+-------------------------------+---------+-------------|
          |    | Printer port configured as    |   JP4   | Pins 1 & 2  |
          |    | LPT 2                         |         |   closed    |
          |----+-------------------------------+---------+-------------|
          |    | Printer port disabled         |   JP4   |    Open     |
          |----+-------------------------------+---------+-------------|
          | »  | Printer port IRQ 7 enabled    |   JP5   | Pins 2 & 3  |
          |    |                               |         |   closed    |
          |----+-------------------------------+---------+-------------|
          |    | Printer port IRQ 5 enabled    |   JP5   | Pins 1 & 2  |
          |    |                               |         |   closed    |
          |----+-------------------------------+---------+-------------|
          | »  | SuperSpectrum enabled         |   JP3   |    Open     |
          |----+-------------------------------+---------+-------------|
          |    | SuperSpectrum disabled        |   JP3   |   Closed    |
          |------------------------------------------------------------|
          |      Note:When using monochrome and color adapter in one   |
          |      system JP3 should be open. When using two             |
          |      SuperSpectrum adapters in one system JP3 should be    |
          |      open for the first adapter and close for the second.  |
          +------------------------------------------------------------+
       
          +------------------------------------------------------------+
          |                     DISPLAY SELECTION                      |
          |------------------------------------------------------------|
          |               Display type               |  JP1   |  JP2   |
          |------------------------------------------+--------+--------|
          | IBM monochrome (MDA or Hercules)         | Closed |  Open  |
          |------------------------------------------+--------+--------|
          | IBM monochrome (CGA double scan          | Closed | Closed |
          | emulation)                               |        |        |
          |------------------------------------------+--------+--------|
          | Multifrequency (CGA double scan)         |  Open  | Closed |
          |------------------------------------------+--------+--------|
          | IBM color (CGA)                          |  Open  |  Open  |
          +------------------------------------------------------------+