URI: 
  TEXT View Source
       
       # SPEA SOFTWARE AG
       
          V7 VEGA DELUXE (VER. 2)
       
          Card Type                    Video card                        
          Video Processor              Video Seven                       
          Maximum Onboard Memory       256KB DRAM                        
          I/O Options                  Feature connector, light pen port 
          Data Bus                     8-bit ISA                         
          Video Types Supported        EGA                               
          Highest Resolution Supported 752 x 410                         
       
   IMG IMG 1
          
       
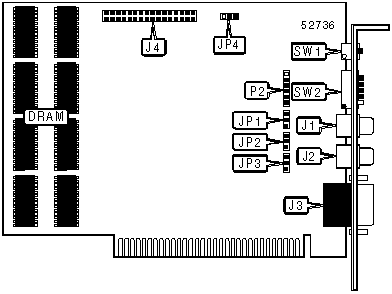
          +------------------------------------------------------------+
          |                        CONNECTIONS                         |
          |------------------------------------------------------------|
          |      Function      | Label |       Function        | Label |
          |--------------------+-------+-----------------------+-------|
          | Unidentified       |  J1   | Feature connector     |  J4   |
          |--------------------+-------+-----------------------+-------|
          | Unidentified       |  J2   | Light pen port        |  P2   |
          |--------------------+-------+-----------------------+-------|
          | 9-pin EGA port     |  J3   |                       |       |
          +------------------------------------------------------------+
       
          +------------------------------------------------------------+
          |                 USER CONFIGURABLE SETTINGS                 |
          |------------------------------------------------------------|
          |               Setting               | Label |   Position   |
          |-------------------------------------+-------+--------------|
          | » | Base I/O address set to 3D0h    |  JP1  |  Pins 1 & 2  |
          |   |                                 |       |    closed    |
          |---+---------------------------------+-------+--------------|
          |   | Base I/O address set to 2D0h    |  JP1  |  Pins 2 & 3  |
          |   |                                 |       |    closed    |
          |---+---------------------------------+-------+--------------|
          | » | Card is installed in normal     |  JP2  |  Pins 2 & 3  |
          |   | slot                            |       |    closed    |
          |---+---------------------------------+-------+--------------|
          |   | Card is installed in XT slot 8  |  JP2  |  Pins 1 & 2  |
          |   |                                 |       |    closed    |
          |---+---------------------------------+-------+--------------|
          | » | Factory configured - do not     |  JP3  | Unidentified |
          |   | alter                           |       |              |
          |---+---------------------------------+-------+--------------|
          | » | Second feature connector clock  |  JP4  |  Pins 2 & 3  |
          |   | enabled                         |       |    closed    |
          |---+---------------------------------+-------+--------------|
          |   | Second feature connector clock  |  JP4  |  Pins 1 & 2  |
          |   | disabled                        |       |    closed    |
          |---+---------------------------------+-------+--------------|
          | » | Card will emulate CGA and MDA   | SW2/5 |      On      |
          |   | modes as necessary              |       |              |
          |---+---------------------------------+-------+--------------|
          |   | Card is 100% EGA compatible     | SW2/5 |     Off      |
          |---+---------------------------------+-------+--------------|
          | » | Factory configured - do not     | SW2/6 | Unidentified |
          |   | alter                           |       |              |
          +------------------------------------------------------------+
       
          +------------------------------------------------------------+
          |                 MONITOR TYPE (EGA PRIMARY)                 |
          |------------------------------------------------------------|
          |  Primary   | Secondary  | SW1 | SW2/1 |SW2/2 |SW2/3 |SW2/4 |
          |------------+------------+-----+-------+------+------+------|
          |CGA, 40 x 25| Monochrome | Off |  On   | Off  | Off  |  On  |
          |------------+------------+-----+-------+------+------+------|
          |CGA, 80 x 25| Monochrome | Off |  Off  | Off  | Off  |  On  |
          |------------+------------+-----+-------+------+------+------|
          |EGA, 40 x 25| Monochrome | On  |  On   |  On  |  On  | Off  |
          |------------+------------+-----+-------+------+------+------|
          |EGA, 80 x 25| Monochrome | On  |  Off  |  On  |  On  | Off  |
          |------------+------------+-----+-------+------+------+------|
          | Monochrome |CGA, 40 x 25| Off |  On   | Off  |  On  | Off  |
          |------------+------------+-----+-------+------+------+------|
          | Monochrome |CGA, 80 x 25| Off |  Off  | Off  |  On  | Off  |
          +------------------------------------------------------------+
       
          +------------------------------------------------------------+
          |                MONITOR TYPE (EGA SECONDARY)                |
          |------------------------------------------------------------|
          |  Primary   | Secondary  | SW1 | SW2/1 |SW2/2 |SW2/3 |SW2/4 |
          |------------+------------+-----+-------+------+------+------|
          | Monochrome |CGA, 40 x 25| Off |  On   |  On  |  On  |  On  |
          |------------+------------+-----+-------+------+------+------|
          | Monochrome |CGA, 80 x 25| Off |  Off  |  On  |  On  |  On  |
          |------------+------------+-----+-------+------+------+------|
          | Monochrome |EGA, 40 x 25| On  |  On   | Off  |  On  |  On  |
          |------------+------------+-----+-------+------+------+------|
          | Monochrome |EGA, 80 x 25| On  |  Off  | Off  |  On  |  On  |
          |------------+------------+-----+-------+------+------+------|
          |CGA, 40 x 25| Monochrome | Off |  On   |  On  | Off  |  On  |
          |------------+------------+-----+-------+------+------+------|
          |CGA, 80 x 25| Monochrome | Off |  Off  |  On  | Off  |  On  |
          +------------------------------------------------------------+