URI: 
  TEXT View Source
       
       # UNIDENTIFIED
       
          COLOR GRAPHICS CARD
       
          Category                     Video card                        
          Video Type                   CGA/Monochrome                    
          Video Processor              Unidentified                      
          Highest Resolution Supported 640 X 200                         
          Data Bus Type                8-bit ISA                         
          Memory Type                  DRAM                              
          Maximum Onboard Memory       64KB (Location unknown)           
       
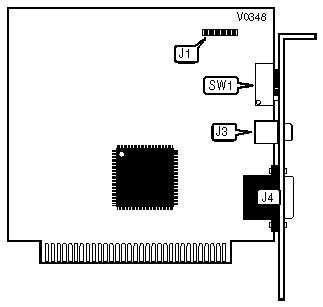
   IMG IMG 1
          
       
          +------------------------------------------------------------+
          |                        CONNECTIONS                         |
          |------------------------------------------------------------|
          |  Purpose   | Location |         Purpose         | Location |
          |------------+----------+-------------------------+----------|
          | Light pen  |    J1    | 9-pin analog video port |    J4    |
          | connector  |          |                         |          |
          |------------+----------+-------------------------+----------|
          | RCA jack   |    J3    |                         |          |
          +------------------------------------------------------------+
       
          +------------------------------------------------------------+
          |                   DISPLAY CONFIGURATION                    |
          |------------------------------------------------------------|
          |        Mode        | SW1/1 | SW1/2 | SW1/3 | SW1/4 | SW1/5 |
          |--------------------+-------+-------+-------+-------+-------|
          |  Composite Color   |  On   |  On   |  Off  |  Off  |  On   |
          |--------------------+-------+-------+-------+-------+-------|
          |     Composite      |  On   |  Off  |  On   |  On   |  Off  |
          |     Monochrome     |       |       |       |       |       |
          |--------------------+-------+-------+-------+-------+-------|
          |        CGA         |  Off  |  On   |  Off  |  Off  |  Off  |
          |------------------------------------------------------------|
          | Note: The output connector for composite settings is J3,   |
          | and for CGA it is J4.                                      |
          +------------------------------------------------------------+