URI: 
  TEXT View Source
       
       # UNIDENTIFIED
       
          VGA-PC/D
       
          Category                     Video                             
          Video Type                   CGA/EGA/Monochrome/VGA            
          Video Processor              Unknown                           
          Highest Resolution Supported 800 x 600                         
          Data Bus Type                8-bit ISA                         
          Memory Type                  DRAM                              
          Maximum Onboard Memory       256KB (Location unknown)          
       
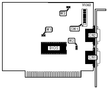
   IMG IMG 1
          
       
          +------------------------------------------------------------+
          |                        CONNECTIONS                         |
          |------------------------------------------------------------|
          |   Purpose    | Location |        Purpose        | Location |
          |--------------+----------+-----------------------+----------|
          | 9-pin analog |   CN1    | 9-pin TTL analog      |   CN2    |
          | video port   |          | video port            |          |
          +------------------------------------------------------------+
       
          +------------------------------------------------------------+
          |                     I/O ADDRESS SELECT                     |
          |------------------------------------------------------------|
          |          Address Range          |            W1            |
          |---------------------------------+--------------------------|
          | »    |           3xxh           |           Open           |
          |------+--------------------------+--------------------------|
          |      |           2xxh           |          Closed          |
          +------------------------------------------------------------+
       
          +------------------------------------------------------------+
          |                    MONITOR TYPE SELECT                     |
          |------------------------------------------------------------|
          |           Type            | SW1/1  | SW1/2 | SW1/3 | SW1/4 |
          |---------------------------+--------+-------+-------+-------|
          | » | Analog Multifrequency |  Off   |  On   |  On   |  Off  |
          |---+-----------------------+--------+-------+-------+-------|
          |   |      Monochrome       |   On   |  On   |  On   |  On   |
          |---+-----------------------+--------+-------+-------+-------|
          |   |          CGA          |  Off   |  On   |  On   |  On   |
          |---+-----------------------+--------+-------+-------+-------|
          |   |          EGA          |   On   |  Off  |  On   |  On   |
          |---+-----------------------+--------+-------+-------+-------|
          |   |  TTL Multifrequency   |  Off   |  Off  |  On   |  On   |
          |---+-----------------------+--------+-------+-------+-------|
          |   |    PS/2 Color/Mono    |   On   |  On   |  On   |  Off  |
          +------------------------------------------------------------+
       
          +------------------------------------------------------------+
          |          PRIMARY/SECONDARY DISPLAY CONFIGURATION           |
          |------------------------------------------------------------|
          |              Setting               |         SW1/5         |
          |------------------------------------+-----------------------|
          | »  |   VGA-PC/D primary display    |          On           |
          |----+-------------------------------+-----------------------|
          |    |  VGA-PC/D secondary display   |          Off          |
          +------------------------------------------------------------+
       
          +------------------------------------------------------------+
          |                   DISPLAY CONFIGURATION                    |
          |------------------------------------------------------------|
          |      Setting      |    SW1/6    |    SW1/7    |   SW1/8    |
          |-------------------+-------------+-------------+------------|
          | » |   Automatic   |     On      |     On      |     On     |
          |---+---------------+-------------+-------------+------------|
          |   |  Monochrome   |     On      |     Off     |     On     |
          |---+---------------+-------------+-------------+------------|
          |   |      CGA      |     Off     |     On      |     On     |
          |---+---------------+-------------+-------------+------------|
          |   |      EGA      |     Off     |     Off     |     On     |
          |---+---------------+-------------+-------------+------------|
          |   |      VGA      |     On      |     On      |    Off     |
          |---+---------------+-------------+-------------+------------|
          |   | VGA protected |     Off     |     On      |    Off     |
          +------------------------------------------------------------+
       
          +------------------------------------------------------------+
          |                  SLOT TYPE CONFIGURATION                   |
          |------------------------------------------------------------|
          |               Slot                |           W2           |
          |-----------------------------------+------------------------|
          | » |             Other             |          Open          |
          |---+-------------------------------+------------------------|
          |   |   Slot 8 on a PC compatible   |         Closed         |
          +------------------------------------------------------------+
       
          +------------------------------------------------------------+
          |                FACTORY CONFIGURED SETTINGS                 |
          |------------------------------------------------------------|
          |            Jumper            |           Setting           |
          |------------------------------+-----------------------------|
          |              W3              |             N/A             |
          +------------------------------------------------------------+