URI: 
  TEXT View Source
       
       # WESTERN DIGITAL CORPORATION
       
          PARADISE 16 BIT VGA CARD
       
          Card Type                    Video card                        
          Video Chip Set               Unidentified                      
          Highest Resolution Supported 800 x 600                         
          Maximum Video Memory         Unidentified                      
          Data Bus                     16-bit ISA                        
          Video Types Supported        VGA                               
       
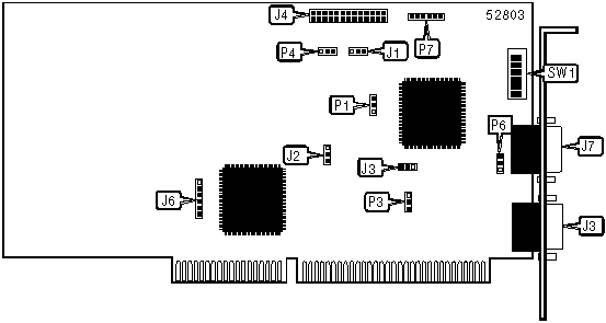
   IMG IMG 1
          
       
          +------------------------------------------------------------+
          |                        CONNECTIONS                         |
          |------------------------------------------------------------|
          |        Function        | Label |     Function      | Label |
          |------------------------+-------+-------------------+-------|
          | 15-pin analog video    |  CN1  | Feature connector |  CN2  |
          | port                   |       |                   |       |
          +------------------------------------------------------------+
       
          +------------------------------------------------------------+
          |                 USER CONFIGURABLE SETTINGS                 |
          |------------------------------------------------------------|
          |                Function                | Label | Position  |
          |----------------------------------------+-------+-----------|
          |   | Monitor type for special           | SW1/1 |    On     |
          |   | multi-frequency display timing     |       |           |
          |---+------------------------------------+-------+-----------|
          |   |   Monitor type for standard PS/2   | SW1/1 |    Off    |
          |   |   compatible fixed frequency       |       |           |
          |   |   display timing                   |       |           |
          |---+------------------------------------+-------+-----------|
          | » | VGA mode select PS/2 monitors      | SW1/2 |    On     |
          |---+------------------------------------+-------+-----------|
          |   | VGA mode select PC/AT monitors     | SW1/2 |    Off    |
          |---+------------------------------------+-------+-----------|
          | » | Factory configured - do not alter  | SW1/3 |    Off    |
          |---+------------------------------------+-------+-----------|
          | » | AutoSense set at 16-bit            | SW1/4 |    On     |
          |---+------------------------------------+-------+-----------|
          |   | AutoSense set at 8-bit             | SW1/4 |    Off    |
          |---+------------------------------------+-------+-----------|
          | » | Factory configured - do not alter  |  W1   |  Closed   |
          |---+------------------------------------+-------+-----------|
          | » | Factory configured - do not alter  |  W2   | Pins 1 &  |
          |   |                                    |       | 2 closed  |
          +------------------------------------------------------------+