URI: 
       This is a "no-name", 8 bit ISA card that provides the following I/O
       connectivity:
        - 1x game port
        - 1x parallel port
        - 2x serial ports
       
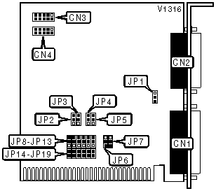
       The card features multiple jumpers that allow detailed configuration. Please
       refer to the attached schema for identification of jumpers and connectors.
       
       == CONNECTORS ==============================================================
       Purpose                                       Location
        25-pin parallel port                         CN1
        15-pin game/MIDI port                        CN2
        10-pin serial port 1                         CN3
        10-pin serial port 2                         CN4
       
       == GAME PORT CONFIGURATION =================================================
       Setting                                       JP1
        Enabled                                      Pins 2 & 3 closed
        Disabled                                     Pins 1 & 2 closed
       
       == SERIAL PORT 1 CONFIGURATION =============================================
       Setting                                       JP5
        Enabled                                      Pins 1 & 2 closed
        Disabled                                     Pins 2 & 3 closed
       
       COM select                                    JP4
        COM1                                         Pins 2 & 3 closed
        COM3                                         Pins 1 & 2 closed
       
       Interrupt select  JP8 1&2   JP9 1&2   JP10 1&2  JP11 1&2  JP12 1&2  JP13 1&2
        IRQ3             CLOSED    open      open      open      open      open
        IRQ4             open      CLOSED    open      open      open      open
        IRQ5             open      open      CLOSED    open      open      open
        IRQ6             open      open      open      CLOSED    open      open
        IRQ7             open      open      open      open      CLOSED    open
        IRQ9             open      open      open      open      open      CLOSED
       
       == SERIAL PORT 2 CONFIGURATION =============================================
       Setting                                       JP3
        Enabled                                      Pins 1 & 2 closed
        Disabled                                     Pins 2 & 3 closed
       
       COM select                                    JP2
        COM2                                         Pins 2 & 3 closed
        COM4                                         Pins 1 & 2 closed
       
       Interrupt select  JP8 2&3   JP9 2&3   JP10 2&3  JP11 2&3  JP12 2&3  JP13 2&3
        IRQ3             CLOSED    open      open      open      open      open
        IRQ4             open      CLOSED    open      open      open      open
        IRQ5             open      open      CLOSED    open      open      open
        IRQ6             open      open      open      CLOSED    open      open
        IRQ7             open      open      open      open      CLOSED    open
        IRQ9             open      open      open      open      open      CLOSED
       
       == PARALLEL PORT CONFIGURATION =============================================
       Setting                                       JP7
        Enabled                                      Pins 1 & 2 closed
        Disabled                                     Pins 2 & 3 closed
       
       LPT select                                    JP6
        LPT1                                         Pins 2 & 3 closed
        LPT2                                         Pins 1 & 2 closed
       
       Interrupt select  JP14      JP15      JP16      JP17      JP18      JP19
        IRQ3             CLOSED    open      open      open      open      open
        IRQ4             open      CLOSED    open      open      open      open
        IRQ5             open      open      CLOSED    open      open      open
        IRQ6             open      open      open      CLOSED    open      open
        IRQ7             open      open      open      open      CLOSED    open
        IRQ9             open      open      open      open      open      CLOSED
       
   IMG ATIO-V8 multi IO ISA 1992 photo.jpg
   IMG ATIO-V8 operating instructions.png
   IMG ATIO-V8 schema.png