URI: 
  TEXT The article
   IMG A Bendix G15 state diagram
   IMG A logical operations circuit
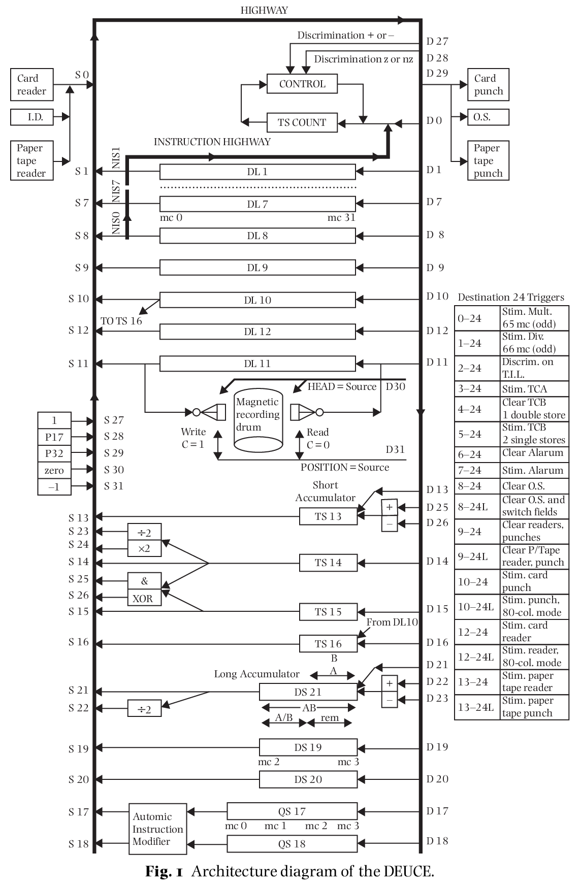
   IMG A DEUCE architecture diagram